Fórum témák
» Több friss téma |
Hát most hogy mondod a nyáron meghizlaltam egy jó kilóval ! Ha emlékszel rá , a kimenetek azok nem ilyenek voltak ! Átalakitás után mondhatom hogy 26 Kiló! Zoli: Van ebbe annyi kac ... at minek bele még az az ellektron ?
Uhh, na ez döbbenet, nem semmi méretek.
A válogatást úgy értettem, hogy nem igazán értem milyen szempont alapján kellene összeválogatni, egy bipoláris tranyó az megy, ott ugye béta szerint lehet válogatni, de hogy itt egy fetnél ez hogy megy, ezt nem tudom, ebben kérek segítséget.
Na ezt egyszer úgyis meg fogom hallgatni, azóta vagyok rá kíváncsi, hogy elősször bemutattad. Ez egy igazi mestermű.
Szerintem ezt egy kittben vetted, vagy gyári csak szétszedted lefényképezni
Pl. igy: Mosfet testing
A mérete csak arra jó hogy nehezebb legyen szállítani.
Ahha. Már értem. Előkotrom majd a FET bemérő rajzát, szégyen de a kész példányom is elveszett. FET-eknél a be-kimeneti kapacitás (pF), Drain-Source "on" ellenállás (mOhm), a műszer nagyjából ezt méricskéli. De ha nem válogatod őket párba, az se baj, hiszen csak a jobb és a bal csatorna "P" illetve "N" FET-jeivel csinálod a procedúrát. Elég semleges lesz a hangja anélkül is, az összeválogatásra nem érzékeny, anno sutyiban kipróbáltam.... Inkább arra figyelj majd hogy 1%-os legyen minden ellenállás, a kondikból sem árt minél jobb minőség, a tápban a pufferkondi (a 2x20W-os példányomban oldalanként egy-egy 62000µF-os Spague van) tehát én olyan 10000µF/A-ral szoktam bókerolni, de ezt majd eldöntöd. Védelem: nálam nincs, beraktam a táp és a végfokok közé egy bika kapcsolót, ha lefutnak a bekapcsolási tranziensek akkor adom rá evvel a kakajót. De kinek mi a zsánere.
A harmadik oldalon a B ábrán, ha jól értelmezem, ott két fet egymáshoz viszonyítódik, tehát a kimenetükön lévő műszeren a kisebb érték a két fet hasonlóságával arányos? Azaz az optimális a 0-a lenne?
Jól értem?
Az 1%-os ellenállás nem gond, mert csak ez van itthon, annó vettem egy nagy szortimentet, a pufferekkel is el vagyok látva, van két 17.000µF -os Sprague-m, azt gondoltam, egyenlőre ugyís csak 1 oldal a tervezett, az is deszkán, légszerelve, az egyszerűség fényében, bordával is elvagyok látva, szóval nagy gond nem lehet.
Én egy 3A nyugalmira gondoltam első körbe. Itt azért már kiderül mik a hírek szerintem. Üdv.
Nagyon jó lett a DOZ erősítőd.
CNC-vel lettek a cuccok kimarva? Ha lesz időm leszedem a fedlapját az enyémnek, úgyis ki kell fúvatni a port belőle, akkor majd lefotózom. Persze hogy nem súlyra mérünk egy erősítőt, csak úgy odaírtam érdekességképpen.
Végül is igen, ha nem akarod elbonyolítani.
De a 4. ábra (5. oldalon) a mérőkapcsolás elvi rajza és az 5. ábra (6. oldal) a "gyakorlati" kapcsolás amivel a MOSFET meredeksége, kapacitása és torzítása mérhető.
Hogyne.
A nyugalmi árammal csak a teljesítménye nő, a hangja semmit sem változik, annyi előnye van csak a nagyobb teljesítményűnek hogy míg a normál 2x20W-os végfokomnál 20 percet várni kell míg bemelegszik, és teljesen jó lesz a hangja, addig a 2x70W-nál kb. 5 perc alatt bemelegíti a két nagy bordát. Más előnye tényleg nincs, csak így előbb tudja élvezni az ember az igazi hangját, a hideg és a meleg állapot közt hangban óriási különbség van, de ezt gondolom itt mindenki tudja.
Hát én nem tudtam, de most már tudom, egyre kíváncsibb vagyok most már, lehet holnap neki ugrok, seperc alatt összeszögelem aztán meghallgatom mit mond. Akkor ha annyira nem kritikus nem építek mérőkapcsolást a fetek összeválogatásához.
Mindenesetre ezúton is köszi p_istvánnak a FET válogató how-to pdf-ért, elteszem, jó lesz az még. Ha minden jól megy holnap délután kettőkor mesélek. Meglátjuk milyen nyelven szólal meg
"a hideg és a meleg állapot közt hangban óriási különbség van, de ezt gondolom itt mindenki tudja."
Ezt már sok helyen olvastam és végülis tapasztaltam is, de hogy mi lehet a magyarázat ? Akár az egytranyós erősítőnél is. Nem mindegy annak az egy ( v. 2) tranyónak hogy hány fokos ? Idézet: Doncso ! ezt te is tudod hogy ez olyan maszek mint én ! Ha anno figyelemmel kisérted a DoZ - os topikot akkor láthattad a fejleményeket ? Ja és ezek Ezek mind gyáriak ? „Szerintem ezt egy kittben vetted, vagy gyári csak szétszedted lefényképezni” Ha - Ha - Ha
Persze, úgyahogy köbzoli mondja, csak vicceltem, de az volt a lényege, hogy ezek olyanok mint a gyáriak. De nem volt jó vicc mert besült.
A világért sem sértenélek meg, ne viccelj, hát persze hogy tudom, hogy te készítetted, hiszen mindig figyelemmel kísérem a műveidet, csak most egy picit félreértettél, de nem rossz szándékkal írtam.
Nos kész van a legújabb a osztályú erősítőm, kis teljesítményre egyelőre, 9v-os trafókkal. A szobahangerő így is bőven megvan. De mikor először megszólalt ( elsőre hibátlanul, semmi zaj ) igencsak leesett az állam. Most végre tényleg. Highand, erősen ajánlom figyelmedbe.
Nos urak, itt az igért építmény és a tapasztalatok.
Az építésről : Gyorsan összerakható kompakt kis kájha. szuper. A bekapcsolás: egész jó, semmi zaj, semmi brumm, minden csendes, szuper. A meghallgatás: Őszintén szólva kiváncsian inditottam el az első felvételt , és őszintén szólva nagyon nem lepődtem meg, ami nem azt jelenti , hogy rossz lenne, sőt, nagyon jó, főleg ha az ár/érték arányt nézzük, a hangja teljesen rendbe van, szép mélyek és tiszta magasak jellemzik, semmi zaj, semmi brumm, viszont számomra semmi különös, egyszerűen teszi a dolgát, semmi gond nincs vele, a várt elájulásom most elmaradt, mert sehol sem találtam benne azt a melegséget és közvetlen hangzást mint az EL84-ben, jó persze ez nem csöves ez igaz, de most nálam az az etalon. Összefoglalva nagyon jóhangú kis erősítő , a teljesítménye is több mint elég ha szobában hallgatjuk, a bordával nem szabad spórolni, nálam 28V 3A-es nyugalmival pillanatok alatt bemelegedett. De az igazat megvallva, azért a B5 hangjától még messze áll, a B5 olyan mint egy egybe öntött test, testesebben, precízebben szól, talán a frekvencia átvitele is egyenesebb , a JLH-tól viszont jobban tetszett a hangja, a JLH-m olyan burkoltabban szól, a sorrend nálam jelenleg JLH, A kis FET-es, B5 és az EL84. Őszintén megvallva nagy kereket innentől nem kerítenék, ha valakit érdekel, szívesen állok rendelkezésre egy meghallgatás erejéig, de az igazság az hogy csodát ma sem fedeztem fel.
Kell, hogy legyen olyan kapcsolás is, amit 3 üveg bor után is össze tudunk rakni egy talcsin...
[OFF] Csoda majd az lesz, ha megcsinálod az EL84 PP-t. Ott lesz már kraft is!
Vagy a Janiét "lefüleled"!
Mérted mekkora teljesítmény jön le ?
Szerintem 7-8W -nál több nem ( 8 ohm -on )..
Fülre nagyjából annyi volt, de ilyenekkel most nem foglalkoztam, inkább a hang minőséggel.
Szia!
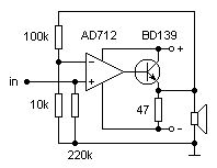
Megépítettem az erősítődet, igaz egy kis átalakítással! Mégpedig: BD139 helyett BD243C, AD712 helyett LM358, és az egyenfeszültség védelem miatt a kimenetre 2200µF és 1µF párhuzamosan, a 47ohm 40ohm lett a BD miatt, és 40W-ot tud eldisszipálni, de így olyan meleg, hogy csak na, a többi a te kapcsolásod szerint van Számomra elég kellemes hangja van, főleg a középtartományban. A magasai is szépen szólnak, a TDA7294-hez képest is, eléggé részletező, és nagyon dinamikus a hangja! A mélytartomány is szebben szól, a harmonikus mélyek gyönyörűek. A trafó egy 50VA-es darab, 2x17VDC-vel, gyors diódákkal egyenirányítva, LOW ESR típusú 2200µF-dal símítva, vele párhuzamosan 1nF, és 47uF. Csodálkozom is, hogy az opamp hogy bírja még :eek2: Már vagy egy órája szól az erősítő, 4ohmmal terhelve, és most jutott eszembe, hogy a +-17V lehet kicsit sok az IC-nek, de majd szól egy pukkanás kíséretében. Alapjaiban szerintem jó kis kapcsolás, próbálom tesztelgetni, főleg a borda hőmérséklete és hangminőség összefüggése érdekelne, de az folyamatban van! ![]() Üdv!
Szia!
Csak ebből a kapcsolásból nagyon kicsi a torzítatlanul kivehető teljesítmény. A negatív tápfeszültséged -17V, erre kapcsolódik a 40 ohm-os ellenállás sorbakötve a 4 ohm-os hangszóróval, tehát a kimeneti negatív csúcsfeszültséged jelen esetben a -17V egy tizenegyed része, -1,54V. Az ehhez tartozó effektív feszültség pedig 1.09V. A torzítatlan kimeneti teljesítményed kb. 0.3W. Ha ennél jobban kivezérled az erősítőt durván aszimmetrikus kimenőjeled lesz, mert a pozitív oldal majdnem tápfeszültségig kivezérelhető. Ha javítani akarod a kivezérelhetőséget(és vele együtt csökkenteni az aszimmetrikus torzítást), a 40 ohm-os ellenállást drasztikusan csökkenteni kell!
Tévedsz. Dehogy van sorbakötve a 40 ohm és a hangszóró !
A kimeneten 0 volt van, a hangszóró - lába a középföldön van. Nézd meg jobban.
Nyugodtan kiveheted a kimenő kondikat. A műv.erősítő gondoskodik róla hogy a kimeneti pont dc -re mindíg 0 volton legyen. És akkor még jobb lesz a hangja. Örülök hogy tetszik !
Szia!
Ehhez fel kellene rajzolni az erősítő váltakozóáramú helyettesítő képét.. Pozitív félperiódus alatt a hangszóró a tranzisztorral van sorbakötve, negatív alatt az ellenállással. Az ellenállás egyik vége a mínusztápra kapcsolódik, a másik a hangszóróra, és a hangszóró másik vége pedig a földre. Ez pedig egy szép soros feszültségosztó, és a kimeneti max. feszültség pedig egyszerűen meghatározható az ellenállások arányában.
Drasztikusan csökkenteni... A tranzisztorom 6A-t tud kapcsolni elvileg. Meddig mehetnék le? És ez mekkora disszipációt okozna? Köszönöm!
|
Bejelentkezés
Hirdetés |




Ha - Ha - Ha












