Fórum témák
» Több friss téma |
Akkor azt mondjátok el, hogy ezek szerint, hogy lehet állítani valamiről hogy jó e? Hoyg lehet mondjuk egy kapcsolást megvédeni, hogy minőségi?
Azt mondom jól szól, erre a válasz : SZUBJEKTÍV A VÉLEMÉNYED Azt mondom, megmérem, erre a válasz : HIÁBA JÓ A MŰSZERED SZERINT ATTÓL MÉG LEHET ROSSZ. Akkor kérdem én, mit tehet egy amatőr? Hol az igazság, és mivel lehet egyértelműen kijelenteni, ez az erősítő minőségileg megüt egy X színvonalat?
Lamalassal egyet értek, te minden erősítődre azt írod, "na ez most igazán jó" én erre azt mondom, ez a te szubjektív véleményed , attól még lehet rossz. Ezzel egyáltalán nem minősíteni akarlak, ez egy példa volt arra, hogy én egyre jobban kezdem nem érteni, hogy mi módon lehet alátámasztani mindenki számára elfogathatóan, hogy valami tényleg jó.
Egyáltalán lehet?
Ebben az összetett dologban teljesen igazad van.
Idézet: „Ez osszetett dolog, nem csak az erositot kell vizsgalni, hanem a rakotott hangsugarzot is! Egy JLH erositore ra lehet kotni olyan hangsugarzot amivel az erosito csak kinlodik es nem fog jo hangminoseget produkalni. Azonban hasznalhatunk olyan hangsugarzot is amivel viszont gyonyoruen fog muzsikalni!” Ezt így egybe is meg tudja majd mérni a műszerem. Igazatok van, hogy nem biztos, hogy egy lineáris frekvencia menet minden fülnek a leg optimálisabb, tudom, hogy egy műszerrel tökéletes eredménytől, még lehet hogy a fülnek a rosszabb tetszik jobban, de ha már műszerrel jónak tünik egy erősítő, az már valamelyest elérhet egyfajta minőségi szintet.
Szerintem nyugodjunk bele abba, hogy ahány erősítő, annyi hangzás, csak úgy, mint a nőknél... Nincs belőlük egyforma, de még hasonló sem (kivéve az ikrek, de ők sem ugyanolyanok
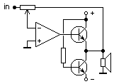
). Üdv! Idézet: „annyit tehetsz, hogy a korrektül kimért jól tervezett erősítődet véleményezed,” Na ez az, ezt akartam hallani, ezt emelném ki, és ezért is építem a műszert. Tehát, hogy mégis valami elfogadható támaszom legyen ami alapján tudok hitelesebb, véleményt mondani valamiről, ne csak azt, hogy "hej de jól szól" , vagy hogy "mások szerint ez ilyen meg olyan" Pontosan értem egyébként amit mondasz, és igazad is van, én csupán egy olyan megoldást keresek, vagy inkább olyan szempontokat, a méréssel, amiket ha teljesít egy adott erősítő, akkor lehessen rá azt mondani, hogy igen ez valóban egy jó erősítő, vagy hogy , igen ez már megüt egy bizonyos szintet. Azt én is tudom jól, hogy méréssel kizárt , hogy meg lehessen mondani sok erősítő közül, melyik a legjobb. De sok erősítő közül ki lehet szelektálni a jókat. Mennyivel pontosabb egy véleményezés, ha azt mondom, nézzétek, itt a frekvencia menete, ekkora és ekkora torzítási tényezők vannak x teljesítményen, bla bla, ebből fakadóan ez az erősítő ilyen meg olyan, majd jöhet a szubjektív vélemény a hangjáról. De ekkor már azért lehet sejteni hova tartozik az adott erősítő, mert azért egy frekimenet és egy THD görbe azért sokat elárul szerintem. Így képzeltem az egészet. Ez mégis közelebb áll egy erősítő véleményezéséhez, mint ha azt mondom így meg úgy szól, ezt vagy elhiszi valaki, vagy nem. Ez a célom a mérésekkel igazából. Ja, meg a tanulás, ami nem elhanyagolható. Ami nem mellékes, hogy több szempontból is egy hasznos műszer, mindamellet, jól jött volna wartowski kolléga erősítőjénél is készíteni egy hiteles átviteli karakterisztikát. Üdv.
Kíváncsian várom a mérési eredményeket!
Szerintem ez nagyon hasznos lesz, bármilyen végerősítőről is beszéljünk.
Sajnos kicsit várnotok kell, bár a műszer kész van, de a mérést a műhelybe szeretném végezni, és az ehhez használható PC-m tápja éppen javítás alatt van, de mint igértem meglesz.
Üdv.
Megcsináltam én is az A-minimum végfokodat, egyelőre csak a munkaellenállásos buffer verziómat alakítottam át, - nagyon komoly audiofil hangja van. És felfedeztem hogy az áramszabályzó tranyókhoz elég 1db nyitóellenállás, vagyis a bázisuk lehet közös. +-8voltos táppal 4,7k nyitóval 1A kellett neki, és elég jól fűt...
Szia!
Amint lesz akksim,lefényképezem! Egyébként légszerelve csináltam,2-3W-ot ad,de a 100W 8Ohm hangfalaimat tökéletesen elviszi. Most VF3-ba szerelmesedtem bele,úgyhogy azt fogom megépíteni! Az állítólag 15W 8Ohmon,30W 4Ohmon. és +-17V kell neki. Doncso Papa mit szól a VF3 vagy a VF2-hőz??? H1-VF3 vírus. Magamtól szaladtam bele!
Jé, tényleg egy darab ellenállás bele. Látom nálad komoly ez a minimum koncepció.
Komoly bizony
Ez az erősítő olyan jó hogy meg szeretném csinálni nagyobb teljesítményre is, 2n3055-ökkel, pl. 2*15w-ra. Csak jó nagy borda kellene és nagy táptrafó. Ez mindenképp meglesz előbb utóbb.
Highand, mekkora minimális tápfeszt és nyugalmi áramot javasolsz ha 2*15w-ot szeretnék kihozni az a-minimum kapcsolásból 4 ohmon ? Amúgy találtam nagy bordákat, és 2n3055 tranyókat, meg is csináltam gyorsan összedobva, de sajnos csak az egyik oldal szólt, a másik búgott - v.melyik tranyó hibás, nem ellenőriztem őket előtte... de talán kicsit overkill is a 2n3055, lehet elég a kedvencem a 6A-t bíró BD243 is. Ezért is kérdezem hogy mekkora áram kellene akkor nekem ?
Szia, csúcstól-csúcsig 22V jelenti a 15W-ot. Jelen kapcsolás szerintem erre nem jó, mert ehhez az áram mellett még az IC-nek is kellene tudni jó nagy kimenő áramokat. 15W az nagyon sok A osztályban, főleg a minimum koncepcióban, ahol rengeteg kihasználatlan tápfesz marad, ami miatt még nagyobb borda kellene.
2A nyugalmi áramnál többet semmiképpen sem javaslok.
Nade korábban mikor megépítetted ezt írtad:
" Megépítettem az "A" minimumot, amit itt mutattam nektek, de leegyszerűsítve. 10-12W egyből jön belőle. Nagyon jól szól, túlságosan is." ... akkor most nem értem...
Hát igen de én adtam neki vagy 3A-t. Pont ezért írtam, hogy túlságosan jó, mert kísértésben voltam, hogy komoly példányt építsek belőle.
Szerk: A 10W és 15W között jó nagy sajnos a különbség a kivitelezhetőség szempontjából. Idézet: „A 10W és 15W között jó nagy sajnos a különbség a kivitelezhetőség szempontjából.” Így van, viszont hangnyomás szempontjából a különbség nagyjából 1 - 1,5dB, ami nem sok. Akkor okosabb megoldás egy jobb érzékenységű hangszórót keresni, azzal többet ki lehet hozni hangerőre. Idézet: „...okosabb megoldás egy jobb érzékenységű hangszórót keresni...” Abszolut egyetertek! A kis teljesitmenyu A osztalyu erositokhoz (legyen az csoves v. tranyos) mindenkepp erdemes magas erzekenysegu hangsugarzokat hasznalni.
Az otthoni hangfalam (IQ) szerencsére elég jó érzékenységű ( nem tudom a pontos értéket ) de kétszer fél watt már hozza a szobahangerőt.
Sőt, legújabb agymenésem, az A-osztályú shaman. Csak egy ellenással több sztereóban mint a B-osztályú...
Hol találtál a 4558 hoz olyan adatlapot, amiben a kimeneti áram karakterisztika benne van?
Csak az 500mW power dissipation-ből gondolom. Nem jól gondolom ? Amúgy meg mindegy is, azt írtad akár 741-el is nagyon jól szólhat. Egyébként gondolkodtam én ezen, mármint hogy nagy teljesítményre hogyan lehetne megcsinálni, pl. tda2050 + nagy mosfetek ? Mit szólsz ? Mint pl. a musical fidelity a370...
Nem érdemes nagy teljesítményre megcsinálni, de ha mindenáron akarod, akkor Mayan shaman "AB" - 2A nyugalmi áramra beállítva= Mayan "A"
Vagyis nyisd ki az ellenütemű véget a klasszikus potméteres verzióval, de ne elégedj meg 100mA nyugalmi árammal, hanem állíts be 2A-t.
Meggondolom... - közben átalakítottam a kapcsolást a class_A_shaman -ra amit az előbb mutattam, 10k lin. potival, így már lehet állítani az erősítést, és komolyabb hangerőt tud, most éppen +-14V a táp és 1,5A a nyugalmi áram sztereóban. Szépen szól...
Az a baj, hogy nagyon szépen és tervezgetem a ventillátoros hűtésű komoly verziót. Berendezek egy audio szobát, ahol bárki összehallgathatja majd a különböző kapcsolástechnikájú erősítőket, mert gyakorlatilag minden jellemzőből építek mintát.
Milyen paraméterekkel / alkatrészekkel tervezed a komoly verziót ? Én amúgy nem preferálom a ventillátoros hűtést, hangja is van és elektromos zavart is okozhat ellenben olcsón is lehet szép nagy hűtőbordákat találni és nincs gond a ventivel...
Nekem jó a TL, vagy az 5532, de a végére darlingtonokat tennék, mert akkor rögtön megszűnik a harc az IC kimenő áramával. Igaz ettől a dumping faktor is megnő, ami egyértelműen rosszat tesz a hangnak. Figyelj, ha darlingtonozol, mert a 2K helyére kb 680k kell!
|
Bejelentkezés
Hirdetés |




). Üdv!







