Fórum témák

» Több friss téma
Fórum » Adapter
 
Témaindító: feri44, idő: Ápr 12, 2010
Témakörök:
Lapozás: OK   1 / 3
(#) feri44 hozzászólása Ápr 12, 2010 /
 
Sziasztok olyan bajom van,hogy kellene nekem egy 12voltos 15ampheres adapteri kapcsolás ami 220voltról működne.előre is köszönöm.
(#) potyo válasza feri44 hozzászólására (») Ápr 12, 2010 /
 
PC táp nem lenne jó?
(#) krissz555 válasza feri44 hozzászólására (») Ápr 12, 2010 /
 
Helló! Kapcsi? Ez attól függ, hogy kapcsoló üzeműt akarsz csinálni vagy transzformátorral (tekercselni vagy venni) És egyen vagy váltó 12v?
(#) feri44 válasza potyo hozzászólására (») Ápr 12, 2010 /
 
Az a helyzet,hogy már két tápot megölt.
(#) feri44 válasza krissz555 hozzászólására (») Ápr 12, 2010 /
 
Trafós legyen és egyen áram.
(#) kadarist válasza feri44 hozzászólására (») Ápr 12, 2010 /
 
Ki ölte meg a tápot?
(#) krissz555 hozzászólása Ápr 12, 2010 /
 
Hát trafót vagy tekerni tudsz házilag, vagy venni! 9v-os legyen és ezt egyenirányítani egy grace hid-al pufferelni és ott a 12v egyen! Azt megtudhatnánk hogy mihez kéne?
(#) Rober_4 válasza krissz555 hozzászólására (») Ápr 12, 2010 /
 
Vigyázat a pufferkondi a képről lemaradt!
(#) feri44 válasza krissz555 hozzászólására (») Ápr 12, 2010 /
 
Erösitő
(#) Rober_4 válasza feri44 hozzászólására (») Ápr 12, 2010 /
 
Autós?
(#) feri44 válasza Rober_4 hozzászólására (») Ápr 12, 2010 /
 
Jó neki a 16volt-os kondi?
és hány mikrós legye?
(#) feri44 válasza Rober_4 hozzászólására (») Ápr 12, 2010 /
 
Igen autós erösitő
(#) Rober_4 válasza feri44 hozzászólására (») Ápr 12, 2010 /
 
Ha trafós a tápegység, és 12v-ról megy akkor igen. Ekkora teljesítménynél, gondolom 10000 mikroFarád jól jön, vagy több. Nagyobb gond a trafó. Kell vagy 200Watt...
(#) krissz555 válasza feri44 hozzászólására (») Ápr 12, 2010 /
 
Mivel 15-20A-es trafó még akkor sem kicsi ha torroid, megaztán nehéz is! Annyit tudok javasolni ha ekkora trafót nem tudsz szerezni, hogy mérd ki az erősítőben az inverter (DC-DC konverter) mekkora feszültséget ad az erősítőnek és célszerűbb szerintem közvetlen az végfokot táplálni kihagyva a konvertert és két szekunderes vagy középmegcsapolásos trafót szerezni +- X Voltos tápot csinálni neki! Ezáltal a hatásfok is jobb lessz. Az inverter úgy sem dolgozik 100%-os hatásfokkal!
(#) feri44 válasza Rober_4 hozzászólására (») Ápr 12, 2010 /
 
Nekem16v és 47000uf-os kondi van szerintem kicsit nagy vagy pont jó.
(#) Rober_4 válasza feri44 hozzászólására (») Ápr 12, 2010 /
 
Erősítőnek sosem lehet elég nagy a puffere...
Viszont a diódák, vagy a Graetz-híd többet tudjon 15A-nál.
Esetleg lágyindítás:
Bővebben: Link
(#) feri44 válasza krissz555 hozzászólására (») Ápr 12, 2010 /
 
Oké köszi az infót és az idő töltést.
(#) Macsek71 hozzászólása Ápr 12, 2010 /
 
Ide kívánkozik a kérdésem :
Autórádió PC-tápról életképes, vagy hanyagolandó ?

A rádió 2*30 W, tizenéves Grundig, a táp egy AT 200 W noname

Várhatóan reggeltől estig 16 órás üzemekre számíthatunk, illetve, ha beindul a cég akkor akár hetekig is be lesz kapcsolva
(#) klemo86 válasza Macsek71 hozzászólására (») Ápr 12, 2010 /
 
Egész nyugodtan, nálam a műhelyben évekig úgy ment.
(#) Rober_4 válasza (Felhasználó 13571) hozzászólására (») Ápr 13, 2010 /
 
Mindenesetre jó nagy adapter lesz!
Bővebben: Link
(#) flyingdoctor hozzászólása Ápr 13, 2010 /
 
Sziasztok!
Azt szeretném kérdezni, hogy létezi-e olyan IC amely önmagában megoldja a 12/5 volt átalakítást. Konkrétan egy vitorlázó repülőgép 12 V-os akksijáról kellene meghajtani PDA-t és nem nagyon van hely a szivargyújtós megoldásra a kabinban.
Üdv,:
Laci
(#) hadnagyakos válasza flyingdoctor hozzászólására (») Ápr 13, 2010 /
 
Attól függ, hogy mekkora áramerősség kell. 1A-ig jó a 7805 típusú.
(#) flyingdoctor hozzászólása Ápr 13, 2010 /
 
1 A bőven elég (pár száz mA -t vesz fel). Tudsz esetleg linket, ahol van ehhez valamilyen kapcsolási rajz?
(#) hadnagyakos válasza flyingdoctor hozzászólására (») Ápr 13, 2010 /
 
7805 adatlap
A fent linkelt adatlapban megtalálod mindjárt az első oldalon a kapcsolási rajzot. Ennél egyszerűbb átalakítot szerintem nem találsz. Az IC-n kívül csak két alkatrész kell hozzá!
(#) flyingdoctor hozzászólása Ápr 13, 2010 /
 
Köszönöm!
(#) papcsi95 hozzászólása Ápr 17, 2010 /
 
Helló.
Nem akartam új topikot nyitni ezért hát ide írok.
van itthon nekem egy 6V DC 300mA -es adapterem.Az lenne a feladat hogy egy 3 voltot igényló kivetítős orára szeretném rákötni és ezt hogy oldhatnám meg. Itt van pár kép is.
(#) kadarist válasza papcsi95 hozzászólására (») Ápr 17, 2010 /
 
Szia!
Ezzel a stabilizátor IC-vel Stabil 3,3 voltot állíthatsz elő, amivel táplálhatod az órád.
Az IC-nek van tiltó bemenete, ezzel le lehet kapcsolni a kimenetét.
KA78R33
(#) papcsi95 válasza kadarist hozzászólására (») Ápr 17, 2010 /
 
Köszönöm szépen.Nem vagyok nagyon járatos ezen a téren ezért még abban tudna segíteni hogy hogy kössem be?
(#) kadarist válasza papcsi95 hozzászólására (») Ápr 17, 2010 /
 
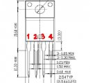
1-es láb bemenet (+6V), 2-es láb kimenet, 3-as láb negatív (test), 4-es láb bemenet (+6V).
A bemenet és a mínusz közé egy 100 µF 16V-os elkót érdemes kötni, a kimenet és a negatív közé pedig egy 47 µF 10V-os elektrolitkondenzátort (elkó).
(#) papcsi95 válasza kadarist hozzászólására (») Ápr 17, 2010 /
 
Köszönöm,ezzel nagyon sokat segített.
Következő: »»   1 / 3
Bejelentkezés

Belépés

Hirdetés
XDT.hu
Az oldalon sütiket használunk a helyes működéshez. Bővebb információt az adatvédelmi szabályzatban olvashatsz. Megértettem