Fórum témák
» Több friss téma |
Olyan problémám lenne, hogy kaptam javításra egy DVD lejátszót, ami állítólag úgy ment tönkre, hogy használták utána áramtalanították, "eltették" és amikor megint elővették, akkor már nem lehett bekapcsolni.
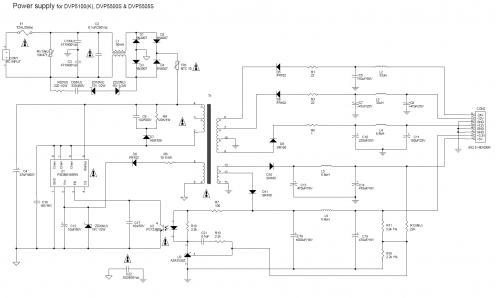
Nos egyértelműen a táp része purcant ki mert nem állítja elő egyik szükséges feszt se. Gondoltam nem lehet nagy baja, de mégse tudom mi lehet vele. Az egyenirányító rész még jó egészen a pufferkondiig. Ott még jelen van a kb. 320V egyen. Ott 3 felé ágazik a fesz. Rámegy egy IC-re, aminek típusa: 5M02659R (VE17). Sajnos azt nem tudom ennek mi a szerepe. Másik ága két soros ellenállás páron és egy optocsatolon keresztül átmegy a panel törpefeszültségű oldalára. És a harmadik ág pedig a panel közepén lévő tekercsre vagy trafóra. Ennek négy bemenő lába van abból kettőn 320V-ot mérek kettő meg test. A kimenetén ahol szintén négy láb van viszont nem jelenik meg semmi fesz. Ez lehet rossz? Reggel próbáltam gyorsan pár képet csinálni a telómmal nem lettek valami élesek, de az alkatrész elhelyezkedés legalbb látszik rajta. Várom mindennemű segítséget a megoldás keresésében. Köszönöm előre is. Ha kapcsolási rajza lenne valakinek ehhez a lejátszóhoz annak is örülnék.
Üdv!
Az az IC a lelke a tápnak. vezérlés+kapcsolótranzinsztor. 100% hogy az halt be, pláne ha a bizti jó. Ezek marha kényesek a villámlásokra meg a táp le-táp vissza akciókra. szóval nics más teendöd,keress 1 ugyanilyen ic-t.mondjuk az optocsatolot megnézhetnéd még... IC adatlapja üdv: pok
Gondolom nézted a képet, azon látszik is a nyák felöli oldalon, hogy azt az IC-t már egyszer valaki cserélte.
Akkor azt mondod megint az szálhatott el? Ez hétköznapi IC lehet vajon? Remélem nem egy drága fajta. ![]() Csak azt nem értem, akkor a trafó vagy tekercs ami a panel közepén van miér nem ad le feszt a törpefesz oldalra mikor a másik oldalon kap 320V egyent.
Az ic csere előtt a körlötte lévő kondikat azért kicserélném,különös tekintettel az 50V körüliekre, esetleg a szekunder részen lévő egyenirányítók is gyanusíthatóak.
Szerintem az ic-t nem érdemes körözni, mintha annyiba kerülne mint az egész.(ha nincs benne kapcs tranzisztor akkor szinte biztos) Én egy másik fejhibás tápját raknám bele esetleg.
Nos megérdeklődtem az IC árát és 600Ft-ért tudnak rendelni. Majd megkérdem a srácot, hogy ennyit még megér-e neki.
Pár dologgal nem vagyok tisztában azzal kapcsolatban, amit te írtál. A secunder részen a panel közepén lévő trafó túloldali törpefeszes részét érted? Tehát te azt mondod, hogy a trafóra menő egyent a trafó visszaalakítja váltóra és transzformálja? Tény, hogy az eltalad secunder oldalnak vett részen a trafó után diódák vannak. Néztem az IC VCC táplábára két ellenálláson keresztül megy a 320V egyen. Valószínüleg a két ellenállásnak feszosztó szerepe lehet? Az IC adatlap szerint max 30V lehet az IC táp. Arra még nem válaszoltál, hogy ha megy 320V egyen a trafóra, akkor a túloldalán miért nem jelenik meg semmi fesz? Az adatlapból te mit hámoztál ki, ha jó az IC, akkor minek kell belőle kijönni? Mekkora feszt kapcsol?
Szia.
Szerintem első körben nézd meg, hogy a szekunder oldalon az 5V-os táp pufferelkója nem kapacitás-szegény-e. Daewoo DVD-k típushibája volt. Ha minden igaz az egy 1000 mikroF/ 10-25V-os kondi. Érdemes rögtön cserélni. Másodsorban mérd végig az összes szekunder oldali egyenirányító-diódát, hogy nem-e zárlatos valamelyik. Akár az egyik rossz, nem indul a táp. LG DVD-k előforduló hibája. Mérd ki az optocsatolót, és a TL431 zenert, hogy zárlatos-e. Az optocsatoló az a négylábú "izé" a trafó mellett. PC123 LV817 vagy valami NEC márkájú lehet, helyettesíthetőek egymással (tapasztalatom szerint). A TL431 pedig a szekunder oldalon van, az optocsatoló mellett. Ha minden jó, akkor valószínűleg az IC rossz. Mielőtt cseréled, fontos, hogy a pufferelkót süsd ki.Sok sikert a javításhoz.
Köszi a részletes választ. Pár infó.
- 5V-os táp elkója: az én tápomon több pufferkondi is van a secunder oldalon mivel több féle feszt is előállít. Előállít 21V-ot, +/-12V-ot, 5V-ot, 3,5V-ot, 3,3V-ot. Mindez a csatlakozók mellé van írva. Amúgy igazad van, mert a secunder oldalon van egy 1000 mikroF /16V-os kondi. - secunder oldali egyenirányító diódák: oké ezeket majd kimérem. Bár nem értem miért van köztük egy SR teljesítmény dióda is. -optocsatoló: én is felismertem az optót, igaz mérni még nem mértem. Abból is felismerhető, hogy alatta a panel meg van vágva. A trafó mellett helyezkedik el. Típusa PC817 SHARP márkájú. -tranyó: Eltaláltad TL431 a típusa, de nem zéner hanem tranyó , majd ezt is kimérem. Tranyót akartál írni vagy zénert? A pufferkondi (400V/47 mikroF) engem is megszivatott. Semmi nincs a tápon, ami tápelvételkor kisütni így mikor véletlenül rányultam jól meg is csapott a 320V egyen fesz. ![]() Lécci valamit írj az én kérdésemre is, arra senki nem reagál. ![]() Miért nincs a trafó secunder oldalán fesz mikor a primeren mérek. Másrészt az IC a két ellenállásos feszosztón keresztül kap 320V helyett 30V-ot?
Bocsi most néztem a TL 431 adatlapját és tényleg zénet csak TO-92 tokozásban. Ilyet még nem is láttam.
Nincs mit. Megyek sorban.
![]() - Az 1000 mikroF /16V-os kondit cseréld ki, engem már párszor megszívatott. Nem látszik rajta, hogy púpos a teteje? A fényképeden sajna nem lehet kivenni. ![]() - Az optocsatolót helyettesítheted PC123-mal (szerintem boltokban kapható). - A TL431 nem tranyó, hanem egy speciális szabályozható zener-dióda, csak tranzisztor tokozásba tették. Szerintem egy jobban felszerelt elektronikai boltban kapható. - A 400V-os puffert úgy szoktam kisütni, hogy egy olvasólámpa hálózati csatlakozóját párhuzamosan hozzáérintem a kondi lábaihoz. Ilyenkor a lámpa felvillan, és kisüti az elkót. - Azért nincs feszültség a kimeneten, mert a táp neve: kapcsolóüzemű táp. Az IC ad impulzusokat a trafó primer oldalára, és azt transzformálja le. A TL431, és az opto pedig a szabályzáshoz kell. Ha az IC rossz, nem "kapcsolgat" ergo nem megy a táp. Remélem segítettem. Ha valami nem tiszta, kérdezz nyugodtan.
Még azt estleg megmondhatnád, hogy ha mérem az IC VCC lábán a 30V körüli feszt,a kkor a kimenetén tudnom kellen valamit mérni. Valamekkora feszt (fesz impulzusokat). Ja és szerinted melyik lábon küldözgeti az impulzusokat?
![]() Nem akarok 600 Ft-ot kidobni az ablakon, amíg nem vagyok biztos benne, hogy rossz az IC. Tesztelni szeretném azt is, ha minden más jó.
Amúgy néztem egyik kondi sincs felpupodova.
Én azért nem tudom elképzelni, hogy valami passzív elem ment volna el vagy akár optó, mert mint az első bejegyzésemben is írtam, nem menet közben szállt el a táp, hanem lekapcsolták leközelebb meg már nem tudták bekapcsolni. Ezért lehet igaza proba-nak, aki azt írta a feszingadozásra érzékeny az IC. Lehet, hogy nem kikapcsolták hanem csak kirántották a 230-as dugaljból a villát. ![]() Tudod ez amolyan gyári sori zene hallgató DVD lejátszó féleként funkcionált.
Elég nagy esély van rá, hogy Pokot-nak lesz igaza, mert a táp legérzékenyebb pontja a táp IC. Amikor nekiállok egy ilyen kapcsolóüzemű táp javításának a passzív elemeket kezdem el vizslatni, mert megszívathatnak. Nem egyszer fordult már elő velem, pl.: LG videónál mindent kicseréltem a tápban, de nem javult meg, majd az 5V-os pufferelkó cseréje után támadt fel a gép. Aztán amikor kíváncsiságból visszapakoltam minden eredeti alkatrészt, már csak a kondi maradt, és még mindig működött a videó.
Érdemes végignézni ezeket, mielőtt berendelsz potyára egy IC-t. Viszont nagy az esély rá, hogy az IC a rossz.
Első körben én is cserélek minden elkót és utána tovább, diódák,opto. Viszont a 8lábú all-in-one IC-kből már jópárat cseréltem,azért kezdtem azzal.Ha meg a tulajnak nem ér meg 600Ft-ot,akkor a munkadíjjal mi lesz?
Jó hírrel tudok szolgálni ugyanis a masina jó lett.
Tegnap este mondom végig mérem az összes passzív elemet mielőtt tényleg rendelnék egy táp IC-t. Nos ki is bukott a hibás alkatrész, ami nem hiszitek el de egy ellenállás volt. Igaz a kép, amit feltettem nem valami éles, de talán kis foltként látható, hogy a táp IC és a nagy 400V-os pufer kondi közt van két ellenállás sorba kötve. Úgy van összeforrasztva két 100K-os ellenállás, amely így sorba kötve ugyebár 200K-ót ad. Gondolom azért oldották meg így, mert ugyebár szabványos 200K-ós ellenállás nincs, viszont itt számít az értéke, mert ahogy néztem ezek az ellenállások egy feszosztó részei, amik a táp IC tápját szolgáltatják. Néztem az adatlap szerint a táp IC tápja 30V-ig terjedő fesz. lehet, esetemben viszont nem kapott semmi tápot így nem tudott az egész kapcsolóüzemű táp beindulni. Ebből a két sorba kötött ellenállásból volt az egyik szakadt bármiféle külsérelmi nyom nélkül. Még szerencse, hogy a feszosztó VCC lábra menő ellenállásából szakadt el az egyik, mert ha a másik ágé száll el, akkor az IC-nek is annyi lett volna a túlfesz miatt. ![]() Na röviden ennyi. Szeretném megköszönni mindkettőtök segítségét, mindenképp okosabb lettem. ![]() üdv, Zsolti
Sziasztok!
Rendelkezem egy airis L103E típusú lejátszóval. Eddig nagy megelégedéssel használtam, de most elkezdett öregedni a beste. Nehezen olvas már mindent, van amit egyáltalán nem. Arra gondoltam, hogy kicserélem a fejet. Nem tudjátok hol tudnám ezt beszerezni? Köszi a válaszokat előre is! ![]() Fecó
Előfordulhat az is, hogy "csak" a lemezforgató motor döglődik.mindenképpen érdemes azzal kezdeni.fogsz egy másik masinát,vagy egy PC-s olvasót és kiemeled belőle a tálcamozgató motort. Nagyon fontos, hoyg mielőtt lehúzod az eredeti mociról a lemezt alátámasztó tárcsát (nem tudom mi a hivatalos neve) mérd meg tolómérővel,hogy milyen távol van a motor felfogatásától,majd az új motorra ugyanolyan távolságra tedd fel. új fej ügyileg egyébként HQ video,de annyiért kapsz egy másik playert is...
Kép mellékelve
Szia!
Köszönöm a tippet, ha végképp behal ezt kipróbálom. HQ-nál és Nedisnél nem tudtak segíteni. A képen nem a fejmozgató motor van hanem a lemeztekerő. Ha jól értem ennek a cseréje segíthet. Egyébként végigment benne egy tisztítócd (ilyen kis kefés izé, biztosan ismered) és az elég sokat segített rajta. Köszi mégegyszer! ![]() Fecó
Sziasztok!
Van egy L103E DVD lejátszóm, és az a baja hogy nincs se képe, se hangja. Ha berakok egy lemezt akkor a számlálón látszik hogy elkezdi lejátszani, de nincs képe meg hangja. Szerintetek mi lehet a baja? Előreis köszi a segítséget.
Progressive Scan módba lett kapcsolva szerintem .
És tényleg, igazad volt.
Nemhittem volna hogy akkor hangja sincs. Köszi szépen!
Szia!
A héten én is kaptam javításra egy ilyen márkájú lejátszót. Ma volt időm belenézni, s én is a táp IC-re gyanakodtam, de rákereséskor be adta ezt a találatot is. Ebben is szintén a két sorba kötött 100kohmos ellenállás közül az egyik szakadt volt. Kicseréltem egy nagyobb teljesíményű, de 220kohmos ellenállásra. Így kicsivel nagyobb hálózati feszültséget is elviselhet. Üdv: Vili
Azt szeretném tudni honnan lehet kapcsolási rajzott szerezni az itt látott a nyákhoz ez egy vorton dvd 206
Mert ennek is elszált a táp oldal.
Sziasztok!
AIRIS DVD lejátszó tápegység olyat produkál, hogy minden kis feszültségek, 5 V, + - 12 V, - 25 V, lüktetve ugrándozik. Mitől van ez? Köszi a segítséget. Üdv. Lele |
Bejelentkezés
Hirdetés |








a trafó mellett. PC123 LV817 vagy valami NEC márkájú lehet, helyettesíthetőek egymással (tapasztalatom szerint). A 







