Fórum témák
» Több friss téma |
Fórum » Akkumulátor töltő
Nem teljesen világos az 1N4001 helye.Stabilizátor bemenete és kimenete közé szoktam tenni,de itt az akku oldlán van.
Hello!
Jó helyen van az, csak kukán van megrajzolva. Azon keresztül kap feszültséget a tápból a 9V-os stabilizátor. (Amúgy reverz dióda akkor kell, ha a stabi kimenetén nagy pufferkondi, vagy aksi van.) A kapcsolásnak így az a hibája, hogy csak az áramot korlátozza, így addig tölti az aksit, amíg akarja. üdv!
Köszi, így világos! Azonban maradok annál a változtatásnál, hogy az áramkorlátozó izzót átteszem ahova javasoltad. Nagyobb változtatásokat nem akarok eszközölni ezen a kapcsoláson.
Állandó áramú töltőm már van (proli007 féle ACCU-MAT), ami hibátlanul működik. Köszi mégegyszer: metabo123
Ez csak az áramkorlátozás a töltés elektronika nincs a rajzon.
Hello mindenkinek nem tudna nekem valaki segiteni suliba kel nekem év végére csinalni valami elektronikus dolgot szeretnek egy aku töltöt csinalni mert annak nagy hasznát venném ithon egy egyszerü kéne komplet beültetési rajzal meg nyákal meg alkatrészlistával
nagyon meg köszönném ha valaki tudna segiteni
Van a cikkek között is, itt is találsz ha visszaolvasol, de ha azok nem tetszenek akkor itt van ez
Amikor begépeled a hozzászólásodat, akkor a pirossal aláhúzott szavak nyelvtanilag hibásak viszont jó hír, hogy ki lehet ezeket a hibákat javítani...
sziasztok!
Szeretnék autó aksihoz( max 80ah) töltőt építeni.Hirtelen egy 2x11,8v-os akadt a kezembe trafóból,remélem ez jó lesz hozzá,nincsenek nagy igényeim,csak jelezze ki,hogy tele van vagy tölt.
Tiszteletem Az a kérdésem volna hogy az UC3906 ,ic vel , csak zselés akkut lehet tőlteni ?
Bocs kicsit off kérdés:
Egy 12 v-os akksit( nem autóba való) fel lehet tölteni egy ac/dc adapterrel?Évente kb 1x kell feltölteni nem nagyon használom ezért kérdezem..
szia és milyen tranzisztort tegyek bele hogy 20 amperig lehessen szabályozni ? akkor gyakorlatilag a potméterrel a áram erősséget tudom szabályozni : és még valami alkat részt nem kell megy hozzá kicserélni ?
Üdv mindenkinek! Építgetem itthon ezt az akkumulátor töltőt, és az lenne a kérdésem hogy a feltöltést jelző részt hogyan lehetne érzékenyebbé tenni. A potit beállítom arra az értékre amikor szeretném hogy a relé leoldjon, de amikor leveszem a feszültséget ( az akkumulátor helyén tápegységet használok ) meg ismét feltekerem, nem akkor old le amikor kellene, hanem előbb vagy később.
Esetleg műveleti erősítőt használjak, vagy más felállásban használjam a mostani figyelő rendszert? Köszi!
Szerintem nem elég határozott az átmenet. A Q5 -öt meg kéne "darlingtonozni" hogy érzékenyebb legyen az átmenetre.
A feltöltve led meghajtás szerintem el van bonyolítva. Miért nem jó ha párhuzamosan van a relével egy ellenállással?
Hello!
- Nem csoda, mert a Q4 kapcsolásának így sok értelme nincs. Ugyan is a zénernek semmi szerepe. Mikor lesz ott 15V, amit stabilizálna? - De ha stabilizálna, akkor meg a bázis a potin keresztül egy fix feszültséget kapna. A kollektorfeszültség változásának meg nem sok szerepe van a kollektoráram változásában.. Vagy is javaslom hogy PNP tranyót használj, kisebb zénert. Így az emitter feszültséget stabilizálva, összehasonlíthatod a bázis potival leosztott feszültségével. Ekkor határozottabban kapcsol majd a feszültség változásra. pld. Így.. (Egyébként ha nincs hiszterézis, akkor kattogni fog a relé, mert mihelyt kikapcsol, leesik a feszültség, erre bekapcsol..) üdv!
Sziasztok!
A kezdő kérdések topikban vettem fel egy akkutöltőt, amely előtt két LM317 van. Nem egészen autóakkuhoz szükséges, egy riasztóaksit töltenék róla, ami egy szünetmentes tápegység egyik eleme lesz. Vezeték nélküli telefonhoz használnám, hogy akkor is lehessen telefonálni, ha nincs áram. Sok speciális igényt nem kell, hogy kielégítsen, de a töltést mindenképpen szeretném megoldani az akku károsodása nélkül, de mégis maximálisan fel legyen töltve, és a kapcsolás egyszerű legyen. Íme a kiszemelt rajz. Mi a véleményetek róla? Én meglátásom szerint az IC3 nem is szükséges rá, mert ha az aksi kapocsfeszültsége eléri az 13.7V-ot, akkor a fet lekapcsolja az áramforrásról és a töltés megszakad.
Értem, köszi, akkor ha ez a rajz így jó el is kezdem megépíteni.
Működése szerint ha 12.6V alá esik az aksi feszültsége, akkor ismét elkezdi tölteni, az akku szempontjából jó ez így, vagy folyamatos csepptöltésen kell lennie? Gyakorlatilag éveken keresztül.
Ennyire azért nem akarom leegyszerűsíteni a dolgot, mindenképpen szeretném, hogy valami lekapcsolja az aksit a tápról, ha feltöltött. Gondolom az aksinak sem tesz jót, ha folyamatosan kap áramot, és nem utolsó sorban áramot is fogyaszt, ha le van kapcsolva akkor meg nem.
Épp ez az. Ha a 13,6 V -ra állítod a töltési végfeszt, akkor nem kell lekapcsolni az akkut, csepptöltésen maradhat. Az akkut akkor kell lekapcsolni, ha a töltési végfesz 14,4 V, mert ekkor van teljesen feltöltve az akku. 13,6 V -nál a töltöttség nem 100 %, ezért írja köbzoli, hogy időnként érdemes az akksit kivenni, és 100 % ra feltölteni.
A hozzászólás módosítva: Jún 2, 2013
Értem. És a gondozásmentes teljesen zárt riasztóakkumulátorokat is lehet 14.4V-tal tölteni? Mert akkor az általam feltöltött kapcsolást ha beállítom 14.4V-ra, akkor nem kell foglalkozni azzal, hogy néha feltöltöm teljesen, mert a kapcsolás ezt megoldja.
Lehet, de akkor valóban le kell kapcsolni. Azonban felmerül a kérdés, hogy ki fogja, és mikor visszakapcsolni. Az a kapcsolás, amit csatoltál, nem tartalmaz ilyen áramkört, az nem kapcsolja le az akksit, csak nem engedi a beállítottnál nagyobb töltési végfeszültséget kialakulni. Ha ezt 13,6 V ra állítod, semmi gond, azonban ha 14,4 -re, akkor túltöltöd az akkumlátort, és meg fog indulni előbb utóbb a gázképződés. Mivel zárt az akku, biztos tönkremegy.
Én ezt a kapcsolást csatoltam. (lásd visszáb) Ez eredetileg egy relével volt megtervezve, de a relé kattogása miatt a fet nekem szimpatikusabb. Beállított (R8,R9,R10) értéknél a fet/relé kikapcsol és az aksi nem tölt tovább. Leírás szerint az áramkör - ha 12,6V-ra esik az aksi kapocsfeszültsége - ismét elkezdi tölteni (gondolom az R4 állítja be ezt az értéket).
Régóta töröm már a fejem az UPS elkészítésén, de mindenhol mást írnak ezekről az aksikról, és töltési módjukról. De most már nem teljesen értem ezt a töltési procedúrát, ha kiveszem és úgy töltőm 14.4V-tal, akkor is megindulhat a gázfejlődés és akkor is tönkremehet az aksi. A hozzászólás módosítva: Jún 2, 2013
Lehet, hogy űgy működik, ahogy mondod. Az időtengely a lényeges. H a töltési végfeszültség eléri a 14,4 V ot, és akkor leveszed, még nincs gond, de rajta nem hagyhatod, mert előbb utóbb elindul a gázfejlődés, és akkor megy tönkre, de akkor sem azonnal.
13,9-14,0V közé állítsd, az már eléggé közelíti a teljes töltöttséget, de nem lesz gázképződés.
A 13,6V kicsit kevés a teljes kapacitás eléréséhez. A régi kétütemű Wartburgok 13,8V-ra szabályoztak, amit én keveselltem, de ezzel is hosszú évekig bírták az akksik
Sziasztok!
Segítségre lenne szükségem, 28 db sorba kötött 12V-17Ah-s zárt (VLRA/AGM) aksi töltését kell megoldanom. Egy elektromos mopedautóban vannak az aksik, azért van ilyen sok sorbakötve, mert egy frekvenciaváltót működtetek egyenáramról, a frekiváltó 300V DC-ből csinája a 3x 230V AC-t, és egy kalickás motor hajtja a járgányt. Eddig úgy töltöttem az aksikat, hogy átkötögettem párhuzamosra az akkupakkot, de ez nagyon időigényes, és nem is merem másra bízni (pl. a barátnőmre), mert a sorba kötött aksiknál már életveszélyes a feszültség, nem mindegy hova nyúlunk. Csináltattam 28 db BMS modult az aksikhoz, ezek elvileg megakadályozzák az aksik túltöltését, így lehet sorba kötve is tölteni a pakkot. 28x 14,4V = 403V max. töltőfeszültségre lenne szükségem, de elég 2-2,5A töltőáram. Egy 1 kW-os toroid trafót tudok venni, egyenirányító van a frekiváltóban, ha az AC betápra kötök kb 300V AC-t, akkor a DC buszban kb. 400V DC lesz. Csak kellene valami feszültség stabilizálás, és egy áramkorlát. 400V-os akkutöltőről nem találtam a neten kapcsolási rajzot, de ha lenne egy bevált kapcsolás, azt le tudom gyártatni. Ha valakit esetleg érdekelne az elektromos Aixamom, van itt egy videó róla: http://www.youtube.com/watch?v=HRVkTELHQTQ https://www.facebook.com/pages/Electric-Aixam
Sziasztok
Olvastam a cikkek között Proli007 írását egy 12V 20A-es töltöröl (egyenlöre átfutottam), érdekelne hogy egy ilyen megvalositásával menyire nyulhatok félre, értem ezalatt hogy valoban érdemes nekilátnom vagy van valami egyszerübb? Nekem azért is szimpatikus mert vannak itthon 140-180A-es aksik és ezeknek kell a jó töltő.
Ha standby módban használod az akkut, akkor a legegyszerűbb megoldás egy darab PB137 használata.
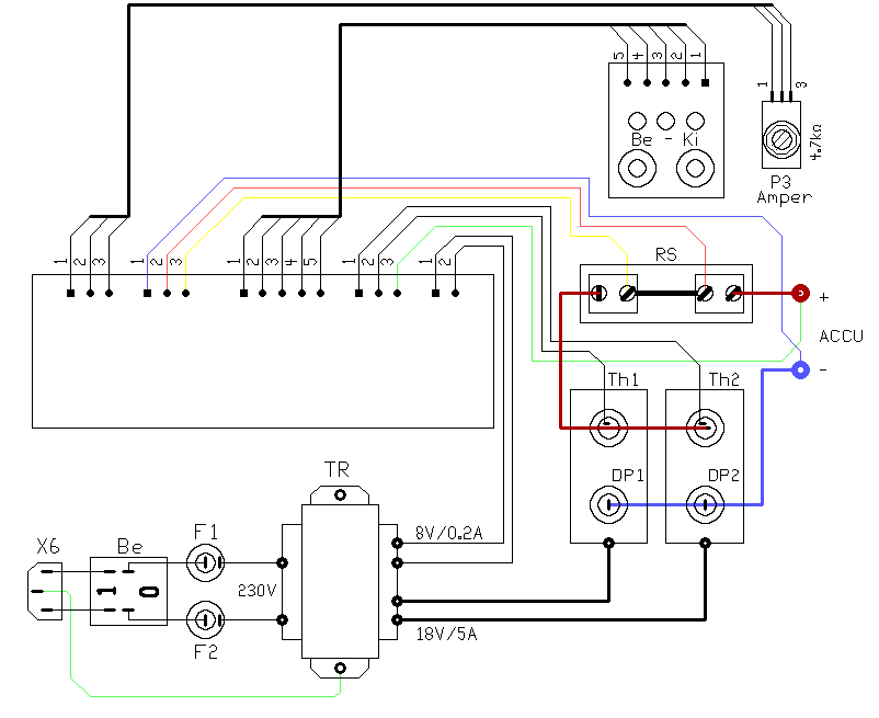
Hello! Alapvetően vagy kapcsolóüzemű, vagy tirisztoros kapcsolást alkalmaznék. A tirisztorosra itt egy példa. 48V-ra már készült belőle, de nem sok akadályát látom, hogy 400V-ra is elkészíthető legyen. (Ha tovább olvasod, megtalálod, mit hogyan kell átszámolni. A huzalozási rajzon van ugyan néhány hiba, de ha az elvi rajzot figyelmesen nézed, kiküszöbölhető.)
A frekiváltót nem keverném bele a töltésbe. Először is túl drága, hogy megfektesd, másodszor annak bemenetére megy az aksi, harmadszor egy dióda híd miatt, nem érdemes még kapcsolót sem tenni hozzá.. üdv!
Köszi, megmutatom a rajzokat egy műszerésznek, remélem ki tudja javítani a hibákat, és le tudja nekem gyártani. A frekiváltó egyenirányítóját most nem használom semmire, mert az aksik a DC buszba vannak bekötve, gondoltam ne legyen ott feleslegesen..
Hello! A tirisztorra menő három vezeték sorrendje van felcserélve, valamint az előlapi kezelőre menő 5 vezeték a kezelőlapon nem jó sorrendben látható. De itt a javított változat.. üdv!
|
Bejelentkezés
Hirdetés |













