Fórum témák
» Több friss téma |
Fórum » Akvárium automatika
Helló mindenkinek
!A következő lenne a problémám ![]() Van egy 160 Literes Aqvárium vörösfejű ékszer tekik laknak benne egy pár Meg kellene oldanom,hogy ne forraljam fel a vizüket ha nem vagyok otthon (20-29 C fokig).Illetve meg kellene oldanom a víz hőmérséklet mérését lehetőleg ki is kellene jelezni(LCD) .A világítás automatikáját is meg kellene oldanom (átlag 6 órát napoznak(150W-os izzó ) )Ötleteket várnék Igazábol olyan dolgot kellene csinálnom amin letudom mérni a vízhőmérsékletet és ha nem megfelelő akkor automatikusan kapcsolja be a fűtőt ha eklérte a hőfokot akkor tartsa .Illetve fényméréssel kapcsolni a lámpát közben figyelni az időt és ha letelt a kb 6 óra lekapcsolni a lámpát.Illetve 2 óránként kapcsolni a keringető szivattyút Minden 220 V-osKöszike Johannes
Vannak tökjó autó hőfokszabályzós fűtők aquáriumba, sztem azzal ne vesződj, a többi időzítéses cucc az érdekes.
Hali!
Szerintem batran nezz szet az osszes tobbi forumban itt a tarsalgoban... s keress ra a homeresre, idomeresre, kijelzesre... stb. igaz, ha vmit csinalni is akarsz nem kalapaccsal kell hozzakezdeni, kell egy kis... tudod, barkacsmunka... ![]() Jo az 5let... de akkor te mit csinalsz? Nezed, ahogy a teknocok napoznak, amikor 6 oras periodussal "felkel a nap"? ![]() bye.
Téma címét javítottam: Aqvárium automaitka ! -> Akvárium automatika !
Ez végre egy PIC-re termett feladat. Csak egy kicsit sok munka.
Hali bbatka
!Kifejtenéd ezt bővebben ! Én is erre gondoltam PIC és a hpzzá tartozó elektronika v kvázi érzékelő rendszer !Cak hogy ilyen mértékű projectbe még nem nyomtam bele az orrom ![]() Magyarán azt sem tudom melyk PIC lenne jó milyen illesztési elektronikát kéne mellé böknöm és a programról nem is beszélve Na fiúk most feladom a leckét magamnak is és ha fogalmazhatok így nektek is !Tippet kérnék ! By Johannes
Hali Topi !
Köszi a javítást mert ugye Magyarok vagyunk hát illendő lett volna nekem is magyarul írni !Köszike ![]() By Johannes
Nincs mit! Ez a dolgom. Merthát moderátor vagyok
Tippeket kérsz?
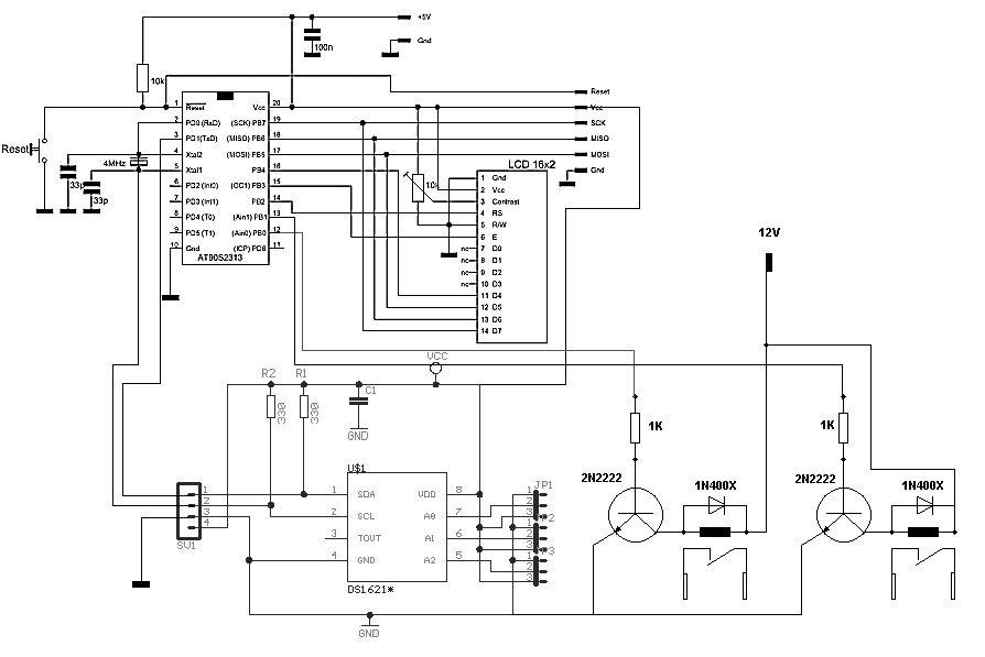
Hát lásd az én tippemet. Én megcsinálnám egy AT90s2313-mal az egészet egy 2*16 karakteres kijelzővel, meg egy DS1821 digitális hőszenzorral. Ja! meg két relével ami kapcsolja a világítást meg a fűtést. Kell egy óra program, mert a világítás is autómatikusan kapcsolódik, kell egy hőmérő rutin és ami ki is jelzi az LCD-re. Szerintem Bascomban (basic) fel lhet programozni az egészet. ITT körül nézhetnél. Annyira én sem tudok programozni se basicben se assembliben, de itt jó példaprogramok vannak. Ezekből szoktam én is tanulni. Már régóta figyelem ezt a topicot, de senki sincs aki elvállalná neked ezt a kis munkát. Gondoltam segítek egy Pic-it, de sajna dolgozom:no: köszi a figyelmet gerry
Nos, az igazat megvalva én is sajnálom, hogy nem születtek eddig igazán kielégítő válaszok, de a hiba úgy érzem a határozatlanságban van... egy két jótanács...
Ez szerintem is egy mikrokontrollerre bízható feladat. Nos akkor első lépés kiválasztod a mC-t. Én személy szerint a PIC-ekhez értek ezért ezt használom, de az AVR és a többi is tökéletesen jó. Ezekután ha megvan milyen mikrovezérlőt használsz választhatsz szenzorokat. A fényt nem értem miért kell érzékelni ? Az időzítés egyszerű feladat szinte minden fajta színű szagú mikrovezérlő tartalmaz számlálókat, amiket vagy külső frekiről hajtasz, vagy a működési frekiről. Nos a hőmérés már egy ici-picit nagyobb feladat, de nem kell megilyedni. Legegyszerűbben akkor jársz el ha olyan hőmérő IC-t választasz, ami kommunikál valamilyen szabvány módon... I2C USART... stb... Tehát neked az lenne a legjobb, ha lenne egy hőmérő IC-D amit mondjuk műanyagragasztóba öntesz és arról márcsak kiolvasod a mért értéket. Ha nagy az akvárium érdemes több ponton mérni, feltéve, hogy nagyon fontos a hőmérséklet, és pl. érdemes elgondolkodni, hogy keringtetés közbe hűl-e jelentősen a víz, ha igen akkor minden keringtetés alatt fűts is ! Nos akkor a szenzorok letudva... feltéve, hogy fényt nem akarsz érzékelni. Arra az a 5letem, hogy fogsz egy fényérzékeny tranzisztort... fototranzisztort és valamilyen alapkapcsolásában rákötöd az egyik analóg bemenetre... persze ekkor a mért értékeket viszonyítani kell... tehát bekell mérned, hogy az X feszültség mekkora fényerőt jelent és hogy az X feszültség mekkora bináris számot jelent végeredménybe... (ezért is érdemes elgondolkodni mennyire fontos ez...) Az LCD illesztése egyszerű feladat és itt a HE.-n van is róla cikk... azt érdemes elolvasni, de azon is érdemes elmélázni, hogy nem lenne-e elég egy 7 segmenses kijelző... (pontosabban 2 digites) Mert szerintem felesleges erre a két számjegyre (jó még esetleg a Celsius felirat) miatt egy egész LCD-t használni... Nos a kapcsolgatás csakis valamilyen leválasztással, itt sokan a triac-ok híve, de szerintem legegyszerűbb relékkel megoldani. A reléket persze nem hajthatod TTL szintről (ha csak nem tudsz ilyen relét szerezni), de egy 3 alkatrészes illesztéssel megoldható. A TTL kimenetre egy 1K ellenállás ez megy egy NPN tranzisztor bázisára, a relé a tápfesz és a kollektor közé, ezzel párhuzamosan záróirányba (tápfesz felé) egy dióda, és az emmitter földre. Mire kell itt vigyázzzzni ? Hogy a tranyó elbírja a relé húzóáramát, illetve hogy legyen egy jó kis dióda ott... Én személyszerint a BD139 típusú tranyókat használom ilyen célre 1N4007-es diódákkal... ami kicsit túlzás, de ebből van itthon egy rakás igazából bármely 1n400x megfelel. És kész is a dolog. Márcsak a program van hátra, de nem hiszem, hogy bárki megírja helyetted... vagy keresel egy már létező megoldást, vagy valakit kifizetsz ezért. Sajnos nagyon kevés itt a szabadideje bárkinek... mert mindenki csinál valamit, így csekély az esély, hogy bárki megcsinálja helyetted... persze a pénz beszél, de ha venni akarnál egyet nem ide jöttél volna... szerintem MÉGVALAMI, vigyázzni ám a 230~ -al... senki nem vállal érte felelőséget, ha az ő ötlete alapján kinyifantod magad. Sok sikert és jó munkát hozzá !
Johannes!
Úgy látom elméleti síkon már nagyon jól működik a berendezésed! Akkor termosztátról itt van 1 link szerintem ezek között találsz olyat ami neked megfelel. [link=http://perso.wanadoo.fr/michel.terrier/radiocol/detail2003/thermostat-gb.htm]http://perso.wanadoo.fr/michel.terrier/radiocol/detail2003/thermost...gb.htm[/link] A 6órás időzítőt tényleg nem érdemes megépíteni, én láttam gyárit (olyan konnektorba dugható tekerős elejű) időzítő Ja, és még 1 link, hátha... [link=http://kameleon.ufok.hu/]http://kameleon.ufok.hu/[/link]
Megpróbálom beszúrni a kapcsolást:
Na az egyik relé kapcsolja a világítást a másik meg kapcsolja a fűtést. Erre gondoltam feljebb Innen még hiányzanak beállító gombok az órához, de ez is megoldható, csak egy tömör kapcsolásocska, presze a progit még meg kell írni hozzá Ja igen! Még kell egy backup battery áramkimaradás miatt üdv gerry
Bocsi hogy csak most reagálok, de egyre több fórumot kell végig nézni, meg nem is dolgoztam. Most munkahelyen vagyok, úgyhogy délután gondolkodok rajta. Majd remélhetőleg holnap már némi kis ötlettel tudok szolgáni.
Hat szerintem mikrokontoller kicsit agyu verebre erre a feladatra.... En az idozites reszet 2-3 cmos ic-vel
(4060,4040,4024,stb) oldanam meg + egy 32768Hz -es orakristallyal. Homeres muverosito + dioda mint erzekelo. Mindket cucc vegere optocsatolo + tirisztor/rele. Az egesz cuccnak a taplalasara meg egy kismeretu 12 V-os trafo + stabkocka. Mondom ezt ugy, hogy kozben egesz nap programokat irok bankkartya elfogadasra z80 es arm alapokon, utobbin sajnos mar csak C-ben. De! Szerintem HW mindig megbizhatobb mint SW. Legalabbis sokkal nehezebb megbizhato SW-t letrehozni, mint HW-t. Olvastam mar olyan cikket, hogy amerikaban mar mikrovezerlo volt a mennyezeti vilagitasban oszt hard resetelni kellett mert a progi lefagyott oszt nem lehetett lekapcsolni a vilagitast... vicces, de a teknocok nem toleralnak. Futesre tuti ket cuccot epitenek es csak akkor kapcsolnam be a futot, ha mindket cucc futeni akarna. Allatkak a megfazast tulelhetik, de a teknoclevest sehogy (
Átolvasva a hozzászólásokat, mspike már mindent leírt, ami fontos. Én úgy kezdeném el a munkát, hogy először is Pic-el csinálnék egy órát, így lenne egy abszolút viszonyítási pontom. Ehhez már szükséges lenne az LCD, mert akár mutathatná az időt is. Gondolom a teknősöknek sem árt ha nem tolódik el a bioritmusuk. Nagyon sok Pic AD átalakítót tartalmaz (pl.16f876a,16f877a) . Ez felhasználható fénymérésre és a hőmérséklet mérésére is. Fénymérésre fotótranzisztor egy műveleti erősítővel megspékelve, aminek az erősítése állítható. Hőmérsékletmérésre egy potméter sorba kötve egy NTC termisztorral és a termisztoron lévő feszültségesést nézem AD átalakítóval. Mindkét áramkört a Pic tápfeszültségéről kell müködtetni.
Nem tudom, őszintén szólva, lehet, hogy egyszerűbbnek látszik tisztán hw-es úton, de sw-es úton utólag módosítható, meg kevesebb helyet foglal, egyszerűbb a nyák... stb. Igaz, hogy így sw-s ismeretekre is szükség van. Aláírom amit írtál abba van logika, hát mindenki döntse el mit preferál
"sajnos már csak C-ben" miért sajnos ? Én piceket sokkal jobban szeretem C-ben írni mint assemblyben... szerintem több teret enged, és jóval átláthatóbb mint egy asm... nem ?
Ez a bonyolultsagu funkcionalitas nyugodtan megvalosithato hw-ben es akkor nem kell aggodni a sw bugok miatt, en allandoan kuzdom veluk sajna, herotom van a programozastol....
Miert sajnos a c? En anno szakkozepben z80 asm-ben , illetve eloszor gepi kodu monitorban ) kezdtem el tanulni, es meg lattam mukodni 3bites processzort amit 8-as szamrendszerben programoztam lyukszalaggal )) persze az mar csak erdekesseg volt akkor is...Aztan 2-3 evre ra kaptam c64-et, amit aztan csak gepi kodban illetve egysoros assemblerrel progiztam. C-vel csak egyetemen talalkoztam, a pascal utan, azota is kedvelem a C-t. De ott is volt asm tanulas (8086) egy felevig. Imadom az assemblyt Ott tenyleg tied minden. C-ben azert mar vannak dolgok, mik megkotik a kezed. Amikor atalltunk a cegnel C fejlesztokornyezetre z80 asm-rol, akkor a progi letoltheto merete kb 3-szor akkora lett es legalabb 2-3-szor lassabb lett. Persze lehetne jobb optimalizalas is a compilerben, de akkor sem erhetne el a regi asm kornyezet jellemzoit. Persze igy sokkal konnyebb programozni,de semmire sem megy egy altalanos c progizo ember, mert par honap mire megszokja a speci kornyezetet es keretrendszert...szoval sok elonye nincs nalunk...
picit OFF lesz, ezer bocs:
Erre én is csak azt tudom mondani, hogy teljesen igazad van ![]() Én a MÁV egyik tanműhelyében tanultam tavaly az assembly nyelvet, és azóta nem is láttam tőle gyorsabbat, jobbat. Én a 8051-es mikrovezérlőket tanultam elsőként kezelni vele, és nagyon megtetszett; és nem csak nekem, hanem több értelmesebb embernek is (külön köszönetet érdemel a tanárunk, aki felfigyelt néhányunk "érdeklődésére"!). Egyszerű és nagyszerű nyelv. Ha valaki rákap, illetve megtanulja kezelni (egyébként nem egy nagy bonyolultságú feladat), akkor szinte a csillagokat is le lehet vele hozni az égről. Az pedig külön öröm a számomra, hogy amikor megismerkedtem a PIC-kel (nem is olyan rég), akkor már nagyban ASM alapokon futott minden. Rém egyszerű, nagyon ütős programokat lehet vele írni, és ahogy te is említetted, Idézet: . „Ott tenyleg tied minden.” És ez a valóságban is így van. Persze létezik gyári hibás PIC, olyan, ami nem tökéletes tervezéssel készült és ezért páran sokat fogták a fejüket, de ezek ellen is van megoldás. Egyébként pedig nagyon jól kezelhető és kordában tartható minden. Mindent átlát az ember a legapróbb részletekig és ez adja a csúcsszuper érzést. Ja, és nem felesel vissza
Hi!
hőkapcsoló: http://www.conrad.hu/conrad.php?name=Products&cid=VkZaU1ZrMUZPVlZoZ...mage=1 a többi digitális kapcslóórá(kkal)-val megoldható
Sziasztok!
Szeretnék csinálni az akváriumomhoz egy "elpárolgott víz visszatöltő" kis kapcsolást. A dolog úgy nézne ki, hogy akváriumba éppen csak belelóg 2 drót, ha azok vízbe érnek, akkor nem megy a kis szivattyú (kocsi ablakmosó szivattyú), viszont ha elpárolgott némi víz, akkor nem zárja a drótokat rövidre a víz, beindul a motor, amíg megint rövidre nem zárnak a drótok. A mellékelt képen a led lenne a szivattyú motorja, a nyomógomb pedig a két drót, de persze nem működik. Valaki tudna segíteni benne? Köszi
Hello!
- Nem írtad, hogy a "kis ablakmosó" mekkora áramfelvételű- Mert az nem egészen mindegy. - Mekkora tápfeszültségről szeretnéd járatni, mert a rajzon 9V van, de ténylegesen annyi? Valamint hogy a táp el tudja látni a motort árammal? - Ez a kapcsolás nem jó semmire. Nem tudom honnan szedted, vagy csak összekötözgettél valamit? - Egyébként nem célszerű tranyókkal megoldani a dolgot, egy NE555 sokkal célszerűbb. Ugyan is érdemes lenne cseppet késleltetni a működést, biztos kapcsolás érdekében komparátort alkalmazni. Hogy ha a víz hullámzik, ne kapcsolgassa a motort. Mert annak indulóárama tetemes, és megdögleszthet valamit. Ez gyakorlatilag elérhető, egy 555-el, némi alkatrész kiegészítéssel. üdv! proli007
Sziasztok!
Abban szeretném a segítségeteket kérni, hogy egy terrárium alá szeretnék fűtést építeni valami olyasmire gondoltam amit a terrárium alá tudok rakni, rátok bízom hogy hogyan lehetne ezt megoldani, ha máshogy nem akkor a vízbe is belógathatunk valamit de jobb lenne egy lap amit alá tudok rakni a terráriumnak és vezérelni tudom hogy x°C (28°C)-nál kapcsoljon ki! Előre is köszönöm a segítségeteket... Igencsak sürgős lenne a művelet!
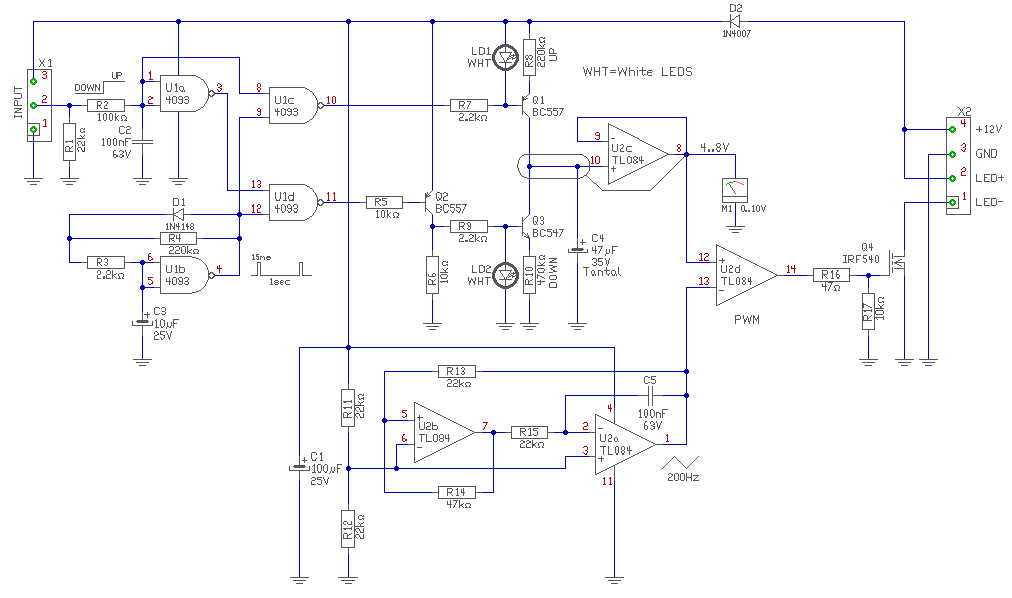
Sziasztok! Szeretnék építeni led csíkokhoz napkelte/napnyugta szimulátort...tudna nekem segíteni valaki ebben? Esetleg kész dokumentációval
Esetleg gondoltam olyanra, hogy ahogy megkapja a panel a 12V-ot, folyamatosan 30 perc alatt növeli a ledek fényerejét maximálisra. Tehát nem muszáj, hogy programozható legyen.
Hello!
Ha a panel tápfeszültségével indítod az áramkört, akkor a napnyugtát nem tudod szimulálni.. De én megrajzoltam egy kapcsolást, amivel ugyan nem korrekt módon, de megoldható a dolog. (Mert analóg módon időzíteni ilyen hosszú időt nehézkes.) - A kapcsolás, a bementi jeltől függően 0/12V tölti, vagy kisüti a tantál kondenzátort. Ebben tárolódik a töltés, ami az időzítést adja. Mivel hatalmas RC időállandóra lenne szükség a félóra eléréséhez, a töltést/kisütést a két áramgenerátor végzi. - De nem állandó jelleggel, hanem egy ütemadó kapcsolgatja az áramgenerátorokat ki-be. Mivel a bekapcsolási idő kb. 15ms és a ciklusidő kb. 1sec, így olyan, mint ha 66-szor kisebb árammal töltenénk a kondit. - Elvileg a feltöltés és kisütéshez ugyanakkora áramra lenne szükség. De a töltést az IC bementi árama és a kondi szivárgási árama akadályozza, kisütést pedig segíti. Így eltérő értékű lesz a töltő és kisütő áram. Ez az R8 és R10 ellenállásokkal állítható be. - A két fehér Led az áramgenerátor refrencia feszültsége, és egyben jelzi is a töltögetést-kisütést. - A PWM jel lineárisan nő, és 0..100% között változik. - A fekete ovális vonal azt mutatja, hogy az OPA kimeneti jelével a nyákon körbe kell fogni a C4 kond pontját, a minél kisebb szivárgás eléréséhez. Esetleg ezt a pontot a levegőben is ki lehet alakítani. (Két tranyó kollektora, a tantál kondi, és az OPA bemenete. - Az áramkörben van egy műszer is, de ez csak egy ellenőrző pont, ahol a C4 feszültsége mérhető. Mert közvetlen műszerrel ez a pont nem mérhető a műszer bementi ellenállása miatt. A használhatóságát, meg majd megtudod ha elkészíted. Nem túl komplikált, mindössze két IC kell bele. Az OPA helyett a népszerű LM324 nem jó, viszont a TLC274 jobb lehet bele. üdv!
Pont ilyet készítettem egy ismerősömnek akvárium világításhoz. Egy külső időkapcsoló adja a start és stop jelet. A start csak egy segédtápból áll, ami meghúzza a fő táp reléjét és innentől indul a fényerő növelés. Ha a segédtáp megszűnik akkor elkezd csökkenni a fényerő, majd ha elérte a nullát akkor a relé is elenged és teljesen áramtalanít. Csak a segédtáppal tud újra elindulni.
Mivel a max fényerő állíthatósága is kérés volt így egyszerűbb volt mikrovezérlővel megoldani. Nincs szivárgó áram, nincs két marék alkatrész -> nem drágább! Közben már készül a 2.0 is, amiben rtc modul lesz a külső időzítő helyett plusz co2 adagolót is vezérel. Ha kell szívesen megosztom a programot, esetleg cikk formában is.
Külső időkapcsolónak használható pl. digitális ébresztőóra megbuherálva?
Szerintem ennek többen is örülnénk föleg cikk formában mert az maradandobb.
Csak kérdezem, hogy akváriumba mire kell co2 adagoló?
Lehet, de akkor valahogy el kell dönteni melyik jel lesz a be és melyik a kikapcsolás. Az óra csak egyféle jelet fog adni...
|
Bejelentkezés
Hirdetés |




!
(20-29 C fokig).Illetve meg kellene oldanom a víz hőmérséklet mérését lehetőleg ki is kellene jelezni(LCD) .A világítás automatikáját is meg kellene oldanom (átlag 6 órát napoznak(150W-os izzó


( 







