Fórum témák

» Több friss téma
Fórum » Analóg vagy digitális hőmérő
Lapozás: OK   1 / 10
(#) fatibi1 hozzászólása Okt 4, 2006 /
 
Hali!
Kellene nekem egy olcsón megépíthető analóg vagy digitális hőmérő kapcsolás.Lehetőleg minél egyszerűbb.
Legalább 100 fokig mérjen.
Köszi.
(#) Norberto válasza fatibi1 hozzászólására (») Okt 4, 2006 /
 
Hali!

Ajánlom figyelmedbe az oldal KERESŐ... funkcióját

Ird be, hogy:
Idézet:
„hőmérő”


Kidob pár találatot, s majd azok közül csemegézve nézz át pár témát...van ott említve mindenféle szenzortípus, áramkör, stb.
(#) fatibi1 válasza Norberto hozzászólására (») Okt 4, 2006 /
 
Már megpróbáltam.Valóban kidob párat sajnos majdnem szószerint.Nekem analóg is jó lenne.Minél egyszerűbb.Nem pic-es,tárolós.autós stb.
(#) mosomate válasza fatibi1 hozzászólására (») Okt 4, 2006 /
 
Hello!
Itt van kettő:
analóg
digitális
(#) mosomate válasza mosomate hozzászólására (») Okt 4, 2006 /
 
Igaz, hogy azt montad, ne legyen benne pic, de ezek sima ic-k.
(#) mosomate válasza mosomate hozzászólására (») Okt 4, 2006 /
 
100 fok? Olyat ne nagyon keress, mert nem igazán van!
(#) mosomate válasza mosomate hozzászólására (») Okt 4, 2006 /
 
Bocs, hogy részletekben válaszolok, de mindig a küldés után jut eszembe valamit! Ja, most néztem, hogy a digitális 150-ig mér!
(#) fatibi1 válasza mosomate hozzászólására (») Okt 4, 2006 /
 
Forrásban lévő vízben szokták kalibrálni,az pedig 100 fokos.A digitális kb mennyibe jönne ki?Az icl 7136 nem valami spec.ic?
(#) Skip válasza fatibi1 hozzászólására (») Okt 4, 2006 /
 
icl 7136 os ic nem tudom kapható-e én kerestem régen de nemtaláltam sehol sem. amugy nem anyira olcsó ezres felett van tuti!
(#) fatibi1 válasza fatibi1 hozzászólására (») Okt 4, 2006 /
 
egyébbként nincs valami nyákrajzod a digitálishoz?Lehet hogy érdemes lenne megpróbálni.
(#) fatibi1 válasza Skip hozzászólására (») Okt 4, 2006 /
 
Köszi .Akkor keresni kell vmi egyszerűbbet.
(#) mosomate válasza fatibi1 hozzászólására (») Okt 4, 2006 / 4
 
Olvadó jég-vízben és forrásban lévő vízben szokták kálibrálni! Megnéztem, hogy mi, merre, mennyi, elég sok alkatrész van a digitálisban, + az IC hát én egy olyan 2500-3000 forintra saccolom . Sajnos nincs nyáktervem:no: , de én mindig a kapcsolási rajz alapján készítem el Paint-ben, nekem ez eddig bevált!. Egyszerűbbet nem hiszem, hogy találsz, a digitális hőmérők között ez mondható egyszerűnek, szerintem.
(#) Stanford válasza fatibi1 hozzászólására (») Okt 11, 2006 /
 
Hali!

Nem olyan régen találtam egy ic-t, aminek a doksiában van mindenféle hőmérő kapcsolás, és az analóg része mindössze az IC, egy ellenállás, és egy mutatós műszer, de a digitális hőmérő is összerakható akár próbapanelen is. az IC LM35, a doksiját fel fogom tenni a katalógusok részbe.

Szia.
(#) gefffry válasza Skip hozzászólására (») Okt 11, 2006 /
 
A 7136-os IC-t lehet INGYENES MINTAKÉNT rendelni az intersil-től.

link

Teljesen ingyen elküldik, még a postáért sem kell fizetni.
Egy alkatrészből max. 5 db-ot küldenek egyszerre.

Regisztráció szükséges a rendeléshez (ingyenes az is)
(#) proci hozzászólása Dec 16, 2006 /
 
hello. lenne egy kérdésem. megépítettem ezt a hömérőt (http://www.freeweb.hu/bss/index.php?id=61), de nem tudom beállítani, mert ha 0 fokon kalibrálom akkor a 100fokos vizre 190-et mutat, ha meg 100fokon kalibrálom akkor meg a 0 fok tolodik el.. segitsetek, kösz
(#) Vasko hozzászólása Okt 21, 2008 /
 
SZIASZTOK érettségire készűlök és a vizsgamunkámnak egy digitális höméröt választottam . Szeretnék valami leirást kapni hozzá ami megfelelö lenne a dokumentációnak is , mert ami nekem van az kevés és ráadásul még szlovák is (Szlovákiában élek) szoval aki tud valami az nagyon szépen kérem hogy segitsem a bekötési rajza csatolva!
(#) Doncso válasza Vasko hozzászólására (») Okt 21, 2008 /
 
az icl7107-es nem jó? a leírást meg elvileg neked kellene kitalálni, hiszen vizsga lesz nem?
(#) lgyk válasza Vasko hozzászólására (») Okt 21, 2008 /
 
Hi!

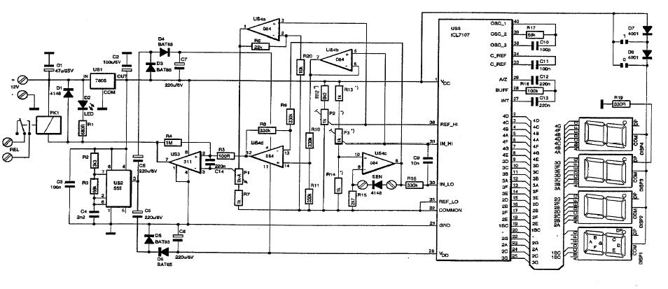
Az ICL7107 egy A/D átalakító, a bemenetre 0-200 mV-ig lehet feszültséget kapcsolni, a kimeneten pedig beépített hétszegmenses LED-vezérlő van, erre csak rá kell kötni a kijelzőt. Minden benne van az adatlapjában.

A hőmérő tulajdonképpen az 1N4148-as dióda, ennek a nyitófeszültség-változása kerül műveleti erősítőkön keresztül az A/D bemenetére.

Gyakorlatilag az analóg rész termosztátként is üzemel, a bal oldalon levő relét kapcsolgatja.

A relé és a power LED 12 V DC-ról megy, a többi pedig a 7805-ös túloldalán 5 V-os tápfeszről.
(#) Doncso válasza lgyk hozzászólására (») Okt 21, 2008 /
 
mondjuk 7106-al is lehet, úgy LCD-vel és kevesebb az áramfelvétel, hozzáraksz egy 7660-at és elmegy egy elemről is.
(#) dbase hozzászólása Nov 23, 2008 /
 
Mellékelem a legegyszerübb elektronikus alkatrészekből álló hőmérő rajzát, ami pár cucc és egy panelmüszerből áll. Építsétek meg!
De van egy kérdésem is, nem tudom mi lehet.
Vettem egy Bővebben: Link-ilyen külső belső hőmérőt.A külső szonda vezetékét elvágtam és beraktam egy jacksli kapcsolót, így beterveztem a házban végighúztam UTP kábelt a kapcsoló elfordításával tudok 6 különböző hőmérsékletet mérni.
Első problémám volt rendeltem 10k NTC-t és nem kompatibilis a mérő vele. Párhuzamosa kellet tennem rá 94kohmot és akkor már jól mért, kezdtem örülni. Felszereltem a falra, és össze vissza mér. Valószínüleg a hálózati brumm zavarja meg. Többet mér a kelleténé, s nem is mér.Multiméterrel mérve nincs probléma, ugyan annyi a 20cm-es mérőfej ellenállása és a több méteres vezetéken lévőjé is. Próbáltam kondikat tenni a mérőre 10nano 100nano-t de megint mást jelzett ki befolyásolta.Valószínű nem egyenárammal mér. Mivel szürjem?
(#) peyty hozzászólása Dec 27, 2008 /
 
Sziasztok!

Olyan uc-es hőmérő kapcsolást keresek ami 0-1000C-ig mér. LCD-s kijelzés jó lenne.

Előre is köszi
(#) fongab válasza peyty hozzászólására (») Dec 27, 2008 /
 
Szia
J Típus 1200°C = 69,553mV
K Típus 1200°C = 48,868mV
N Típus 1200°C = 43,846mV
R Típus 1200°C = 13,228mV
S Típus 1200°C = 11,951mV
Ezeket a hőelemeket tudod használni.
Kell egy műveleti erősítő, ami a hőelemhez tartózó mV, a műszered bemenetéhez igazítja.
Ha ICL71xx akarsz használni, akkor ez a érték, 120,0mV
A legnehezebb a höelem típusának megfelelő mV stabil előállítása.
Ha erre képes vagy, szerintem meg is tudod építeni. ( A hideg pont kompenzációról, ne feledkezz meg )
De először, milyen típusú hőelemet szeretnél?
üdv.
(#) fongab válasza peyty hozzászólására (») Dec 30, 2008 /
 
szia
Két kapcsolást is kapsz.
a.)
R1 ellenállás 470 ohm…….4,7Kohm ig bármi lehet. ( javaslom : 1K ohm )
RD tápfüggő. Lényeg hogy 1mA áram folyhat a diódán ( Utáp -0,7 )/0,001=….R.( 5V –tápnál 4,3Kohm )
R2 ellenállás tápfüggő. Lényeg hogy a P3 1Kohm pótméter két széle kb.: 1V legyen. Ezzel lehet majd eltüntetni a dióda 0°C tartózó feszültséget. ( kimenet 0mV legyen)
R3 ezzel a ellenállással lehet befolyásolni hogy a P3 állítása menyire változtasson. Értéke R1
Ha R1 nél nagyobb akkor a változás kisebb, Ha kisseb a változás nagyobb.
R4,R6,P2, A szempontok hasonlóak a R3 ellenálláshoz annyi változás hogy R1 kétszerese legyen. De ha nagy valamelyik értéked M1 hez képest nagy a M2 érték akkor a P2 lehet az R1 érték 10 szerese is.
R7, R8, táp függő. A P4 kezdet vége között, kb: 0.5….1V legyen. ( ha +/-5V táp, akkor( ( 10- P4 feszültség )/0,005A)/2= (R7=900 ohm) és (R8=900 ohm)
R10,R11 Itt állíthatod be, hogy a mérés, és a kijelzés bemenete egyezzen.
Ha a kimenet 0 - 1200°C ra 0 – 1,2 V és a műszer bemenete ( ICL71xx= 199,9mV/kijelzett érték 1999 ) Akkor neked 1:10 osztó kell. Legjobb megközelítés R10= 1M ohm R11=11K ohm
C 100pF, IC LM324, D 1N4148
BEÁLLÍTÁS
A hőelem helyére rövid zár.
A D diódát olvadó jégbe teszed, és a P3 pótméterrel, beállítod a M2 ponton a testhez képest a 0mV kimenetet.
A hőelem helyére beállítod a 1200°C megfelelő mV ami 48,838mV. Az M1 ponton mérve a testhez képest 1,2V feszültséget. Ez kb 25szoros erősítés A P1 értéke, ha az R1= 1k ohm, akkor 50K ohm ha két alkatrészből csinálod meg akkor 22K ohm os ellenállás + 5K ohm os pótméter.

Ha a kimenet is megfelelő 120mV a jelváltozás, újra rövidzár majd vissza a diódához.
A diódát, tedd, meleg vízbe. Mérd a víz hőfokát, és a mért értéket állítsd be a kimeneten a P2 pótméterrel. 0°C víz ellenőrzés a kimenetnek 0 kell mutatni. Ha nem a P4 –el 0 ra tudod állítani.
Ismét ellenőrizni a dióda 0 majd a meleg vizes kijelzését. Ha jó, hőmérő bemenete ellenőrzés 48,838mV kijelzett érték 1200 ha ez is jó akkor készen vagy. Ha valahol, állítani kellett, a másik érték ellenőrzése. Addig, amíg állítás nélkül, a bemeneti, értékeket, nem mutatja.

b.)
Hasonló, mint az a.) beállítása mivel egy műveleti erősítő van egy kicsit nehezebb. a kimenet 0 ját a P3 állítod nincs P4.

A felhasznált IC lehet uA741 A többi hasonló, mint ellenállás, kondenzátor, dióda.
A Tápfeszültség: IC hez, szerintem elég, a +/- 5V 30mA. A mA függ a ellenállásoktól is.
üdv.

PICT2036.JPG
    
(#) bitorlo hozzászólása Ápr 6, 2009 /
 
Hali.
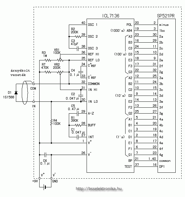
Egy gyors kérdés,van itt ez a digitális hőmérő,na mármost a kapcsolási rajzon olyan kondi értékeket vélek felfedezni hogy 0.1µF ez most 0.1µF elkó akar lenni(mert van ekkora kapacitásban is)vagy 100n-os kerámia?
Igaz hogy polaritást nem jelölnek,ami kerámiára utal,de akkor miért ilyen tökéletlen módon jelölik?!

homero1.gif
    
(#) Medve válasza bitorlo hozzászólására (») Ápr 6, 2009 /
 
Fólia. És tudtommal abból is a jobb minőségű...
(#) bitorlo válasza Medve hozzászólására (») Ápr 6, 2009 /
 
Akkor gondolom a többi is az.
(#) bitorlo hozzászólása Ápr 8, 2009 /
 
Egy másik kérdés,ez a 3.5digites kijelző megfelel?Bővebben: Link
Elvileg minden 3.5-ös megfelel,de nem szeretnék olyat venni ami a legtöbb készülékben megtalálható,itt arra gondolok hogy normális forrasztható fém lábakkal szeretném..
(#) bitorlo válasza bitorlo hozzászólására (») Ápr 8, 2009 /
 
Na,nem kerestem eléggé figyelmesen,már megtaláltam a nekem valót.
Bővebben: Link
(#) bitorlo hozzászólása Ápr 10, 2009 /
 
Lenne itt még valami,gondolom már az agyatokra megyek.
A fentebb linkelt kapcsoláson,pontosabban körülötte,mi akar lenni az a keretezett vonal?
Másik kérdés,egyben az utolsó,az árnyékolás hová menjen,GND?
Vagy a COM egyben az árnyékolás is,vagyis a dióda "pozítív fele" megy az árnyékolásra?
(#) JZoli válasza bitorlo hozzászólására (») Ápr 10, 2009 /
 
A diódának anódja és katódja van, melyik nálada pozitív fele? A diódákon általában a katód meg van jelölve egy körbe futó csíkkal, ami ebben az esetben az IC 32-es lábára megy. Ennek az IC-nek külön van a bemeneti "-" lába és külön a tápfesz "-" ága, de a rajz önmagáért beszél.
Következő: »»   1 / 10
Bejelentkezés

Belépés

Hirdetés
XDT.hu
Az oldalon sütiket használunk a helyes működéshez. Bővebb információt az adatvédelmi szabályzatban olvashatsz. Megértettem