Fórum témák
» Több friss téma |
Úgy látom nem érted a kérdést,nem az a problémám, hogy helyezzem el a diódát,tudom hogy a csíkkal jelölt a katód,(nem tudom miért pozitívot mondtam).
Adott egy két eres,árnyékolt kábel,erre a két "érre" megy a dióda,én azt nem vágom az ezt körülvevő rézharisnya vagyis az árnyékolás hová megy,rajzból ítélve a COM-ra. De mi a rosseb az a szagatott vonalas keretezés a rajz körül?! Idézet: „De mi a rosseb az a szagatott vonalas keretezés a rajz körül?!” Szia Az van, a panelon. A telep , árnyékolt kábel + dióda, csak kapcsolódik hozzá, de nincs rajta. Ez a tervező ajánlása. Főleg, ha adott panel rajzot. Te olyan panelt gyártasz, amilyet akarsz. Akár rajta lehet, minden. üdv.
Az árnyékoló harisnyát rákötöd a D1 katódjára. A szaggatott vonal jelölheti az árnyékolást is, mivel célszerű árnyékolt dobozba tenni. Legalább is abba célszerű tenni, hogy ne legyenek zavaró jelek. A fém dobozt meg összekötni a GND-vel.
A keze száradna el a nyákterv tervezőjének,nem csak hogy az IC de a kijelző lábkiosztása is sz-rul van feltüntetve,most dobhatom ki a majdnem kész nyákot,réz felüli oldalról biztos nem lesz a kijelző
Üdv, sokadszor újra.
Megépítettem a hőmérőt,egy a probléma vele,nem jeleníti meg normálisan a számokat.mi lehet a baj?
IC lehet a hibás?
Van olyan hogy normálisan kijelzi a számokat,de mikor változik a hőmérséklet és ugrik egyet ,ismét csak a "fél" vagy "negyed" számot mutatja,
Ha a googleba bezongororázod , hogy vas konstantán, rengeteg hőmérő esik ki belőle
Sziasztok
Egy elég bonyolult kérdéssel fordulok a tapasztaltabb elektrósok felé: Szeretnék építeni egy hőmérőt a következőképpen: Van 2 hőmérő modulom egymástól kb 15m távolságra, ezek mérnek valamilyen hőmérsékletet ezt valamilyen frekvencián kisugározzák és a két hőmérő modul között lenne egy vevő egység (naggyából pont középen) ami a bejövő jelek alapján eldönti hogy melyik hőmérőegység mért melegebbet és a vevőn kigyújt a rajta levő két led közül egyet, azt az oldalit ahonnan a melegebb hőmérsékletet tartalmazó jel érkezett. A vevő egységet 12V-os akksival szeretném hajtani, a 2 hőmérő adó egység tápjának pedig 12V-os ceruzaelemre gondoltam. Sajnos a vevő és az adók kábelen való összekötése nem lehetséges. A hőmérséklet mérési tartománya kb 20-70 fokig lenne de ezek már nagyon szélsőséges esetek. Ha valaki tudna nekem erre egy kapcsolási rajzot készíteni esetleg konkrét alkatrész értékekkel azt nagyon megköszönném. Kenikol
Szia, Sziasztok!
Nagyon örülök annak, hogy megtaláltam ezt a kis adaptert, panel műszerhez. Mellékelek egy rajzot, picit kiegészítve, hogy vajon melyik megoldás lenne jó számomra. Egy potmétert tettem be az R3 helyére, csak azt nem tudom, hogy melyik formáció lesz a jó. A szaggatott vonallal jelzett, vagy a folytonos vonallal jelzett bekötés. Köszönöm szépen.
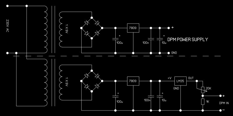
Ami még eszembe jutott, hogy adott egy LCD-s panelműszer. Ehhez egy LM35 IC-t csatlakoztatok, ami 10mV/Celsius feszt ad ki. Az IC ből kijövő 10mV-ot egy feszültség osztóval pontosan beállítom 1mV/Celsiusra, (900R+100R) akkor még hitelesítenem sem kell, mivel az IC kalibrálva van. Az 1%-os ellenállások vihetnek be mérési pontatlanságot, de még így is bőven 1C fokon belül lenne a hiba. Jól gondolom ezt az elképzelést?
Ja, és a panelműszer és az IC ugyan azt a tápot kapja. (Bár ez lehet, hogy nem lesz jó, hogy közös tápja van az eszközöknek.)
Szia
Mindegy, hogy a potenciométert a folyamatos, vagy a szaggatót, vonal alapján kötöd be, A hatása ugyan az. Amibe, a két bekötés eltérő lesz, az az, hogy amikor a potenciométert állítod, a jobbról balra csavarásnál, egyik esetbe csökken az ellenállás, míg a másik esetbe, nő az ellenállása. üdv.
Szia
Az LM35 rákötheted a műszer tápjára. Amit berajzoltál megoldás, egyetlen hátránya, hogy ~ +2°C alá nem tud menni. Ha te +3…+140°C között, akarsz mérni hőmérsékletet, akkor a kapcsolás jó. üdv
Szia.
Köszönöm szépen a választ! Kipróbálom ezeket a megoldásokat. Van itthon egy LM35- IC és teszteltem is, egyenlőre egy multiméterrel mértem a feszültséget. Egy szobai hőmérőhöz képest 1celsius fokkal kevesebbet mutat, mint a szobai hőmérő. Lehetséges, hogy a szobahőmérő nem pontos. Az IC-ben viszont bízom, hogy az pontosan van kalibrálva. Persze még feszültség osztó nélkül, 10mV/C kimeneti feszt mértem, 2V-os méréshatárban. Belső hőmérsékletet szeretnék mérni. Pontosabban NYÁK kemencéhez építeném be 60-70C fokot kell mérni. Ami még kérdéses, hogy a diódás, vagy LM35-ös megoldást válasszam e. A tesztek után kiderül. Még egyszer köszönöm. üdv!
Készítettem egy rajzot, illetve átterveztem. Ezt a formációt szeretném majd kipróbálni. Csak afelől aggódom, hogy nem lehet közös tápja a műszernek és az IC-nek. Úgy értesültem, hogy az ilyen panelmérő műszereket független tápról kell hajtani. Ebben az esetben nem tudom mi fog történni. Kell e külön táp, vagy ebben a formában is működik majd. (?)
Köszönöm.
Szia
LM35 vagy dióda mindegy. Dióda, olcsóbb, több beállítást igényel. LM35 egyszerű, de drágább. Ami nem tetszik, az új kapcsolásodba a 100 ohm os ellenállás. Nagyon terheled, a LM35 ICt. 1mA de inkább, kisseb terhelő áram kell. Idézet: „Kell e külön táp, vagy ebben a formában is működik majd.” A műszer adatlapján, rajta van. Ha nincs, akkor egy másik műszerrel mérd meg, a táp ( – ) pontja és a mérés ( – ) pontja között, van e feszültség. (AC/DC) Ha van, akkor nem lehet, egy, a műszer táp, a mérés táppal. Illetve, amit te az ellemnél testnek veszel, az a műszernél a negatív tápfeszültség. A műszer test pontja, a feszültség mérés negatív pont. Ezt a nem terhelheted. Van olyan LCD panel műszer ami +5V ról megy. Ebbe benne van a -4….-5V átalakító, Hasonlóan mint a LEDes kivitelbe. Ezt kötheted ugyan arra a tápra. ( mérés és mérendő) De csak, ezt. üdv.
Értem. Tökéletesen kielégítő választ kaptam, köszönöm szépen. A rajzot úgy módosítottam, hogy a potméter 10K többfordulatos, az ellenállás pedig 1K. Egy szobai hőmérővel összevetve 2Celsius fok a különbség. De nem baj, mert ez a két fok eltérés a teljes skálán lineárisan mindig két fok. A trimmerrel után állítom.
A tápegységet meg valószínű úgy oldom meg, hogy külön külön tápról járatom, de egy hálózatról. (Készítettem anno egy tápegységet, ott külön trafó volt mindenkinek, de egyazon hálózatról mentek.) Építek egy NYÁK szárító kemencét, és ennek kijelzésére használnám. Készítek egy végleges rajzot. ![]() Köszönöm szépen.
Elkészítettem az úgymond végleges rajzot, remélhetőleg ez már működni fog helyesen. Amellett döntöttem, hogy külön trafó hajtja meg mind a panelmérőt, mind pedig az LM35 IC-t, de mindkét trafó ugyan azon a hálózaton van. (Korábban építettem tápegységet, ott is ezt a megoldást választottam és azóta is jól üzemel.)
A szimuláció elfogadható értékeket mutatott az ellenállás osztó tekintetében. a Poti 45%-ánál van 1mV. Így tudok fel-le korrigálni, ha szükséges. Természetesen többfordulatos potit alkalmazva A kijelző végül is 7 szegmenses LED-es panel mérő lesz. A fogyasztás nem mérvadó szempont a kemence teljesítményéhez, fogyasztásához képest. üdv!
Szia
Külön táppal, biztos jó lesz. Ha a képen szereplő kiegészítést megcsinálod akkor –irányba is tudsz majd mérni. üdv.
Köszönöm a segítséget, nagyon hasznos társalgás volt.
![]() üdv!
Sziasztok !
Segítségre lenne szükségem. Van egy hőmérséklet mérő panelműszerem a gyári kábellel tökéletesen mér de ha rákötök kb 10m kábelt akkor 132C körül mér és még a végén nincs rajta a gyári kábel. Ha rákötöm akkor is ugyanannyit mér(132C). A kábel nincs rövidzárlatban. majdnem ugyanakkora ellenállást mérek rajta ha rákötöm a gyári mérőzsinórt mint ha csak a gyári mérőzsinóron mérném. A hőmérő 1,5V-al üzemel. Mit tegyek hogy rendesen mérjen? Mi lehet a probléma a kábellel?
Talán ki lehetne próbálni árnyékolt kábellel. Lehet hogy összeszed valami zavart.
De azt sem ártana tudni hogy milyen elvű az érzékelő, mert van hőelemes, ellenállásos , meg félvezető nyitóirányú feszültségesés-es is ... És a legtöbbnél pontatlanságot okoz a plusz kábel.
valószínű hogy a kábellal lesz valami mert ami be van építve az 7x1,5mm (sodrott és nem árnyékolt), amin most próbáltam az 4x0,5mm (tömör és nem árnyékolt) még tekercsben van . valószínű hogy húzok be mellé 1 árnyékoltat amit a riasztóknál használnak(4erest).
Szia, a kábeloddal nincs baj. Valószínűleg a műszer konstrukciójából fakad a problémád, mert ha ellenállás hőérzékelős akkor a profi műszerekben alkalmaznak egy külön bemenetet a vonalellenállás kompenzálására. A hőelemes kivitelnél az adott érzékelőhöz gyártott kompenzációs vezetékkel lehet hosszabbítani.
Szétszedtem és lefotóztam a belsejét nem tudom hogy kiderül e belőle valami.
leírás a hőmérőről: kat Előre is köszönöm a segítségeteket.
Szia, ne haragudj de nincs segítség ez egy bóvli. Úgy használható ahogy van.
Az ipari alkalmazáshoz annyi köze van mint a damilos fűkaszának a kombájnhoz. A leirásban nem szerepel semmi adat az érzékelő, érzékelés tipusára.
Hali!
Ismertek-e olyan hőmérő-kapcsolót, ami a delta T / delta t -t figyeli, és arra kapcsol? Tüzet kellene figyelnem egy kéményben. Jelenleg ezekből MTC-27 van 6 darab telepítve. A probléma: - ezek csak hőmérsékletet mérnek / kapcsolnak - lassú a tokozott PTC (nagy a hőtehetetlensége) Saját magam ásta verembe estem, mert javasoltam ezt a "delta T / delta t" dolgot, hogy "csak be kell menni egy szakboltba, és megvenni". Ezzel szemben, sehol sem találok ilyesmit...
Hello!
Differenciál hőmérséklet változási sebességmérő.. ![]() Bocs, ha bénák az ötletek. - Én a helyedben, valami kis PLC-t használnék, aminek van TC bemenete. Egy K típusú hőelem biztos elég gyors lenne. Az algoritmust meg beprogramozni. (persze nem tudom van-e ilyen a választékban) - Esetleg két hőelem egyszerűen sorba kötve és már meg is van a differencia és már "csak" a dt a gond. - Vannak olyan egyszerű modulok, amik pld. a TC jelét, át tudja konvertálni 0..10V-ra (vagy valamilyen kommunikációra kiadni), amit egy kis PLC (pld. Zelio) fel tud már dolgozni. - Napkollektort gyártó csapatnál érdeklődni. Ott foglalkoznak dT-vel.. Közben kerestem valamit ami talán használható.. üdv! proli007
Köszönöm az ötleteket.
Pillanatnyilag én is Zelio-ban gondolkodom, mert azt ismerem. De jobb lenne egy "komplett" megoldás. A link is érdekes. Holnap áttanulmányozom.
Szia, nem egyszerű de bonyolult, EZT nézted már?
|
Bejelentkezés
Hirdetés |






















