Fórum témák
» Több friss téma |
Fórum » Arduino alapú, Programozható Logikai Vezérlő
Témaindító: zosza18, idő: Máj 16, 2023
Témakörök:
Na! Kezd elmenni nagyon érdekesbe a téma! Az elkészült fotókat publikáljátok? Esetleg cikk készül belőle? Mármint hogy mi a különbség, mitől tuti a tuti?
Idézet: „A CE jelölést bármelyik kínai bármire rányomtatja.” Ne keverjük össze a kínai CE jelet, az európaival. Kicsit másképp is néznek ki, és nagyon mást jelentenek.
Sajnálatos modon egyik jel sem ad semmi garanciát, legfeljebb azt, hogy a gyárto már hallott valamit az idevágo elöirásokról.
Valóban, ez európai CE az konzumer termékekre önbevallásos. A gyártó leírja, hogy megfelel a szabványoknak. Kötelező tesztelés csak kevés termékkategóriára van.
Tapasztalatom szerint az ipari attól ipari:
- Sökkel többe kerül, mint az indokolt lenne. - Szoftveresen fájdalmas mértékben teszteletlen, bugos. - Megvenni a kütyüt nem elég, ha használni is szeretnéd rendsesen, menj tréningre jó sok pénzért, ahol elmondják, hogy mi van leírva a doksiban, amit akkor megkapsz, pedig elég lenne csak a doksi is, de tréning nélkül nem kapod meg és olykor tréningen is csak papíron. - Ha meghibásodik, ami néhánynál nagyon ritka, néhánynál nagyon gyakori, egy halom pénz a javítása, az mondjuk igaz, hogy általában gyorsan reagálnak a gyártók. De amúgy jó nyákterv és minőségi alkatrészek vannak bennük, de a mechanikai konstrukciók igencsak gyatrák, nálunk a nevetséges kontakthibák is mindennaposak.
Holnap belenézek a Festoba és felteszem a képeket. Érdekel az ügy de csak júniusban lehet esedékes.
Kiváncsi vagyok, Te miként oldottad meg a Be és KImenetek leválasztását. Sok megoldást nézegettem, mire elfogadtam a végső megoldást. Mivel látszik a profi kivitelezés, így gondolom hardver szinten is igyekeztél a legjobbat kihozni belőle.
Esetleg ha nem titok, megosztanád a kapcsolási rajzát Velünk? Csak az I/O-ra gondoltam.
Szia.
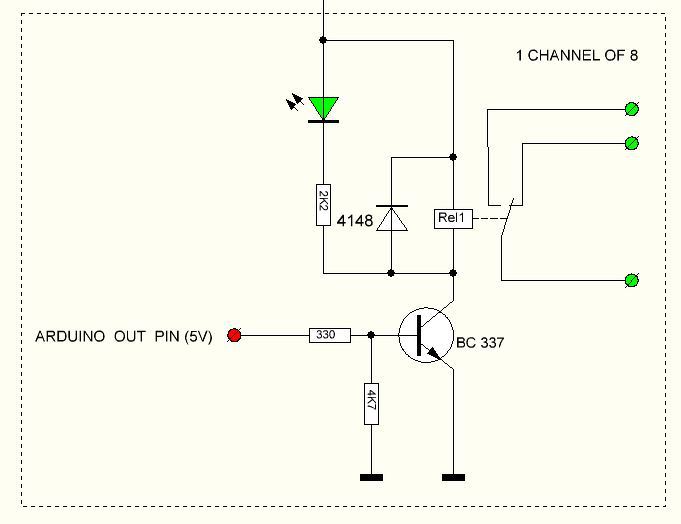
A kimenet esetén egyenlőre egy esgyszerű egy tranzisztoros relé vezérlés van. Gondolkodom, hogy lehet azt optóval kellene kivitelezni. A bemenet viszont opto bemenet. Választható 12/24V bemenettel. Valamint választható analóg / digital bement legyen e a bemenet. Analóg esetén direktben megy be a kontrollerbe a jel. Digital esetén pedig optón keresztül.
A kimeneti kártya esetén, a fene tudja... Végül is elég a sima tranzisztoros kimenet, mert a kontroller felől nem érkezik, csak tiszta TTL jel. A bemenetnél viszont kell az opto leválasztás, mert ott "ismeretlen" bejövő jel is lehet.
A kimenet egy kicsit zürös. Ha valoban le kell választani a 2 áramkört, akkor az 5 V-nak sincs helye a bemeneti csatin. Oda is kell egy jumper amivel megválasztod a tápot. Ugyanez vonatkozik a kimeneti GND-ra is.
A partszélről: bemenetre én is tettem optocsatolókat, de igazából összeföldelt rendszereknél nem annyira számított (3.3K/CNY74 opto ment 5V-30Vig) , és volt olyan kártya, ami "analóg" bemenet volt, leosztva 0-10V-ra, de az ugye lehetett digit bement is, a kontroller portbeállításától függött, a jel megfogását egy fehér LED csinálta (kimértem, 2.8V alatt nem tudtam mérni a szivárgóáramot), egy olyan opció volt még, hogy egy NFET bekapcsolt egy 125-ohmos ellenállást, így 0-20mA forrás árammérés is meg volt oldva. (így minden SW kérdése volt, anno kikötötték, hogy egy jumpert sem szeretnének látni a környéken sem). Kimenetek relések voltak, annyi kis plusszal, hogy a relék tápfeszültségét (csak a relékét, a LED-ek kaptak folyamatosan tápot) egy PNP tranzisztoros rész egy porton le tudta kapcsolni. Ennek a haszna az volt, hogy bekapcsoláskor (amikor minden port 1 vagy lebeg) nem volt pillanatnyi kapcsolás, a másik meg az, hogy létezett "szimulációs" üzemmód, amikor a LED-ek mutatták a kimeneti állapotot, de a relék nem húztak meg. Ez fejlesztésnél jól jött, nem vágta le a fél fülét az épp beágyazott lakatosmesternek, de lehetett tesztelgetni párhuzamosan a kovácsokkal. Hirtelen, 5 KV után, álmosan ez jutott eszembe... Volt leválasztott áram/fesz kimenet is, ha kell valakinek a kapcsrajz, feldobom valahova.
Köszi az infót!
Idézet: „Volt leválasztott áram/fesz kimenet is, ha kell valakinek a kapcsrajz, feldobom valahova.” Engem érdekelne!
Hogyan oldanád meg a kimeneti kártyát? A bemenetnél az 5V csak az analóg esetén van használva, ami közvetlenül megy a kontrollerbe. (Példul egy potméter)
Alapszabály az ipari alkalmazásoknál, hogy mindíg a meghajtott berendezésröl jön a táp ( föleg ha galvanikusan le van választva.)
Az opto áramkörröl van szo. Egy másik elfogadott szabály, hogy a sima elektronikus kimenet open kollektoros, azaz, csak a GND van kapcsolatban a meghajtott áramkörrel, aminek a bemenetét ( elvben függetlenül az ott levö feszültségtöl kb 30 Voltig) a meghajto áramkör a GNDre huzza. Azaz ugy ahogy az OPTOn van megoldva nem jo. A diodát az 5 V-ra kell kötni és a meghajto áramkör kimeneti OC lába huzza a GNDra. Én általában a proci kimeneteit egy ULN áramkörön vezetem ki. A fogado oldalon meg optokuplerek diodáinak a katodját kapcsolom. A hozzászólás módosítva: Máj 20, 2023
A kimeneti relé kártya reléi majd mágnes kapcsolókat fog hajtani, ergo le van választva teljesen a meghajtott áramkörröl. Csak a GND közös. Az OPTO esetén pedig emiter követő alkalmazás nem jó? Így nem kell plusz egy tranzisztor az invertáláshoz, hogy pozitív logika legyen. Nyilván még ez egy első példány, fejlesztések vannak, lehetnek, kellenek. Köszönöm az infót!
Alapbol nem jó,ha a meghajtoáramkörböl megy ki feszültség a meghajtott áramkörben. A két áramkör nem is biztos, hogy egyforma feszültségre megy a zavarveszély is sokkal nagyobb, mint az open collector kimeneť.
Ha meg relés a kimenet akkor meg duplán nem kell közösiteni a GND-t
Idézet: „Alapbol nem jó,ha a meghajtoáramkörböl megy ki feszültség a meghajtott áramkörben.” Nem igazán értem ezt a mondatot. A meghajtó áramkör maga a kontroller. (5V) A relés áramkör tranzisztor bázisára megy az 5V. A relék 24V-osak, ami a kollektor körben van. Ez szerintem teljesen elfogadott, és jó kimeneti módszer. A relé kontaktusai pedig 24V-al kapcsolják a DC mágneskapcsolókat.
A relés kimenet egy potenciálmentes kontaktus. Semilyen galvanikus kapcsolat nem kell a meghajto áramkörhö azaz a tranzisztorhoz.
A baj az hogy egyszerre beraksz 2 áramkört és meg azt sem tisztázod melyik a meghajto meg melyik a meghajtott. Az jobb oldali kép az optocsatoloval, ha az a bemenet, akkor az nem jo. Én arról beszélek.
Pedig az opto tökéletesen működik. Amint írtam, emiter követő kapcsolásban. No de majd megteszteljük, mindenféle zavarjelet próbálunk rávezetni, megnézzük mit csinál.
Idézet: „A baj az hogy egyszerre beraksz 2 áramkört és meg azt sem tisztázod melyik a meghajto meg melyik a meghajtott.” Most már végképp elvesztettem a fonalat. A meghajtó áramkör a kontroller panel. A meghajtott áramkör a relés panel. Szerintem ez teljesen egyértelmű. A kontroller panelhez összesen 4db 8-as csoportú relé panelt lehet csatlakoztatni.Ha van kedved, időd, egy kapcsolási rajzot feltehetnél, hogy milyen metódusra gondolsz. Kicsit nehézkes a felfogásom (sajnos). De ha egyszer megértek valamit, akkor azt sosem felejtem el.
Én egy szoval sem mondtam, hogy nem müködik, csak azt, hogy ipari berendezésekben ezt igy nem szokás használni. Pl rövidrezárod a LEDet hajto kimenetet és már mehetsz javitani.
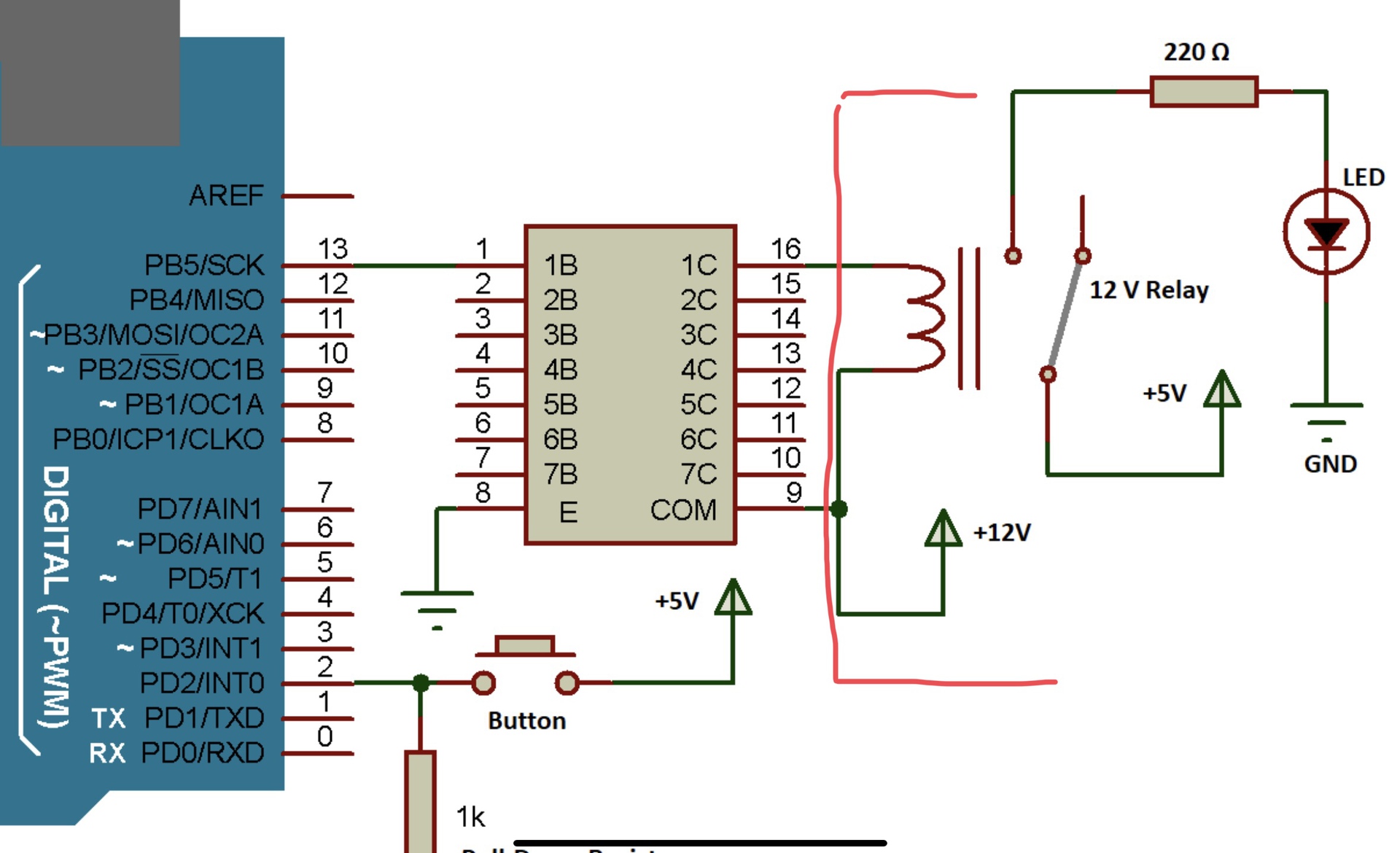
Nézd itt van egy majdnem ipari relé meghajto. Rele kártya. Egy kicsit le kell görgetni az oldalt. A kapcsolás bal oldalára a zöld diodára kapcsolodik pl a processzor kimenete. Láthatod, hogy a 2 áramkör között csak egy vezeték van aminek az aktiv állapota az alacsony szint. A jumperrel választhatsz feszültségforrást. Amennyi relé van a kártyán amugy sem lehet az arduinobol táplálni ( meg nem is kell). Ráadásul a mai optokopplerek annyira érzékenyek, hogy egy 1,5-2 k ellenállással e müködnek 3-24Vs tartományban.
Itt a képen van hogyan kell a procihoz a külvilágot csatolni. Egy ULN tokban 7 open collector kimenet van meglehetösen nagy teljesitménnyel, ahogy látod meg egy relét is elbir. De neked elég ha az ULN kimeneteit kapcsolod az optok LEDjeihez ( csak a katoddal müködik). ( azaz a vöröt vonal a választo a meghajto meg a meghajtott berendezés között.
A hozzászólás módosítva: Máj 20, 2023
Idézet: „Alapbol nem jó,ha a meghajtoáramkörböl megy ki feszültség a meghajtott áramkörben. A két áramkör nem is biztos, hogy egyforma feszültségre megy a zavarveszély is sokkal nagyobb” A meghajtó áramkör (kontroller) 5V jel feszültséggel vezérli a meghajtott áramkör tranzisztorait (relé panel). Ez egyforma feszültség. A relé panel tranzisztor kollektor körében van a 24V-os relé. A relé kontakt csak feszültség mentes kontakt kimenet. Nem értem mi ezzel a probléma. Idézet: „Ha valoban le kell választani a 2 áramkört, akkor az 5 V-nak sincs helye a bemeneti csatin. Oda is kell egy jumper amivel megválasztod a tápot.” Nem érted kedves fórumtársam. Az 5V csak és kizárólag analóg esetén van használva. (pl.: potméter) Az opto bemenetén, ha - digitális állásban van - lehet választani bemeneti feszültséget. Idézet: „Alapszabály az ipari alkalmazásoknál, hogy mindíg a meghajtott berendezésröl jön a táp ( föleg ha galvanikusan le van választva.)” Ez így is van az opto kártyám esetén is. Láthatod, hogy a bemeneti feszültséget lehet jumperrel választani. Tehát egy érzékelő, - ami a meghajtott berendezésen van - onnan érkezik a 12, vagy 24V-os jel feszültség. A kontroller és a relé kértya gyakorlatilag egy egységet alkot, egyforma jelszintekkel üzemel. Az, hogy a relé kontaktusra mi megy, az teljesen független e két áramkörtől. Ezért nem értem, hogy mi ezzel a baj. Ezzel gyakorlatilag fizikailag, totál galvanikusan le van választva a működtetni kívánt berendezérlől. Az opto kártyán, csak a GND közös a vezérelni kívánt berendezés GND-jével. Én nagyon útálom a negatív logikai vezérlést. (kivéve Vész stop, és risztó rendszereknél, ahol elengedhetetlen.) De ha már egy induktív érzékelő (csak a példa kedvéért) el van látva mindkét logikai kimenettel, akkor a pozitív logikai vezérlést használom.
Sajnálom, értelmetlen folytatni a beszélgetést.
Csináld ahogy akarod. Elég egyöntetüen elmondtam az ilyen berendezések sok éve elfogadott tervezési filozofiáját. Ha ez neked nem tetszik semmi baj, csináld ahogy gondolod.
Köszönöm a rajzot, nezem!
A hozzászólás módosítva: Máj 21, 2023
Úgy lesz. Ha és amennyiben ipari körülmények között stabilan fog működni a tesztelések után az eszközöm, pont nem érdekel, hogy milyen egyéb ipari kapcsolástechnikai megoldások vannak. Mégegyszer mondom, HA. Ha nem működik stabilan, tovább fejlesztem.
És ha majd valaki másnak kell valamit csinálnia az áramkörrel, akkor a felmenöidet fogja egészen biztosan az egekig dicsérni.
Érdekes a hozzáállásod.
Nem fogja más piszkálni. Egészen biztos. Egyrêszt mert nem ért hozzá, mert egyedi rendszer. Másrészt lezárom a vezérlőszekrényt, majd én belenyúlok, ha kell. Hozzáállásom is milyen. Kérdés, te mennyire szereted, ha az általad épített eszközhöz hozzányúl valaki. Hiszen ahhoz a rendszerhez te magad értesz igazán.
A hozzászólás módosítva: Máj 21, 2023
Na látod itt alapvetö a különbség a nézöpontjaink között.
Miután én nem vagyok szerviz, igy kézenfekvö, hogy a berendezéseimet helyben mások javitják, ha kell, esetleg visszahozzák, ami eddig alig fordult elö. A szoftware frissitést megoldjuk hazulrol.
Igen, valóban más a nézőpont. De ezzel nincs semmi baj. Én egyedi berendezéseket tervezek egyedi szoftverrel, amit csak én tudok szervizelni. Ami valamilyen szinten nem is baj. Sok ember, sok kéz, sok nézőpont. Én így látom. Te máshogyan látod. De még egyszer is mondom, ezzel az égvilágon semmi gond, nem vagyunk egyformák. Ahogyan te is, én is még nagyon kevés berendezésemet sem láttam viszont javításra.
|
Bejelentkezés
Hirdetés |





Esetleg ha nem titok, megosztanád a kapcsolási rajzát Velünk?
Csak az I/O-ra gondoltam. 







