Fórum témák

» Több friss téma
Fórum » AT-s táp letiltásának megakadályozása
Lapozás: OK   1 / 1
(#) Dempsey hozzászólása Szept 3, 2008 /
 
Sziasztok!
Van két kocsiba való erősítőm, amit PC táppal hajtok.Tudom ez nem nagyon szokás.Az a problémám, hogy ha emelem a hangerőt fogy a feszültség és egy bizonyos minimum értéknél letilt.Az lenne a kérdésem, hogy ezt meg lehet e valahogy akadályozni?Az egyiknél leterheltem az 5V-os részét egy ellenállással így már jóval jobban szól de még így is előfordul hogy letilt néha.
Remélem tudtok segíteni.Előre is köszi mindenkinek.
Üdv: Dempsey.
(#) Medve válasza Dempsey hozzászólására (») Szept 3, 2008 /
 
Hello, a gond ott lehet, hogy a táp az 5V-os kimenet feszültségét figyeli, igy hagyja csökkenni a 12V-os kimenetet, ha csak azt terheled. Van egy osztó, ami az 5V-ra kapcsolódik és azt figyeli. Kösd át ezt az osztót a 12V-os ágra úgy módosítva, hogy a 12V-ból osszon le ugyanannyit, mint eddig az 5V-ból osztott. Ha TL494 az IC, akkor az 1-es lábra szokott csatlakozni ez a visszacsatolás...Vagy alkalmazz egy erősebb stabilabb tápot, amelyik figyeli a 12V-ot is.
(#) Dempsey válasza Medve hozzászólására (») Szept 3, 2008 /
 
Be tudnád rajzolni hogy hol van az osztó?Köszi a választ.
(#) Dempsey válasza Medve hozzászólására (») Szept 3, 2008 /
 
Gondolom az LM339N komparátor környékénél kell keresgélni?!Az IC bemenetére kapcsolódó ellenállásokat kellene átkötni?Valahogy szájbarágósabban el tod magyarázni hogy mit hova?Köszi szépen előre is.
(#) Medve válasza Dempsey hozzászólására (») Szept 3, 2008 /
 
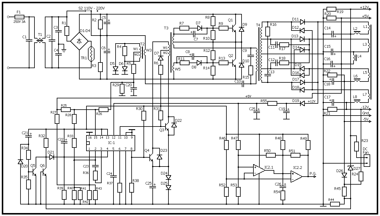
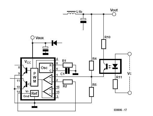
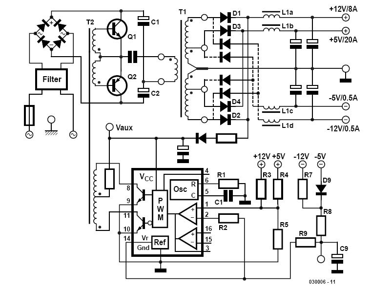
-Nem tudom jobban elmagyarázni, mert nem tudom, hogy a Te tápodnál hogyan van ez épp megoldva. De itt van két rajz, ehhez hasonló lesz. Rajzold le a te tápodat, egy alkatrészoldali fotóból nem könnyű dolgozni...
-A komparátorok a PG jelet szokták csak előállítani...
-Milyen PWM vezérlő IC van benne?
(#) Dempsey válasza Medve hozzászólására (») Szept 3, 2008 /
 
A PWM vezérlő típusa KA7500 as.
(#) Medve válasza Dempsey hozzászólására (») Szept 3, 2008 /
 
Az 1-es lábáról kellene eljutnod valamelyik (5,12) tápfesz kivezetéshez.
(#) Dempsey válasza Medve hozzászólására (») Szept 3, 2008 /
 
Lefényképeztem a nyákot hátha segít valamit és bejelöltem az IC 1. lábát és a feszültségeket pirossal.
(#) Dempsey válasza Medve hozzászólására (») Szept 3, 2008 /
 
Két ellenálláson és egy kondin keresztül el tudok jutni az 1-es lábtól a +12 +5 GND hez.Most hogyan tovább?
(#) Medve válasza Dempsey hozzászólására (») Szept 3, 2008 /
 
Készíts egy kapcsolási rajzot. Ismered a működését?
A mellékleteken további példák a feszültségszabályzás megoldására. Az egyiken pl mindkét feszültséget figyeli...
(#) Medve válasza Medve hozzászólására (») Szept 3, 2008 /
 
Jó úton haladsz, de a 271917-ben a pozitív pólusra gondoltam.
(#) Dempsey válasza Medve hozzászólására (») Szept 3, 2008 /
 
Hát az a baj, hogy nagyon nem ismerem a működését :no: .Csináljam meg a kapcsolási rajzot PWM IC-től a kimenetekig?
(#) Dempsey válasza Medve hozzászólására (») Szept 3, 2008 /
 
Lehet hogy jó úton haladok de kezdem úgy érezni hogy kevés vagyok ehhez .
(#) Medve válasza Dempsey hozzászólására (») Szept 3, 2008 /
 
Az nagy baj, olvasgassál róla, van anyag bőven. Ahogy írtam vala, minket inkább csak az 1.-es lábtól a pozitív kimenetekig és annak környezete érdekelne.
(#) Dempsey válasza Medve hozzászólására (») Szept 3, 2008 /
 
Aha értem hát nézegetek hátha találok valamit.Kösz a rajzokat,majd írok ha lesz kérdésem.
(#) Dempsey hozzászólása Szept 3, 2008 /
 
Feltettem a tápról a képeket hátha valaki tudni fogja hogy a visszacsatolást hogyan tegyem át a 12V-os részre.
(#) proba válasza Dempsey hozzászólására (») Szept 3, 2008 /
 
Esetleg segítség a PC táp átalakítása akkutöltőnek topikok közül valamelyik.
(#) Kutyuli hozzászólása Szept 3, 2008 /
 
Érdekes probléma ez a letilt vagy nem tilt le. Ugyanis a korábbi PC-s tapasztalataim szerint ha a táp kez haldokolni akkor szokott olyant is csinálni, hogy egy pillanatra a gép nem kap áramot és újraindúl. Nem ritka az sem, hogy 5 percenként. Ez a porbléma nem csak a régi AT hanem az ATX tápokkal is előfordúl. Én személyesen kicserélném a tápegységet. Nagy valószínűleg a problémád is meg fog oldódni.
(#) Dempsey válasza Kutyuli hozzászólására (») Szept 4, 2008 /
 
Nem az általad leírtakról van szó.Ha közepes hangerőn hallgatom a zenét akár napokig is hallgathatnám akkor se tiltana le.De ha akarom 5 másodpercen belül le tudom tiltatni csak jól fel kell emelni a hangerőt és kész is.Így is nagyon jól szól de tudom hogy több van az erősítőbe, csak a táp nem bírja mert nagy hangerőnél 10,3V ra is lemegy a feszültség.
(#) Medve válasza Dempsey hozzászólására (») Szept 4, 2008 /
 
Próbálj csak ki valamit! Ha terheled a 12v-ot, nyilván esik ott a feszültség. Terheld le az 5V-os ágat. Emelkedik a 12-os kimeneten a feszültség?
(#) Dempsey válasza Medve hozzászólására (») Szept 4, 2008 /
 
Hát emelkedett 11,67V-ról 11,99V ra.Így már jobban zúz de letílt ha még följebb veszem a hangerőt.
(#) Medve válasza (Felhasználó 13571) hozzászólására (») Szept 4, 2008 /
 
Azt vágom, de ezzel kellene játszani először szerintem, aztán ha elértük a határokat, akkor továbbgondolkodni. De ha már itt vagyunk, hány wattos a táp, és mennyivel terheled?
(#) Dempsey válasza (Felhasználó 13571) hozzászólására (») Szept 4, 2008 /
 
Ja igazad van ez kiment a fejemből .2x55Wattos az erősítő és 200W-os a táp.
(#) Medve válasza Dempsey hozzászólására (») Szept 4, 2008 /
 
Pontosítsunk: nekünk a 12V-os ág terhelhetősége kellene...és saccoljuk meg az erősítőd hatásfokát, de egy mutatós műszerrrel meg is mérhetnénk azt az áramfelvételt...
(#) Dempsey válasza Medve hozzászólására (») Szept 4, 2008 /
 
Nincs rajta a szokásos táblázat a tápon sajna szóval fogalmam sincs.Ja és mutatós műszer sincs.
(#) Dempsey válasza (Felhasználó 13571) hozzászólására (») Szept 4, 2008 /
 
Lehet h akkor annyi a max hát mindegy akkor így veszett.Kösz a segítséget.
(#) Medve válasza Dempsey hozzászólására (») Szept 4, 2008 / 4
 
Nálam 12V-hoz 8A-t ír, 110W-nál ez 9,2A +a veszteség, igy megbukott a dolog, nagyob teljesítményűt kell szerezned. Egy 300W-os 16A-t ad le például.
B-osztályú erősítőt feltételezve, amelynek a hatásfoka 78,5% 110W-hoz 140W-ot kell betáplálni, amely 12A. Ezek szerint egy 300W-os ATX jó lenne...
(#) Kutyuli válasza Dempsey hozzászólására (») Szept 4, 2008 /
 
Bocsi. Azt hittem áramkimaradás miatt tilt le a technika.
(#) Dempsey válasza Medve hozzászólására (») Szept 5, 2008 /
 
Kösz a segítséget majd beszerzek egy 300W-osat.
Következő: »»   1 / 1
Bejelentkezés

Belépés

Hirdetés
XDT.hu
Az oldalon sütiket használunk a helyes működéshez. Bővebb információt az adatvédelmi szabályzatban olvashatsz. Megértettem