Fórum témák
» Több friss téma |
Fórum » ATX-táp problémák, meghibásodás
Ha jól nézem, az a stand-by áramköre a tápnak. Ide nem lehet valahogy beszrkeszteni egy 50Hz-es trafót?
Van egy 9.5v-os kis trafóm, az nem lenne ide jó?
Én még rég beakartam kapcsolni a gépet és nem indult el.Egyáltalán, mintha kilenne húzva a konnektorból.Tápcsere megoldotta a problémát, de most jóvolna megjavítani. Biztosíték jó, égési nyomok nincsenek.
Először ellenőrizd le a stand-by tápot benne, nekem is ez ment ki. (lila vezeték)
Most külső stand-by táppal már beindult a táp. Kicsit röhelyesen néz ki, hogy az atx tápba bemegy egy trafóról vezeték, na de nem ez a lényeg. Ha ez jó és megvan a készenléti 5 volt, akkor mehetünk tovább.
nekem ugyan ez volt a gond, de csak a vinyó szart be.
Hali!
Adva vagyon egy 400W-os Codegen :vomit: táp, ami a gépemben teljesít szolgálatot. Ma azt vettem észre, hogy mikor áramot adok a gépnek, bekapcsol a ház elején lévő LCD kijelző (ez csak akkor lehetséges, ha 5V-ot kap az 5.25"-os meghajtó csatlakozóról). Meg is mértem gyorsan a feszültségeket, és az 5V-os ágon 3.6V-ot, a 12V-oson 2.5V-ot "találtam". Ha bekapcsolom a gépet, akkor helyreállnak a feszültségek, de kikapcsolt állapotban nem tudom miért van kint egyáltalán fesz?! Javítható, vagy csere?
Inkább csere. A Codegen elég gyenge minőségű táp.
Igen, én sem bízom már benne. Jobb lesz még azelőtt kicserélnem, mielőtt el nem száll miatta valami. Ez meg jó lesz kísérletezési célokra, kisebb értékű áramkörök műkötetésére...
Azért kíváncsi lennék, hogy mi okozza ezt a hibajelenséget (kikapcsolva is van a kimeneten fesz)?!
Érdekes, most nem csinálja ezt a jelenséget; mintha megjavult volna.
Ennek ellenére cserélem, ez már biztos.
Sziasztok! kaptam egy chieftec atx tápegységet. Kipróbáltam ahogy bedugtam és sípolt. Bekapcsoltam ( az 5V os ágon volt terhelés) a sípolás megmaradt de működött. De a feszültségek nem voltak rendben 1-1,5V eltérés volt. Szétszedtem találtam bent 2 felpúposodott elkót ezeket cseréltem. De van egy dióda ami alatt megégett a panel, kis üveg tokozású mint az 1N4148. Mi lehetett? Tud valaki segíteni?
Elnézést de 2 kép lemaradt.
Próbáld lekövetni a nyákon, hogy hová volt az a dióda kötve.
Na visszakövettem ahogy tudtam. Lehet, hogy nem 21:45 kor kellet volna nekiállni de azért megmutatom hogy mire jutottam. Lehet hogy egy 5,1V os zéner volt?
Érdemes egyáltalán foglakozni vele? Örülnék ha valaki segítene, vagy ha nem akkor jó lesz alkatrészek.
Sziasztok!
Van nekem egy Silentmaxx vízhűtéses tápom, és alaplap hiba miatt vmi elment benne. Egyszerűen nem kapcsol be. Sztem nem lehet nagy baja. A tápegység Volna itt egy szakértő aki meg tudná nekem nézni, és javítani? Túl drága volt ahhoz, hogy kidobjam.
""ez lehet..., memória, videókártya, proci" Ha ezek közül bármi hibás lenne akkor az alaplap "szólna". de mivel "házba épített hangszóró is kussol"-->nem szól az alaplap mert rossz"
Ez igen csak nagy badarsag, en szamtech szervizben dolgozom es kb minden ami gepben van okozhatja ezt a hibat,90%ban ram..
Üdv. A számítógépem mostanában olyat csinál, hogy a bekapcsoló gomb megnyomásakor nem kapcsol be, vagy némi késleltetéssel (~1 perc).
Szerintetek ezt a jelenséget a TÁP okozza vagy az alaplap?
Szia !
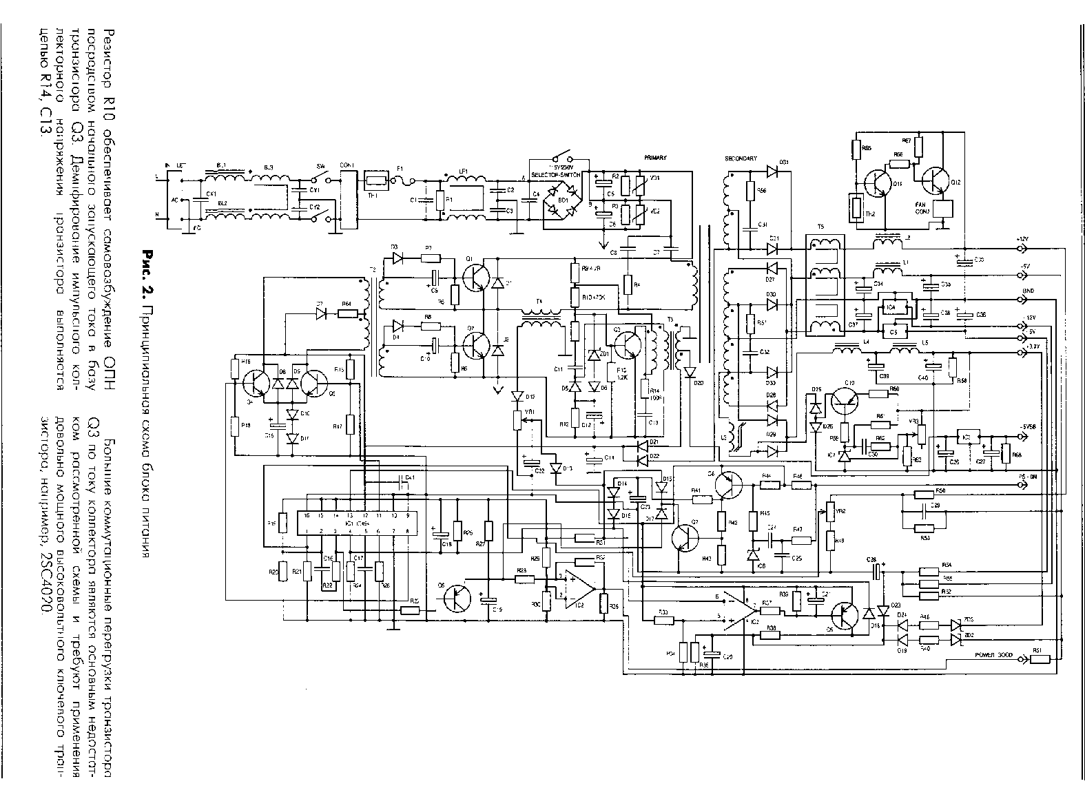
Egy ATX-es tápot javítok, két kondi elrohadt 2200µF a kimeneten. Egy "tranyó" elhalálozott enyi van ráírva 240 Egy hűtóbordán van kettő. Mi a tipusa ennek ? csatoltam a képet. Ha valakinek lenne egy rajza ATX-es tápról megköszönném. Üdv!
Találtam egy oroszt, nem tudom, mennyire fedheti a valóságot... Értékek sincsenek rajta, inkább elvi rajz (?).
A '240'-es felirat alatt milyen felirat van? Nem lehet kibetűzni a fényképről!
Szerintem nem , az E2XXXXX ig látom. Pedig ez a típusjelzés
Nincs mit.
Találtam még valamit, hátha segít.
Szia
Szerintem is MJE13009 lesz.
Sziasztok.
Nemrég adtak a haverok egy rossz 300w-os mercury tápot. A hibajelensége az hogy a sz. gép bekapcsolásakor a gép ledjei, felvillanak, a táp ventije 1x körbefordul, utána semmi. Én csak úgy poénból betettem a gépembe a tápot, hátha elindul, és csodák csodájára működött vele a sz. gép . Egésznap ment semmi gondja nemvolt. De másnap nem indult be, a fent említett hibajelenséget produkálja. Szétkaptam, megnéztem a belsejét minden alkatrész éppségben van, semmi égési nyom. Megvizsgáltam a forrasztási oldalt is, nincs kontakt hiba sehol. Bekapcsolva a tápot (zöld-fekete összekötve), egyedül a lila vezetéken van meg az 5 volt, a többin semmi. Valakinek van valami ötlete hol kezdjem a hiba keresést
Szia!
Vagy kontakhiba, vagy a mi valószínűbb az a rosszúl elhejezett, és tönkrement elkók nézd meg itt . Ebben a cikben le van irva, mi mindent elkövetnek, hogy rövid életű tegyen az elkó. Ezt cserével lehet megoldani. Ha megépíted a mérőműszert, még pontossabban látod, mi ment tönkre, a pupos kondit nem egyszerű észrevenni, főleg ha nem a teteje, hanem az alja púpos. Ha nincs terhelne nem hiszem hogy elindul, tegyél rá vagy izzót, vagy Wos nagyságrendű ellenállást. Remélem segítettem, ha van még kérdésed írj. Üdv. Tóbi
Hello!Nekem is ugyanez volt a baj a mercury tápommal.
Volt mikor bekapcsolt a gép volt amikor nem. Megoldás:elektrolit kondik cseréje.Igaz nekem csak egyett kellett cserélnem mert az fel volt púposodva.Azóta napi 12-14órában üzemel a gép. |
Bejelentkezés
Hirdetés |










. Egésznap ment semmi gondja nemvolt. De másnap nem indult be, a fent említett hibajelenséget produkálja. Szétkaptam, megnéztem a belsejét minden alkatrész éppségben van, semmi égési nyom. Megvizsgáltam a forrasztási oldalt is, nincs kontakt hiba sehol. Bekapcsolva a tápot (zöld-fekete összekötve), egyedül a lila vezetéken van meg az 5 volt, a többin semmi. Valakinek van valami ötlete hol kezdjem a hiba keresést
Volt mikor bekapcsolt a gép volt amikor nem. 




