Fórum témák
» Több friss téma |
Fórum » Autórádió (fejegység) problémák, kérdések, válaszok
Témaindító: angel83zs, idő: Máj 14, 2006
Témakörök:
Szia,kornyezeteben keress hasonlo kezdobetuvel vagy szammal jelolt diodat/tranzisztort,ugyanolyan tipust tobb helyre is beepitenek .Ami sertetlen arrol mar olvashato a teljes jeloles,nekem mar egyszer bejott..bar lehet,hogy szerencsem volt..
Pl.: jobb also is 1GW mint ahogy jelolted Te is a felsot.
Szakadast merek mind a ket paron.Mertem kapacitast is,egyforman 0.8nF.
Van tartalek vegfokom,azzal is ez a jelenseg.
Mérd meg a végerősítő RCA test és az akku negatív közötti ellenállást! A csont zárlat, vagy nagy kapacitású kondenzátorra utaló jelenség nem jó. Lehet mindkét végfok hibás, vagy az RCA dugó rácsatlakoztatásakor alakul ki a testzárlat.
Az zaj amiért a kérdést feltetted a használat során jelent meg, vagy egyből a beépítés alkalmával?
Ez a harmadik setup ugymond,es az elsonel emlekeim szerint nem volt zaj,masodiknal mar megjelent illetve jelenleg a harmadik vegfokkal is megvan ami a szettet hajt.Ido kozben fejegyseget is lecsereltem komolyabbra.A hiba mar elotte is jelen volt,de bekotok probara egy harmadik vegfokot is.Illetve meg az jutott eszembe,hogy bar az akksi hatul van a testet a karosszeriarol vettem nem a pulosrol.
De kizarhatjuk annak lehetoseget,hogy hibas a fej? Mind a harom par kimenet RCA testje es a negativ tap kozott/haz kozott rovidzarat mertem. Az erosito ami jelenleg bent van a szetten Audio System f4-560,probara tettem be egy Infinityt illetve szerzek egy uDimensiont ismerosomtol es azzal is kiprobalom. Kesobb jelentkezem. A hozzászólás módosítva: Okt 28, 2023
Nincs ugyan konkrét ötletem, de valami sántít a kiépítés körül.
Csak olyan végfokkal próbálkozz amin a jeltest - táp negatív között nincs rövidzár, különben földhurok alakul ki és az észlelt zajok garantáltan megjelennek.
Rovidzar nincs,180-400 Ohmig merheto.
Viszont masik vegfokokon egyformak az ertekek,a monon 100-100Ohm,masik Audio Systemen 70-70Ohm. Ez igy kicsit furcsa.
Ettől az ellenállás értéktől legalább két nagyságrenddel kisebb ellenállású RCA kábellel jó lesz az, ha egyéb hibát nem vétettél. Kapható az RCA-hoz földhurokmentesítő, az is egy megoldás.
Szia.
Ugy gondolom at kell koltoznunk az autos erosito topikba… Pioneer vegfok jart nalam RCA-test hibaval,javitottam,gazdaja boldog volt,de tartalekkent eltette.Visszakertem es tokeletesen zajtalanul teszi a dolgat beszerelve igy a kebelezesemet ,fejegyseget jonak nyugtazom.
Szia! Köszi a tippet! Sajnos csak részben jött be.
1GW71, ilyen sok van a panelen. WR171, ilyen csak ez az egy. 6NW?, ilyenhez hasonló sincs :\ Nagy valószínűséggel 6NW71 lesz. Már csak az SMD kódolásban szeretnék segítséget kérni! Köszönöm!
Sajnos kodolasban nincs nagy rutinom,ellenben google vagy itt a tranyok helyettesitesenel felteheted a kerdest…Melyik mivel potolhato.
Kedves laccy88!
Én SMD alkatrészekkel működő vezérlő elektronikákkal is foglalkozom. Véletlenül olvastam a problémádról. Az alkatrészeket első körben mindig egy-egy SMD codebook alapján keresem. Pl. alább két link ilyenekre: https://www.s-manuals.com/smd/ http://www.marsport.org.uk/smd/mainframe.htm A fentiek alapján találtam az alábbiakat. A 71 nem számít, az csak a sorozatra utal, nincs jelentősége. Mindig meg kell nézni az adatlapokat is, hogy abban hogyan írják le/adják meg a MARKING-CODE-ot (hátha rosszul azonosították be az adott oldalon). Ezt látjuk az alkatrészeken. 1GW == BC847C (tokozás: SOT-23) WR1 == BZX84-B5V1 (tokozás: SOT-23) 6NW == MMBF4861 (tokozás: SOT-23) Remélem segítség lesz. Üdvözlettel: olika76
üdv!
Köszönöm a segítséget! Írtam privát üzenetet.
Sziasztok. Olyan problémám lenne, hogy egy jvc rádió burkolatához hozzáért a táp vezeték (12v), és azóta nem kapcsol be.
Biztosítékok jók, de semmi. Másik jvc rádiót is próbáltam benne utána és az se kapcsol be, viszont próbáltam egy sonyt az hibátlanul megy. Másik autóba működik mindegyik jvc rádió. Mi lehet a hiba?
2 pontról kap a fejegység +12V-ot, az egyik az állandó, a másik a gyújtás, valamelyiknél kiment a biztosíték (az autóban). Mivel tudod, hogy melyik ért hozzá, azt a vezetéket meg kéne mérni...(valószínűleg a gyújtás lehetett az)
A Sony úgy van bekötve, hogy a gyújtás szálat is az állandóról kapja. A hozzászólás módosítva: Dec 8, 2023
Sziasztok
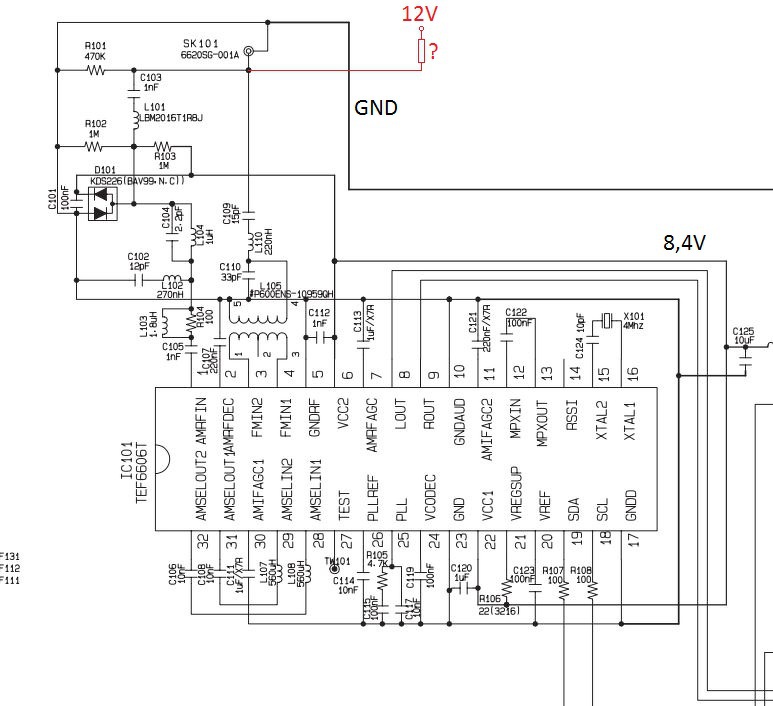
Van egy LG LCS500ur fejegységem, amit át szeretnék alakítani, hogy kiadja az erősítős antennának a fantomtápot. Az erősítőbe nem külön kábelen megy a 12V, hanem az antenna kábelen (fantomtáp). Vettem hozzá külső kábelt, amivel működik is, de alig fér be a helyére a fejegység emiatt, ezt szeretném megszüntetni. Csatolom a kapcsolási rajzot, pirossal berajzoltam egy ellenállást 12V-ra, ha jó lehet így az értékben szeretnék segítséget kérni. Esetleg ha kellhet még egy soros kondenzátor is, annak az értékét sem tudom.
Nem drága a kész FAKRA -DIN átalakító. Valami ilyesmi van benne.
Köszönöm, akkor ezt beépítem, vettem kábelt hozzá, ez DIN csatis még, de olyan nagy hengerben van az elektronika, hogy nem megy vissza a helyére rendesen a fejegység.
Bontsd szét azt a hengert! Erre akartam célozni az árával.
Aztán, hogy árnyékolás nélkül is jó lesz-e az kiderül a gyakorlatban.
Sziasztok!
98-as astra G, nem tudom, hogy másoknak milyen a rádión a vételi minőség, de nekem nagyon gyengének tűnik az antenna! Van az antenna talpában egy kis panel, az mi célt szolgál, zavarszűrő, vagy esetleg valami jel erősítő? Lehet, hogy az ment tönkre? Gyári rádiót kicseréltem egy JVC-re, de az se jobb. Van egy TV-hez való antenna erősítőm, 12V-os, azt esetleg be lehetne valahogyan az autóba kötni, jelentene az javulást a vételben? Antennával lehet esetleg kezdeni valami okosítást, amitől nő a nyeresége, vagy kibővíteni valahogyan?
Dugj bele kb. 1m sima vezetéket az autórádió antenna aljzatának meleg pontjába és nézd meg, úgy milyen. Játszhatsz a vezetékkel, emeld fel, mozgasd egy behangolt adón. Természetesen máshova ne érjen hozzá. Ha így jó, akkor antenna problémád van.
Lehet antenna erősítő a talpában, de ez esetben kapnia kell áramot is. Ez vagy egy külön szálon +12V, vagy magán az antenna kábelen leválasztással van megoldva. Ha egy erősítős antenna nem kap tápot, akkor olyan, mintha egyáltalán nem lenne antenna. Ha egy rádió cserénél ezt elfelejtették bekötni, vagy az adott rádió nem tudja, vagy hibás az erősítő, vagy szakadt az antenna...stb...akkor nem lesz jó vételed. Vannak igen gyenge vételi körzetek, ilyen pl. Békés megye is, illetve a román rádiók hogy, hogy nem éppen a magyar frekvenciákon vannak, csak a határon túliak kicsit nagyobb lökettel adnak. A TV erősítő sávja legtöbbször nem esik egybe az FM adással. A jó vétel egy jó antennával érhető el, minden más már csak maszatolás. A hozzászólás módosítva: Jan 10, 2024
Hali!
Maximálisan egyet értek az előttem szólóval. Békés megyei vagyok én is. Anno, vettem egy nagyon jó állapotban lévő SUZUKI WAGON R-t. Ami benne volt rádió, szólt, de nem volt telefon kihangosítós. Vettem egy Pioneer tip. rádiót. Sehogy nem akart tökéletes vétel lenni. Ennek az autónak, a hátsó ajtó felett van az antenna, tehát a kocsi hátulján, jó hosszú kábellel. Majd, kibontottam a hátsó beltéri világítást, hátha látok valamit az antennából, mivel úgy láttam. épp felette van. Az antenna táp csatlakozója össze volt dugva, de a menetes antenna vezeték csatlakozó nem. Szerintem, gyárilag maradt így. Össze kötöttem/csavartam, és láss csodát. Békés megyében is tökéletes vételem van.
Bocs, de az O1 az 48,75 MHz, innen felfelé az antennaerősítő ha szélessávú és lineáris frekimenetű, tehát az O, és a C rádió sávot is tudja. Ennek ellenére nem használnék ilyen erősítőt erre a célra. Ha a rádiónál hozzá férek az aljzathoz az Orosz műszerész csipeszem szoktam beledugni az antenna melegpontjába. Ha a rádió feléled, akkor az antenna a halott. Lehet a kábelszakadástól az oxidációig bármi.
A hozzászólás módosítva: Jan 10, 2024
Valóban, ha szélessávúja lenne, akkor igen, hiszen az FM a VHF II. Úgy kellett volna írnom, hogy már pár éve az élő földi TV sugárzásra való (UHF) sávban dolgozó erősítő frekvencia menetébe nem esik bele. Mondjuk valamiért ritkán raknak TV erősítőt URH antennára.
Telepítettre raktam. Anno A Gorenje cuccait hordtuk Jugoszláviából- A TKF közösítőiben nbenne volt a helye. Egy tranzisztoros fejerősítő is volt hozzá extraként, CCIRTre. A közösítő a tápot ezért engedte át. UHF ig volt hozzá fejerősítő dipolba. A WISI Német cég license alapján gyártották Szlovéniában (Jugoszlávia) az UHF szélessávú antennáját, és a RA0209 9elemes rádió antennáját kopitták Magyarországon. Ezek telepített nagyon jó (Német) minőségű antennák. Lehet a csipesz teszt többet segít.
A hozzászólás módosítva: Jan 10, 2024
Továbbra sem tudjuk, hogy milyen antenna erősítője van. Elsőre legyen normális antennája. Majdcsak kiderül mije is van.
Gyári antenna van rajta, ilyen a talpa:Astra G
Majd előkeresem az erősítőt, de előtte még akkor meg kéne mérni, hogy mi megy oda az antenna kábel melletti csatlakozóra, van e ott egyáltalán feszültség? Az a kis panel benne akkor lehet tényleg erősító lesz!?
Nemrég volt egy 5-ös Golfom hasonló hibával, szinte semmit nem fogott a rádiója, és az utólagosan kicserélt fejegység sem. Nem tudom hogy lehet, viszont ez egy típus hiba sok autónál, hogy az antenna talpban az erősítő panel vizet kap és szó szerint szét rohad. Ki bontottam és voltak alkatrészek rajta, amik lerohadtak, potyogtak ki belőle. Át hidaltam a panelt, vagyis kikerültem egy kis kábellel, és a vétel legalább 50%-al jobb lett, sok rádió adás be jött gond nélkül.
Azért csodálkoztam, mert a talp szigetelése jó volt, és ha alol a gumi pakolás mégis be engedte volna a vizet, az hogy folyhat felfele a panel irányába? Minden esetre típus hiba lehet, mert szerelő barátom már tucatnál több ilyen módosítást csinált sikeresen, nekem is ő tanácsolta, hogyan orvosolhatom.
A csipesz teszt megmutatja, jó e a rádió. Ha feléled haladjunk előre. oszán majd kiderül.
Szia. Már 40 éve ezért adtak víztaszító krémet a tetőantenna beszereléséhez. Volt hogy a régiantenna furatja körbe volt rohadava.
Lehet félreérthető voltam, nem arról van szó, hogy nem fog a rádió adókat.
Az a problémám, hogy nagyon sok helyen szinte semmi nem jön be, ahol szerintem azért valamit csak kéne fognia. Budapesten sok adó jön, egész a határig, Ürömnél már elhal, recseg, keresgél, élvezhetetlen. Gyári Blaupunkt volt benne, az is ilyen volt és a hangja is vacak volt, most egy JVC van benne, ez legalább jól szól, de a rádió itt is gyenge. Nem mondom, hogy biztos el van romolva, csak szerintem ennél sokkal jobb vételű autók voltak már nálam. Kiszedem majd az antenna talpat, ha nem lesz ilyen nagyon hideg. Le volt törve egyébként a forgó golyós része, mert belekorrodált a réz menetes csap az alu antenna talpba. De ez csak annyi volt, hogy egy réz csavart tettem bele és ráforrasztottam a panel vezetékét, de szerintem azt nem lehetett kivenni belőle, pontosan azért, mert alulról le volt zárva, ha jól emlékszem. |
Bejelentkezés
Hirdetés |














