Fórum témák
» Több friss téma |
Fórum » Autós erősítős kérdések, problémák
Témaindító: Thomas10100, idő: Dec 28, 2005
Témakörök:
Köszi a méréseket.
A segéd tápfeszültségek is rendben megvannak a +-15V? Q215/214 páros nem melegszik? Erősitő kimeneti pontja bemenet rövidrezárása esetén közel 0V (10-20mv)?
Melyik pozitiv tápfeszhez mérted ezt ?
A +-57 vagy a +-15V-hoz képest ?
Újra mértem a 57volt pozitivhoz.
Mindkétt ellenálláson a tápfesz mérhető. 56-57volt ingadozással.
15volt pluszhozz képest.
R237 egyik ág 15.2 volt másik 12.9volt R242 egyik ág 13.32 másik 14.35 volt
15volt pluszhozz képest.
R237 egyik ág 15.2 volt másik 12.9volt R242 egyik ág 13.32 másik 14.35 volt. Holnap végig nézem a tranyókat egyesével a végfokba. Ma már nem folytatom tovább. Köszönöm a segítséget ha nem gond zaklatlak még majd vele. Az a baj hogy gyorsan kell mérnem mert nagyon melegszenek a tranyók,szerinted ha erre a kettőre raknák hűtést akkor tovább tudnák mérni vagy ez hülyeség?
Sziasztok
Kimértem pár tranzisztor ezek mind jók voltak. Q222-227-214-215-212-213-211-210-209-216-223-224-225-226-227-217-218-219-220-221-222.
Sziasztok!
Kész lett az erősitő úgy hogy köszönök mindent föleg Latyakosa nevű kedves felhasználonak.
Sziasztok!
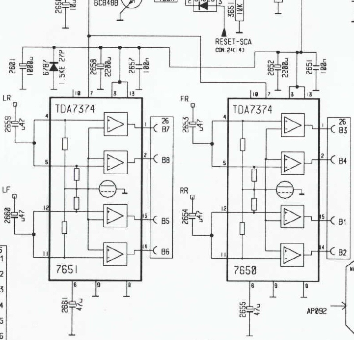
Tanácsot szeretnék kérni és először valószínűleg nem a megfelelő topikban tettem fel a kérdésem, mert ott nem kaptam választ. Most akadtam rá erre a topikra, megpróbálom itt is, elnézést kérek a duplázásért. Az autóm hangrendszerével olyan jelenséget tapasztalok, hogy ha felhangosítom a zenét annyira, hogy fülre még éppen nem torzít, akkor kb. 2 percig tökéletesen szól, majd 2 perc elteltével elkezdenek recsegni a hangszórók. Olyasmi recsegést halok, mintha kontakthibás lenne valahol valami. De nem hiszem, hogy fizikai meghibásodás lenne, mert a jelenség hideg rendszerrel bármikor ismételhető. Az rádióm egy gyári fejegység, Philips 22DC982-es típus, a végfok IC-k TDA 7374. Gyári adatlap szerint a rádió 4x16 W-ot tud. Csatoltam a végfok rajzát is. Szerintetek ez az IC okozhatja a recsegést, ha kicsit túl van vezérelve és bemelegszik? Esetleg lehet az a gond, hogy a hangszóróim sokkal nagyobb terhelhetőségűek? Most olvasgattam épp a témában, hogy ez is lehet gond a DC összetevő miatt. Az első hangszórók terhelhetősége adatlap szerint 140W/70W (max/RMS, 4Ω, Phonocar Pro-Tech 2/644 típus), a hátsók terhelhetősége pedig 120W/40W (max/RMS, 4Ω, Coral Daytona DLC 165 típus). Tudnátok tanácsot adni, hogy mi lehet a recsegés oka? Szerintetek érdemes lenne egy nagyobb teljesítményű külső erősítőt beiktatnom ebbe a rendszerbe?
A nagyobb teljesítményű hangszórótól nincs hibásodás,csak a kisebbtől. Valószínűleg nagyon melegszik a végfok ic ezért kezd el szólni rosszul.nekem is csinálta,szétszedtem újra pasztáztam és elmúlt a hiba.Vagyis kicsit átalakítottam az ic lefogatását mert át láttam a borda és az ic közt Csak egy lemezke szorította a helyére de rosszul.Kapott 2db csavart és tökély lett.
Köszönöm a választ!
Én nem vagyok nagyon otthon az erősítők terén, de a napokban sokat keresgéltem a témában és több helyen is az van leírva, hogy a gyengébb erősítő igenis okozhat gondot, az erősítő inkább legyen nagyobb teljesítményű, mint a hangszórók terhelhetősége. Pl. itt is van egy autóhifis leírás a témáról elég részletes magyarázattal: Vajon mitől füstölt el a hangszóród? Most akkor mi az igazság? Lehet nálam is ez a gond? Érdemes lenne betennem egy nagyobb erősítőt a fejegység után? Főleg ha kicsit komolyabb hangerőt szeretnék? Amúgy a fejegységemet nemrég szerelgettem, a fenti végfok IC-k, nem külön hűtőbordára, hanem közvetlenül a vastag fémház oldalsó részére vannak felcsavarozva, a csavarkötés stabil, nincs kilazulva és az a fémdoboz igen masszív hőt el tud vezetni, tekintve, hogy 2 DIN-es a fejegység, plusz még benne gyárilag egy hűtőventillátor is, amit automatikusan bekapcsol a vezérlése szükség esetén.
erősítő inkább legyen nagyobb teljesítményű, mint a hangszórók terhelhetősége.[quote][/quote]
Na ez igy baromság.A hangsugárzónak mindig nagyobb teljesítményűnek kell lennie mint az őt meghajtó eszköz.Bármi is az.Gondold el van egy 20w rádiód amivel hajtasz egy 10w hangszórót.Meddig fogja birni? Az ellenállását kell nézni 8 ohm -os kimenetre nem kötünk 4 ohmos hangszórót vagy nem kötözgetünk csak találomra sorosan-párhuzamosan,mert annak füst a vége.Az autós rendszernél a 4ohm az általános,ott csak rosszul lehet kötni.
> Gondold el van egy 20w rádiód amivel hajtasz egy 10w hangszórót.Meddig fogja birni?
Egész életemben én is meg voltam erről győzödve, ezért is olvasgattam most megdöbbenve ezeket az információkat. Amiket olvastam, azok szerint a hangszórók általában jobban bírják az ilyen esetben az zenei túlterhelést, - meg te is jobban észreveszed a torzítást a füleddel és nem tekered fel annyira - mint a gyengébb és túlvezérelt erősítőből származó folyamatos DC terhelést. Szóval most már nem tudom, hol az igazság. Amit írtál az impedanciákról, az nálam nem okozhat gondot. A végfokom mind a négy csatornája egyenként 4 Ω terhelhetőségű, az autó gyári hangszórói is 4 Ω-osak voltak és a mostani hangszórók is mind 4 Ω-osak. Egy csatornán egy hangszóró van, nincs semmi párhuzamosan vagy sorosan kötve. A hozzászólás módosítva: Júl 1, 2019
Szia!
A jelenség határozottan a végfok IC túlmelegedésére utal. Legyen hővezető paszta a hűtőzászló alatt, legyen működőképes a ventilátor és légy abban a szerencsés helyzetben, hogy a beszerelt készülék jól szellőző helyet kapott.
Köszönöm a válaszod!
![]() Akkor most már értem, hogy a túl magas hőmérséklet a gond. Gyári 2DIN-es fejegységről van szó, de kidobtam belőle a CD modult és fejlesztettem helyette bele egy kis kártyaszámítógép alapú zenelejátszót. Egy Orangi Pi lapka került bele, ami azért melegszik rendesen működés közben. Tettem a hátuljára még egy második ventillátort is, de ezek szerint az is kevés, hogy a keletkező extra hőt elvezesse. Azért is volt érdekes a dolog, mert eddig nem tapasztaltam ezt a recsegést, mielőtt beszereltem volna az új modult. De akkor így már értem miért recsecsett. Időközben eldöntöttem, hogy szerelek be egy kicsit nagyobb teljesítményű külső erősítőt, így a fejegység végfokának nem kell majd erőlködnie, remélem így nem lesz már gond a recsegéssel meg a melegedéssel sem.
Sziasztok!
Meg tudnátok mondani, hogy a tápvezetékre milyen reagálási sebességű biztosíték kell rögtön az akkusaru utánra? Gyors, ultragyors, vagy késleltetett? Erről sehol nem találok infót. A erősítő beszerelési leírásában is csak a kiolvadási áramérték van megadva, a sebességről nem írnak semmit.
Szia! Használj normál biztosítékot. A kiolvadási árama legyen egy fokozattal nagyobb mint az erősítő biztosítéka. A feladata, tápkábel testzárlat esetén védi a járművet a kigyulladástól.
Szerk.: ha van 1 Farádos kondi az erősítő előtt, ne ezen a biztosítékon keresztül kezd el feltölteni. A hozzászólás módosítva: Júl 16, 2019
Kondi nincs, egy picike D osztályú erősítőről van szó (4x45 W RMS).
Nézegetem a biztosítékokat, de nem ismerem a felhasználási kategóriákat. Akkor a gG-gL jelölésű jó lenne szerinted? Az erősítő beszerelési útmutatója egyértelműen 15 A-est ajánl a tápvezetékre. Ezt néztem ki, szerinted akkor ez jó lesz? Pontosan 15 A-est nehezen találni ebben a kivitelben. gG-gL 16 A 500V HRC GENERAL LINE A hozzászólás módosítva: Júl 16, 2019
Az autós erősítők késes biztosítékot használnak, az akksi után sem tennék ettől eltérőt Bővebben: Link
Ahogy nézegettem autóhifis leírásokat, a hengeres, 10x38mm-es biztosíték is nagyon elterjedt az akku utánra. Ezért ilyen foglalatot vettem, mint a képen, aranyozott csatlakozókkal, vízálló lengőaljzat.
És már be is van szerelve az autóba, ezen már nem szeretnék változtatni, ebbe keresek megfelelő biztosítékot. Csak az autóhifis üzletekben pontosan 15 A-est nem találtam (csak 10 A vagy 20 A-est), ezért kezdtem el keresgélni az ipari 10x38 mm-esek között nézelődni, ott már van 16 A-es. Szóval szerinted a fentebb linkelt gG-gL példány szerinted jó lenne nekem? A hozzászólás módosítva: Júl 16, 2019
Ne kezdj el mókolni mert tűz lesz belőle. Ha azt a foglalatot vetted (nagyon helyesen mert az illik a kábelra) akkor abba való biztosítékot vegyél. Ha nem abba valót veszel nem fog tökéletesen illeszkedni a foglalat összetekerése után, és gondok lesznek belőle, találkoztam már ilyennel, utólag hézagolták ki mert nem passzolt.
A kioldási sebesség meg kb. lényegtelen, szerintem ide nem is gyártanak csak 1 félét, nem létezik lassú meg gyors mert minek. A gyorssal egyébként is gond lenne ha nincs túlméretezve mert egy izmosabb basszusnál akár ki is olvadna.
Ez már inkább esztétikai, mint műszaki kérdés. Az értéke lehet 20 A.
Erre nem is gondoltam, akkor jól értem, hogy az ipari, kerámia testű hengeres biztosítékok nem illeszkednek tökéletesen az autóhifis foglalatba, hiába 10x38 mm adatlap szerint mindkettőnek a mérete?
![]() Szóval akkor mindenképp muszáj az autóhifis üvegbiztosítékoknál maradnom?
Ha jól emlékszem úgy valahogy. Ahol a foglalatot vetted ott kellett volna venni a bele való biztosítékot is, eleve nem is úgy néz ki mint a porcelán amit linkeltél. Az enyémben ilyen kivitelű van, és a biztosíték maga is aranyozott.
Először én is erre gondoltam, de kicsit tartok a 20 A-től.
Azért, mert a akksitól az erősítőig 10 mm2-es profi autóhifi tápkábelt vittem be. Viszont az erősítőnek sajnos nem sorkapcsos a tápcsatlakozója, hanem egy 20 tűs speciális aljzat két lába van gyárilag krimpelt vezetékekkel kivezetve tápbemenetnek, ezek a gyári vezetékek pedig 16 AWG-sek (azaz 1,31 mm2). Muszáj ezeket használnom, így az erősítő előtt a 10-es tápvezetéket le kellett szűkítenem az 1,3-asra. Ez a rövidke, vékony vezeték miatt nem akartam a 15 A helyett 20 A-est tenni az akksihoz. Szerinted a fentiek ismeretében is bátran tehetek 20 A-est, vagy jobb megmaradni a gyártó által javasolt 15 A-nél? Jobban megnézve a beszerelési leírást, ezt írja a gyártó: The protective fuse should be the same capacity as the unit's fuse capacity (15 A) or somewhat larger. Akkor a 20 A még belefér a valamivel nagyobb kifejezésbe? Nem veszélyesen sok az a 16 AWG vezetékre nézve? Elvileg ők tudják jól, hogy milyen vékony tápkábelt adnak hozzá, mégis megengednek valamivel nagyobb biztosítékot. Amúgy az erősítőm Kenwood KAC-M1814 típusú. A hozzászólás módosítva: Júl 16, 2019
Ahol vettem a foglalatot és a kábeleket, ott 30 A-es volt a legkisebb biztosíték.
Láttam, hogy máshol lehet 20 A-eset is kapni. Kérdés, hogy a 20 A-es nekem az mennyire lenne biztonságos, lásd e fentebbi hozzászólásomban a 16 AWG-s tápkábel kérdését.
A biztosíték leginkább azt védi ami előtte van, azaz a gépjármű elektromos hálózatát illetve az akkut, és nem az erősítőt. Az erősítőben ha zárlat lesz, akkor teljesen mindegy hogy a 15 vagy a 20A-es biztosíték fog kiolvadni, mert abban akkor már nagyobb kár nem lesz, a kábel pedig ki fogja bírni azt az 5A többletet addig a fél másodpercig míg ki nem olvad a biztosíték.
Szóval nem az erősítőt véded vele hanem az akkut egy esetleges zárlat ellen. Az erősítőben áramkorlát kellene hogy legyen (a jobbakban van is), meg kimeneti feszültség figyelés, ami végfok hiba esetén tiltja a tápjának a működését.
Az erősítőról látott képek/videók szerint van egy 15A késes biztosítékja az erősítőnek, közvetlen a betáp sorkapocs mellett. A teljesítmény tekintetében azonban a 4x45w meg a 400W felirat a terméken nem tűnik hihetőnek..
Nagyon köszönöm a részletes magyarázatot, ez segít megértenem a biztosíték méretezés alapjait.
Igazából én attól tartok - józan paraszti ész szerint logikázva - hogy mi történne akkor, ha pl. egy ütközés során letestelődik a 16 AWG-s tápvezeték. Mert ő ugye a leggyengébb láncszem. Előfordulhat esetleg olyan helyzet, hogy a vékony 16 AWG-s vezeték felforrósodik, felízzik, kigyújtva az autót, mert a 20 A-as biztosíték túl van méretezve hozzá képest és későn old le? Van alapja a fenti félelmemnek, vagy ez hülyeség és nyugodtan tehetek 20 A-est? A hozzászólás módosítva: Júl 16, 2019
Így igaz, tényleg van egy 15 A-es késes biztosíték az erősítőn.
A kérdésem a gépjármű akkumulátor saruja után közvetlenül, a tápvezetéken elhelyezett biztosíték méretezésére irányul. Erre írja a gyártó, hogy ez is 15 A legyen, vagy kicsit több. A 400 W az a maximális végteljesítmény, egyértelmű marketingszöveg. De a 4x45 W szerintem már hihetőnek tűnik. Vagy a Kenwood hazudna ezekben az adatokban? Ez azért csak nem egy utolsó kínai sufnimárka. |
Bejelentkezés
Hirdetés |









