Fórum témák
» Több friss téma |
Amikor réges rég elkezdtük , ezt után építgetni , akkor még a különböző árusító helyeken nem lehetett semmilyen formában megvenni.Se kit , és sem pedig kész áramkörként.Igy maradt az alkatrészek beszerzése, és ezek után a megépítés.
Azért írom ezt , így le , mert sokszor találkozunk mostanában olyan emberekkel , akik , így megrendelik ezt a tesztert .Viszont , ha bármi probléma adódik , akkor már megáll a tudomány.Ha pedig ki ki saját magának megépíti , és végig megy azokon a kis buktatóknak nevezett nehézségeken , ami ezen áramkör elkészüléséhez szükséges , akkor hiba esetén saját maga is meg tudja majd javítani.És ebbe bele tartozik a programozástól kezdve , a beállítás , vagy a pontosság hogyan , és mikéntje stb. És ha már ott tartunk , akkor kiegészíteném azzal is , hogy lehet vele mérni hőfokot , vagy páratartalmat , vagy lument /fényerősséget/ , és még lehetne sorolni.Ez megint olyan , hogy ki mit tud kihozni belőle.Tehát kreativitás , és leleményesség kérdése. A hozzászólás módosítva: Nov 22, 2017
Sőt a Markus félével lehet optocsatolót, és infra távirányítót is tesztelni. Kiírja a távirányító kódjait mit ad ki, stb. A PWM jelet több frekvencián is ki tud adni.
Az alkatrészeken kívül sosem használtam másra. Induktivitásmérőm van ettől sokkal jobb (ráadásul az általam használt tartományban ez nem is mér jól), funkciógenerátorom szintén, ESR mérőm is és még sorolhatnám. Értem én hogy sok mindent tud, de minek, ha egyikben sem igazán jó... Persze akinek nincs más csak ez, annak jó szolgálatot tehet.
Be lehet azért lőni ezt is , hogy pontosan mérjen.De ha csak azt nézzük , hogy egy ilyen teszterben mennyiféle mondjuk , hogy megy nem megy tesztelési lehetőség van , és egyben , akkor már azért jó , ha van egy ilyen.Persze lehet szert tenni sokkal komolyabb , és pontosabb mérő alkalmatosságokra , de azoknak az ár tartománya is más .És ha minden alkatrészhez kell egy műszer , akkor tele lenne a ház műszerekkel.Nekem is van sokféle műszerem, de ha hirtelen csak annyi kell , hogy jó , vagy nem jó , akkor pont megfelel.És hát lehet kimélni a drágább műszereket vele .Inkább ez menjen esetlegesen tönkre napi használat során , vagy amortizálódjon le , mint egy jóval drágább műszer.
Szia!
Én is megépítettem ezt a tesztert, kiegészítve frekimérővel 800MHz-ig, és akkuval, akku töltővel. De a lényeg amit ki szeretnék emelni, hogy csupán a tizedszázalékos ellenállások beszerzése a duplájába került, mint a kínai teszter. Kíváncs lennék , hogy Kínában vették-e a fáradságot, no meg a bukszát a pontosság kedvéért.
Helló.
Én a mérőkört 1% ellenállásokkal csináltam, viszont egyformára válogattam a 470K, és a 680Ohmos ellenállásokat. Különben meg erre van a kalibráció, ami a méréskor korrigálja a mért eredményt. A 2,5 V-os referencia feszültséget pedig nagyon pontos LM4040 IC állítja elő
Az enyémben fekete színűek az ellenállások!
Nekem nem voltak ilyen céljaim, a 76 fillérbe kerülő 1%-os SMD ellenállásokkal is beértem. Az enyém csak így néz ki, a fontos az volt hogy hordozható legyen, így van benne 2 konverter, az egyik a tápfeszt csinálja neki (vagy az LC mérőnek) a másik meg a 28V-ot a zénerek méréséhez. Az akku meg 1db lion cella.
Arra nagyon jó, hogy bontott alkatrészek esetén szét tudjam válogatni a jót és a rosszat, mert nem mindig sikerül azonnal kidobni, így néha belekeveredik (műveleti erősítő teszterem is van, azzal fél napig csak műveleti erősítőket válogattam). ![]() Diódákhoz is nagyon jó, mert nem kell a drága műszer forgókapcsolóját szétkoptatni, hanem csak ezt bekapcsolni. Én annyit szenvedtem vele annak idején hogy egyáltalán belekerüljön a program az AVR-be (mivel helytelen beállítást adott meg akit megkérdeztem), hogy már ott tartottam hogy kihajítom. És árban is több volt, mintha megvettem volna az ebay-ről. A kínai biztos nem tesz bele tizedszázalékos ellenállást, és ha jól emlékszem teljesen felesleges is, azért van a szoftveres kalibráció hogy utána pontos legyen, már amennyire ez pontos tud lenni. Mert ha jól emlékszem egy 7,5 ohmra vagy 7 vagy 8 ohmot fog kiírni, bár ellenállást már hónapok óta nem mértem vele...
Volt már egy korábbi változatom, 2016-os verzió Mega328 procival. Gyakorlatilag az alkatrészek 98%-át jól felismeri, azonban z ellenállások, kondik és (gondolom) az induktivitások mérésénél kb. 5%-os eltéréseket mutat. Ezt okozhatja a TL431 referencia 2%-os "pontatlansága" és az 1%-os ellenállások. Viszont mivel SMD változat, ezért nem szívesen állok neki az alkatrészeket cserélni. Ezért is rendeltem egy 2017-es változatot, EZT. Első körben a 470k és 680R ellenállásokat cserélem ki beforrasztás előtt, valamint a TL431 helyett LT1009 0,2%-os referenciát használok majd. Igaz ez jelentősen megnöveli a berendezés árát, azonban remélem a pontosságát is!
És még annyit, hogy mivel 0,1%-os tűréssel nem találtam 680R és 470k ellenállást, ezért 681R ellenállást és 953k - 931k párhuzamosan kötött ellenállásokat használok. Így az osztásarány eltérése 0,08% !
Csak kibicként beleböfögve, ha van kalibrálás akkor nincs sok értelme a tized százalék hajhászásnak, ha meg nincs, akkor is felmerül a mikrovezérlővel megvalósítható és reprodukálható pontosság kérdése...
Köszi! Ez hasznos info. Én HEStore-on és Farnell-nél kerestem.
Nekem is hasonló jutott eszembe. Ez egy teszter, nem multiméter. Megmondja, hogy mi az az alkatrész és kb. mi az értéke.
Szia!
Annál egy kicsit azért többet tud (és nem csak azért, mert az újabb verziók már feszültséget és frekvenciát is mérnek). Méri a kapcsokon megjelenő elektromos mennyiségeket és a memóriába tápláltak szerint abból kiválasztja a mért eszköz "fajtáját". Viszont pl. ellenállás, kondenzátor, induktivitás esetén konkrét jellemzőket mér (átfolyó áram, töltés idő, stb). És persze, van önkalibráció (utalva dokidoki hozzászólására), de az is csak valamihez képest működhet! Az elképzelhető, hogy a 470k - 680R páros arányát kompenzálni tudja az elméleti érték szerint, de az szerintem nem mindegy, hogy a 2,5V-os referencia 0,2%-ot, vagy 2%-ot szór. És akkor a stabilitásáról még nem beszéltem. Mindenesetre miután összeraktam a kapcsolást, meglátom hogy megérte-e a rááldozott pénzt. A hozzászólás módosítva: Dec 18, 2017
Sziasztok!
Egy kérdésem lenne csak. A megépített teszterem miért írja ki amikor bekapcsolom, hogy "CELL!"? Mega328. köszi
const unsigned char Ube_str[] MEM_TEXT = "Ube=";
const unsigned char Uf_str[] MEM_TEXT = "Uf="; const unsigned char vt_str[] MEM_TEXT = " Vt="; const unsigned char Vgs_str[] MEM_TEXT = "@Vg="; const unsigned char CapZeich[] MEM_TEXT = {LCD_CHAR_LINE1,LCD_CHAR_CAP,LCD_CHAR_LINE1,0}; const unsigned char Cell_str[] MEM_TEXT = "Cell!"; const unsigned char VCC_str[] MEM_TEXT = "VCC="; Ezt kellene értelmezni, hogy miért írja ki!
Mert meghajtás nélkül feszültséget mér két mérőpont között. Nemkívánatos összeköttetés a mérőpontok vezetékei és más vezetékek között.
Szia,
egy kicsit bővíteném Hp41C fórumtársunk hozzászólását, ami egyébként helytálló. Csak a jobb megértés végett ... Mikor és miért írja ki a "CELL" üzenetet? Kondenzátor méréskor tudnia kell, hogy milyen mV érték az, ahonnan a kondenzátor "kisütöttnek" illetve üresnek tekinthető, arra az esetre ha a kisülés nemes egyszerűséggel valami miatt nem fejeződik be. Ebben az esetben jelenik meg egy bizonyos idő után a "CELL!" üzenet. A program fordításánál CAP_EMPTY_LEVEL opció értékével állíthatjuk be, hogy hány mV-nál tekintjük a mért kondenzátort "üresnek". Ez az érték nagyobbra állítható mint 3mV. A példa kedvéért: CFLAGS += -DCAP_EMPTY_LEVEL=3 Itt 3mV a megadott érték. A Te esetedben viszont nem mértél SEMMIT! Vagyis egyértelmű, hogy valahol valamilyen "szivárgás" van, amit feltétlenül meg kell szüntetni. Azt hiszem így érthető, hogy a különböző opciók értékének meggondolatlan változtatásával egyszerűen a hardware hibákat elfedhetjük. Tehát csak vigyázva. Viszont ha értjük a működést és a különböző eljárás módokat a mérésekkor, akkor valóban nagyon komoly támpontokat kaphatunk a hiba keresésnél.
Köszönöm szépen. Ez így sokkal érthetőbb, és tényleg ha értjük a működést máris tudjuk, hol mit kell keresni, hála neked.
A panel teljesen új (saját készítés) és a gyantát is alaposan lemostam róla, a vezetékek esetleges rövidzárlatát is ellenőriztem. Egy valami lehet még, hogy az IC tok amit a mega328-nak betettem az nem volt új, és ott lehet valami szivárgás.(holnap megnézem) Vagy elpusztult a mega. Köszi még egyszer. Ui.: Hp41C válaszát is értettem, de egy kis magyarázat jól esett.
Nálam is jelentkezett ilyen probléma. A panelen lévő gyanta okozta. Nálad esetleg befolyhatott a tok alá.
Ha sokáig melegítetted forrasztás közben az ic tok lábait, akkor feltehetően kissé meg is olvadt .Amit nem feltétlenül fogsz látni.Viszont méréssel már mindjárt elő is fog jönni, hogy ahol nem kellene ott vezetni is fog még ic nélkül is.Pláne, hogy ha mega ohm ba mérsz.Viszont ezzel az átvezetéssel már az atmega hibásan fog működni.
Az Aref szűrőkondenzátora is képes a feszültségmérés eredményét elrontani. Még jól emlékszem rá...
Üdv! Felirat nélküli smd alkatrész tesztelése ezt mutatja. Kérdésem használható-e és mi lehet a szerepe egy áramkörben?
A hozzászólás módosítva: Jan 3, 2018
Remélem is , hogy jól emlékszel rá.Az ilyen jellegű dolgok beégnek az ember memóriájába, azt mondják.
Sokat segítene például az, hogy miben volt ez az alkatrész.
Gyártósori (szemét). Beültetéskor kihullott alkatrészek gyűjteménye takarításkor ( új alkatrész amit már nem vagy csak kézi forrasztással hasznosíthatnak).
Sziasztok!
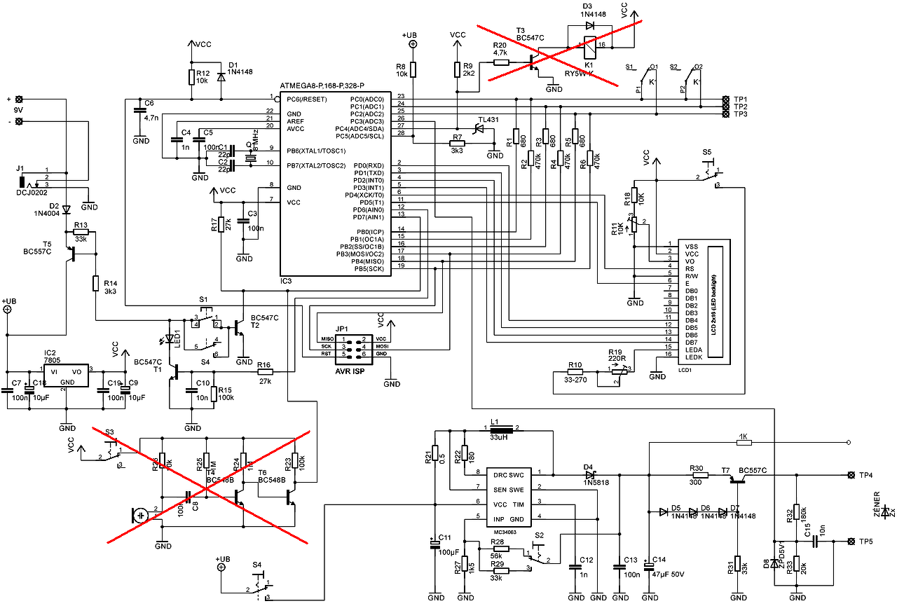
Lemostam az IC foglalatot egész pontosan lefürdettem, de sajnos nincs változás. Ezt a kapcsolást készítettem el, és ezt a nyákot készítettem hozzá. Beteszek egy rövid videót, hogy pontosan mi történik. video Kérlek bennetek, hogy segítsetek még egy kicsit. Köszi
Az ok, hogy gyártósori szemét , de valamibe csak belerakják.
Egy "digitális"tranzisztorral (a bázis ellenállás is a tokban van, esetleg még a bázis és az emitter között is van belül ellenállás) gondjai lehetnek a műszernek.
|
Bejelentkezés
Hirdetés |













