Fórum témák
» Több friss téma |
WinAVR / GCC alapszabályok: 1. Ha ISR-ben használsz globális változót, az legyen "volatile" 2. Soha ne érjen véget a main() függvény 3. UART/USART hibák 99,9% a rossz órajel miatt van 4. Kerüld el a -O0 optimalizációs beállítást minden áron 5. Ha nem jó a _delay időzítése, akkor túllépted a 65ms-et, vagy rossz az optimalizációs beállítás 6. Ha a PORTC-n nem működik valami, kapcsold ki a JTAG-et Bővebben: AVR-libc FAQ
Én meg lebeszélnélek az USBASP-ről. Akkor inkább AVR-Doper vagy AVRISP-mkII.
Hát igen.........már megrendeltem. Mindegy az elején jó még ez. Amúgy se egy nagy összeg.
Az isp azt jelenti, hogy in system programmer. Minden korszerű AVR programozó tehát ISP. Amit linkeltél az usbasp, ami persze egy isp.
Na akkor jó a makefileom? Egyébként kösz.
Köszi!
Sziasztok!
Adott EZ a hőmérő kapcsolás. Szeretném felprogramozni a procit, de nem tudom mit hogyan állítsak be az AVR Studioban. Ha belső oszcillátort használna akkor nem lenne semmi gondom, de mivel külső oszcillátora van nem tudom mit hogyan csináljak az AVR studioban. Előre is köszi a segítséget!
Üdv!
Nem tudnátok olyan AVR-t, ami képes futtatni egy 16-bites DOS-t? Előre is köszi!
Milyen háttértárról?
Hogyan pakoljam be a min. 128k memóriaigényt a 64k-s AVR-be? (SRAM kicsi....)
Avr-eknek ilyen programozási nyelvei vannak? Kezdők számára mi a legegyszerűbb? melyik a legjobb? Gondolom a C mert mindenhol az van. Valami anyagot tudnátok linkelni nekem ami avr-ek terén kezdő de az elektróban és számtechben jártas személy számára jó lenne? Célszerűbb lenne egy olyan nyelvet tanulnom ami jó a mikrovezérlőkhöz meg az egyszerűbb pc-s progikhoz is, mert később azzal is foglalkoznék.
Üdv mindenkinek!
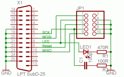
A Csatolt fileban lévő avr programozó esetében a programozandó chip lábait hozzá kell forrasztgatni az ábrán a jp1 nevű tüskesor lábaihoz? (persze mindet a megfelelő helyre,reset a resethez,stb...) Tehát a kérdésem az lenne,hogyha megépítem ezt a programozót,akkor azt hogyan kell a programozandó avr chiphez csatlakoztatni. Köszönöm a választ
Én inkább a C-t javaslom. Ehhez egy feltelepített AVR Studio 4.19 elegendő.
Sokkal kulturáltabb és egyszerűbb mint pl. Bascom, persze kinek a pap, kinek a papné.
Az AVR lábához nem szokás semmit sem forrasztani, használj IC-foglalatot és azt forrasztgasd!
Nagyon sok bosszúságtól óv meg, különösen amiért kezdőként könnyű elrontani a bekötést vagy az IC-ket...
Már akkor úgy érted hogy a chipet belerakom az ic foglalatba,és az ic lábait kezdem el forrasztgatni?
Tehát akkor a jp1 tüskesor tüskéi és az ic foglalat lábai közöt kell kapcsolatot teremteni. köszönöm a választ
SD-kátyáról bootolhatna a rendszer (egyébként meg csak feltevés)
Mivel kezdjek cikksorozat...
Ami mikrokontroller+PC-n van, párbarakva (uC - PC) Bascom/FastAVR/micropbasic - Visual Basic/LibertyBasic/Purebasic micropascal - Delphi/Pascal C - Gcc/C Arduino - Processing "Kinek a pap, kinek a papké, kinek a ministránsfiú, kinek paplan..... "
A kérdés azt akarta sugallni, hogy esélytelen...
![]() Ha a filerendszert akarod elérni a SDkártyán: FAT driverek (Bascom: KokkeFat/AVR-Dos ; C/Arduino uFAT)...
Szerintem esélytelen!
Nem az a baj hogy a DOS-t x86-ra írták, hanem az, ami az x86 procit körülveszi, illetve AVR-nél nincs meg. Egy csomó dolog van már az alap PC-ben is amit a DOS-os progik aktívan használnak, megkerülve a DOS-t is! Gondolok én a rendszeridőzítőre, megszakításrendszerre, egy AVR-hez lehetetlen vállalkozás illeszteni. A DOS pedig nem csak egy futtatókörnyezetből áll, hanem kezeli a fájlrendszert és pár dolgot. A lényeg a BIOS-ban és a szabványos port/memóriacímeken elérhető hardverelemekben található... Maga a DOS futtatókörnyezet biztosan nem fog menni! Ha csak a fájlrendszer elérése a cél, pl. SD-kártya és FAT32, ahhoz találsz csomó mintapéldát, könyvtárat.
Nem jó az úgy csinálj egy adaptert , és sokkal esztétikusabb is lesz.Nem beszélve arról , hogy az smd változatnál már nem olyan könnyű csak úgy forrasztgatni lábakra vezetékeket meg "tüske sort",és csúnya is.Szóval adaptert csinálj. IC foglalat , nyák "tüske sor", és kész :persze lehet még rá tervezni kvarc , és egyéb kiegészítő alkatrészeket ha programozáskor adódna valami kellemetlenség . Nem hiszem , hogy nagy feladat ez, és hamar is meg van .Elteszed bármikor felhasználható.
Adaptert nem célszerű mert hamar meg lehet unni az IC-k rakosgatását. Talán nem azért van az ISP,
hogy az IC kiszedése nélkül lehessen programozni? Egy kezdőnél meg pláne! Csak egy dologra kell ügyelni: a programozólábak ne legyenek terhelve!
Igazad lenne abban az esetben , amit írtál is hogy nem kezdő, de ő az méghozzá nagyon is , és a programozó amit csinálni akar , vagy már meg is csinálta nem alkalmas in circuit programozásra.És egyébként én speciel jobban szeretem cél hardver nélkül külön beprogramozni amit be kel.
Lehet foglalatozni, mint anno az EEPROMok esetén. De az AVR-ekhez van az un ISP felület (In System Programming). Ennek segítségével a _céláramkörben_ lehet programozni.
Néhány szabályt azonban be kell tartani: - az ISP lábakon (Mosi/Miso/sck) ne legyen sem aktív meghajtás (azaz kimenetként használd a főprogramban) - a reset lábon a felhúzóellenállás 2k2...10 k legyen (ne direkt összekötve a táppal vagy lebegve hagyva) - reset lábon 100nF kerámiakondi a GND fele (vagy elhagyható) - a programozó tápfeszültsége (jelfeszültsége) azonos legyen az AVRrel (3V esetén 3V; 5V esetén 5V) - ISP10 és ISP 10 a szabványos kivezetés. Barkács, összevissza megoldással a későbbiekre magaddal tolsz ki. Ha külső foglalatba rakod, akkor is ezek a szabályok élnek ![]() Fontos2: ha az AVR külső kvarcot kap, akkor a programozóhelyeden is legyen ilyen! Ha külső órajelre/kvarcra állítod, akkor az IC tetszhalottá válik látszólag órajel hiányában! Prsze vannak még finomságok. De kezdőként ha ezeket az "ökölszabályokat" betartod, nem lesz gond. Fontos!: atmega128 család esetén a MOSI/MISO helyett PDI/PDO lábak vannak!
Ha már ISP6. Hol lehet ilyen aljzatot és dugót kapni, minél olcsóbban? Ebay-t vallatva alig találtam valamit, azt is drágán.
Szalagkábel dugóval tudok szolgálni, ha kell pár darab keress privátba. Ha több kell akkor adok címet.
Én sem olyan olcsón vettem, de elnézve a webáruházakat, 3-szoros különbség is volt...
Kreativitás kérdése miből csinálsz 6 os csatit .Akár lengő kábelezés is lehet csak írd rá mindegyikre mit hova majd.Persze ha szabvány után akarsz menni akkor olyat tegyél rá.
Köszi, de ugye éppen az aljzat a neccesebb, minden panelhez kell. Volt, hogy simán beraktam 2x3 tüskét, de ez nem bolondbiztos. Hestore-on 340 Ft egy jónak tűnő aljzat, egy marékra való már szép összeget tesz ki.
Na! Megjött az ihlet! Ebay-on rákerestem a "2x3 pin" kifejezésre. Szerintetek ez jó (szélesség pl.)? Pöttyet gagyi, de 100 Ft/db. Van derékszögű verzió is.
Nem kell ennyire messze menni, igaz kicsit drágább, de lehet jobb minőségű. Bővebben: Link
Figy, én a 10-es tűsort is tudom ajánlani ha drága a 6-os: a szélső tűket kihúzod! A 6p dugó ebbe is belemegy!
Ez az avr elfuttatja.
|
Bejelentkezés
Hirdetés |




(SRAM kicsi....) 






