Fórum témák
» Több friss téma |
Vennék én ilyen IC-t de nem tudom hogy ez milyen IC.
Ezen rajz esetén ha jól értem akkor ezek az alkatrészek szükségesek:
R1: http://www.hestore.hu/prod_10024400.html R2, R4: http://www.hestore.hu/prod_10024431.html R3: http://www.hestore.hu/prod_10024386.html R5: http://www.hestore.hu/prod_10024443.html Q1, Q2: http://www.hestore.hu/prod_10020801.html C1: http://www.hestore.hu/prod_10027834.html C2: ? S1: http://www.hestore.hu/prod_10022461.html A C1 amit találtam az nem 40 hanem 50V-os ez gondot jelent? Illetve a C2-t nem találtam. A rajz alapján egy ilyen LED működtethető vele? Köszönöm!
Itt egy egyszerű változat, ha mikrokontrollerrel is jó. Persze a tápfesz 5V vagy kevesebb legyen.
Köszönöm szépen!
Mind a kettőt megépítem, csak, hogy tanuljak
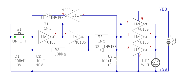
Hello! Ha már minimálprojekt - elem - egy Led, akkor inkább ezt építsd meg. Mert ennek fogyasztása kikapcsolt állapotban szinte semmi, bekapcsolva a Led kb. 15mA-t kap. Egy szem CD40106 kell hozzá. üdv!
Hello! Na ugye! "Szemre" kicsit túl fényesen világít a Led. Mérd meg az áramát. Ha túl nagy, a Led-el sorba kötött ellenállással csökkentheted. üdv!
Azt akartam írni még, hogy akkor legyen benne automatikus kikapcsolás is. No nem órákra, csak kb. másfél percre. üdv!
A hozzászólás módosítva: Aug 17, 2013
Szia,
Hogyan megoldhato az automatikus kikapcsolas? Bonyolult mondjuk 3 percre idoziteni? Koszonom!
"Hogyan megoldhato az automatikus kikapcsolas?" Magyarul: Hogyan oldható meg az automatikus kikapcsolás?" De ott van a rajz hozzászólásomban.
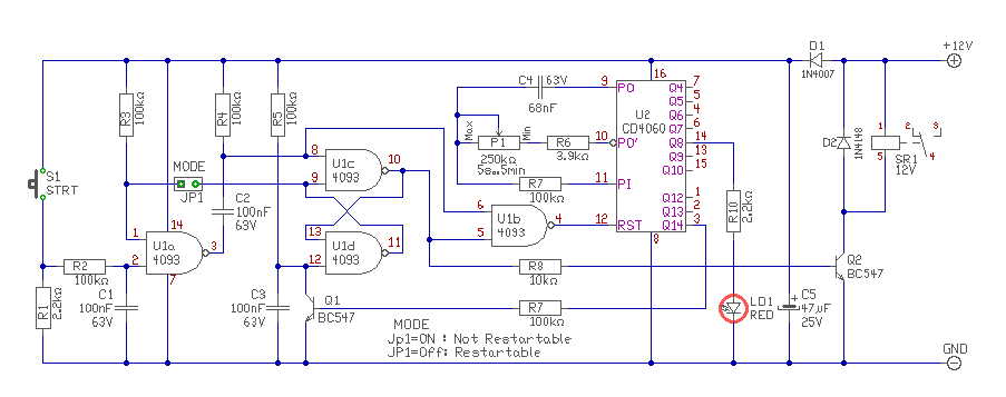
Megoldható, de általában 1 perc felett időzíteni, már nem célszerű analóg módon. (ellenállás-kondi) Mert a kondi szivárgása miatt, esetleg bizonytalan lesz az időzítés. Mármint vagy kapcsol majd, vagy nem. De az R3-at 220µF-ra cseréled, az idő hosszabb lesz. Célszerű lenne tantál elkó, de ekkora kapacitással már nem minden bokorban terem.. üdv!
Hello!Tudna-e valaki segíteni abban,hogy hogyan tudnám megvalósítani hogy egy nyomógombbal egy 6 Voltos kis izzót bekapcsoljak és világítson míg másodszor megnyomom ugyanazt a gombot,ami ekkor már kikapcsolja?
Megépitettem a ki-be kapcsolás nyomógombal,mert ehhez hasonlóra volt nagy szükségem.
Nagyon jó és megbizható ,köszi.
Sziasztok! Nekem olyan kapcsolásra lenne szükségem, hogy ha megnyomok egy mikro nyomogombot egy pillanatra akkor egy áramkör meghúz egy relét és kb. 5 másodperctôl 5 percig meghúzva maradna amit trimmerrel lehetne szabályozni. Ha lettelik a beállitott idő akkor elengedjen a relé. Egy újabb megnyomásra újra elinduljon ez a folyamat. Válaszokat előre is köszönöm.
Ennél egyszerűbb nincs!
Bővebben: Link
Hello! Nem igazán értem, ha beregisztráltok egy fórumra, miért nem olvassátok el a szabályzatot? Írva vagyon, hogy egy kérdést két helyre nem teszünk fel!
Amit írtál abban két buktató van. - Egyik, hogy általában egy trimmerrel nem lehet ekkora átfogásban állítani valamit. (De egy potival is csak akkor, ha az helikális.) Mert az átfogás amit kérsz, 1:60 arányú. Vagy is egy 100kohm-os trimmerel 1,67kohm-ot kell beállítani. Az pedig a csúszka elején-végén nem lesz stabil. De általában a gyakorlatban ekkora beállítási tartományra nincs is szükség. - A másik, hogy nem értelmezhető kellő képen az, hogy "Egy újabb megnyomásra újra elinduljon ez a folyamat." Mert nem tudni, mire gondolsz. - Ha késleltetési időn belül nyomod meg, akkor elölről induljon a késleltetés, vagy csak a késleltetés lejárta után lehessen újraindítani. Mert ahogy az 555-ös topikban is válaszolták, ez a funkció, amit szeretnél, egy monostabil multivibrátor működése. De azok között van "újraindítható" és nem újraindítható". Az 555 alapból a "nem újraindítható" kategóriába tartozik. De ezen kívül még létezik az él-vezérelt, és szint-vezérelt változat is. Vagy is mi legyen, ha az indító gomb folyamatosan nyomva van. Akkor az számítson, vagy ne számítson. Tehát ezek a variációk, léteznek. A téma nem tartozik egyébként ebbe a topikba, mert itt az egy-nyomógombos ki-be kapcsolóról van szó. A feladatod meg nem erről szól, hanem egy időzítésről. De azért válaszolok itt, mert az 555-el, nem igazán szerencsés 5 percig időzíteni. Ítt már számlálót célszerű használni, vagy mikróvezérlőt. Amit rajzoltam neked, ott választható hogy újraindítható legyen vagy sem. De élvezérelt. Vagy is csak a gomb megnyomása számít, nyomva tartása nem. üdv!
Üdv.
Megépítettem ezt a kis kapcsolást és nem működik(egyébként 1.8 as zenert sehonnan nem tudtam szrezni úgyhogy 1.6-os vagy1.4 es van benne már nem tudom).Hogy kéne átalakítani hogy ezzel is működjön?
Nem működik... Bővebben? Nem kapcsol be vagy ki?
Rákötöm kb 5 voltra és csak halványan világít a nagyfényerejű kék led(közvetlen ráraktam a kimenetre)és a gomb nyomkodására semmivel sem reagál.
Kb. pontosan 3V-ra van méretezve. Ott sem jó?
1. Mérni, ellenőrizni.
2. Aztán mérni, ellenőrizni. 3. Ha megvan a hiba,- korrigálni. 4. Tesztelés. 5. Jó? (ha igen, vége) (ha nem, ugrás az első pontra)
Nem nagyon értek hozzá ezért nem igazán tudom hogy mit kéne mérni.
Az áramkör tuti hohgy jó mert 3 szor volt megépítve.Az elsőt már szétszedtem a második megvan nincs benne hiba a harmadik is megvan szerintem az se hibás de az SMD ben van megcsinálva.
Közben megcsináltam egy másikat(itt találtam a fórumon hosszú keresés után)ez már működik szal hagyjuk a másikat.
Pontosan ilyenre van most szükségem csak 12V-os ra! Mit kellene ezen változtatni, hogy ne 2V-al működjön, hanem 12V-al és annyit is adjon ki? Köszönöm
Nagyon szépen köszönöm, kipróbálom. Így a kimentére is 12V-ot fog kiadni?
A hozzászólás módosítva: Feb 27, 2014
Sziasztok!
Parkradart (12V DC, max. 20W) tervezek beépíteni az autómba. Az első szenzorokat a gyári kapcsolóval szeretném aktiválni, illetve deaktiválni. A kapcsoló gombnyomásra negatív triggert ad. Létezik olyan relé amivel az lenne megoldható, hogy gombnyomásra bekapcsol a parkradar (folyamatos 12V-ot biztosít utána), ha mégegyszer megnyomom kikapcsol? Én egy bistabil relé alkalmazására gondolok, mint a rádiótávvezérelt lámpa felkapcsolásnál, ilyet már szereltem otthon és működik. Autóba lehet kapni ilyen relét (nagyon hőmérséklettartomány és intenzív rázkódásra méretezett változatot)? Üdv.: Tibor A hozzászólás módosítva: Ápr 4, 2014
|
Bejelentkezés
Hirdetés |















