Fórum témák
» Több friss téma |
Hali mindenkinek. szereztem 1 Beag MAG-103 névre hallgató keverő-erősítőt (az aet 453 utódja) és ennek kellene a kapcsirajza, ha valakinek megvan jónéven venném ha megosztaná velem(ünk).
estetleg ha van tapasztalat az is jóljön. Mellékelem a gyári pdf-et.( ha valakinek le lenne kopva az eleje és nemtudá mije van otthol.)
Helló
Kapcsolási rajzom nincsc hozzá , és segíteni se valószínű hogy tudok, de ha van valami baja akkor szeritnem tedd fel a kérdésed ezzel kapcsolatban és aki tud segíteni az fog is . Ez csak egy tanács mert vasárnaptól szerintem nem hiába nem szólt eddig senki.
Igazából nincs baja. de soha nem lehet tudni és szeretném magam bebiztosítani . meg jó lenne sztereóra átalakítani valahogy mert amúgy nagyon szép hang jön ki belőle
Sztereóhoz venni kell belle még egyet. Ez nem olyan kínai cucc, hogy benne van a sztereóhoz a NYÁk és csak beülteted. Meg számos ponton hozzá kéne nyúlni még (tápegység, potméterek, hátlap, előlap). Szép hang? Azért alkalomadtán hallgass meg valami normálisabb STK IC-vel szerelt végfokot, nem azért, mert az olyan jó, hanem hogy legyen mihez hasonlítani.
Sziasztok! Elég régen csend van itt. Újítgatok fel néhány BEAG erősítőtt. Gitár fej lesz. EAG110, 760C egy előerősítő, és még néhány eszközről van szó. Az APX100 témából pályáztam ide. Röviden találtam 807 es és AZ4 es csöveket, és rendeltem egy megnövelt magméretű kimenő trafót a 760C be.
Műszerpark akad. Hanggenerátor, és terhelés szkóppal rendelkezésre áll, de átvitelt tudok mérni PC segítségével 20 Khz ig. Ha valakinek van kedve erről a pár BEAG készülékről társalogni, akkor teszek ide néha képet az aktuális állapotról. Kimenőket tekerek is, toroidot is használok, de ez az utóbbi nagy anódfeszű típus, így jobban örülök a gyárinak. Anno koncerteztem 110 segítségével, így a nosztalgia a motíváció...Üdv Joe
Sziasztok!
Mintegy 20 éve még volt a MÁV-nál pld. Déli pályaudvar területén (is) 80W-os csöves mono végfok - torony. Van valakinek esetleg "elfekvőben" ilyesmi? Rajz és/vagy roncs érdekelne. Bitang jó hangjuk volt. Talán Beag APX-100? sorozat.
EA 080 a típusa annak amire gondolsz. EL34 PP és 2 db ECC83 az előfokban. Sajnos nagyon nehéz már ilyeneket találni
Sziasztok! Mi a valós különbség a Beag 057 és a 80 között? ugyan az a cső, a sasszi. Az egyik 20 Wattos a másik 100 Volton 80? Köszi a segítséget.
Igazából a típus kéne ahhoz hogy rajzot keressünk. Itt fent van nagyon soknak a rajza.Bővebben: Link
Köszönöm.
Remélem azért felbukkan valahol...
Szia, ea080 80 wattot tud 100 Ohm-on, igen magas anód feszen, míg az ea057 fele akkora anód feszen 20 Wattot 15 Ohm-on (ami persze a gyakorlatban több mint 20 watt).
057-hez készült anno 4 és 8 ohm-os trafó is ami ideálisabb mint a 15-os kimenő a mai hangszórókhoz, további erénye, hogy a közel 400 Voltos Anód fesz miatt, több féle csövel is próbálkozhatsz (Sugártetródák).
Bogarásztam a rajzokat, és néztem a javasolt különbségeket. találtam ezt is:Bővebben: Link
Ma kicseréltem a kimenő trafót a 760c ben. Megemelt pakettú trafó van benne. Pár drótot a helyére kell forrasztanom, aztán jönnek a hanggenerátoros próbák.
Első körben fizikailag nagyobb a kerete mint a gyárinak, így reszelnem kell egy mm-t a lik oldalából. Átok aki a keretet ferdén ponthegesztette
.Ki kell mérnem az összes bekötését és a védelmeket. Sajnos a nincs annyi forrfül az új trafón mint a gyárin, így nem lehet ugyanoda tenni a visszacsatoló potmétert és ellenállást. Amúgy jól néz ki a helyén, de éjjel nem tudtam reszelni. Pár nap és megy a műterhelésre a power. Kondikat valószínű cserélnem kell benne.
A régi trafóról le tudod elvileg szedni a forfüleket s átrakni az újra. Ha kész leszel vele, majd számolj be a róla.
Üdv.
Így néznek ki a jószágok. A 110 nek szét volt repedve a nyákja a táp résznél. A másik még várja a reszelőt, nem sokára mérem őket.
Jól néz ki, biztos jól fog szólni
Én most 2db. ea057-est újítok fel, s mellet épül egy sztereó is ami most így áll. Paraméterei nagyon meggyőzőek, parkon kiváló. Ma felraktam 2 hangfalra, döbbent, hogy mire képes.
Agyaltam is rajta pár napot, mielőtt meghúztam az első vonalat
Nézem a kimeneten van R ellenállás. Mit csinál csillapítja vadrezgést leszakadás esetén? Ma vettem egy Tuchel dugót, és rakom össze a Jack Tuchel gitár kábelt.
Igen, hangszóró leszakadása esetére nyújt védelmet, mivel nélküle túlságosan megszaladhatna a kimenő primer tekercsén a feszültség és átüthetne.
Én egy 120 Ohm-os 5 Wattos ellenállást tettem oda (mivel ilyen volt).
Mindjárt megtaposom a 110- et. A végfok elindult, jól megy, a hangszíntől viszont nem megy el a jel a bemenetig. A függőleges panelt, a tápot egy árva 3 as csavar fogja fél centire a trafótól, a kondik meg törnek ki saját súlyuktól a panelból.
Csinálnom kell bele egy új táp részt, illetve ki kell tesztelnem az előfokot. Szinte biztos, hogy nem kap tápfeszt, és hát az nem segít. Azért Marshallék jobb konstrukciót tudtak csinálni.
Van jobb konstrukciójú erősítője a Beag-nak az biztos.
Én nem vagyok elhasalva a 110-től. ea211 sokkal jobb.
Üdv!
Nemtudja valaki milyen lényeges különbség van az AE110 és e között a kapcsolás között?
Jelentős különbség az hogy a Marshallban van Tremoló. Ezt nem figyelve az EAG nak túl széles az átvitele gitár jeléhez, ezért többféle megoldás van.
Az egyik hogy a mélyet letekerve a magasat ráadva kicsit blues os hangszínt csinálunk. Vagy átépítve a hangszín részt Marshall jellegű előfokot építünk bele. Ehhez egyébként hely van az előfok résznél. Korrektebb megoldás szerintem, sérülésmentesen kivezetni a tápfeszt és a hangerő potira menő vezetéket és csinálni hozzá egy ilyen előfokot lásd link.
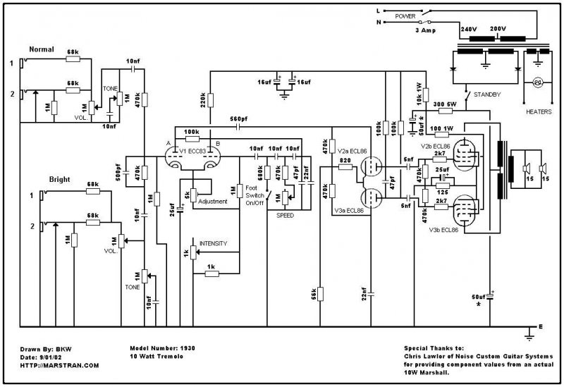
Íme a rajz: Én építettem kombót ilyen összeállításban és kiváló hangja van. PCL86 a vége. Mechanikusan nem lett a legjobb, TV doboza lett átalakítva, és fejtetőn állanak a csövek, ferde előlappal.
Az átvitelnek ehhez semmi köze legalább jobban átadja a felharmonikusokat. A hangfalnak kell megfelelőnek lennie átvitelben...
Nekem 2 gyári állapotú EAG AE110-em van meg van egy roncs is. Egyébként nekem jól szól ha meghajtom egy tranzisztoros marshall line out kimenetével. Torzítva meg tisztán is de így minek csöves... Az EAG bemete mikrofonra és lemezjátszóra lett kitalálva. A kapcsolással meg az a baj hogy ebben 2DB ECC van míg az EAG-ban 1. Meg ugye ha neked a vége PCL86 akkor gondolom nem ECC83-mal csináltad meg mivel a fűtésük más... Az én marshall kapcsolásomban az az érdekes hogy ez az erősítő 2500 dollár használtan és ugyanazok a csövek vannak benne mint az EAG-ba ráadásul a végcsövek PP-ben tehát a kimenőtrafó is ugyanaz.
De mivel még kezdő vagyok ezért okosabbak véleményét kérdezném hogy a két kapcsolás ( EAG-Marshall) között mi a különbség? Érdemes az eagot szétbontani hogy megépítsem a marshall kapcsolását?
Átvitel azt a spektrumot értem amit a lepke szabályzó karakterisztikája ad. természetesen a trafó is ad torzítást, de azt nem vettem fiygelembe, ugyanis 8 wattig jó hangj avan a készüléknek.
A 2500 dollár nem más mint üzlet. Az erősítőket Milton Keynesben gyártják, hagyományos technológiával, szar trafókkal. Jelnetkeztem oda melósnak ...illetve egy lenygel gyereknek volt egy műhelye ahol ilyeneket javított. Az enyémben ECC83 van, külön fűtést tekertem az előfoknak, és párhuzamosan van kötve a két PCL 86. Élesztéskor volt is szívás, mert nem erősített jól a cucc és hetek után derült ki hogy sorba van kötve a két cső.... Atz EAG 110 ha roncs akkor a végfokát a helyén kelél hagyni. Ez 10 watt szinte egyenes átvitellel, és tenni az elejébe egy másfajta előfokot. Van alkalmas műszerem az átvitel mérésére, a lepke szabályzót is ki tudom mérni, kiváncsivá tett a dolog. |
Bejelentkezés
Hirdetés |




.





