Fórum témák

» Több friss téma
Fórum » Billentyűzet világítás
 
Témaindító: misi2096, idő: Márc 22, 2006
Témakörök:
Lapozás: OK   4 / 4
(#) bviktor válasza (Felhasználó 13571) hozzászólására (») Jún 24, 2009 /
 
Ja okés,köszi,így már értem.
(#) picsumacsu hozzászólása Szept 16, 2010 /
 
Sziasztok!
Én egy sima USB- ről működtethető 5 db- os LED-es lámpát szeretnék csinálni. Semmi extra , meg vezérlés meg egyéb. Amikor bekapcsolom a gépet akkor induljon a géppel együtt a lámpa és amikor leállítom akkor aludjon ki a lámpa.Ennyi.
Tud- e valaki segíteni nekem ebben, hogy a sima USB2.0- es aljzatról hogy tudnám ezt megvalósítani.
A segítségeteket előre is köszönöm!!!
Nagyon amatőr vagyok ám.
(#) bbalazs_ válasza picsumacsu hozzászólására (») Szept 16, 2010 /
 
Feltetelezem, hogy feheret szeretnel.
Szerzel egy rossz USB kabelt. Kibontod. A piros es a fekete kell neked, a feher/zoldet vagd le es szigeteld el a tobbitol.

A LED-ek ele teszel ellenallast kulon-kulon mindegyik ele (kb 180 Ohm). Utana az azonos oldalakat osszekotod (ha belenezel, latsz landzsahegyet meg ullot. A landzsahegy a piros fele, az ullo a fekete). Ha veletlenul felcsereled oket, semmi sem tortenik, csak nem fog vilagitani.
(#) picsumacsu hozzászólása Szept 16, 2010 /
 
köbzolinak és bbalázsnak is nagyon szépen köszönöm a válaszát!!!
Mind kettő nagyon érthető és világos. Sokat löktetek a projekten!
(#) toto válasza hnsz2002 hozzászólására (») Szept 16, 2010 /
 
Én USB-HID-del ismerkedem mostanában, és hogy ne egy céltalan dolgot tanulgassak, ezért én is kitaláltam a billentyűzet világításának vezérlését. Én továbbmentem annyiban, hogy ne csak ki-és bekapcsolgassam a dolgot, hanem PWM-mel vezérelni is akarom a fényerőt.
Most ott tartok, hogy AVR-rel kommunikál a PC, a WINApi-s kommunikáció készen van, most MinGW-ben írom a PC-s grafikus felületet.
Elég lassan haladok, mert csak akkor ülök le programozgatni, ha éppen kedvem van hozzá.
Azért AVR, mert a PIC-es USB dokumentáció olyan zavaros volt, hogy hagytam az egészet. Az AVR-rel szoftveres USB-t könnyebb volt összeraknom, mint a PIC-es hardverest. (üdvözlöm a Microchipes szoftverfejlesztőket) azért most is működik egy PIC-es verzió, ami a PC-ről gombnyomásra egy LED-et ki- bekapcsol, de az csak egy demo a netről.
Szóval ha még érdekel a megvalósítás, a jelenlegi félkész dolgokat el tudom küldeni.
Esetleg egy felprogramozott AVR-t is küldhetek, ha komolyan meg akarod építeni.
(#) sunraw hozzászólása Okt 6, 2010 /
 
Üdv!

Az megoldható, hogy a scroll lock led helyére beteszek egy relét és arról működtetek 5V-ról 7 db ledet?
(#) Sebi válasza sunraw hozzászólására (») Okt 6, 2010 /
 
Most, hogy feljött a téma, az első kérdezőnek is ezt a sroll-lockot akartam javasolni...
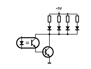
Persze nem kell relé - az csak fölöslegesen fogyasztana - hanem egy kapcsolótranzisztorral kell megoldani.Persze ehhez szét kell szedni a klavit, tenni rá valami csatlakozót a külső lámpának. Az 5V belül hozzáférhető, egyedül azt kell megkeresni, hogy a scroll lock LED-et vezérlő kimenet H vagy L szintre aktivizál (a LED a táp, vagy a GND pontra van-e kötve).
Ha nagyon nem értesz hozzá, akkor betehetsz egy optocsatolót is a scroll-LED-del sorosan és ezzel hajtod meg a kapcsolótranyót. (a relét a LED helyére amúgy sem tehetnéd, azt nem bírja el az a kimenet).
(#) sunraw válasza Sebi hozzászólására (») Okt 6, 2010 /
 
ha 6n137-tel csinálom, úgy jó? ilyenem van itthon.
(#) galzotya hozzászólása Okt 6, 2010 /
 
Nemis nagyon lehet elrontani és nem is kell hozzá nagy tudás Bővebben: Link
(#) hideg83 válasza galzotya hozzászólására (») Okt 6, 2010 /
 
Én ugyan ezt csináltam meg csak annyi vezetéket raktam rá,hogy kb 5 cm-re logjanak ki a ledek a bill.-böl.1 db kék szivószál két végébe meg beletoltam a kék ledeket és olyan volt mint 1 neon csö.
(#) sunraw válasza Sebi hozzászólására (») Okt 7, 2010 /
 
Van SSR -em is. Az 3V-tól kapcsol. Az sem jó?
(#) Sebi válasza sunraw hozzászólására (») Okt 7, 2010 /
 
SSR általában váltót kapcsol, ide nem kell.
Építsd meg a melléklet szerint, optóval. Az optót is csak azért javasoltam, hogy ne kelljen méregetned, hová is van kötve az eredeti LED. Így most az optó LED-et akár sorba is kötheted az eredetivel (ha meg akarnád hagyni... ja, a linken rajzolják a LED-et, hogy melyik a katód, anód - ránézésre. Ez a nagy fényerejű típusoknál fordítva van!).
Gondolom fehér LED-et akarsz, ahhoz 5V-nál egyenként kell ellenállás, mert 4V körüli a nyitófeszük, tehát kettőt sem lehet sorbakötni (piros, zöld mehetne kettesével is).

ledek.GIF
    
(#) sunraw válasza Sebi hozzászólására (») Okt 8, 2010 /
 

Köszi!
Nem fehér lesz, hanem 3mm-es piros (Ati 4ever)
(#) galzotya hozzászólása Márc 15, 2011 /
 
Na sziasztok!
azt szeretném megoldani hogy 2 leddel(4 voltos)alulról megvilágítom a billemet!
ez kivitelezhető pl. a scroll lock gombról?mert itt megcsinálta:Bővebben: Link.
egyáltalán hány volt megy egy ilyen ledre ami alapból a bill.-ben van?
köszönöm a segítséget!
Galzotya
(#) Mircsof hozzászólása Dec 11, 2014 /
 
Sziasztok!
Szeretném a jó öreg PS2 billentyűzetemet kicsit átalakítani, semmi extra csupán 3-4 ledet gondoltam rákapcsolni (jó lenne a sötétben egy kis világítás a billentyűkre), úgy hogy a ki és a be kapcsolásuk lehetőleg könnyen megoldható legyen.
Azt találtam ki, hogy a Scroll Lock billentyű be illetve ki kapcsol egy ledet. Ennek a lednek a helyére vajon lehetne 3-4 nem tul nagy teljesítményű ledet kötni?
Ha ez szerintetek nem megoldható, akkor egyáltalán a billentyűzetben levő +5V terhelhető ennyi leddel?
A hozzászólás módosítva: Dec 11, 2014
(#) zolika60 válasza Mircsof hozzászólására (») Dec 11, 2014 /
 
Az előtted levő hozzászólásban nézd meg a videót. A billentyűzet 5V-ja a PC tápjából származik, úgyhogy menni fog.
(#) Mircsof válasza zolika60 hozzászólására (») Dec 11, 2014 /
 
Szia!
Igen már elkezdtem végigolvasni a topicot.... Eredetileg nem ide írtam, csak áthelyezték ide. A "Ps2" kulcsszóval a kereső nem adta ki ezt a tonikot, vagy csak elsiklottam felette.
Következő: »»   4 / 4
Bejelentkezés

Belépés

Hirdetés
XDT.hu
Az oldalon sütiket használunk a helyes működéshez. Bővebb információt az adatvédelmi szabályzatban olvashatsz. Megértettem