Fórum témák
» Több friss téma |
Fórum » Crystal radio - detektoros rádió
A "jobb" rádióknál használnak kicsatólótekercset...
Rds: Igen, módosítottam a hozzászólást és akkor már a Tied is ott volt...megesik az ilyen.
Az URH rezgőköri tekercshez való antennatekercs csatolás az a komolyabb probléma. Vasmag nincs ugye...
Az én vevőmön, a rezgőköri tekercs kb: 7mm hordozon 6 menet. 75 cm-es ,,urh drót"-hoz kéne antennaköri tekercs ami az előbbi rezgőtekercsel valamilyen csatolásban van.
Építsd rá a tekercset egy álló műanyag 4 lábas tekercstestre pl. ezt árnyékolhatod egy fém serleggel is. Roncskészülékből bonthatod... Lehet, hogy szűk lesz!
Ok. Bár én még URH tekercset csak öntartó kostrukcióban láttam, testen max 27 megás tekrcset.
A két urh tekercs csatolásához elég ha egymás mellé raknánk őket, úgy mintha egy képzeletbeli közös tengely haladna át rajtuk?
Pedig nagyobb mechanikai stabilitást ad a csévetest, lehet a csatolótekerccsel "folytatni" is, de lehet a menetek közé is tenni
Segíthet: Ebben a fórumban felsoroltuk az összes oldalt ami az URH detektorossal foglalkozik.
Üdv.:RdsG Ui: Ezt kivéve : Bővebben: Link
Köszönöm a segítségeket
Akkor engem jól átvertek, amikor azt írták, hogy detektoros (egyenes?) vevőt max. az RH sáv aljáig lehet készíteni!
Hát igen...
![]() Általában a szakirodalomban azt írják a detektoros rádióról, hogy csak KHra... Pedig van HH, KH, RH és URH detektoros is van. (Azt is megjegyezném, hogy általában a keretantennákat is úgy írják le mint valami pótmegoldást. Én a keretantennás detektorosommal 20-23 különböző adót tudtam fogni kielégítő hangerővel, átfedés nélkül. Jah és a 10 méter hosszú huzalantenna is elég lehet, nem a 30m a minimum -ha már a szakirodalomat helyesbítem Az antennámat a rádióimat és egyebeket meg lehet nézni az xtalradio.blogspot.com-on)Üdv.:RdsG
Nagyon bejött ez a vevő!
1tranyos hf erősítő +számítógép hangfal erősítője( 3 v 4 fokozat?). A hangerő talán még túl hangos, az 5 vagy 6 darab, 50 kW feletti teljesítényű adót szépen szét lehet válogatni. A demoduláláson hallatszik , hogy nincs semmi fázisdiszkriminátor vagy ilyesmi, egy kis torzulás van, de ettől eltekintve egész szépen lehet rajta zenét hallgatni. A basszus is szépen lejön. A következő lépés az lenne, ha ki lehetne vhogy bogarászni a legerősebb adók közül, a helyi 10 kW telj. alatti adókat is. Mindeképp egyenes vevőre gondolnék ebben az esetben is.
Sziasztok!
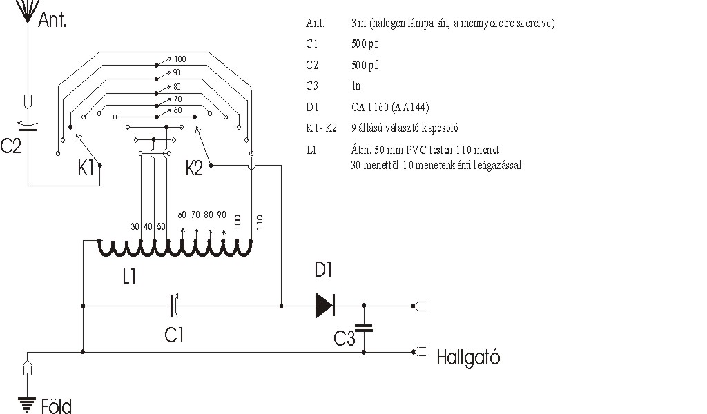
Nagyon leálltatok a detektorossal. Tessenek csak építgetni, mert nem felejtődhet el ez a csoda szerkezet! Köszönet mindenkinek, aki érdemben hozzászólt a témához, és természetesen azoknak is, akik kérdeztek. Jó volt végigolvasni, és feleleveníteni gyerekkorom legszebb játékait. Emléxem, mikor 60 valahányban elcipeltem Apámat az Otthon áruházba, mert ott lehetett OA1160-as diófát kapni. 4 Ft 60 fill. volt! (Legalább 4 fagyimról mondtam le miatta.) ...És ahogy így olvasgattam, mindjárt meg is építettem egyet. Muszály felkeltenem fiaim (8 és 10 évesek) érdeklődését is ez iránt. Én is ilyen tájt kezdtem. Ez még csak 1 tekercses, de már készítem az új tekercseket a 3 t. -es kivitelhez. Antennám egy 3 m-es halogen lámpa sín, (adott volt, mert itt van a fejem fölött,) és 4-5 adót találok meg. A Kossuth tiszta, érthető, és délelőttönként van egy adó, szerintem magyar, de mindig idegen nyelven ad. Hol német, hol szlovák..., ez szintén érthető. (Csak németül, mert szlovákul nem tudok.) A többi 3-4 adót csak hallom, de érthetetlenül gyenge. Ha valaki jobban ismeri az adókat, segíthetne azonosítani az idegen nyelvűt. A néhai Petőfi környékén, vagy pont annak a helyén találom. (1 MHz körül, de ez csak sacc a kondi állásából.) Tapasztalatom szerint az AA 114 (v. AA180?) diódával határozottan jobban szól, mint az OA1160-nal. Sajnos csak korlátozott mennyiség áll rendelkezésemre, így nem tudok nagyon cserélgetni.
Kedves kristályrádió építők!
A germánium dióda szinte kihalt a kereskedelemben, de találtam egy, ma is kapható típust. 1N50 (univ. ge. dióda) még létezik, - ha valakit érdekel. Az 1N60 (demod. ge. dióda) sajnos már szintén nem szerezhető be, de ha nektek vannak más információitok, szívesen veszem!
Hello
Vannak ma is megszállottak, fiatalok és idősebbek egyaránt. (Arról, hogy mennyire vagyok megszállott azt a blogom talán szemlélteti (xtalradio.blogspot.com) Barátom, H. Ferenc is legalább annyira megszállott mint én. Az ő művei is megtekinthatők az oldalon. Ha nem is itt, de máshol "szólnak a detektorosok" ![]() Én is OA1160-s diódát használok, vagy AA116-osat (azt hiszem AA119 es is kevedett közéjük, de különbséget nem vettem észre, ha jól emlékszem). Azért nem mondanám, hogy kihaltak a germánium diódák. Én legalábbis tudok beszerezni, OA1160 os diódát a helyi kis szaküzletből (ha jól tudom ők tudnak rendelni, tehát még valószínűleg gyártják). Az AA116 os diódát pedig netről rendeltem. Másfajta diódát is próbáltam de azok nem váltak be. Régi "stílusú" kritálydetektort is építettem már, szilícium kristályból, amit egy öntödéből szereztem. De elméletileg a jobb vételt biztosító galenitet (galena) is be lehet szerezni apró kőzetminta formályában (ilyeneket szoktak gyűjteni). Én viszonylag jól ismerem a KH adókat, ha máshonnan nem akkor papírról. Az a helyzet, hogy igen nehéz így megmondani, hogy mi lehetett az az adó 1 mhz környékén. Jó lenne tudni a pontos frekvenciát. Én egy másik, tranzisztoros rádiót használok azonosításra., ha ugyan azt az adót hallom a két rádióban akkor csak leolvasom róla frekvenciát, és az alapján rákeresek az adóra a neten, vagy legalább leszűkítem az adók körét. A legjobb detektorosaimmal, 25-45 adót tudok fogni antennatipustól függően. Legutóbb indultam egy versenyen ahol, minden azonosított adó 1 pontot ért. De sajnos mivel az adók nagyrésze külföldi, vagy külföldiül beszél (angolul tudok, meg egy picit németül...) a 44 frekvenciára beazonosított adó közül csak 12 volt érvényes, mert csak annak tudtam a hívójelét megérteni, vagy kideríteni. Oda akarok kilyukadni, hogy rettentő nehéz itt Európában beazonosítani az adókat. (az amerikaiaknak könnyű volt mert ott mindenki angolul beszél , ...nah jó meg egy kicsit profibbak is ) az eredményeküdv.: RGábor u.i.: Nagyon szívesen közzétenném a rádióid képeit leirásait, kapcsrajzait a blogomon! Pont ilyen hobbitársakat keresünk, mint te vagy !
Üdv Gábor!
A közzétételnek nincs akadálya, rittyentettem egy rajzot is hozzá, hogy teljes legyen. Az oldaladat láttam már, grat hozzá! A germ. diódák kihalását azért mondtam, mert az én lelőhelyeimen nem találtam. (Lomex, HQ) Adhatnál lelőhely címet, megköszönöm.Galenit kristály akarok csinálni, valamikor készítettem ilyet. Kiváncsi vagyok a különbségre. Az 1MHz körüli adó, melyről beszéltem, szerintem magyar, mert a német akcentusból így vélem, és a témái is magyarok. Majd kiderítem, csak van néha más dolgom is. ![]() Kellemes rádiózást! Laci
Hello
Tényleg eltünnek a Ge diódák...! Csak nehogy igazad legyen! A HQ-ból tényleg eltűntek az AA112, AA116, AA119 típusok. Pedig legutóbb onnan rendeltem. Én (sem) ajánlom a Conradot, de ott találtam csak AA112 és AA116os diódát. A blogra felkerültek a képek. Ha van amin változtatnál (pl. néve, a rádió elnevezése stb.), akkor szólj! Az rejtélyes adó sztem a Pécsi Rádió 873 KHz-en. Tudtommal az többnyelvü adó. (magyar, német, horvát és szerb) Üdv.:RGábor
Rendben, majd elnevezem.
Köszi, hogy föltetted!Az 1N50 még van a HQ-ban, (az árlista szerint!) veszek majd egy párat. Most egy Orion KF-ből bányásztam 2 db AA119-et. Első épített színes TV-mben volt, ezért fájt egy kicsit a szívem. Bár az a TV már régen nincs meg. Ha az valóban Pécs, akkor iszonyatos teljesítménye lehet, mert úgy jön, mint Solt - Kossuth. Én meg Solymáron vagyok. Nehéz elképzelni. CB-vel autóból létesítettem kapcsolatot Lyon és Budapest között, olyan volt, mint ha a szomszéd utcában lettek volna a pestiek. Azt hitték, hazajöttem Franciaországból, amikor beköszöntem. Lehet, hogy hasonló terjedési csodáról van szó?
Rövidhullámon az ionoszféra megtréfálhat és olyan terjedést produkál, ha nem vagy a holttérben, hogy leülsz. KH-n ez nem jellemző, szerintem ott a visszaverődéssel nemigen lehet számolni.
A KH-n is lehet számolni a visszaverődéssel. Azért is lehet sokkal több adót fogni este, amikor a a D réteg eltűnik. Ekkor az E rétegig eljutnak a hullámok amiről visszaverődve sokkal messzebb eljutnak a rádióhullámok. (Nappal a KH rádióhullámok csak felületi hullámokként tudnak terjedni, mert a D réteg ionizációja nem elég, hogy a KH rádióhullámok visszaverődjenek.)
"Különös" dolgok hajnalban és sötétedéskor történnek igazán, amikor a D réteg éppen eltűnik, vagy létrejön. Ekkor a szokásosnál is távolabbi adók is "előjöhetnek". A legtávolabbi adók amiket detektorossal (keretantennával és huzalantennával is) fogtam: 747 khz - Radio 5 (400kW) - Flevoland kb. 1000km 648 khz - BBC - Orford Ness 1240km Este amikor foghatók, akkor hangerőben nem sok különbség van a Kossuthoz képest. (Én Zalaegerszegen lakom.)
Sziasztok!
végre idetaláltam....Nekem kisegitő tápként lenne szükségem detektoros vevőre....Miskolc környéke Riasztót szeretnék üzemeltetni---nap és szél hiányos időben----amugy napelemről megy ---de éjszaka ? 3,3V 25 mW és 4,5V 30 mW --ra lenne szükségem /illetve ez 14v-on összegezve jelentkezik /melyik lenne /ill. járható út ? ha lenne ötletetek....
Tudom, hogy minden hullám verődik, valaha számoltam is ilyeneket RH-ra. (Azért a valódi jó összeköttetések valahogy mindig a véletlen folytán jöttek össze!
) Te már komoly DX-ernek számítasz e téren.Lasan elkészül a 3 tekercses tekercse is, és kipróbálok egy keretantennát hozzá. Majd beszámolok róla.
Miskolc környékén a helyi adón egy barátom 3,4 V-ot mér a hallgatóval sorbakötött 100 k -os ellenálláson.
Meg kell nézni, hogy mekkora terhelést visel el, és sok ilyet összeépítve lehet, hogy meg tudod csinálni. Az antenna erdő pedig hozzájárulhat a védelemhez, mert áthatolhatatlan lesz.
Az adók erőítés nélküli vételére elgendő az a teljesítmény amit egy huzalantenna produkálni tud. Az a teljesítmény amit te szeretnél, nem hiszem, hogy elérhető. (0.4 V volt a legtöbb amit eddig mértem, a hallgatón, ami már nagyon hangosnak mondható -nem csak detektoroshoz képest). Konrét, teljesítményadatokat nem tudok mondani, de biztos, hogy stabil teljesítményre nem számíthatnál.
Megjegyezném azt is, hogy a rádiózásra szánt rádióhullámok másfajta felhasználása, több országban törvénybeütköző (Magyarországon nem tudom mi a helyzet). üdv.:RGábor ui.: Persze, ha adó mellett élsz akkor nem probléma a dolog, de viszont lehet, hogy megkeresnek a szakemberek, ha túlzásba viszed mert "beesést" okozol az antenna sugárzási karakterisztikájában
Kíváncsian várom a fejleményeket, és persze a fotókat is
Szia!
Az ehhez tartózó impedanciát megirnád? feltételezem, hogy 4-6 rezgökörös szerkezet kellene hangolt hurok antennával... ill. dupla diódákkal a +6dB -s változat
Én a legegyszerűbb detektorosok egyikét építeném, meg mert azok nyújtják a legnagyobb hangerőt. (szimpla rezgőkörös, leágazás nélküli, vagy saját rezgőkör nélküli induktivitással hangolt egyszerü vevőt) Szóval a 4-6 rezgőkör az nagyon sok. A legkomolyabb DX detektorosokban is legfeljebb két rezgőkör plusz antenna hangolás van, ott a hangerő rovására megy a szelektivitás, de ez így természetes.
Másrész, egy jó hosszú, minimum 13 de akár 50 méter hosszú és min 3-4 m magas huzalantennát használnék. A leghangosabb helyi adóra hagolnám , természetesen az adná a legnagyobb teljesítményt. Impedancia illesztés: Detektoroshoz legalább R=2000 ohmos fülhallgatót használnak. Minnél nagyobb a kimeneten az impedancia, annál jobb. Aztán, hogy a továbbiakban, hogyan alakítod át az RF rádióhullámok energiáját számodra felhasználhatóvá azt én nem tudom... Azt talán majd valaki más megmondja ![]() üdv.:RdsG
Ezt a kapcsolást próbálta már valaki? Mert én most kipróbálom.
Én a helyedben egy akkuról oldanám meg a risztó biztosítását. Ekkor áramszükséglet mellett heteket is elketyeg a riasztó, egy ma kapható akksiról. (1 Ah felettiek!) Automata töltővel örök életű lehet.
Ha valakit érdekel!
Találtam GE. diódát, - OA 1161, OA 1180, OA 1181, - et, az Üllői úton. Electro Kontha 1082. Budapest, Üllői út 68. Persze az, hogy találtam, még nem biztos, de van a listájukban. (Hétfőn megkérdezem telefonon.) http://elektrokontha.hu/elerhetoseg.html Ha tényleg van, veszek egy párat. Ha van valaki, akinek (pl) vidéken kellene 1 db, az szóljon, mert segítek szívesen, és küldök borítékban 1-2 db-ot. Nehogy mááá fiatal kezdő rádiósok ezen akadjanak meg első készülékük építésében!
Szia!
nem értetted meg a lényeget...... akkuról megy --nincs hálózat----+ napelemek ...de az elmult 2-t hétben összesen 2 napos +1 szeles nap volt ... ez sajna nem elég... tehát a proci müködését + a kommunikátorét biztositani kellene... a tulajok meg rá se néznek --Én a riasztóban lévő akkuval eddig ugy tapasztaltam : max 3-4 nap.. ha van mobil is rajta sokkal kevesebb...
Dehogy nem értem. De amit Te mondtál, (4,5V; 30mW -ez cca. 7mA fogyasztás.) annak 5 napig lazán el kellene ketyegni egy 4,5 V - 1Ah-s akksiról. (3db góliát akksi!) Persze, az egyéb töltéseket úgy kellene bővíteni, hogy a legrövidebb idő alatt ezt pótolni tudja.
A detektoros vevővel (jó esetben helyi adó mellett!) tudsz produkálni 5 mW-ot, akor is min. 6 ilyen készülék kellene, de legalább 6 db. ilyen antenna, persze távol egymástól, mert különben egymásnak is beterhelnek, és nem lesz a 6 antennának 6szoros teljesítménye. Ezért ajánlottam, hogy a tároló kapacítás bővítésével, és a napelemek + szélmotor teljesítményének fokozásával közelebb kerülnél a megoldáshoz. |
Bejelentkezés
Hirdetés |






Az antennámat a rádióimat és egyebeket meg lehet nézni az 

(


