Fórum témák
» Több friss téma |
Fórum » Crystal radio - detektoros rádió
Mivel a vezetékek nem egymás mellett futnak, ezért kisebb a tekercs önkapacitása.
BUÉK! Nagyon Jó lett, Gratulálok!
![]()
A kristály detektoros rádiókban (passzív) általában milyen kondi kell? Kerámia,fólia, vagy milyen fajtát célszerű bele tenni?
Fix kondenzátorra gondolsz? Akkor a régi csillámkondikat ajánlom. A modernebbek közül a kerámiát. Ha forgókondenzátort használsz akkor a légszigetelésűek a jók.
Köszi. Igen a fix kondira voltam kiváncsi, építettem már pár detektorost,csak forgókondival, de most találtam pár kapcsolást ahol a rezgőkörben van fix kondi is,és elgondolkodtam milyen kell bele,de Te megadtad a választ,Köszi!
Ha a kondinál egy kapcs.rajzon nincs kiírva csak a szám kkor az milyen mértékegység? pF? Azt tudom hogy az ellenállásnál az Ohm.
Üdv mindenkinek. Év végi takarítás, rámolás közben, találtam a régi kacatok között, egy galenit kristályt. Először azt hittem hogy egy kavics darab, majdnem kidobtam. Mikor rájöttem, hogy micsoda, jött az ötlet, hogy csináljak a gombhoz egy kabátot, vagyis kéne építeni egy detektoros rádiót. Találtam a fészerben régi kidobott bútorlapot, abból lett a doboza, a kristály tartóját rézlemezből, rézrúdból, meg bakelit lemezből csináltam. A tekercs egy VC papír közepe, vékony prespán lemezzel borítva. 80 menet van rajta 0.35-ös szigetelt vezetékből 40 menettől 10 menetenkénti leágazással. Az antenna 40, és 60 menetnél van becsatolva. A kapcsoló, egy régi akkutöltő gombja, bronzlemez leszedővel, az érintkezők 3-as rézcsavarok. A nagy gombot meg a forgó kondit a börzén vettem (jó drágán). A fűrészelt éleket barkácsboltba vett fazon léccel takartam el. A doboz anyagán igyekeztem meghagyni a régi pácolást, csak kicsit megcsiszoltam, és belakkoztam hogy réginek tűnjön (az is.) A kis készüléken kb 30 méteres padlásantennával szépen jön a Kossuth meg a helyi adó, éjjel pedig több külföldi állomás is. A többi a képeken:
Még képek:
A kész rádió:
Gratulálok, szép darab! A forgó annyira antik, hogy biztos, megérte az árát
Tetszik a csipeszed is, nekem is pont ilyen van
A hallgató kapcsai fölött elhelyezkedő alkatrészben mit tisztelhetünk ? Úgy látom az sem a múlt héten készült Kínában! A hozzászólás módosítva: Jan 13, 2013
De igen a múlt héten készült, nevesül csütörtökön, igaz nem Kínában, hanem itthon, mivel magam csináltam. A csatlakozó egy régi villásdugóból való, a többi meg bakelit lapból, rézlemezből, rézrúdból lett kialakítva Az alkatrész maga a kristálydetektor, vagyis egy galenit kristály, amihez egy tű érintkezőt kell beállítani, és az érintkezési felületen létrejön a "detektátás," vagyis az egyenirányítás.
Ha jól sejtem, ehhez egy eredeti "ERICSON" hallgató (nekemis van
!
Nem tudom a fejhallgató típusát, úgy örököltem a régi tanítómesteremtől, vagy 30 éve.....
Lehet, hogy "Gyantáscin" nem is a kristálydetektort kérdezte, csak elértettem. A hallgatóval párhuzamosan kötött alkatrész bontásból származik, 1.5 nF-os kondi, USA gyártmány, katonai kivitel, még a háború előtti időkből. Bocs.
Hali!
Ha jól tudom a Solti rádióadó teljesítménye a legnagyobb 2MW, de vajon mennyin üzemelhet ténylegesen? Mondjuk az adótól olyan 100km-re mekkora a térerőssége, egy jó detektoros rádióval hány mW lehet felfogni? Találok egy listát esetleg arról, hogy milyen középhullámú adók hol, milyen teljesítménnyel üzemelnek?
A solti adónak a teljesítménye valóban 2 MW, de ma már nem használnak ilyen nagy teljesítményt, így az ellátott területe is jelentősen lecsökkent sajnos. Mivel az ellátott területet nem detektoros rádióra tervezik, hanem egy átlagos rádió vevőre, így a detektoros használata a gyengébb érzékenysége folytán erősen korlátozott. Régebben, mikor még sok állomás volt a KH sávban, akkor sem lehetett a helyi adókon kívül más adókat fogni vele, az esti és hajnali órákban pedig esetleg néhány adóval többet. Ma már a KH adók is jelentőségüket vesztették, meg is ritkultak.
A vételi teljesítmény pedig elég messze van a mW os tartománytól, még a uW okat sem éri el. A magyarországi KH adók listáját megtalálhatod az NMHH, illetve az Antenna Hungária oldalán.
Tavaly, valmelyik este elég gyengén jött a Kossuth, hát felhívtam a solti ügyeletest, milyen teljesítménnyel mennek, akkor elég unottan azt mondta, hogy két megávall. Hátez vagy így van, vagy nem.
A felfogható teljesítmény tekintetében végeztem egy nagyon durva közelítő számítást. Abból indultam ki, hogy a kisugárzott energia félgömb felületen terjed veszteség nélkül. (Na ez már nem igaz.) Ebből adódott a vétel helyén valamilyen watt/m2 érték. Viszonylag precízen tudtam mérni a detektoros által szolgáltatott teljesítményt. Ebből lehetett számítani, hogy mekkora területről gyűjti össze az antenna az energiát. Ismerve az antennám hosszát, az jött ki, hogy az antenna a hosza mentén mintegy 10 cm széles sáv energiáját hasznosítja. Mielőtt bárki földbe döngölne, a számítás közel sem egzakt, csupán arra jó, hogy az adó teljesítménye és távolsága ismeretében nagyjából tudjuk, mit várhatunk. Miskolcon, az adótól 200 km-re 0,2 mikrowattot tudtam kicsiholni a rádiómból, következésképpen 100 km-re az adótól ennek négyszerese várható 4x 8 m-es padlásanennával. A hozzászólás módosítva: Jan 28, 2013
Hát inkább nem úgy van. A terjedés az esti, és az éjszakai órákban sokkal jobb, ezért már a kezdetektől fogva 18 órakor teljesítmény csökkentés történt 1 MW -ra. Az "újabb korban" előtérbe került a takarékosság, és ekkor jöttek a találmányok. Mivel a térerősség mérések nem támasztották alá a nagyobb teljesítmény szükségességét, már jó ideje nem használnak 2 MW adóteljesítményt, sőt csökkentették a vivőteljesítményt is néhány százalékkal. Ez is jelentős energia megtakarítást hozott, alig érezhető ellátott terület csökkenés mellett. A mai viszonyokat már nem ismerem, de ahogy néha hallom, további jelentős teljesítmény csökkenés történhetett.
Ki lehet számolni elég nagy pontossággal, hogy egy adott távolságra mekkora térerősség várható. Nem döngölök senkit a földbe, csak pontosítanék, pont a KH sávban nem teljesítmény sűrűséggel számolunk, hanem térerősséggel. (E [mV/m]) Ez pont azért van így, mert egy KH antennának nincs igazán korrekt talpponti impedanciája, ezáltal csak a szolgáltatott feszültségét ismerjük. attól még mérni lehet egy detektoros által szolgáltatott teljesítményt, csak ez erősen függ a használt antenna hosszától. A hiteles térerősséget egy hitelesített antennával mérjük, aminek ismert a korrekciós tényezője a frekvencia függvényében. Ez már így összehasonlításra alkalmas adatot szolgáltat. Ez már házilag nem megoldható probléma.
Gyönyörű. Csak van egy "apróka" hibája. Azzal a bled -el rövidrezárja a rezgőköri tekercs egy részét, és ez az álmoskönyv szerint se jó ötlet. A menet(ek) zárlata az induktivitás lenullázásához, a veszteségek megnövekedéséhez vezet.
Lehet, hogy butaságot kérdezek,de meg lehet növelni a fülesem Ohmikus ellenállását, egy (fizikai) ellenállással, hogy hangosabban szoljon a Kossuth a detektorosomban?
Ellenállással sehogy, csak halkabb lesz tőle.
Transzformátorral viszont jo esélyeid vannak: Primer a rádió felé, szekunder a hallgató felé. Így már hangszórós detektorost is csináltam...
Üdv!
Catlakozom Galfy kollégához. Már én is csináltam ilyet, egy egyszerű táptrafóval és egy kis 8cm-es hangszórót sikerült vele meghajtani. Nézd meg ezt: Detektoros 2.0 A hozzászólás módosítva: Feb 14, 2013
Vagy építs bele piezo betétet, ilyen hallgatók, csipogók akár a Lomexben is vannak, különböző méretben, de én csupaszokat tudtam venni a Puskás-börzén. Kicsit a réz széléből levágtam és passzol a hallgató betétbe.
Ehhez viszont kell ellenállás, a hallgatóval párhuzamosan, olyan 100 - 200 k-s, különben nem szól.
Köszi a válaszokat! Tudom, hogy az illesztő trafótól hangosabb lesz,de azt nem tudtam , hogy a piezo 'hangszóró'-hoz kell ellenállás,ezért nem működött amikor próbáltam piezós detektorost
A dióda (demodulátor) egyenáramú körét zárni kell, a piezo pedig egy kondenzátor, egyenáramúlag szakadás. ezért van szükség egy ellenállásra.
Üdv.
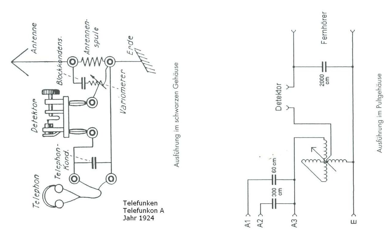
Egy békebeli detektoros rádió .Telefunken
Szívesen
![]() Azonfelül az ominózus ellenállással párhuzamosan egy néhányszáz pF-os kondi is célszerű, hogy a nagyfrekvenciát rövidrezárja a hallgatón, nem kell az oda. Vannak a neten piezós kapcsolások, gugli barátunk eléd borítja lelkesen
Azt hiszem, a piezoval fölösleges kondenzátort párhuzamosan kötni, bőven elég a piezo 10 nF nagyságrendű saját kapacitása.
Barátaim, bárcsak tudnám, hogy kell pontosan Henry-t számolni. Találtam kalkulátorokat de nem jók, nincs rá valami 'mezei módszer' amivel egyszerűen ki lehet számolni, hogy pl: hány uH-s az induktivitásom. Nincs rá valami módszer, higy ennyi átmérőnél,menetnél,huzal átmérővel,huzal hosszal.....bla...bla... ennyi Henry?
|
Bejelentkezés
Hirdetés |



















