Fórum témák
» Több friss téma |
Fórum » Csöves erősítő készítése
Ne feledd betartani a fórum viselkedési szabályait, és a topik megmaradásának feltételeit. [link]
A téma átmenetileg fagyasztva lett, hozzászólni nem tudsz!
A második, a capri05-ös rajz jó. Az alapján megépítve rendben működnie kell.
Ha túl érzékeny, akkor a végcső katódkondenzátorát ki kell venni. Üdv! Idézet: „Ha túl érzékeny, akkor a végcső katódkondenzátorát ki kell venni. ” Nem sokat fog csökkenni az erősítés, még így is bőven sok lesz, hangminőségben többet jelenthet. Szerintem rosszabb irányban változik.
Azert ez nem egybites
![]() Ha tanulni, kiserletezni akarsz vele, akkor teljesen jo. Mondjuk en altalaban (mindig) azt javaslom, hogy egy komplett, lehetoleg mukodo radioval kezdje mindenki. Par ezer forintert minden benne van ami kell..
Köszi, értem.
Akkor inkább keresek egy működő/alig hiányos csöves rádiót, és abból próbálok faragni valamit.
CHZ javaslata alapján tovább csiszolt verzió:
Köszönöm az ötleteket, szerintem ezt az utolsó verziót próbálgatom majd a hétvégén.
Sziasztok!
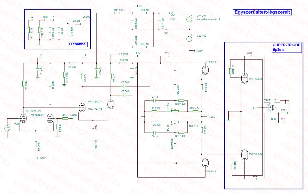
Elkezdtem kísérletezni egy 6L6GC-PP vel. Egyelőre légszerelt prototípus fázisban van, ha tökéletesítettem a kapcsolást, akkor kap nyákot és teljesen új dobozt. Csőkészlet: 4x TAD 6l6gc 2x ECC88 2x ECC82 2x ECC83 Áramgenerátorok beszerelése még vissza van, előfokok tápja is közös egyelőre. Jelenleg is igen baráti hangja van, hosszan hallgatható, 0 alapzaj Mit tudtok javasolni ? Mit lenne érdemes még kipróbálni ? Végcsövek és a kimenő bekötését nem tudtam tinába berajzolni.
Szia Boti2!
Megmutatnád a PP kapcsolást? Csak a kíváncsiságom hajt folyamatosan. ![]() Köszi, Laci
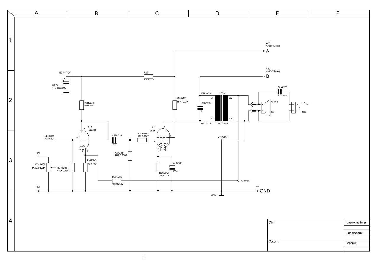
Az utolsó rajzod nem jó. (ul40-3-eng.jpg) A katódnak nincs külön tekercse, hanem a hangszóró tekercs két végéhez van tovább tekerve a katód tekercs, azaz a Hsz tekrenc, meg a K tekrenc egy, és ugyan az. A hangszóró meg nincs a földön! Mérésnél vigyázz, nehogy rövidre zárd a fél Hsz. tekercset!
Nem akartam az off topikot on-ra kapcsolni így ide rakom a saját szerelő panelem prototípusát.
Sziasztok!
Néhány gondolat, kérdés. Capri, ECC83, EL84 Elkészült, próbálgatom, de korántsem vagyok elégedett a hangjával, talán a 6 ohmra tervezett kiment 4 ohmos terhelése, talán mivel a táp egy komplett rádiót hivatott kiszolgálni és így négy csővel a kisebb terhelés miatt nem állnak be a megfelelő munkapontok, talán a csatoló kondikat kellene még nagyobbra cserélni, (nem egy kapcsolásban láttam 220 nanós csatolást) nem is tudom mitévő legyek. Valami ötlet? Hol, mit mérjek, hogy a végcső legoptimálisabb munkaponton működjön?[quote][/quote] Másik téma, volt időm beleolvasni itt régebbi beszélgetésekbe, nem tudom, van-e valakinek tapasztalata ebben. Mit várhatok az EL84-től? Sosem lesz elég tudásom, pénzem egy audiofil erősítő megépítéséhez, de szeretném szerény eszközökkel a legjobban megközelíteni a célt. Mi az a cső, kapcsolás ami alkalmas lehet erre? Sokat olvastam az orosz csodacsőről 6c33c-ről, de az egy kivitelezési rémálom számomra, esetleg az EL34? Vagy mi lehet még ár-érték arányban a megfelelő, kedvező? Nem feltétlenül kell PP, elég lenne nekem egy 2x4-5 Wattos valami szép, telt, mélyeket szépen hozó egyszerű erősítő! Előre is köszönöm a választ! Laci
Sziasztok.
Remelem, itt johelyen jarok.. muszereszt keresnek pest kornyeken, autoradio vegfokozasra. 3 perc alatt, konnyen hozzaferheto, ures az egesz cucc.. TDA7388 IC van benne. Koszonom szepen
Az EL84 alapvetően nem egy rossz cső. Megfelelő kimenővel lehet vele jó eredményeket elérni. Született itt pár elkészült áramkör vele, inkább a kis kimenő teljesítményre volt némi panasz. Ez a PP-nél már nem volt probléma......
A 6Sz33Sz egy teljesítmény-trióda, ami elég erős ahhoz, hogy akár SE-ben is jól teljesítsen. A "rémálom" talán túlzás, de az biztos, hogy nem szokványos csöves cuccokkal lehet építeni vele. Nálam az "evolúció" szintén a triódás végfokok felé fordult, a szokásos kapcsolástechnikába beleültetve, a megfelelő teljesítmény érdekében PP -be kötve. A "kis csoda cső" a 6Sz19P. Olcsó, egyszerű, nagyszerű! (jó lenne helyette a 6N13Sz is, de abból 1 is drágább, mint ebből 2.)
Szia - nem jó helyen jársz.
Előre is elnézést hogy nem a kérdésedre válaszolok (nem is tudnék), és remélem hogy a hozzászólásom nem fogja megbántani egyik csöves tábor hívőt sem, mert nem ilyennek, inkább kérdőnek szánom. Miből gondolod, hogy valaha is fogsz tudni olyan csövest építeni aminek a hangjával elégedett leszel? És mit jelent az hogy elégedett? És mi az oka annak, hogy úgy gondolod, hogy ezt az úgymond elégedettséget egy csöves dologgal fogod elérni?
Azért (is) értetlenkedem, mert ha lenne ilyen, akkor nem hízott volna közel kétezer oldalasra ez a topik, hanem már a kezdetektől fogva létezne legalább egy olyan kapcsolás, amire azt lehetne mondani, hogy ha azt x ember megépíti, akkor tízből minimum 7-8 ember fenékre ül az ámulattól. Nem csak hogy nem hallottam, de még nem is olvastam ilyenről. Volt néhány gyári csöves erősítőm, meg hallottam néhány építettet is életem során, ezek között voltak nagyon egyszerű és olcsó, és jóval drágább darabok is. Még olyan is, amelyikre még én csöves ellenes is azt mondtam, hogy tényleg egész jó hangja van. Egészen addig, amíg hallgattam rajta mondjuk egy énekhangot, egy zongorát, vagy valami komolyzenét. És ezzel ki is fújt. Minden más zenén nekem a csöves hangja sokkal kevésbé tetszik (nem hallgatok komolyzenét) mint egy normális félvezetősé, a normális alatt nyilván nem a tucatkapcsolásokat értem, amit a gyári erősítők 80%-ába beletesznek. Nem bántam volna úgy 15-20 évvel ezelőtt ha bele kellett volna kezdenem egy csöves erősítő építésébe csak azért, mert mondjuk a Mike Oldfield hallatán hanyatt vágtam volna magam a szőnyegen a csöves hangtól. De éppen fordítva volt, pedig az illető aki kölcsönadta a csöves cuccát nagyon nagy becsben tartja azóta is.
Nehéz kérdés és persze minden szubjektív.
Nagyon sok erősítőt hallottam már és elég sokat építettem régebben, ez a csöves dolog, inkább hobby, hóbort, kíváncsiság. (remélem ezzel nem bántok meg senkit!) Evolució. Fiatalon TBA810, TDA2020 (kezdeti lépések) Aztán nagyobbat, egyszerűt 2N3055, vagy BD249-250-el, szóltak ahogy szóltak, aztán építettem Qcad405-öt, elképesztően szépen szólt, kitisztult a hangkép, érezhető volt végre a sztereo, helyére kerültek a zenészek, a hangszerek. Aztán vásárolt cuccok, Dán rádió (80-as évek), sokat dicsért (mercury rádió?) STK077-es hibrid IC-vel, kis Orion hifi SE1025 (még az IC-s, nem a B!) és a nagy Orion torony erősítője, aztán nagyon sok egybe torony (pld. AIWA, SAMSUNG, KENWOOD), erősítő (pld Technics) japános színezésű hanggal (90-es évek) nem igazán tetszett. Aztán nagy döntés, legyen házi mozi, tesztek, vélemények után lett egy ONKYO. Inkább csak hangos, tolakodó, nagyon Japán. Csalódás. Aztán lett egy Harman Kardon PM 665Vxi, életem legjobb erősítője, kikapcsolt hangszínnel, dinamikus, szép telt hangkép, elképesztően tiszta mély hangok (sub láda nélkül). Akkor gondoltam, (lehet hibásan) ennél már csak egy A osztályú csöves szólhat szebben! Nem bömböltetni szeretném, csak elhallgatni havas, hideg téli estéken, melegedni a csövek mellett... Játék.Kb ennyi a történet.
Azért a HK PM 665 VXI-t elég nehéz kapcsiból túlszárnyalni nagyon korrektül megépített kis dual mono rendszerü cucc, a nappalimban nekem is az az egyik ami működik főleg agy Karlson ládába tett Goodmans axiom 301-el meg kis magasrásegítéssel. Igen jól szól hosszútávon hallgatható
Nekem csak HECO dobozaim vannak, de úgy szól rajta minden, mintha tele pakoltam volna a szobát SUB ládákkal! Nagyon mélyre megy a hangja és rendkívül tisztán szól középen, magasan is.
Vissza a témához, szóval csöves... EL84
Egy szép, tiszta, kiegyensúlyozott torzítás mentes hangot szeretnék elérni, valamiért még nem szól szépen, nagyon kevés a mélye és mintha torzítana is. Csatoló kondi? Végcső munkapont? Kimenő trafó illesztése? (4, 6, 8 ohm?)
EL84 -el építhető egy olyan erősítő, ami 10 Hz -től 10 MHz -is 1 dB -en bellül egyenes az árvitel, és a fázismenet is elég egyenes. (lásd szkóp függ erősítő)
Tehát ne a csőben keresd a hibát. Természetesen rendesen munkapontba kell állítani, és tisztességesen megtervezni az erősítő minden összetevőjét. A kimenő trafónak nem csak illesztése van, hanem frekvencia átvitele is. Azt is az erősítőhöz kell tervezni, és elkészíteni. A Capri, egy általános célra tervezett rádió, a saját dobozában meglehetősen jól szólt. Tehát nem lehetetlen jó erősítőt készíteni ennek alapján. Az SE sem nagyon rossz, ha nem használod ki a cső teljes teljesítményét. Minél nagyobb a kivezérlés, annál nagyobb a torzítás. Ennél azonban sokkal lényegesebb (szerintem) hogy milyen hangdobozaid vannak. Ami jó egy félvezetős erősítőhöz, az szinte biztos nem jó a csöveshez. Pl. egy zárt doboz csöves erősítővel szinte biztos csalódást fog okozni. Ahogy a Capriban is nyitott a hangsugárzó rendszer. A hozzászólás módosítva: Jún 6, 2017
Szia! Hogy bármit tudjon bárki mondani, tudni kellene, hogy pontosan milyen konfigurációban teszteled most az erősítőt.
Azért azok a dobozok a rádió kimenőjével soha nem fognak lenyűgözni, szerintem.
A rádióban, mint leíródott, nyitott a doboz és semmi hamgváltó, ami levenne a teljesítményből. Az EL84-el vannak gyári gitárerősítők, mintegy 5W-al és hasonló megoldás, nyitott doboz, benne az erősítő és egyebek, ami az otthoni gyakorláshoz elég lehet. Vagy egyéb SE-t kell építened, ahol a trafó eleve sokkal nagyobb, vagy ráfanyalodsz a PP-re, de akkor is nagyobb k.trafó kell.
Igen, talán itt hibázok, egyelőre egy HK HD7400-as CD játszó és Egy pár Heco hanfal amivel próbálgattam, volt egy kicsi Magnet hangszóróm amire csak azért tettem rá, hogy ha valami baj lenne az szálljon el, na az érzéketlen, siralmas hangú volt.
Munkapont téma.
A rajz B pontjára megérkezik 265V, az A pontjára azonban 205 (218V) helyett 252 Voltot ad a táp, erre tippeltem, hogy amiatt, mert nincs elég terhelés a tápon. Gondolom a 160V az ECC-n sem stimmel. (még nem mértem)
Szia! Igen, a magasabb feszültség értékek eltolhatják a munkapontot, ez is lehet egy oka a torzításnak. Ha a feszültségek rendben vannak, akkor a munkapontok valószínűleg az eredetileg tervezett helyükön lesznek. Érdemes még megnézni a visszacsatoló ellenállást és ha kell meg lehet változtatni. Tegyél be egy potit a helyére és tekergesd fül után. Ha megvan a legjobb pozíció, akkor vedd ki, mérd meg és mehet a helyére egy fix ellenállás.
Ebben elég gyakorlatiasan benne vannak a csöves erősítők dolgai (is) munkapont beállítással, frekvencia-átvitel méretezéssel, erősítéssel, miegymással. Munkapont beállítás 139. oldaltól, földelt katódú kapcsolás méretezése 177. oldaltól, beleértve a kész kapcsolási rajzok dolgainak a visszafelé kiszámítását is. Csatoló és katódkondenzátorok számítása, frekvenciaátvitel. A csöves együtemű erősítők csak érzékeny hangfalakkal szólnak rendesen. A minimum kb. 90dB 1W 1m. Szerintem lehet használni a Capri kimenőket, meglepően jó az átvitelük. Persze inkább visszacsatolva. Nekem egyelőre nem volt időm a Capri klón erősítőjével foglalkozni, de még nem is döntöttem el, hogy az ECC83 felesleges féltriódáját mire és hogyan fogom használni. Jelen pillanatban az Orbán Józsi által is javasolt "párhuzamosított" két féltrióda felé hajlok, de ezt még át kell számolni, utána meg ki kell kísérletezni. Én a lehető legközelebb akarok maradni a Capri eredeti kapcsolásához. Ha összeállt a működő kapcsolás, akkor fogok csak nyákot gyártani. Csak Azért írtam ezt meg, mert beszéltük korábban, hogy neked is csinálok egy pár nyákot. A hozzászólás módosítva: Jún 6, 2017
Idézet: Akaratlanul leírtad a lényeget„Még olyan is, amelyikre még én csöves ellenes is azt mondtam, hogy tényleg egész jó hangja van. Egészen addig, amíg hallgattam rajta mondjuk egy énekhangot, egy zongorát, vagy valami komolyzenét. És ezzel ki is fújt. Minden más zenén nekem a csöves hangja sokkal kevésbé tetszik (nem hallgatok komolyzenét) mint egy normális félvezetősé, a normális alatt nyilván nem a tucatkapcsolásokat értem, amit a gyári erősítők 80%-ába beletesznek.” Akusztikus, igényes zenére, jazz-ra, komoly zenére való a csöves. Mike Oldfield és társai meg csak a a tervezett torzításról szólt, viszonylag jól. Már tömeges eladásról beszélünk. Egy elektromos zene bárhogy is szól, csak TORZÍTÁS. Miről beszélünk?? Két különböző műfaj.
Na ez az...Van olyan jó ismerősöm, aki meg kizárólag komoly zenét hallgat és jár élőzenéket hallgatni. Ja és zenél is. Találkozott valami majdnem milliós, első hallásra nagyon jónak tűnő hangdobozokkal, aztán már nem tudom milyen hangszer is megszólalt és mivel azon ő játszik, megállapította, az a hangszer nem így szól...A többi jónak tűnt, de abban a megszólalásban csalódott.
Valamikor azzal (gondoltam) viccelődni, amikor egyik barátom az automagnós-rádióba berakott egy "lágy" zenét: (Majdnem kiugrottam menet közben. Pedig én voltam a sofőr...) Ekkor jegyeztem meg, na ennek felesleges hifi erősítő, bőven elég egy tranyó, kapcsoló üzemben. Majdnem igazam lett, van 1 tranyós "hájend", ha igaz. Valami torz, végig üvöltöző és kakofonikus "zene" szólt...míg le nem vertem. |
Bejelentkezés
Hirdetés |



















