Fórum témák
» Több friss téma |
Fórum » Digitális forrasztóállomás
Azt hittem használsz ilyet és van forrásod.
Testhez, földeléshez, védőföldhöz, vízcsaphoz.
És mehet közvetlenül a védőföldre? Mert valahol azt olvastam, hogy egy 1MOhm-os ellenállást be kell tenni közéjük, bár arra már nem emlékszem, hogy miért.
Üdv! Lenne egy olyan kérdésem hogy ebből a hofokszabalyzobol:Bővebben: Link lehet-e forrasztóállomást kesziteni? Nem talaltam hozzá olyan forrasztópákát ami 230v-os es lenne benne thermoelem. Tudnátok esetleg tippet adni vagy felejtsem el? Előre is köszönöm a türelmet!
Szia!
Természetesen lehet, de már volt tárgyalva ilyesmi- igazán ágyúval verébre -megoldás. Miért keresel 230V-os pákát? A kimeneti relé max 230V 3A-t kapcsolhat, tehát akár 24V 3A- ami bármely egyszerű hőelemes páka lehet.Bővebben: Link
Azért érdeklődöm mert ha van egy ilyenem és működik is akkor építés helyett megprobalnam ezt használni mivel jo minőségi szabályzó. Azt nem tudtam a páka érzékelője jó-e hozzá, és nem tudtam hogy 24v-rol is tud üzemelni. Szóval megtápolom 24v egyenárammal rakotom a pákát és elvileg menne? Vagy azert nem ilyen egyszerű?
Hello! Félek, hogy Te félreértetted a hozzászólásokat.
- A készülék maga nem tud 24V-ról működni, csak váltó 100..240V feszültségről. Tehát 9 és 10-es csatlakozási pontján hálózati feszültségről kell táplálnod. - A kimenti reléjének kontaktusa, ami az az 1 és 2-es lábon van, tudná kapcsolni a 24V-os "pákatrafó" akár 230V-os, akár 24V-os feszültségét. De a 24V-ot szükségtelen egyenirányítani, sőt káros lenne a relé számára. - A termoelemet kötheted a 4-es és 5-ös sorkapocspontra, ami lehet az általában használt "K" típusú hőelem. Mert annak használata a programból kiválasztható. - Tehát ha a szabályzód mellé van még egy 24V-os trafód ami megfelel a páka teljesítményének, akkor használhatod a szabályzót.
Köszönöm az útbaigazítást sejtettem hogy valami nem jó azért kérdeztem rá!
Esetleg tudsz ajánlani olyan forrasztópákát amiben "K" típusú hofokerzekelő van? Sajnos ilyet nem talaltam sehol a specifikációk között sem találtam rá utalást. A hozzászólás módosítva: Jan 4, 2015
Köszönöm szépen!!! Sokat segítettél!
Sziasztok!
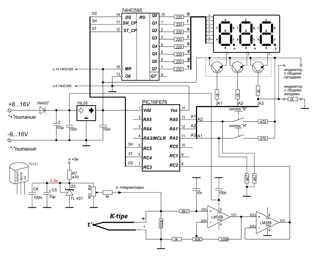
A csatolt képen, ha jól látom az 4148 dióda fordítva van bekötve a kapcsolási rajzhoz képest. Ezt megtudja valaki erősíteni számomra? Nyákterv innét származik.
Ebben ugyan úgy jobb oldalra van a csík a diódán, a 10R ellenállás irányába!
![]() A kérdés arra irányult, hogy ennek nem kellene fordítva állnia? Mivel skori rajzán ugyan ez a dióda mintha a 330R felé mutatna. A hozzászólás módosítva: Jan 17, 2015
Urak!
Lehet hogy rosszul emlékszem, de mintha valaki kompakt-fénycső előtétből csinált volna itt páka tápegységet? Ha tévednék elnézést, de ha nem megosztaná ismét? (Bocsi, de nem szeretném újra átlapozni az egész fórumot.) Üdv: Zsolt
Szia!
Nem kell sokat olvasni, sokat segít, ha képeket keresel abból csak 4 oldalnyi van. Bővebben: Link tovább olvasva leírja részletesen. A hozzászólás módosítva: Jan 20, 2015
Sziasztok. Van egy ilyen tápegységem: Bővebben: Link
24V 3A verzió. Van egy Hakko 907-es pákám is. Ehhez szeretnék készíteni egy forrasztóállomást. Viszont van egy olyan problémám, hogy amikor hideg a páka, akkor nagyon kicsi az ellenállása (pozitív hőfoktényezőjű) és túlterheli a tápegységet, annak meg leold az áramkorlátja. Mit lehetne vele kezdeni? A hozzászólás módosítva: Feb 2, 2015
24V 50W-os a páka = 2.08A, a tápod 3A-es (elvileg), tehát ott valami gáz lehet. Mérj rá hohy csak a pákát rákötve hidegen mekkora áram folyik és mekkora a feszültségesés
A pákának a fűtőbetétje pozitív hőfoktényezőjű, hidegen nagyon kicsi az ellenállása. Kb 2 ohm. És ezért terheli túl a tápegységet. Ha egy hőlégfúvóval felmelegítem a pákát, 300 fok fölött már bírja a tápegység, mert ott má elég nagy a fűtőbetét ellenállása.
1: Használj normális trafós tápot, az nem kényeskedik.
2: Ha ragaszkodsz ehhez a táphoz, akkor kell egy lágyindító-szerűség. Azért szerűség, mert ide jóval hosszabb idejű elő-indítás kell, mint egy trafónak. A szükséges időt néhány másodpercre saccolom.
Helló. Szerintem nincs itt gond. 48W-os pákához a 48W-os tápnak elégnek kell lennie. Amit én a helyedben tennék: FET-tel kapcsolnám a DC-t, mégpedig PWM-mel. 0.1ohm-on mérném az áramot, így előállítanék egy áramkorlátot a PWM-mel. Bekapcsoláskor mondjuk 10%-os pwm-mel indítanék, mérném az áramot. Ha 1.7A alatt van, akkor növelném a kitöltési tényezőt. Közben mérném a hőfokot. Így nem fog soha 2A-nál több folyni. A vezérlés meg lehet sima be-ki üzemű is, vagy PID. Szerintem az első bőven elég. Nekem nem kell +-0.5 fokC pontosság.
Üdv. Nemtudom jó helyre teszem-e fel a kérdést de egy próbát megér. Kaptam egy ERSA MS1500 "forrasztó állomást" ,és annyi volna a kérdésem hogy átalakítható-e arra hogy fogadjon solomon pákát is? Elvileg az elejére az van írva hogy 6V 18VA ,tehát jelen állapota szerint nem képes rá.
Valakinek volna ötlete ezzel kapcsolatban hol kezdjem el az átalakítást? A válaszokat előre is köszönöm.
A fűtőbetéttel. Keress belevaló 6V-os betétet. (A nagy kérdés, hogy megéri-e ennyit vacakolni vele...)
Sziasztok! Mit kell tudnia egy digitális forrasztóállomásnak?
Amire én gondolok, digitális kijelzés, beállított, és aktuális hőmérséklet mutatása, standby mód x idő után, kikapcsolás y perc után. Más nem jut eszembe, ami értelmes lenne. Jelenleg úgy érzékelem, hogy a páka nincs használatban, hogy egy NTC ellenállás van a tartóban, így mikor visszahelyezem a pákát a tartóba, a felszálló meleg levegő melegíti az NTC-t. A szabályzás egyszerű, 100mS-ként megnézem, hogy a beállított hőmèrséklet nagyobb-e mint az érzékelt, ha igen, akkor a fűtést bekapcsolom. Köszi.
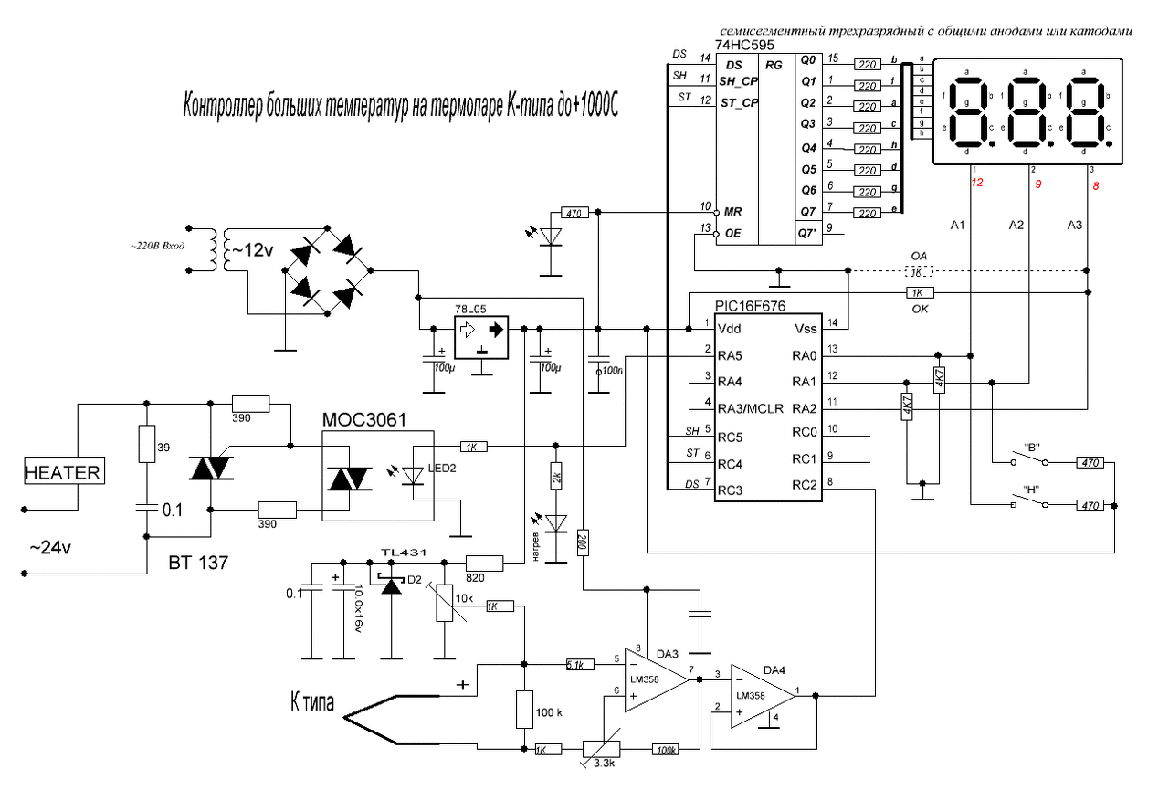
Sziasztok! Nekiálltam egy orosz oldalon talált K hőelemes szabályzóegységnek melynek tervezek egy nyákot (ami van az oldalon elég otromba). Van hozzá szinte minden alkatrészem így nem kell beruháznom ezért választottam és igazából egy nyák alámelegítőbe szeretném építeni de jó lehet más célra is ezért univerzálisra készítem. Van két verzió is nem tudom melyik lenne jobb. Az egyikben egy LM358 van a másikban úgy nézem kettő is össze van kötve. Na ez lenne a kérdésem miért van kettő? Sajnos az eredeti oldalon nem sok az infó róla.Megköszönném ha valaki konzultálna velem róla.
Bővebben: LinkBővebben: Link
A második LM csak impedanciát illesz. Az erősítése 1.
Sajnos nem. A hex az beírható a kontrollerbe azt kipróbáltam.Én azt gondoltam,hogy a 24V váltóáramról mi a forrasztópáka fűtését hajtja arról kapja az LM358 a tápot mi van akár 30V is egyenben ezért duplázta talán meg mert a táp is hídszerűen van.
A hozzászólás módosítva: Máj 26, 2015
|
Bejelentkezés
Hirdetés |














