Fórum témák
» Több friss téma |
Valaki építette már meg? Tapasztalatok?
Lenne egy elég laikus kérdésem!
Ahogy én olvasgatom a cikkeket és a fórumot. Van egy régi erősítőm, de csak sztereó bemenetek találhatóak rajta. Viszont van 5 csatornás kimenete. Plussz még Pro logic dekóder benne. Elméletileg ha rákötöm a számítógép sztereó kimenetére és bekapcsolom a "pro logic dekódert" képes a filmben lévő hangot mind az 5 csatornára lebontani 2 a csatornán keresztül jövő jelből?
Igen, ha a film is térhatású. Azaz, Dolby Stereo, vagy ProLogic-os.
Sziasztok. Nemrég vettem egy Aiwa av-d77-es erősítőt, és az vele a gond, hogy kalapot emelt benne az AK4527-es proci. Na most az a helyzet, hogy ide haza nem lehet kapni ilyen alkatrészt, viszont találtam helyette egy másikat a CS4228A-t, ami végül is szinte ugyan azt tudja mint a másik csak mégse. A kérdésem az lenne, hogy az analóg részét a procinak fel tudom-e úgy használni, hogy a digitális részhez nem nyúlok bele? Ha valaki tud , segítsen nekem. Köszi
Attól függ, mi az őt használó áramkör célja, minősége (amit elvársz tőle). A lábkiosztása szabványos 8 lábú kettős műveleti erősítőnél szokásos, tehát elvileg bármelyik működik a helyén.
Szia!
Egy 5.1 es hangfalszetthez szeretném.
Szabad érdeklödni, hogy ez a kapcsolás mitöl Dolby?
Azonkivül, higy össze vissza keveri a jeleket semmi mást nem csinál.
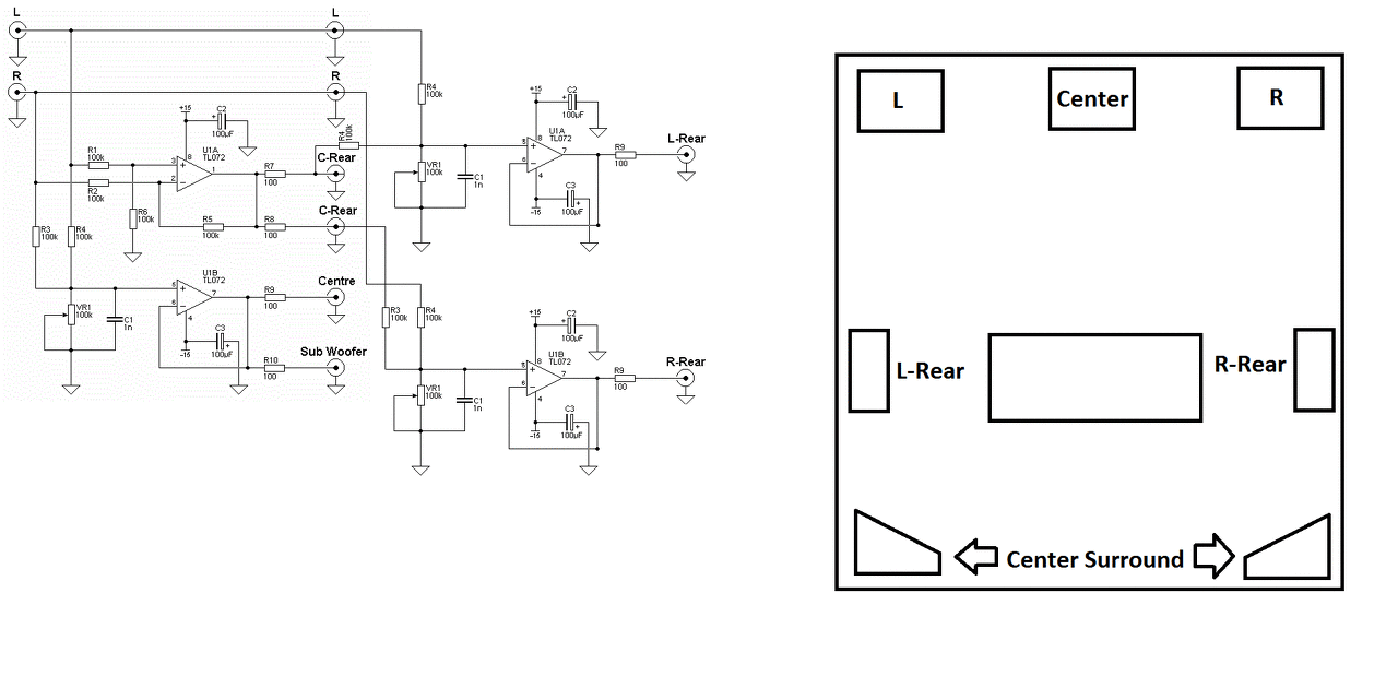
A center a jobb és bal oldal összege,ezért a műveleti erősítő összegzi a sztereó jelet.
A mély kimenet szintén összegzett jobb és bal oldal. A surround kimenet pedig a jobb és bal oldal egymásból való kivonásából születik meg, így lesz egy mono háttér csatorna. Ez a Dolby Surround a TV adás,az Xbox stb, ilyen sztereó jelet ad ki magából. Nyilván nem profi kapcsolás,de működik,hiányzik beőle a surround részből a késleltetés és a sáváteresztő szűrő ha jól emlékszem 100-7000Hz. A rajzon az L és R Reart én szerkesztettem hozzá,hogy vajon milyen eredményt adhat ha oldalt is vannak olyan hangszórók amik átmenetet képeznek az első és a hátsó hangszórók között, esetleg kicsit ellensúlyozhatja a mono surroundot, persze csak elméletileg. Ezért raktam fel ide.
A center még ugy ahogy világos ( habár ha a sztereojelet összegezed abbol mono lesz és nem center). A subwooferre ugyanazt a jelet küldöd mint a centerre (ha jol emlékszem azok a hangszorok csak kb 80Hz-g képesek a jeleket feldolgozni - a többi füteni fog
![]() A két különbségi jel az elvben lehetne a 2 hátso csatorna, csak éppenséggel nem igy keletkezik a eredetiben a hátso hangzás. Még prologic surrondnak sem jo. Ha megnézed néhány hozzászolással lejjebb a hangprocesszorok kapcsolását és müködését, akkor talán nyilvánvalo, hogy ez az áramkör mindent csinál, csak nem térhatást és a Dolby név sértegetése. A térhatásnak az egyik fö jellemzöje ugyanis a jelek idöbeli eltolása, a te rajzod ettöl fényévekre van. ( még az analogtól is). A hozzászólás módosítva: Aug 19, 2015
Nyilvan szukseg van a mely kimeneten egy alulatereszto szurore. Nem fogok veled vitazni, senki nem mondta,hogy ez dolby! Igy keletkezik a hatterhang, ez az elso lepcsofok a dekodolasban azt, hogy mi hianyzik belole az eredetihez kepest leirtam fentebb erre te ugyanazt leirod.
Nem az en kapcsolasom, itt az oldalon megtalalhato a kapcsolasok kozott en csak varialtam rajta. Azt javaslom kicsit olvass utana a dolgoknak,mert csak ertelmetlen koroket futunk. En megepitettem leultem, beraktam egy surround tesztet es lass csodat a surround hatulrol erkezett.
Pedig még a rajz neve is Dolby_stereo...
![]() Az ilyen kapcsolásnak abszolut semmi értelme sincs. Akkor már nagyságrenddel jobban jársz, ha mind az 5 csatornába ugyanazt a jelet küldöd ( esetleg sztereoban oldalanként) és rábizod a szobádra, hogy alakitsa ki a térhatást - hidd el sokkal jobban szol és nem rontja el a hangérzeted.... ( mert az teret csinál ez a kapcsolás meg csak marhaságot).
Nem tudom miért zárkózol el a tanulás elől. Csak makacs módon ismételed önmagad.
Olyan, mint ha azt akarnád megmagyarázni,hogy 1+1=3, amikor mindenki tudja,hogy ez nem igaz. Összeraktam kipróbáltam, volt quadro rendszerem is tényleg jól szól,de az más. A mai nap két filmet néztem meg a saját dekóderemmel és tökéletesen működik. A front csatornák hangja csak nagyon halkan jelennek meg,de ha valami hátul zajlik az tisztán normál hangerővel. Mint írtam, kipróbáltam surround teszt cd-vel amikor egyenként végig mennek a csatornákon és működik! Ha nem hiszed rakd össze,kb 20perc az egész és hallgasd meg magad és aztán kíváncsi vagyok a véleményedre a térérzetet illetően,de addig kérlek ne szólj hozzá ahogy te fogalmaznál "marhaságokat",mert nem azért írtam,hogy vitatkozzak hanem hozzáértőktől várok hozzászólásokat akik értenek hozzá és már a rajról látják,hogy mi mire való.
Mit lehet tanulni egy ilyen primitiv áramkörröl? ( ráadásul némi tapasztalattal a valodi Dolbyval.
).Hagyom, csináld ahogy gondolod, de jo volna elöbb elmerülni a térhatásu hangok alapfokú rejtelmeiben, mielött egy ilyen áramkörröl disszertáciot irni...
Ez az áramkör nem dolby surround. Nem teljesíti annak feltételeit, nincs benne késleltetés, sem sávszűrés. A régi-régi hordozható magnók csináltak hasonló módon térérzet-növelést, de ennek semmi köze egy DS-kódoláshoz. Valami nyilván működik benne, hat a hangképre, de kérdés, hogy a cél mi? Az eredeti kódolás hű visszaadása, vagy valamivel elmaszatolni a hangképet, ami lehet, hogy jól hangzik, csak közel sincs az igazihoz. Amit te csináltál, az az 1+1=3 és te be akarod bizonyítani, hogy márpedig az a 2, pedig nem az. Nem is értem, mit keres itt ez a kapcsolás-hiszen nem dolby.
A vélemény kapcsán, nem akarom Massawát védeni, de szerintem ő (is) pontosan látja a rajzról, hogy mi mire való és ért is hozzá. Attól, hogy a véleménye ellenkezik a tiéddel, még nem lesz marhaság.
Kb igy van. Az amit ez az áramkör tud (a hangcsaláson kivül), azt minden gond nélkül meg lehet oldani ugy, hogy a hátso hangszorok kábeleit megforditják ( fázist fordit) és minden hangszoroba ugyanazt a jelet küldik ( vagy sztereoban 2 jelet felosztva)..
Amit linkeltem kapcsolás tényleg csak elméleti dolog azért is raktam fel ide,hogy beszéljünk róla.
Itt az eredeti http://www.hobbielektronika.hu/cikkek/hazimozi_hazilag_-_dolby_ster...l?pg=1 tessék elolvasni részletesen. Nincsen hangcsalás. A Dolby cég a jobb és bal csatornába kódolta bele a mono surround hangot. Az áramkör ezt kinyeri a két oldalból. Nincs hangcsalás semmi!
Föleg neked kéne ezt részletesen elolvasni ( söt az ujabb értekezéseket is), mert abban az analog Dolbyban valoban kevés csalás van, csak az ominozus áramkör csal ki egy sereg szerencsétlen hangot, aminek semmi köze az eredetihez, és csak kimondottan a legegyszerübb Pro Logic szerü analog kodoláshoz használhato ( ahhoz is csak nagy kompromisszumokkal), ami viszont pár éve már kimuloban van.
( A modern digitális hordozokon elö sem fordul, igy ki tudja milyen hangot kapsz ilyen forrásból).
Igazad van. Én megépítettem kisérlet/hobbi céljából és meglepő eredményt produkált. Analóg,hiányos(késleltetés,sávszűrés),de dekódolja a surround hangot ha jelen van a forrásban. Nyilván nagy az áthallás, jelen vannak a front hangfalak jelei is hátul,de sokkal halkabban és létrehoz teret a szobában. Nem tökéletes és elavult,de műkidik a maga módján, viszont nem csal. Nem tudom a csalást hogyan értetted nekem az jött le,hogy te arra gondolsz,hogy a fázisfordításból kreál valamiféle zajokat és surroundot szimulál. Én ezt cáfoltam. A cikk írója leírta mit tud,megépítettem kipróbáltam, tudja de ennyi.
Tévedés, nem dekodol semmit, hanem valami mühangokat kiküld az 5 hangszoroba - de, hogy mit azt nehéz leirni a viszonyát az eredetihez meg még kevésbé.
Nem hiszem, hogy ez lenne a cél. Ez ugyanaz mint höskori házimozi készülékek, amin ha megnyomtál néhány gombot még a mono hangot is képes volt stadionba elhelyezni. ( annak idején akkora reklámot csaptak neki, hogy még a studio falai is remegtek - a röhögéstöl.) A hozzászólás módosítva: Aug 31, 2015
3 csatorna van! JOBB-BAL-HÁTTÉR. A jobb és a bal közvetlenül átmegy az áramkörön. A háttérhang pedig úgy dekódolódik és igen dekódolódik,mert visszafejti az ellen fázisban felvett háttércsatorna jelét,hogy a JOBB és BAL oldal fázisát visszafordítja 180fokkal.
A center és a mélyláda kiegészítés,de azok sem műhangok. A center a jobb és a bal összege ugyanúgy,mint a mélyláda kimenet,mert látszik is a rajzon,hogy a kettő ugyanaz. Honnan jönnek elő műhangok? Abból a két darab műveleti erősítőből? ![]() Pont a Dolby Pro Logic II az ami műhangokat és ál teret csinál. Nem ez az egy szál TL072 könyörgöm. Te tényleg nem látod át a rajz működését... A mono háttérhang amit visszafejt az elektronika és az nem műhang hanem a stúdióban direkt úgy keverték rá ellenfázisban. A jobb és bal mivel érintetlenül átmegy megint nem műhang, a center és mély a jobb és bal összege. Hol a műhang? Ha ezt a kapcsolást kiegészítjük a háttér csatornán egy delay ic-vel és egy 100-7000Hz közötti sáváteresztő szűrővel illetve egy Dolby-B zajcsökkentő IC-vel akkor megkapjuk a teljesen hivatalos szabványoknak megfelelő Dolby Stereo dekódert! Ami a házimozi nyelvén a Dolby Surround. Ennyi. Nincs tévedés!
A piros bekeretezett rész hiányzik. A zöld rész a kapcsoláson a zöld résznek felel meg. Csak egy kis segítség értelmezni a rajzot. Hallom a saját fülemmel,hogy működik. A surround teszt hangszórónként végigmegy a jobb-bal-háttér csatornákon és működik. Nincs műhang.
A felső rajz egy külföldi oldaltól van: http://www.hometheaterhifi.com/volume_8_1/dolby-prologic2-3-2001.html
Ugyan már. Ne veszekedjetek. Te is tudod, hogy ez nem egy Dolby dekóder kapcsolás, hanem egy olyan, amivel az otthoni ember kicsit fel tudja dobni a több hangszórós rendszerét, akár sztereó hanganyag hallgatása közben is. Érdekes lehet, hogy a centerből a két oldalnak csak a közös része szól, és hogy hátulról pedig a különbség. Én is meghallgatnám szívesen. Persze nem összemérhető egy 7.1-es DVD-vel, hozzá való hangrendszerrel, de ez a kapcsolás a maga egyszerűségével igen is elmés alkotás. Sokan zenét csak sztereóban tudnak hallgatni (szerintem az emberek 95%-a), és az ilyen hanganyag "nagyobb térrel" fog szólni, talán még jobban is tetszene, mint ha csak szét lenne osztva jobb és bal csatornára a szobában. Aki meg eredeti Dolby-t akar hallgatni, az vesz egy DVD-játékost, meg hozzá való lemezeket, vagy a hangkártyával bűvészkedik kicsit, és kész.
A hozzászólás módosítva: Szept 1, 2015
Nem veszekszünk, csak nevezzük nevén a gyereket, és ne ringassuk tévhitekben sem a topiktársakat, sem az idevergödö nagyérdemüt.
S ami a leginkább zavar, és erre köbzolinak kellene a leginkább odafigyelnie, hogy valoban kialakult a hülye reklám meg marketing kampány miatt egy réteg, akik elhiszik, hogy ilyen meg hasonlo primitiv áramkör javit valamit a hangzáson, söt térhatást modellez. Egy müszaki forumon nem kell okvetlenül felsorakozni az ilyen igehirdetök mögé ( arra ott vannak Hifi mágusok. ).Szoval az ilyen kapcsolás valoban kreál 4-5 hangcsatornát bármilyen 2-böl - és most jön a lényeg - akkor is ha az eredeti hang sima sztereo ( azaz soha semilyen hangprocesszoron nem ment át, azaz soha senki nem kevert a 2 sztereo csatornába másik hármat C,SL,SR). Csak költöi kérdés: Ilyenkor miért jelenik meg hang a hátso csatornákban? Ezért irtam, hogy az ilyen áramkör mühangokat csinál, hasonloan ama emlegetett házimozi dobozokhoz. Ráadásul, mint már irtam, az analog Surround pár éve meghalt, azaz ma nincs jelforrás, ahol ilyen eljárás alapján keverik le a többcsatornás felvételt sztereoba. ( ráadásul az analog surround fénykorában sem volt soha kötelezö ezt megjelölni a hordozon - mint pl. manapság a Dolby 5.1-t stb. - igy sohasem tudhatod, hogy valoban milyen jelet probálsz szétosztani 5 csatornára). A hab a tortán, hogy ellentétben a korábbi korokhoz (ahol a studiokban, rádiokban árgus szemekkel vigyáztak a jelek fázisára - extra müszer szolgált erre -) a digitális korban a fázismérés kihalt, és megjelent rengeteg modern hangkeltö szerkezet - hangszer, effektusok, jelfeldolgozási modszerek (DJ) - amik rengeteg ellenfázisu komponenset kreálnak (semmi köze a térhatáshoz), amik az ilyen áramkörökben rengeteg hamis hangjelet okoznak. Lehet ilyen esetben térhatásrol beszélni, azaz felosztani egy jelet 4-5 térhatásu csatornára (LCRS)?
Ez az aramkor csak akkor mukodik ha van surround a forrasba kodolva. Sima sztereo jelbol nem csinal teret abbol tenyleg csak katyvasz lesz.
Tenyleg meghalt az eljaras, de a mai napig rajta van a 2.0 filmeken, xbox jatekokon sot sok tv musorban is a surround. Vegszokent, ez csak akkor dekodol ha van mit, ha nincs akkor egy halk katvasz lesz hatul.
Pontosan itt van a legnagyobb tévedés. Ez a hang a sima sztereobol is 5 csatornát csinál, ha olyan hangkomponensek vannak benne ( nem térhatás). Hallgass meg egy modern elektronikus zenét és meghallod mit csinál ez abbol a jelböl.
Manapság, miután megszünt az analog adás és jelfeldolgozás, a digitális jelek nem az analog surround rendszer alapján kerülnek hozzád, hanem más többcsatornás diszkrét jelek formájában. A PC-d hangkártyája is 5 (stb) diszkrét jelet ad, ha ilyen komponensek vannak az eredeti jelben (stream). Ha véletlenül valodi (ProLogic) surrond formátumu a jel, akkor valamivel több jelet kapsz az áramkörödböl, de továbbra is kétséges, hogy azok az eredeti térhatásnak felelnek meg ( amit az eredeti 4 -5 csatornábol kettöbe kevertek), vagy csak annak a szimulácioját. A hozzászólás módosítva: Szept 1, 2015
Nem csinal 5 csatornat. Alapvetoen nincs szo 5csatornarol,mert a dolby surroundban a hatter mono.
Hiaba digitalis a musorszoras es a jelfeldolgozas pl a belteri hangkimenete analog 2csatorna, van rajta digitalis is nyilvan. A lenyeg,hogy a 2 csatornaban altalaban jelen van a hatter. Van surround teszt dvd-m. Ki lehet valasztani 2.0, 5.1 Ac3 es Dts hangokat. Ha a 2.0at valasztom ki a kovetkezo tortenik: azt mondja a noi hang: left speaker- megszolal a bal hangfal, right speaker-megszolal a jobb hangfal, rear speaker- erdekes modon megszolal csak a hatso. Erre mi a magyarazat? Teljesen gyari teszt lemez. |
Bejelentkezés
Hirdetés |








).

).




