Fórum témák

» Több friss téma
Fórum » DS1307 inicializálása
 
Témaindító: fookos, idő: Jan 29, 2008
Témakörök:
Lapozás: OK   7 / 7
(#) sakrafi válasza kala1982a hozzászólására (») Jan 28, 2017 /
 
Ezek mind rendben vannak.
(#) kala1982a válasza sakrafi hozzászólására (») Jan 28, 2017 /
 
Akkor új 1307. Forrasztási hiba mentes panelen van?
(#) sakrafi válasza kala1982a hozzászólására (») Jan 28, 2017 /
 
Egyenlőre még dugdosóson van építve.
(#) kala1982a válasza sakrafi hozzászólására (») Jan 28, 2017 /
 
Gondolom másik IC-d nincsen, ebből nem rendel sokat az ember hobbi célra, csak ha valamiből több példány kell. Nincs ötletem. Ha a kristály nem oké, akkor nem mérne rendesen..
(#) neogeo2 hozzászólása Ápr 27, 2020 /
 
Sziasztok!
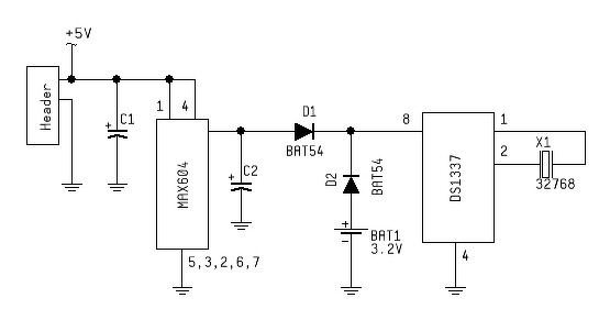
Igaz, nem ds1307, hanem ds1337, viszont ez a kettő rtc majdnem ugyan az. A kérdésem az lenne, hogy a mellékelt rajz jó lehet? A 2032es gombelem bekötése helyes így? Nem fogja hamar megenni az elemet semmi? Diodának a bat helyett használhatok 1n4148-at vagy 1n4001-et?
Köszönöm a választ!

drawing.jpg
    
(#) Bakman válasza neogeo2 hozzászólására (») Ápr 28, 2020 /
 
A kapcsolás jónak tűnik de diódáknak a lehető legalacsonyabb nyitófeszültségű schottky diódákat használd különben viszonylag nagy lesz a veszteség. Ha máshol nem is, legalább a D2 pozícióban.
(#) neogeo2 válasza Bakman hozzászólására (») Ápr 28, 2020 /
 
Köszönöm!
(#) PHARO hozzászólása Júl 25, 2020 /
 
Sziasztok!


Nekem olyat csinál a ds1307, hogy ha beállítom az órát és elemkimerülést idézek elő és bele teszek egy másikat, akkor a visszakapcsolás után nem szinkronizálja a mikrokontroller és nem írja ki az lcd-n az időt. Ha nem állítom be az órát és kiveszem az elemet, akkor működik rendesen. Azt is kipróbáltam, hogy alap állapotra visszaállítom a mikrokontrollerbe a beállításokat, de így se ment.
Tudja valaki mi lehet a hiba?
(#) kalmi.kalmi hozzászólása Szept 23, 2022 /
 
A DS1307 53óra:72perc percet írt ki. Áramtalanítás után is ! Tehát nem az atmega8 volt ludas. Elvettem a tápot és az aksit a ds1307-ről és jó lett. (00:00) Mi okoz ilyet ?
Következő: »»   7 / 7
Bejelentkezés

Belépés

Hirdetés
XDT.hu
Az oldalon sütiket használunk a helyes működéshez. Bővebb információt az adatvédelmi szabályzatban olvashatsz. Megértettem