Fórum témák
» Több friss téma |
Írtad, hogy volt reset, tápelvétel, akku le, pgm1 összekötve zóna 1-el majd táp vissza?
Aztán vissza álitva az eredeti bekötés ? 5.30 Gyári alapértékre állítás Olykor szükségessé válhat a fő panel, vagy a hozzá csatlakozó valamely modul (LINKS2x50, PC5132, PC5400) gyári alapértékre állítása. A fő panel gyári alapértékre állítása hardveresen az alábbiak szerint történik: 1. lépés - Távolítsa el az hálózati és az akkumulátor bekötetést a panelról 2. lépés - Távolítson el minden vezetéket az 1. Zóna és a PGM 1 csatlakozóból. 3. lépés - Egy kis darab vezetékkel zárja össze az 1. Zóna csatlakozót a PGM 1 csatlakozóval. 4. lépés - Állítsa vissza a hálózati tápellátást a fő panelen. 5. lépés - Amikor a billentyűzeten felvillan az 1 zóna fény, a gyári alapértékre állítás befejeződött. 6. lépés - Távolítsa el a hálózati tápellátást a vezérlő panelról 7. lépés - Állítsa vissza az eredeti vezetékezést és élessze a vezérlő panelt A hozzászólás módosítva: Nov 22, 2012
Nem éppen ezt tanácsolták a DSCnél,csak akku le és 220 ki,majd veszett sivítás kb 30 mp-ig és 220 és akksi vissza. Azóta ez látszik a kijelzőn amit fentiekben írtam. Rövidre zárva nem volt a zóna. Ilyen munkát este mikor otthon leszek akkor tudnám megtenni, ha ezzel valamit kiszűrni szeretnél.Ők azt mondták,hogy a sziréna akksia is rossz lehet és a panel is gázos ha a csere után a hiba továbbra is fent áll. Akku ott még nincs cserélve. Teendőm?
Köszönöm Kovabe, Syn7h37ic
Csatolok egy manualt az eszközről. Azt nem értem, ha kapcsolókkal ki tudom zárni, hogy PIR vagy MW vagy mindkettő akkor miért kell külön kimenet. Úgy látom mindketten párhuzamosan kötnétek, ha belegondolok tényleg így logikus. Még az lenne a kérdésem, hogy mennyire lenne megbízható egy terasz védelmére. Van aki a vakriasztás miatt nem ajánlja, vannak akik azt mondják tökéletes megoldás ha jól be van lőve. Kiváncsi vagyok a tapasztalatokra.
Mivel a sziréna üvölt azzal most ne foglalkozz él az akku. A resetett csináld meg a leírás szerint ezt a telepítőiből másoltam ott is megtalálod. a 4es és 5-ős lépés között várj 20 mp -t. a kezelő is hangot ad ha minden rendben
/ A kezelőn a zónák elvileg nem villoghatnak / Este is leszek , meg mások is. ![]()
Oké szétszedem és megcsinálom amit tanácsoltál(ezt én is olvastam) Remélem siker lesz és a továbbiakban majd kereslek ha nem ok....!
Eddig is nagyon köszönöm a segítséget és a kérdéseidet. További szép napot
sikeres reset után a teljes rendszert fel kell programozni, viszont az biztos , hogy eddig nem lett resetelve a rendszered. A DSC-seket nem értem a javaslatukkal, esetleg v.mi félre értés
lehetett a komunikációban.
Még nem volt ilyen reset,de a programozáshoz segítened kell,talán telón jobb lenne ha megoldható...persze ha eljutok még ma ahhoz. Távjavítással konferenciabeszélgetésben voltunk és ezt mondta az ügyeletes elsőként. az alaplapot nézve akkor csak a PGM 1 et kell kikötnöm éa a Z1et és a hozzá tartozó COM-ot is? Tudom hülye kérdés.....?
A PGM1-et kell összekötni a Z1-el a COM -ot nem kell bántanod. A Z1-et és a PGM1-et összekötöd egy vezeték darabbal . A programozásban is segítek nem gond.
A hozzászólás módosítva: Nov 22, 2012
Szia nem tudom milyen ez az eszköz de nekem a miálltalunk használt kültéri infrákkal (paradox , watcout) sajnos rosz a tapasztalat, nagyon nehéz ugy beállitani hogy a környezetet ne vegye észre, gondolok fára, bokorra és hullo falevélre. Ha nem feltétlen szeretnéd megvédeni a külsö részt hanem elég a behatolás védelem akkor inkább belüre raknám az infrát. Esetleg ha van rá lehetöség infrasorompot is fel lehet szerelni.
Bocsánat de még csak most tudtam kiprobálni.
A *8 insatt kod *076 3-be az nyert. Köszönöm a válaszokat.
Szép estét!
Megcsináltam. A helyzet:Visszakapcsolásnál a sziréna csípant a tasztatúra csipogott a Ready és system világit. Az infrás zónák közül a 2es és 3as ha elmegyünk előtte bevillan ami oké. Nem látja a többit miért és az ajtónyitás érzékelő ami az ötös volt azt sem látja. Gondolom a programozás az oka vagy most tört le a vezeték? Sziréna akku kikötve. Ha gondolod mehet a segítség a további lépésekhez.
köszi a megerősítést. A többség is ezen a véleményen van. Átrajzoltam párhuzamos bekötésre. Akkor ez így jó?
üdv Zoli
Igen igy jó
Kültéri infráknál a legfontosabb az elhelyezés. Ki kell a lehetőséget is zárni, hogy véletlen se érzékeljen mást. Terasz esetén is úgy kell elhelyezni, hogy az épület felé nézzen, ne az udvarra, így is csökkenthető a vakriasztás lehetősége. Utca felé semmiképp se legyen állítva, hiába x méter a látótávolság, ez még nem garancia arra, hogy egy távolabbi mozgó valamire nem jelez. Érdemes a riasztón belül is (ha támogatott ez a funkció) kettős jelzésre állítani, DSC esetén (5020, 1616-1832-1864 biztosan tudja, 585, 1565, 5010, nem) kereszt zóna és a kettős jelzés engedélyezését bekapcsolni.
Mi mostanában Optex VX402 kültérieket raktunk fel, jó elhelyezés esetén nincs vakriasztás.
végül is egy kósza gondolat volt, hogyha már kültéri mozgásérzékelőim vannak akkor rakjunk egyet kívülre is. Egyenlőre álljon össze a rendszer aztán lehet elkezdek játszani evvel. Azért azt megjegyzem, hogy az elhelyezés ugyanolyan fontos, mint a beállítás.
Köszönöm
Szia jó hogy erröl a keresztzonárol beszélsz. Le tudnád irni nagyvonalakban hogy hogyan is müködik mert nem teljesen tiszta, hogy ha beállitom akkor csak a mellérendelt zona induláskor indul vagy esetleg ha egy zona duplán indul akkor is.
sziasztok,
most azzal kapcsolatban szeretném kikérni a véleményeteket, hogy a kinti villanyóra szekrényt szoktátok-e védeni valamivel? Arra gondoltam, hogy megerősítem a dobozát, zárhatóvá teszem, csak akkora üvegezést csinálok rá, hogy leolvasható legyen (üvegtöréssel ne lehessen hozzáférni a kismegszakítóhoz) és rakok bele egy nyitásérzékelőt. Áramszolgáltatónak lehet kifogása ellene? Úgy tudom óracsere előtt kiértesítenek időpont egyeztetés céljából. Viszont evvel a megoldással a plombálás nem látszana. Evvel kapcsolatban vannak tapasztalatok? előre is köszi Zoli
sziasztok,
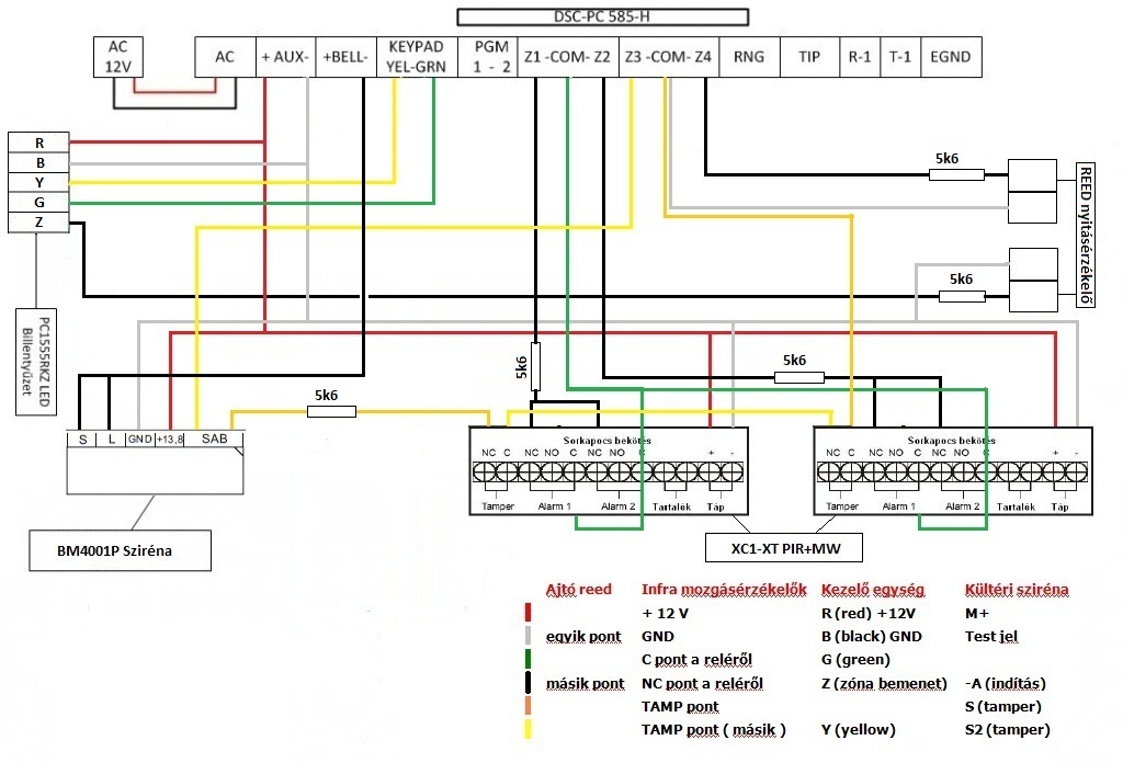
csináltam egy bekötési vázlatot, hozzáértők véleményezését szeretném tudni, hogy jól gondolkodom-e. Amibe nem vagyok biztos az a sziréna bekötése. Erről a típusról nem sok infót találni a neten. Feltöltöm a manualját is, gondolom úgy könnyebb lesz szakérteni. Előre is kösz Zoli
Úgy nézem, jó minden bekötés.
Köszönöm, hogy időt szakítottál rá. Elkezdem beleásni magam a programozás mélységeibe. Ahogyan elnéztem nem kis falat lesz, legalábbis első látásra. Gondolom logikusan van felépítve és idővel letisztul bennem. A fórumon még nem találtam, de ha van valami szamárvezetőtök (sorrend meg ilyesmi) akkor szívesen veszem.
üdv Zoli
Ajtónyitás érzékelő mehet rá azonnali zónára. Ha élesítve van és kinyítják, rögtön jelezzen. Érdemes az AC-t is figyelni és egy kondival / 555 timer IC-vel késleltetni a jelzését. Ha megszűnik az AC, x idő eltelte után mehet az SMS. Ha kapsz egy riasztást + AC hibát SMS-ben, akkor már legyen gyanús a szitu, hogy nem téves...
A hozzászólás módosítva: Nov 28, 2012
Köszi. Ezek szerint már élnek ilyen rendszerek, sőt rendesen tovább is van gondolva. Nagyon tetszik a tipp, elrakom későbbre, ha már meglesz a GSM modul. Esetleg egy bekötési rajzot az IC-hez vagy kondihoz tudnál felvázolni? Ja, és mekkora kondi kellene?
üdv Zoli
AC hibát a központ is tud késleltetve figyelni.
Köszi, tényleg. Ha van szabad PGM, megoldható azzal is.
555-tel történő késleltetést ennek segítségével lehet könnyen kiszámolni: Bővebben: Link Legutóbb épp egy 10 másodperces késleltetéshez használtam fel egy bonyolultabb relé/PGM logikánál. A hozzászólás módosítva: Nov 28, 2012
A kültérinél nem inkább a bell+ kéne kötni az aux+ helyett?
Ezt a rendszert a neten talált dolgokból raktam össze nulláról indulva. Senki ne vegye kp-nek amit írok. Úgy gondolom, hogy akkor kellene bell+ -ra kötni, ha a szirénában nem lenne áthidaló akksi. Aux +,- felügyeli, tölti az akksit, bell- -ról csak indítójelet kap. Nekem ez így jött le, de majd a Nagyok megmondják.
üdv Zoli
Szia!
Szerintem is jók a bekötések. Egy dolgot megváltoztatnék, a sziréna tápot a Bell+ -ról venném, hogy ne terhelje az AUX vonalat. A szirénához még célszerű betenni az 1K-s ellenállást, hogy ne jelezzen szirénaköri hibát. Üdv: Gábor |
Bejelentkezés
Hirdetés |







