Fórum témák
» Több friss téma |
Fórum » EAGLE NYÁK tervező
Témaindító: csonthulye, idő: Dec 1, 2005
Témakörök:
Eagle leírások a neten:
Eagle alkatrész-könyvtárak: http://www.snapeda.com
és a leírás hozzá.- http://www.piclist.com/images/www/hobby_elec/e_eagle.htm - http://pa-elektronika.hu/hu/cikkek/75-eagle.html
Sziasztok!
Kapcsolási rajz szerkesztésekor hogy lehet megoldani, hogy nem kötöm össze az egyébként azonos Net-en lévő lábakat, hanem kapnak ezek egy kis "táblát" azonos jelöléssel, és a progi ebből tudja, hogy ezek összetartoznak? (Ha mindent összekötnék, akkor egy kicsit sűrű lenne a vége...) A segítséget ismét megköszönöm! Köszi!
CSakcsak szenvedek az eagle-el
Próbálom magam rászoktatni hogy csináljak schematikot de engem nagyon zavar hogy pl az ic-knek nem ad valósághű képet egyik oldalon a betáp+test másik oldalon meg az öszes többi láb. igy szinte lehetetlen hogy áttekinthető rajzot csináljon az ember. (de ez lehet hogy csak az én hibám mert az elektronikába és az eagle-be is kezdő vagyok.) most szerintem olyan technikával fogom megrajzolni hogy megnézem a ic eredeti rajzát? melyik láb hol van és mit csinál, és azt egy kicsit megkeverve rajzolom a schematikot kicsit kuszább lesz de a nyákon legalább nem lesz annyi lengő vezeték. vagy van erre valami jó ötletetek? és lenne egy segítség kérésem. fogalmam sincs hogy a z 5 voltos feszstabilizátorhoz milyen kondikat tegyek. mármint az életbe alkatrészlistából már nagy nehezen megszültem (megnéztem több pic ic meghajtásához tervezett feszstabilizátort és átlagoltam) de az eaglebe nem tudom kiválasztani az alkatrészlistából.és ez által akkor a helye sem stimmel ha nem jóra bökök rá, aminek mondjuk nagy az esélye mert van kb 200 féle , (magyarul 200:1 az esélyem hogy jót teszek) na meg a másik az az ic betápjához hogy milyen 100n-st tegyek azt végképp paszolom, abba kérhetem valaki segítségét hogy megrajzolom ezt a két dolgot leszámítva és ha lenne valaki aki megkeresné nekem a listán hogy mit tegyek és hova azt nagyon megköszönném.
Az IC-k a schematikában azért nem a valós topológiájuknak megfelelően vannak ábrázolva (mármint nem mindegyik), mert a logikus, könnyebben vezetékelhető (általában) kiosztást tűntetik fel. A táp-lábak sem minden esetben vannak berajzolva, de ezekhez használhatóak a GND és a +...V szimbólumok. Nem kell mindig felvezetékelni minden IC esetében ezeket a bejövő tápvezetékhez. Ez könnyítés. (Ha így nem világos, akkor délután majd teszek fel képet, hogyan értsd.)
A PIC táp-lábaihoz kis kerámia-kondenzátorokat célszerű tenni. Ezek lábtávolsága kb. 5 mm, és minél közelebb célszerű a PIC lábaihoz tenni. A tokozást csak akkor fogod tudni kiválasztani minden alkatrész esetében, ha már maga az alkatrész meg van vásárolva. Tehát a helyes folyamat: Kiválasztani a kívánt kapcsolást (később: megtervezni Magadnak), majd megrajzolni a schematikást, utána megtervezni ebből a panelt, majd legyártani a panelt, végül beültetni és éleszteni. (Nagyon nagy vonalakban.) A feszstaboknál a bejövő feszültséghez kell igazítani a kondenzátorokat. Nem mindegy, hogy egyen, vagy váltóáramot viszel a kapcsolásba, mert pl. az egyenáramot nem kell már egyenirányítani. Ezt még célszerű pufferelni (egy kb. 100 µF-os, elektrolit kondenzátorral, ha csak a PIC megy erről a tápról), majd szűrni, egy-egy 100nF-os kerámia kondenzátorral. (Javaslom, hogy ennek az adatlapnak a 3. oldalán, a legalsó ábra szerinti összeállítást használd a pufferelés után. A 0.33 µF = 330nF, a 0,1 µF = 100 nF) A kapcsolást, amit szeretnél megépíteni, tedd fel, vagy linkeld be, mert így csak vakon tapogatózunk a sötétben... A nélkül elég nehéz segíteni.
Én a 0,6W-os ellenállásoknak az R-EU könyvtárban lévő 0207-12-es ellenállást szoktam használni. A 2W-osokhoz 0414-15, az 5W-osokhoz 0922-22-t. Így az ellenállás lábtávolságokkal még soha nem volt gond.
A kondikhoz pedig mindig egy általában 2 raszteres lábtávolságút rakok be. Ha kész a schematic, akkor board-ban megtervezem a kapcsolást, behuzalozom. Megveszem a hozzá kellő alkatrészeket. Sima papírra kinyomtatom a rajzolatot. Majd minden egyes alkatrészből egy-egy darabot bepróbálok a helyébe. Ha minden stimmellehet gyártani a panelt. Ha valami gáz van akkor egy másmilyen lábtávolságú alkatrészt teszek be, ami már megfelelő a beszerzett alkatrészhez. Fontos, hogy ha egyszer már ezt végig csináltad, akkor a következő alkatrész vásárláskor kezdheted előlről. Nem biztos, hogy ugyanolyat kapsz másodszor is.
Hello!
Én ezt úgy szoktam, hogy húzok egy rövid net-et, majd elnevezem őt. Van egy ikon ami láthatóvá teszi a net neveket. Az előbbi nethez kapcsolódó alkatrészhez is húzok szintén egy rövid net-et, ezt is elnevezem, ekkor az eagle feldob egy ablakot hogy van már ilyen net és ahhoz akarom-e kötni ezt is, itt értelem szetűen igent nyomok. A boardon már össze lesznek kötve az adott alkatrészek ezzel a nettel.
Értem
Köszi Én nem vagyok olyan nagy nyáktervező emberke,csak most van egy projekt,és ezt szeretném megcsinálni. Láttam a schematicból való átváltás után,hogy a boardban ott lesznek őssze-vissza a vezető szálak. Akkor már inkább a boardon igazodok ki schematic nélkül,mert úgy szerintem könnyebb Mellesleg nyomtatás előtt kiveszek minden layer-t,amit nem akarok nyomtatni (eggyértelmű tudom ),és ha nem tudok kiigazodni a pontokon,vonalakon,akkor visszateszem a layereket,és látom,hogy az alkatrészek hova tartoznak ![]() kell keresnem még egy pár kapcsolási rajzot,és annak nyák tervet készíteni,mert apámnak mondtam,hogy ki kellene tölteni az A4-es fóliát keresztben. a darab fóliákra,mi nem-igen tudunk nyomtatni Üdv.
Ha megcsinálod a schematikot és utána átváltasz akkor teljesen egyértelmű,hogy össze-vissza lesznek a vonalak.
Neked utána az alkatrészeket el kell helyezni és össze kell kötni.Meg sokkal biztosabb is ha készítes előtt kapcsolási rajzot hozzá,mert a Drc és az Erc szól ha bármi probléma van a kettő közt. A Drc a NYÁK rajzon lévő problémákat(pl.:két vezetősáv összeér...). Az Erc meg a kapcsolási rajzon lévő problémákat mutatja meg(táplábak nincsenek bekötve ,láb nincs használva....).
Hali!
Egy egyszerű kérdés: Hogy kell EAGLE-ből exportálni a nyákot .png-be? Rámegyek File/Export/Image, de ha a monochromet választom, akkor a vezetősáv lesz fehér, a szigetelés meg fekete. Ha eagle-vel nem lehet, akkor egy képszerkesztő programmal megcserélem a színeket. De reménykedem, hogy nem hülye az eagle. ![]() (PDF-be nem jó, mert doc-ba szeretnék betenni, egyszerre többet). Köszi.
Nem tudom neked, hogy sikerült pont inverzre ki exportálni, de ha megtalálod hogyan nekem pont ez a funkció kellene, mármint, hogy a vezetősávok legyen fehérek a szigetelés meg fekete. Nálam 5.4-es eagle-el rendesen exportált png-be.
Bari
Nekem 5.6-os van, és fordítva csinálja. Én is csodálkoztam rajta. Ezek szerint nem jó még most sem a törés.
Ha az inverz kép kell, akkor töltsd le az XnView (ingyenes) képnézegető programot, és ott a Kép/Leképezés/Negatív menüpont alatt éred el az inverz képét. (1mp és már kész is )Meg is találtam eagle-ben is. Állítsd át a hátteredet fehérről, feketére, és akkor inverz képet csinál neked is.
Inverz képet másik progival elő tudok én is állítani, de eagle-el lett volna a legjobb. Irtam pü-t.
Valószínű, fekete hátteret használsz. Állítsd fehérre, és nem lesz inverz a kép.
Sziasztok!
Tud valaki egy ingenes és egyszerűen kezelhető nyáktervező prg.-t mondani,
Helló SzT3.
Ha már az én kérdésemre senki sem reagál, megpróbálok neked segíteni. Itt van egy kettős (+- 15V táp) kondikkal. Az 5V-os is pont ilyen. A végén az áramváltót felejts el, az az én dolgom. Itt a schematic, és a board is. Megnézheted a típusokat, és a méreteket is.
Szia
Úgy látszik nem olvastam elég figyelmesen, közben megtaláltad a megoldást, nálam fehér volt a háttér ezért exportált normálisan, átállítottam feketére és máris inverzbe exportál, király Bari
Szia az említett áramkör itt található
a két csatlakozó között valami szalagakábeles megoldásra gondoltam. . . na mindegy. . . Most ásom bele magam az aktuális anyagrészbe hogy hátha jutok valamire. Nemsokára jövok Addig is köszönök mindent
:eek2: Ez kapásból rossz kapcsolás! Tedd rá az ujjadat a bal felső sarokban a "közös +12 V"-nak jelölt vezetékre és szépen lassan, azon húzva haladj végig! Ahol ez a vezeték - mindenféle alkatrész nélkül -összakapcsolódik a GND-vel jelöl másik vezetékkel, ott, bizony baj lesz.
A PIC sem jól van bekötve. Úgy látszik hiába forgolódtál a PIC-es topikokban, csak nem sikerült egy hét alatt megtanulni a fontosabb dolgokat. Ezzel a módszerrel, amit te művelsz ezt nem is lehet.
Köszönöm válaszod, a Net elnevezés stimmel, de ennél elegánsabb (szabályosabb) megoldást keresek...
Mellesleg mekkora nyitófeszű és áramú ledeket fogsz használni az áramkörben, vagy ez csak egy kis gyakorlás volt.
Igaz a ledeknél és az ellenállásoknál lemaradtak a kötéspontok, nem is beszélve a teljes táp rövödrezárásáról és az MasterClear bekötéséről (MCLR láb fel 5V-ra 4-7K-10Kohm-ig, nyomógombbal pedig GND-t adunk neki).. Ha belső oszcillátorról hajtod a picet, akkor az így jó lesz. Tápszűrő (vagy hidegítő) kondik sehol, sem egy pár µF-os a táp kimeneten. Az ERC-t érdemes lefuttatni legalább egy rajz készítése után, az segít a hibák kijavításához, de nem minden esetben, ezért célszerű tájékozódni az alkatrészek adatlapjaiból!
Ja és még ráadásul találó a TITLE a böngésző tetején!
Hol találkozik a közös 12 volt a gnd-vel?? ha feszstabilizátornál gondolod, akkor persze azt nem tudom hogy melyik alkatrészt tegyem bele hisz ha jól tudom akkor mind a 3 (ott a rajzon függőlegesen jövö szálba kell tenni még plusz bepakoljak elektrolit és kerámia kondit) vagy rosszul tudom?.
A PIc miért nincs jól bekötve? 5 lábon kapja földet 14 esen a plusz 5 voltot a 4 láb pedig szintén öt voltal reset gomb Vagy nem igy kel?? Akkor légyszíves javíts ki mert én az összes adatlapján igy láttam a bekötést
Bárcsak gyakorlás lenne, meg kéne építenem ezt az áramkört mert megvenni nincs pénzem, mert ha 2 szer szétégetem meg kifizetem a programozást és nyelem néhány forumtárs vérszívását, még akkor is olcsóbban jövök ki.
a ledek elvileg 1.9-2.0 v nyitófeszültségűek és 20mAesek igy ha jol tudom akkor a 12 volt mellet 100 ohm-os ellenállás kel 5 darab elé. elvileg. . de lehet hogy tévedek. . A TITLE-ért elnézést itt szoktam próbálni édesanyám weboldalának a módosításait, arra tökéletes az ingyenes is meg hogy igy képeket töltsek rá. . . Idézet: „ha jól tudom akkor mind a 3 (ott a rajzon függőlegesen jövö szálba kell tenni még plusz bepakoljak elektrolit és kerámia kondit) vagy rosszul tudom?.” Rajzon ! Idézet: „nyelem néhány forumtárs vérszívását,” A fórumtársak neked építenek áramkört centiről centire
jahh igen még az icknek kell a betápjára pakoljak.
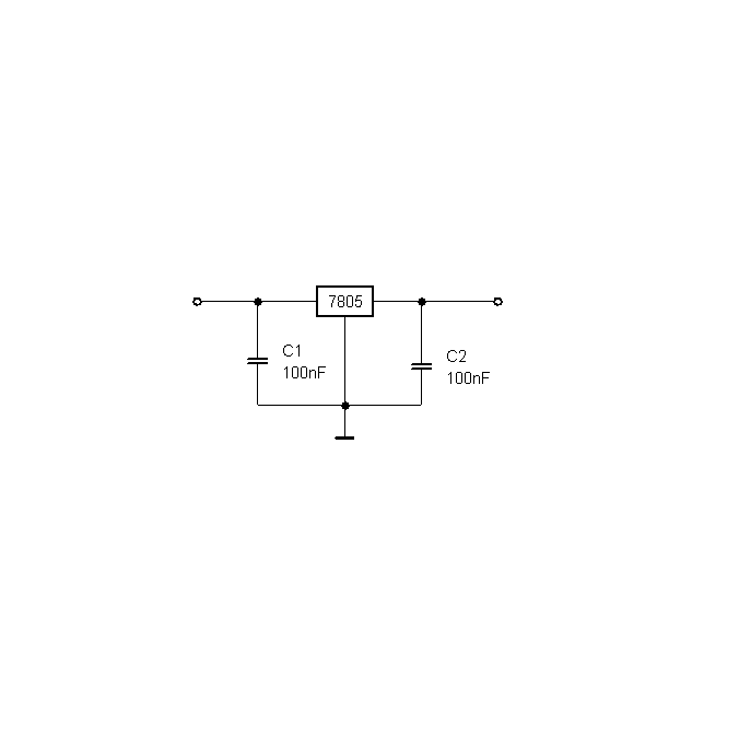
Szerintem így néz ki a helyes táp bekötése. Ha mégsem jó valaki javítson ki. A dióda csak azért kell, hogy ne az IC fűtse el a 7 voltot.
Bocs Frankye, de a belejavítás nem pontos. Gulasoftnak válaszoltam, az általa említett árra - professional. Az kb. 300 ezer autorouter nélkül. A 47 ezer a hobbi verzió ára. A javításod szerintem félreérthető. Vagy csak én látom úgy? Ha tudod módosítsd eszerint a javításodat. Köszi.
Ne általánosítsunk. . nem mindenkire értettem mert van itt 20-23 ember akivel kapcsolatba kerültem. abbol 2 volt aki eddig igen vérszíváson kívül mást nem csinált a többiek viszont segítettek, vagy építették centiről centire, bár egy kicsit túlzásnak tartom azért. de igen akár milyen barom kérdéssel jöttem kaptam a választ.
a képet meg köszönöm szépen de ezeket relativ tudom (az túlzás hogy tudom lemásoltam más feszstabilizátr rajzokról ahol 12 volt a betáp és 5 voltot csinál) hanem azt nem tudom hogy az eaglebe ezek melyik alkatrészek. Amúgy hogy mi kell a feszstabilhoz azt is főképp a fórumtársaknak köszönhetően tudom (helyesebben sejtem )
Csak most figyeltem a javításod végét. Az Eagle ingyenes "demoja" nem azonos a hobbi verzióval. A "demo" nem is igazán demo, mert a korlátaival ingyenesen használható. Amit én "hobbi" verziónak mondok, azt a Cadsoft non-profit-nak említ, elvileg a Standard verziót jelenti otthoni, hobbi használatra, és tartalmazza mindhárom modult. Csak a félreértés miatt pontosítottam.
|
Bejelentkezés
Hirdetés |




),és ha nem tudok kiigazodni a pontokon,vonalakon,akkor visszateszem a layereket,és látom,hogy az alkatrészek hova tartoznak 



