Fórum témák
» Több friss téma |
Szerintem túl szűk a frekvenciatartomány és hamar hozzászoknak.
Nem igazán értem a kérdésed, de az áramkör végén a négy végtranzisztor emiterjeire simán rá kötöttem minden előtét nélkül.
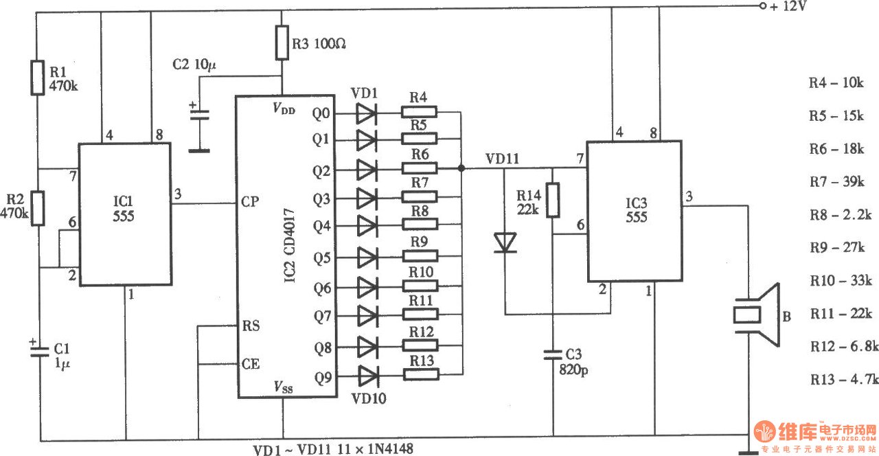
Áthangoltam az áramkört, 25Khz és 70Khz között dolgozik. Ehhez nem volt elég a potmétereket tekergetni hanem a frekit előállító 555-ös 560Pf-os kondiját is le kelett cserélni 100Pf-osra. Így most a legkisebb beállítható freki 25Khz a legnagyobb pedig úgy kb 90Khz.
Ilyesmire kérdeztem rá, hogy miként kapja a jelet a piezo, milyen kapcsolás hajtja. Ez egy teljes híd akar lenni? Flip-floppal hajtva? A tranzisztorok MOSFET-ek?
Helló !
A hozzászokás ellen arra gondoltam, hogy a CD 4017 IC-nek csak 5 db kimenetét használja a kapcsolás . Az adatlapja szerint 10 db van neki , vajon működne szerintetek, ha mind a 10-et felhasználnám, Így 10 db frekvenciát váltogatna véletlenszerűen nem 5 db-ot. Balu
Szia !
Fentebb írtad, hogy az 555-ös mellett döntöttél, így milyen kapcsolást használsz hozzá. Gondolom azzal nem tudod beállítani azt, hogy milyen gyorsan változtassa a frekvenciákat. Így persze hogy hamarabb megszokhatják. A másik kapcsolásnál ha pár naponta tekersz egy picit a 470 K potin valamelyik irányban mindjárt más lesz. Azt az egy potmétert nem muszáj a panelra ráültetni, így változtathatod mint egy erősítő hangerejét. Balu
Köszönöm az infót. Bocsánat, a kapcsolási rajzot nem kotortam elő hozzá, csak a nyák-rajzot láttam, azon nem volt rajta.
Teljesítménytranzisztorokat flip-floppal hajtani... Csodálkozunk, hogy nincs kimenő hangerő? Még FET-ekkel se lenne az igazi, mert azoknak is tölteni kell a G-S kapacitását. MOSFET kimenet kell és rendes FET-meghajtó. Nem muszáj teljes híd, elég a fél híd is. Akkor már van remény, hogy jobb eredmény lesz.
Szia!
Biztosan igazad van, mivel az egész kompletten 60 mA vesz fel 12 V-os aksiról az nem nagy teljesítmény. Én csak elkészítettem a kapcsolási rajz alapján. Én megcsinálnám ahogy írod,de nem értek hozzá csak hobby célból foglalkozom az elektronikával. Ma volt egy kis szabadidőm kipróbáltam bekötöttem mind a 9 kimenetét így 9 különböző frekvenciát ad le, de a teljesítmény nem változott maradt a 60 mA. Esetleg egy ilyen vagy ehhez hasonló kapcsolás nem kellene e? a piezó elé amelyet mellékelek. Balu.
Szervusz!
Amit odatettél az csak a teljesítményt zabálja és fűti el. Mellékelek egy kapcsolást, én terveztem (adatlapok és egyebek alapján, de az alkatrészeket magam kísérleteztem ki), ez rendes FET-meghajtóval megy, azaz kivezérli a piezót, és ez a lényeg, felesleges fogyasztás nincs! A piezón 12V-os négyszögjel van. Mint látod, az áramfelvétel egy piezóval sem sok, nekem egy 1 A-s dugasztáppal simán megy. A stabkockára egy pici hűtőborda javasolt, legalábbis nekem célszerű volt, mert 23V volt az üresjárási fesze a tápnak. Ha te akkuról hajtod, akkor a stab nem kell, de nagyobb C5 (3300µF is akár) célszerű lehet, hogy ne rángassa az akkut. Ha két piezót használsz, akkor azok különböző irányba nézzenek és nincs interferencia. Már javasoltam itt, mert tulajdonképpen egy ultrahangos kapcsolás ez is, csak folyamatos az ultrahang változtatása, háromszögjellel. Nem kattog! A frekvenciaátfogást a háromszög amplitúdójával adható meg. Olyan 25kHz lehet max, de szerintem nem is kell több. Ha kérdésed van a kapcsolással kapcsoltban, tedd fel nyugodtan. A hozzászólás módosítva: Nov 4, 2013
Köszi, majd valamikor talán megépítem, de már amiről feljebb írtam már 3 db-ot megépítettem és működik is és alkatrészek is ehhez vannak. Nem értem a Flip- Flop kapcsolás lényegét, de ha esetleg nagyobb bétájú tranzisztort tennék a BD139-140 helyébe jobb lenne, vagy nincs semmi értelme.
A flip-flop annyit csinál, hogy a bemenő impulzusok hatására a kimenete hol alacsony, hol magas szintre kerül. Eddig semmi gond.
Itt az a gond vele, hogy kicsi a teljesítménye, nem hajtja meg a tranzisztorokat. Lehetne előerősítőt csinálni hozzá, de akkor meg már alkatrésztemetővé kezd válni. Teljesítménytranzisztoroknál nincs nagy bétájú, a meghajtóáram növelésével még csökken is - mondjuk ez minden tranzisztorra igaz. Szkóppal kéne megnézni, mi van a piezón. Az én kapcsolásomban ott a szép négyszögjel és a meghajtó IC gondoskodik róla, hogy ne nyissanak össze a FET-ek (dead-time), míg a flip-flopnál ilyen biztosíték nincs. Az is lehet, hogy egy rövid ideig rövidzárba tudnak menni, és eddig csak azért nem füstöltek el, mert a meghajtás nem nyitja őket teljesen ki... A hozzászólás módosítva: Nov 4, 2013
Köszi, sajnos szkópon nincs már annak is örülök, hogy sikerült egy olyan műszert beszereznem ami 10mHz-ig mér így legalább a frekvenciákat be tudtam lőni 20-35kHz közé. Ami a megbízhatóságát illeti3 van belőle 1 db aksiról 2db külső adapterről megy egy éve, azóta egyiknek se volt baja.
A hozzászólás módosítva: Nov 4, 2013
Ahogy gondolod, de hogy nincs baja, az csak szerencse. A CD4013 flip-flop nem teljesítménytranzisztorok meghajtására való, pláne nem hídban.
Az én kapcsolásomat megépítettem, működik, baja nincs és a meghajtás minősége garantálja, hogy nem is lehet. Plusz a kimenő teljesítménye is maximális, úgy is mondhatnám, ami a csövön - FET-eken - kifér És csak 2 db IC-ből áll, plusz a körítés és két FET.Mint látod, 1 piezóval csak 70mA az áramfelvétele és ha hallható tartományban működne, csengene a füled ![]() De te tudod, a kapcsolást közzétettem, használjátok egészséggel... A hozzászólás módosítva: Nov 4, 2013
Köszi, mégegyszer, azért tanultam belőle, kicsit okosabb lettem.
Van erre a kérdésedre egy egyértelmű válaszom a képen!
Bocsánat a belevauért... Ezzel az alkatrésztemetőségen kívül az a gond, hogy egy nagyobb piezo 100-130 nF-os kapacitása tud akkora áramigényt támasztani, hogy az 555 kimenetét megfőzi. A BS170-nel megvalósított MOSFET-félhíd is forró a töltögetéstől-kisütéstől, kipróbáltam. Pedig ez már fél Ampert is bír, szemben az 555 kimenetének 200mA-es terhelhetőségével.
Szia!
Köszönöm, minden alkatrészem megvan hozzá és egyszerűnek is tűnik. Esetleg ha, még megvan hozzá a nyákterved is és felraknád nem bajlódnák vele. Ha nem az se baj átalakítom az enyémet. Balu
Szia Balu! Ezt a kapcsolást csak azért raktam fel hogy lásd a 4017-nek valóban felhasználható mind a 10 kimenete. De én ezt a kapcsolást nem próbáltam ki, nem is csináltam meg. Nekem ez túl kicsi teljesítményűnek tűnik, etért nem foglalkoztam vele. De ezek után már könnyű áttervezni a meglévő 5 kimenetű kapcsolást, ha neked 10 féle frekvencia kell.
Szia! Köszi!
A hozzászólás módosítva: Nov 7, 2013
EGY REMEK RÁGCSÁLÓRIASZTÓ KAPCSOLÁS VAN KILÁTÁSBAN!!! Kaptam egy igen jó ötletet, illetve egy kapcsolástervet valakitől aki mondjuk úgy PROFI a szakmában! A kapott nyáktervet minimálisan át terveztem aztán meg építettem! Először csak piezo nélkül teszteltem és nagyon tetszett ahogyan működik! Mértem a frekvenciákat de egyenlőre még hallható frekvenciatartományban van! Otthon folytattam a tesztelést, rákötöttem a piezot. Nagyon hatásosnak tűnik a hangja, először csak 5V-on hajtottam a kimenetet majd lassan emelni kezdtem és egészen 15V-ig feltekertem. Még annyit hogy ebben a kapcsolásban a kimenetet meghajtó IC akár 40 volton is üzemeltethető. Ami annyit jelent hogy a kimenő teljesítményt akár brutálisan is megnövelhetjük. Az eredményről,,, a párom azt mondta hogy ha tovább folytatom egy pár másodpercig akkor őt költözésre bírom!!! Ez egy új kapcsolás semmiben nem hasonlít a fórumon közzétett eddigiekhez. Ha teljesen készen leszek akkor közzé teszem s azt is elárulom hogy kinek is köszönhetjük majd az ötletet.
A párodat már riasztja, és a rágcsálók már tudják, hogy nekik riadniuk kell? Biztos ezt akarod?
Az egyiket mindenképpen!!! Aztán ha áthangolom magasabb frekvenciákra remélem hogy a kedvesebbik itt marad!
ÜDV MINDENKINEK! A Rágcsálóriasztóval ott tartok hogy kisebb fenn akadás után jelenleg tökéletesen működik 20Khz és 50Khz között. Összesen 5 frekvenciát váltogat véletlenszerűen olyan 0,5sec és 3sec időtartam hosszan és ezt is véletlenszerűen. Mondhatni hogy állandóan változik a frekvencia és ezeknek a kisugárzási ideje is. A frekvenciák között nincs átmeneti kattogás sem szünet. Ha bele piszkálunk a állvéletlen generátor ellenállásaiba akkor lehet variálni a hang kisugárzások hosszát de ezzel együtt a frekvenciák is változnak. Nagyon jó hatásfokkal dolgozik a kimeneti ic, már 15Volt megtáplálással is szinte elviselhetetlenül nyomja a frekvenciákat. Itt is megoldható egy ellenállással vagy kondival a frekvenciák hallhatóvá tétele.
Röviden ennyit Remélem a hétvégére ha minden jól megy mindent el tudok mondani róla és közzéteszem.
Szeretném megköszönni -proli007-nek hogy a kezembe adta a lehetőséget!
Neki köszönhetjük az elektronikai tervet, rajzot és nyáktervet is! Nekem csak az volt a feladatom hogy kivesézzem a kapcsolás mivoltát. Én először is át terveztem a kapcsolást mert volt visszamaradva 74HCT132, és az ugyan azt tudja mint a CD4093, csak más a lábkiosztása. Az én kísérleteim szerint az alábbiakban a kapcsoláson pirossal láthatóak azok a változtatások amiket én magamnak jóvá hagytam. A p1 potméterrel lehet beállítani a tl494 alap frekvenciáját amihez hozzá tartozik a C7 kondenzátor nagysága is. Mindkettő állítja a TL494 alapfrekvenciáját. Ami fontos hogy minél kisebb kondi van a C7 helyén annál magasabb frekvencián jár. Mivel nekünk egy optimális frekvencia átfogás szükséges ezért úgy kellett megválasztani a C7 kondenzátort hogy CD4093 vezérlésével a TL494 által leadott frekvencia legalsó lépcsője még ne legyen emberi füllel hallható, de viszont a legmagasabbikat még ki tudja sugározni az általunk megválasztott PIEZO hangszóró. A C7 kondenzátor,,, 3,3nF esetén a frekvencia átfogás csak 18Khz, míg 1,8nF estén már 53Khz, ami már túl sok. Az ideális választás a 2,7nf-ra esett mert akkor 18Khz-től 42Khz-ig működik a riasztó frekvenciája. Felesleges 45Khz felé állítani a kapcsolást ugyan is nem nagyon tudok olyan hangszóróról ami 45Khz-nél többet tudna kisugározni. Egyenlőre mára ennyit, ha minden jól megy holnap felrakom a nyáktervet is amit természetesen -proli007-készített. Ha kérdésetek van, természetesen legjobb tudásom szerint válaszolok. Üdv mindenkinek! A hozzászólás módosítva: Nov 14, 2013
Idézet: „Felesleges 45Khz felé állítani a kapcsolást ugyan is nem nagyon tudok olyan hangszóróról ami 45Khz-nél többet tudna kisugározni.” Van olyan hangszóró, ami tud 60 kHz-et is, kapható is. Nézz át a szúnyogriasztós topicba, van egy másik hasonló is, csak más gyártó, ott érdeklődhetsz a beszerzésről.
Szerbusztok!
Jön a tél, hozzánk már beköltöztek az egerek a garázsba, hozzátenném, hogy 2 foxi él ott. Nézegettem a hozzászólásokat, kapcsolási rajzokat, de nem tudtam eldönteni melyik a jó és melyik nem... Valaki tudna nekem mutatni egy jó működő kapcsolási rajzot? alkatrész listával? A helyiség nem nagy... megköszönném
Nos itt a kapcsolás újból, és a nyák terv is! Sok sikert a megépítéshez, biztosíthatok mindenkit hogy a kapcsolás tökéletesen működik. Az már más kérdés hogy az állatkák elriasztása mennyire sikeres. Ez mindenkinél más és körülményfüggő. Jelenleg még az áramkör nagyobb teljesítmény leadásán dolgozom, ha eredményt érek el rögtön tudtotokra adom, itt a fórumon.
A nyákterv az eredeti, proli007 érdeme! Még egy kérdés mindenkihez! Úgy emlékszem ebben a topikban nem tette fel a kérdést senki sem! Hogyan lehetne kontrollálni, bemérni a piezo hangsugárzó által leadott ultrahangot? Lehet ez már egy másik téma de ide vág nagyon is. Gyárthatunk akár milyen jó elektronikát ha nem tudunk róla meggyőződni hogy teljesíti a hangsugárzó amit tőle elvárunk akkor kétes az eredmény. Véleményeteket várom! A hozzászólás módosítva: Nov 17, 2013
Itt az előző művem ami a 200m2-es magtárban nem teljesítette a tőle elvártakat. Kisebb helységekben vagy gipszkarton álmennyezet térközben viszont tökéletesen elég volt egerek elriasztására.
Helló!
Nekem is ilyen van, 3 db de én kiterjesztettem 9 frekvenciára, szerintem meg ez jobb, mint az új verzió. Kilenc frekvenciát váltogat véletlenszerűen., és azt is be tudod állítani, milyen gyorsan tegye. A legkisebbre vettem és mértem egy frekvencia mérővel, 18-32kHz között váltakozott. Ettől nem kell nagyobb frekvencia. Meg nehogy már megszokják a 3 db-ot is cserélgetem egymással, mivel 2 egyformát úgyse lehet építeni. Köszi a rajzot és a nyákot azért azt is megépítem, a nyák vasalásra alkalmas vagy tükrözni kell. |
Bejelentkezés
Hirdetés |








És csak 2 db IC-ből áll, plusz a körítés és két FET.










