Fórum témák
» Több friss téma |
- Ez a felület kizárólag, az elektronikában kezdők kérdéseinek van fenntartva és nem elfelejtve, hogy hobbielektronika a fórumunk!
- Ami tehát azt jelenti, hogy a nagymama bevásárlását nem itt beszéljük meg, ill. ez nem üzenőfal! - Kerülendő az olyan kérdés, amit egy másik meglévő (több mint 17000 van), témában kellene kitárgyalni! - És végül büntetés terhe mellett kerülendő az MSN és egyéb szleng, a magyar helyesírás mellőzése, beleértve a mondateleji nagybetűket is!
Mostantól fel vagy írva a fórum halállistájára...
Még egyetlen rossz szó bárkire, és repülsz, mint a kismadár... Idézet: „egy kicsit érthetőbb fogalmazás, pár írásjel használata, helyesírás nem lenne utolsó szempont egy post elküldése elött.” Ezt az egyszerűen érthető szöveget nem a nagymamám fújta fel ekkorára, hanem TE, holott ez csak egy jószándékú figyelmeztetés volt , kedves """"értelmes"""" fórumtárs...csak nem világlott ki számodra, hogy mit is jelenthet ez az iszonyatosan nagyon "sértő, lelkeket 2 méter mélyen megbántó" mondat! De nem baj, ez is a mi hibánk...ugye...
hali
szerintetek ez így működhet? ( csak a led helyett pl.: 1 rizsszem izzo ) vagy hogy csináljam? a lényeg hogy 12v AC szabályzására kellene MAC97A8 -assal, és fontos az AC! üdv sprofan
sziasztok
van egy 486 os notim aminek a kijelzőjét szeretném LPT re kötni van vmi ötletetek? jah és fekete fehér
szasztok,
haverommal egy jó nagy repülőgépmakett kivílágításán dolgozunk. 3 mmes ledeket rakunk bele, viszonylag sokat, párhuzamosan. nade ehhez kell valami táplálás, és mivel a hely eléggé korlátozott, ezért mi a mobiltelefonakkura gondoltunk - kipróbáltuk, bőven meghajtja a ledeket. van is itthon egy régi nokia telefon, a töltése teljesen működik, vettünk egy utángyártott akksit, feltöltöttük, beraktuk, a ledeket bekötögettük, a 3 pólust (+ - illetve a 3. , ami a li-ion akksi speciális mivolta miatt kell- talán visszajelzőnek nevezném) szépen sok sok ügyeskedés árán kivezettük egy csatlakozóra, azt beépítettük a géptestbe... nade itt jön a gond, hogy a telefonnál a három pólust, amin keresztül tölt/illetve nem töltés esetén áramot vesz fel a telefon, azokat ugyanúgy kell bekötni (tehát +-t a +-hoz, - a -hoz, 3. pólus a 3.hoz), vagy polaritáscserét kell alkamzni (+ a -hoz, - a +hoz)?
A 3. pólus a hőmérő kivezetése ill. a Nokia telók egy része az itt lévő ellenállásból ismeri fel az akku típusát. Csak töltésnél van jelentősége a 3. lábnak. A polaritás pedig egyértelműen jelölve van az akku-n.
Hello a mellékletben küldött kapcs. rajz-ban vannak dolgok amit nme értek!!! Az a sok GND azokkal mit csináljak hova kössem őket????? nagyon megköszönném ha segítene valaki!!!
Ez a melléklet helyett:Labortáp
Nem hiszem el, hogy nem a linket szúrtad be!
Egyébként az alsó (ha a kijezőknél találhatóakat érted ez alatt) GND-ket a +/- os táp középső leágazására, mint a kijelzők közös földpontjára kell kötni!
nekem ez világos, hogy a 3. lábnak csak töltésnél van szerepe, annak a bekötése és funkciója egyértelmű...(alcatel akksi amúgy, 3.7 V 750 mAh)
na de töltésnél polaritáshelyesen vagy fordítva kell rákötni az akksira a töltőt?
Van nekem egy led előtét ellenállás számolo progim de elég érdekes adatokat ad ki. Lényeg azaz a kérdés az hogy R=U/I azaz a táp 1.5V akkor R=1.5-1.5/0.02=50ohm ha 3V akkor 75ohm. Ez most így helyes nem? De a lednek a színét is figyelembe kell venni ilyenkor?
Jaj itt de hülyeséget számoltam 1,5V-al
De a 3V marad. Tehát mégegyszer: R=3-1.5/0.02=75ohm. De a másszínű ledek más feszem müködnek. Mert 20mA az fix. Az ellenállás számolo a sárgánál 50ohmot a kéknél viszont -30-at Akkor a kéknek kevés a 3V?
1,5V-ról kevés LED fog neked megnyílni...
A LED színét pedig hiába figyeled, attól okosabb nem leszel. (Maximum csak feszültségtartományokat lehet színenként definiálni!) Attól viszont okosabb leszel, ha megnézed a LED hivatalos adatlapját!
Nah találtam valami oldalt, és rájöttem hogy én a nyitófeszültségre gondoltam, de ez a led színével van kapcsolatban
. De a kék led nyitó fesze 3V szal 3Vrol az nemfog menni. Ezekután mitgondolsz, hogy lenne érdemesebb: 3db 1.5Voltos AAA-s elem vagy 1db 9V-os elem. (kb 3-5db led fog róla menni -ebböl 1db kék- tehát a tartósság is számít)
Én is arra gondoltam, de nemvoltam benne biztos
Köszi
sziasztok
Szétszedtem egy videot és kiszdetem belőle a kijelzőjét na most az lenne a kérdésem hogy ezt feszültségmérőre rálehet kötni?
hello
![]() elvileg rá lehet kötni,mert a feszültségmérő nem fogyaszt az áramkörből semmit ![]() és semmi baja nem lesz se a kijelzőnek se a faszültségmérőnek ![]() na sok sikert Idézet: „na de töltésnél polaritáshelyesen vagy fordítva kell rákötni az akksira a töltőt?” Polaritáshelyesen, ellenkező esetben felrobban (Bár lehet van benne vmi kis szabályozóelektronika a burkolat alatt, ami véd a fordított töltőfesz ellen, de ez egyáltalán nem biztos...). Szóval csak polaritáshelyesen, és akkor jó lesz.
Sziasztok
Párhuzamos porton keresztül szeretnék ledeket villogtatni, Azt tudom, hogy Xp alatt nehézkes a portot kezelni. szóval ha valaki elmondaná hogy hogyaqn kell akkor örülnék. thx
Hello! Melyik nyelven szeretnéd programozni?
Sziasztok!
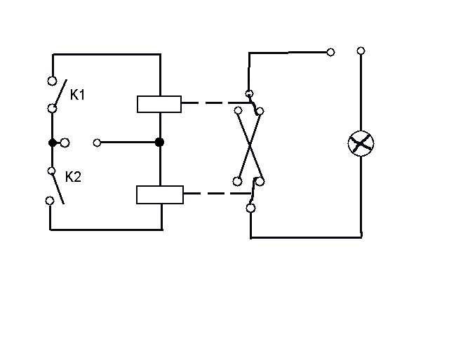
Egy minnél kissebb fogyasztású áramkörre lenne szükségem, ami a következőt tudja. Adott két kapcsoló és 1 lámpa. ha K1= KI K2=KI Lámpa=KI K1=BE K2=KI LÁMPA=BE K1=BE K2=BE LÁMPA=KI K1=KI K2=Be LÁMPA=BE A kapcsolók csak sima záró kapcsolók, nem váltó! És csak két ér megy a kapcsolókhoz! Ez az egész hosszú árnyékolatlan kábelen menne, ezért valami relés megoldás kellene. Köszi!
Neked egy "kizáró VAGY"(ekvivalencia) kapu kell. Itt az igazságtáblája:
L| L| L L| H| H H| L| H H| H| L
fureszk és titi, köszönöm a segítségeteket!
Ha elkészül teljesen az egész, madj rakok fotókat a ki mit épített topikba.
szívesen. ha a logikai megoldás mellett döntenél: 74ls86 adatlapja
Ismeri valaki a légzsákok működését? Annyit persze én is tudok, hogy a megfelelő pillanatban felfúvódnak, de engem inkább az érdekelne, hogy pl. a kocsimban megy két vezeték a légzsák vezérlőtől a légzsákig. Mi van ebben a két vezetékben, amikor áramot kap a vezérlő (gyújtást bekapcsolom), az önteszt után, és mitől nyílik ki a légzsák?
Egy áramgenerátor viszonylag kis áramot hajt át az indítón, melynek kb. 2-6 Ohm az ellenállása. Ha ez rendben van az önteszt lefut. Gyújtásnál pedig annyi áramot nyom az indítón át a vezérlő amennyit csak tud, az indító begyújtja a töltetet és iszonyú gyorsan gáz fejlődik.
(szerintem...nagy vonalakban)
egy irányított robbanás levegőt présel a zsákba. a discoveryn láttam. szó szerint robbanóanyagot használnak.
de a gugli a barátod!!Bővebben: Link |
Bejelentkezés
Hirdetés |





De a 3V marad. Tehát mégegyszer: R=3-1.5/0.02=75ohm. De a másszínű ledek más feszem müködnek. Mert 20mA az fix. Az ellenállás számolo a sárgánál 50ohmot a kéknél viszont -30-at
Akkor a kéknek kevés a 3V? 
(Bár lehet van benne vmi kis szabályozóelektronika a burkolat alatt, ami véd a fordított töltőfesz ellen, de ez egyáltalán nem biztos...).

