Fórum témák
» Több friss téma |
- Ez a felület kizárólag, az elektronikában kezdők kérdéseinek van fenntartva és nem elfelejtve, hogy hobbielektronika a fórumunk!
- Ami tehát azt jelenti, hogy a nagymama bevásárlását nem itt beszéljük meg, ill. ez nem üzenőfal! - Kerülendő az olyan kérdés, amit egy másik meglévő (több mint 17000 van), témában kellene kitárgyalni! - És végül büntetés terhe mellett kerülendő az MSN és egyéb szleng, a magyar helyesírás mellőzése, beleértve a mondateleji nagybetűket is!
Köszi :pirul: Annyira azért nem szeretnék barbárkodni, hogy fogóval meghajlítom a lábakat. A kérdés inkább arra irányult, hogy a lábvastagság/távolság alapból megfelelő-e az univerzális nyákhoz. A dolog már csak annyiból is érdekes, hogy ha jól tudom, akkor a csőfoglalat lábkiosztása/távolsága is teljesen azonos a csőével
Mivel az áramkörben nem szándékozom cserélni a csövet, ezért ha nem is elegánsnak, de kézenfekvő ötletnek tűnt a cső beforrasztása.
Milyen LED-et szeretnél használni?
Mert pl. van TSAL5100, ez max. 100 mA-es, 1,3-1,6V-ig van a nyitófeszültsége. Ebből a tápod 24 db-ot biztosan elbír soronként 50 mA árammal. Kapcsolási rajzot mellékeltem. Más áramú ledeknél tovább lehet variálni..
Szerintem felesleges lemeríteni egy frissen vásárolt akkut.
Töltésre a javasolt kapcsolást nem ajánlanám, mert: -Hosszú ideig kellene vele tölteni (30-40 óra akkunként) -lemerült akku (rövidzár) esetén kiégne az izzó -nagyon sok idő alatt pedig túltöltené az akkut (a 18V miatt) Én inkább egy LM317-el csinálnék egy 13,8V-os tápot, azzal biztonságosan fel lehetne tölteni, akármeddig lehetne a töltőn. De lehetne az LM 317-ből egy 150 (400) mA-es áramgenerátort is csinálni, azzal 10-12 (4) óra alatt lehetne feltölteni, de a töltési időt figyelni kell.
Ha a 13,8V-os változatot használod, akkor mehet rá közvetlenül. Ekkor nem lehet tudni, hogy mikorra töltődik fel (nem is töltődik fel 100%-ra), viszont évekig rajta lehet. Ez akkor jó, ha szünetmentesítésre használod az akkut, pl. riasztóban. Ha másra használod, pl. akkumulátoros lámpában, akkor inkább állandó árammal kell tölteni, de akkor figyelni kell a töltési időre. Az állandó áramú töltőre is rá lehet követlenül rakni az akkut, úgyis korlátozva van az áram. (A 13,8V-osnál is van azért áramkorlát, de az elég nagy, az LM317 belső áramkorlátja tokozástól függően 0,5A-1,5A-ig lehet.)
Jó persze. Ilyenkor lesz egy kis soros ellenállás az akkuval sorban (azt ugyan most nem látom át, hogy ez miért lehet jó, de ártani nem használ... )
Szerk: A soros ellenállás miatt kisebb maximális áram tudhat folyni, mint a belső áramkorlát, vagyis jó az!
Megy egy privi, ezt itt nem akarom.
Hobby célra kell.
10k alatt kellene kihozni, vagy pákát veszek, vagy alkatrészt az esetlegesen meglévő páka meghajtásához. Vagy a harmadik lehetőség, ami bizonytalan, mert biztosra te sem tudod megmondani, hogy a weller pákák, amiket felhoztam, pontosan milyenek. A 6 érintkező a csatlakozójában sem mond neked semmit? (mert nekem nem sokat )
Sziasztok!
Egy egyszerű keverőt szeretnék építeni, a következő kapcsolás alapján: Bővebben: Link . Itt a műveleti erősítőknél mindenhol be van kötve egy gnd és egy v- is. Ezek között mi a különbség? Eredetileg úgy gondoltam, hogy mind a kettő megy az árramforrás negatív oldalára, de a rajzon jobboldalt van egy árramforrás, ami szerint a -v az -9v, a gnd az 0, a +v pedig +9v. Ha én a keverős 9v-os dc adapterről szereném működtetni, akkor hova kell a gnd-t kötnöm?
Szia!
Barátkozz meg a szimmetrikus tápegység-elrendezéssel. Itt külön negatív és pozitív tápfeszültség, valamint egy test (GND) is található. Idézet: Hát ez aztán nem semmi eszmefuttatás! Kis hazánkban az autókereskedők hátra, az ukrán határnál az üzemanyag-mutyizók előre tekerik a kilométerórát. Ez a felvetés meg azt sugallja, hogy az elektronikus villanyóra számláló pörgetéssel (már aki megteheti) a virtuális zöldenergia visszatáplálás küszöbén állunk! „Lopótököt keres: ezt reálisnak látom, mivel a visszirányú (export) energiát külön regiszterbe teszi, megjegyzem, ezt a funkciót legálisan használják a házi áramtermelők, akik szerződéssel visszatáplálhatják a felesleget a hálózatba. Itt cinikusan megjegyezném, amennyiben ez esetben mégis használnák a "lopótököt", büntetlenül megpumpolhatják az áramszolgáltatót, mert ez is mint megtermelt és visszatáplált energiaként mutatkozik. Ez elvben hasonló ahhoz, mint amikor a kártyás telefonok hajnalán végtelenített kártyákkal emeltdíjas számokat hívogattak...”
Szia! Ha még időszerű; megfelelően méretezett tekerccsel, egyen,-és váltakozó árammal is elektromágnest lehet készíteni. A lényeg a méretezés! más egyenáramra (csak Ohmos ellenállás), és más váltakozó áramra (Ohmos és induktív ellenállás-amely frequencia függő). Lehet vas,-vagy légmagos(vasmag nélküli).
Egy pneumatikus pingponglabda kilövő szerkezetet készítek. Azt szeretném, hogy egy kamera figyelje a célpontot ami pl egy piros papírból kivágott kör. Azonban a kamera képének a feldolgozásáról vajmi keveset tudok. Megköszönném ha el tudnátok mondani az alapokat, esetleg valami anyagot ahol érthetően le van írva minden.
Jelzem, hogy nem vagyok annyira kezdő, csak nem tudtam hova máshova írni.
Szia!
A képletedben kifejezve az R2: R2= (-U2*R1*Rt)/U2*R1+U2*Rt-U*Rt Ha jól rendeztem át, ha hiba van akkor esetleg valaki ellenőrizhetné.
soros ellenállásnak 0.47 ohm 5 W-osat tudtam csak hozni 2db-t. jó lesz az is? mert akksi max töltőárama 390mA lehet én kb 100ma-rel szeretném tölteni
Sziasztok!
Egy mosfetet szeretnék normális működésre bírni, de nem megy. Igazából azt sem tudom eldönteni, hogy tönkretettem-e vagy sem (elektrosztatikus kisüléssel). A problémám az hogy n csatornás és akkor is vezet mikor nincs feszültség a gate és a source között. Ha feszültséget kapcsolok rá 0 és nyitási fesz között akkor elzár, majd ismét kinyit ha növelem a feszültséget. Normális esetben (lévén, hogy önzáró) nem kéne kinyitnia. Én tettem tönkre vagy ez tényleg ilyen? Bővebben: Link
Nahát milyen igazad van, tényleg. Köszönöm. Példakapcsolás sajnos nem volt az adatlapban.
Te marha, minek kéne neki olyan? Ez egy nagy hülyeség amit írsz. Ő csak a monitort akarja váltani. Ha házilag akarod akkor fogsz egy kis kapcsolót meg egy csomó relét ahányat amennyi szál van és tudod kapcsolni. Vagy kimész a zsibibe (nálunk az de nem tudom hol laksz) vagy a kg-ra és veszel egy átkapcsolót. Azzal osztani is tudsz két monitor között vagy egy monitorra két videókarit.
Nono...miféle viselkedés ez?
Üdv Inhouse
Ehhez a kapcsoláshoz szerintem 100 mA max. áram beállításához az Rs ellenállásnak 2,7 Ohm-nak kellene lennie akkor, ha a másik két ellenállás 240 Ohm és 2,4 kOhm, a kimenőfeszültség üresjáratban 13,8V, az akku pedig 10,8V.
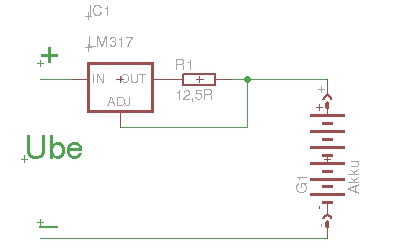
Ha beteszed a 2,7 Ohm-ot, akkor viszont nem lesz mindig 100 mA a töltőáram, hanem az akku töltődése során folyamatosan csökken. Ekkor viszont nem lehet kiszámítani, hogy mikorra töltődik fel az akku. Állandó áramú töltéshez az alábbi kapcsolást kell használni, az R1 értéke 100 mA áramhoz 12,5 Ohm 0,25W.
Sziasztok. Régebb volt egy kérdésem válaszoltatok is rá,de most szeretném ha megerősítenétek a választ hogy jó e vagy sem. Csináltam a Led szalagot (már majdnem kész)., 3 db sorba kötve el.ellenállással és ebből van 200 db. (tehát 600 db led) A ledek 3,2V 30mA Akkor egységenként 0,03A van ami 200 egység x 0.03A =6 A és ez 72W ??? Mert régebb valaki írta hogy ez kb 40W és elég az 5A táp. Szerintetek akkor most melyik a jó számítás? A válaszokat előre is köszönöm. Üdv.
Idézet: „Nem titok, hogy inkább az AVR-eket preferáljuk. Ha másért nem, hát "bosszúból", mert fejlesztőként és gyártóként szívtunk már eleget velük” Ilyet szerintem nem szabadna írni még ha tényleg így is gondoljátok. Azzal hogy bosszúból drágábban adjátok, legkevésbé a Microchipnek tesztek keresztbe. Inkább a vásárlóitoknak hogy többet fizetnek érte és/vagy önmagatoknak hogy emiatt inkább a Chipcadnél veszik a PIC mikrovezérlőket. Az mindenesetre szerény véleményem szerint biztos, hogy felelősen gondolkodó eladó/üzletember/kereskedő/ügyfélszolgálat nevében ilyet szerintem nem szabadna az ügyfeleknek mondani hogy egy gyártót személyes bosszúból ignoráltok.
Sziasztok!
Ha egy 12V-os robogóakkura rákötnék egy szivargyújtós mobiltelefon töltőt akkor az biztonságosan használható lenne telefontöltésre? Mennyiben különbözik ez attól mintha az autó szivargyújtójába dugnám? Köszönöm előre is!
Ja és még egy nem elhanyagolható dolog:
Topi anno valamikor írta, hogy a HE szervereinek a fenntartását is a HEStore bevételeiből fedezik. Tulajdonképpen tehát azzal hogy a HEStore-ban vásárolsz, a HE fenntartásához is hozzájárulsz. Ami tekintve hogy mekkora információmennyiség, közösség stb. van itt, szerintem méltányolható.
1. Igen
2. Csak annyiban, hogy a szivargyujto biztositekkal is vedett. Ha ide is teszl vedelemnek, akkor semmiben. ELVILEG ugyan tok felesleges, de a gyakorlat azt mutatja, hogy jobb az, ha van benne barmilyen vedelem. |
Bejelentkezés
Hirdetés |




Mivel az áramkörben nem szándékozom cserélni a csövet, ezért ha nem is elegánsnak, de kézenfekvő ötletnek tűnt a cső beforrasztása. 

) 





