Fórum témák
» Több friss téma |
- Ez a felület kizárólag, az elektronikában kezdők kérdéseinek van fenntartva és nem elfelejtve, hogy hobbielektronika a fórumunk!
- Ami tehát azt jelenti, hogy a nagymama bevásárlását nem itt beszéljük meg, ill. ez nem üzenőfal! - Kerülendő az olyan kérdés, amit egy másik meglévő (több mint 17000 van), témában kellene kitárgyalni! - És végül büntetés terhe mellett kerülendő az MSN és egyéb szleng, a magyar helyesírás mellőzése, beleértve a mondateleji nagybetűket is! Idézet: „nagyobb áram hatására nagyobb feszültségesés jön létre” Valami ilyen diagram(féleség)re gondolsz, mint a képen? Az igaz, hogy itt a CE-t mutatja, nem a BE-t. És azt is sikerült megtalálni, hogy milyen feszültségnél károsodik a tranzisztor. Ja, és kösz a gyors válaszokat
Ábrával sajnos nem szolgálhatok. Teljesítmény tranzisztoroknál a maximális értékek között lelhetsz megengedett bázisáramot. Az adatlap ON CHARACTERISTICS táblázatában tüntetik fel mekkora a jellemző bázis-emitter feszültség a legnagyobb kollektor áramnál.
Faluvédelem!
A cigány fiú hazatelefonál az anyjának: --Anyám, aids-es vagyok. --Akkor haza ne gyere fiam! --Miért anyám? --Ha hazajössz, akkor megkapja a betegséget a feleséged, a feleségedtől az öcséd, az öcsédtől a húgod, a húgodtól az apád, az apádtól a nagynénéd, a nagynénédtől a férje, a férjétől én, tőlem a bátyád, a bátyádtól a nővéred. És ha ismered a nővéredet, attól meg az egész falu. Az Isten szerelmére fiam, védd meg a faludat és ne gyere haza!!!!!
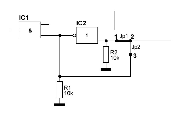
Sziasztok!
Két logikai kapu összekötésében vagyok még mindig bizonytalan. A lényeg az lenne, hogy juper segítségével állítanám be, hogy IC1 egyik bemenete vagy IC2-ről kapna H/L szitet vagy IC2-t megkerülve. Szükséges mind két ellenállás? Ha megkerülöm IC2-t akkor annak kimenete mindig L szinten lesz, de nem baj-e, hogy a kerülőágba néha H szintre viszem? Esetleg dióda?
Na megint csak egy picit kellett volna tovább gondolkodnom.
Így elvileg jó: 1 a közös pont. 1-2 állás IC2 vezérli IC1-et 1-3 állás IC1 közvetlenül kapja a vezérlőjelet. IC2 nincs hatással semmire.
Üdv!
Valaki tudna nekem mesélni nekem egy kicsit az SMD ledekről .Például hogyan állapítom meg a polarításukat , áramfelvételük ,feszültségük.A leírást előre is köszönöm.
Ezen adatok megismerésének legjobb módja, ha megkeresed a LED adatlapját, és tanulmányozod. Ebben nagy segítségedre lesznek a különböző keresők.
Ha csak a saját házunk táján körülnézel, itt is találsz sok sok adatlapot pl a fejlécben található Katalógus címszó alatt, vagy a HEStore kínálatában, a .pdf -re kattintva. Bővebben: Link Megfigyelheted, hogy a sok típus között nincsenek nagy eltérések, és ha ezeket a határadatokat betartod, nem lesz különösebb gondod.
Igaz,elnézést mindenkitől! De ez a fickó mindig elgurítja a gyógyszeremet! Üdv: Peti
Én is elnézést kérek , hogy segiteni szerettem volna .
(#227395) tibi0531 válasza Bfg10k hozzászólására (#227340) Nézétek meg olvasátok el És ki ki dontsőn mit szeretne, mi a rosz ?
http://www.hobbielektronika.hu/forum/topic_6062_0_ASC.html
Itt van és mivel a kenyerm javát meg ettem higyétek ell csak jót akartam .
Ha megteheted inkább az elsőt válaszd, jobb minőségnek tűnik, állatába olcsó termékkel az ember mindig csak szív érdemes megtalálni az arany közép utat és, hogy menyit lesz használva mire és hol, vagy érdemes szétnézni az apróba is.
Sziasztok!
Ha van egy trafóm (egyenirányítóval) és van egy multiméterem, akkor hogyan tudom megmérni, hogy mekkora áramerősséget képes leadni a trafó egyenirányítva?
Sziasztok!
Egy olyan dolgot szeretnék megvalósítani, ha lehetséges, hogy: Adott mondjuk 2 db 3V-os akku párhuzamosan kapcsolva, amit 3,2V-al töltenék 1A maximális töltőárammal. Tehát 500-500mA akkunként. Kisütéskor viszont sorba szeretném kapcsolni őket, 6V legyen a kimenet. Ezt szeretném megoldani úgy, hogy semmihez se kelljen nyúlni kötözgetni, statikus kapcsolás kéne. Akár töltés közben is jöjjön le a 6V, miközben 3,2-vel töltöm. Már próbálgattam ezt-azt, de eredményre nem jutottam. Pár diódával meg kábellel vajon ez megoldható?
Szia! Semmi adatod nincs róla? (a diódák áramtűrése nem igazán mérvadó). Mérd meg az üres-járási áramát, terheld kb. ötszöröséig (ha kis trafó), ha 15'-ig nem melegebb a kezednél, terheld tovább, amíg észrevehetően nem melegszik (nem esik nagyon a sec.fesz.): az előtt a határ. A multi áramhatárát vedd figyelembe (ha kell használj söntöt!).
Sziasztok! Az a kérdésem lenne, hogy van egy autóba való erősítőm 150 Watts RMS ( ez hany watt?) megbirja a 300 Wattos melyladat?
Barmilyen erosito "megbirja" a 300-as melyladat ha a doboza jol meg van csinalva. Probald ki: ra kell tenni az erositore es ha nem torik ossze az erosito akkor megbirta.
De ha esetleg arra gondolsz hogy egy 3 wattos erosito el birja-e hajtani a melyladat, ez csak az erosito minimalis impedanciajatol, es a melylada aktualis impedanciajatol fugg. Egy 8 ohm impedanciaju melyladat rakothetsz akar egy Sokol radiora is. Az mas kerdes, hogy hogyan fog szolni ilyen kis teljesitmenyen.
Szoval szakszerubben... Az erositoknel ugy szoktak megadni a maximalis kimeno teljesitmenyt, hogy x watt RMS, azaz x watt effektiv. Ez altalaban szinuszus jelalakra vonatkozik nevleges terheles mellett, es egy adott torzitasnal. Most nem beszelunk a 10000 watt PMPO kimeno teljesitmenyu kinai szupergagyi keszulekekrol, aholis az elejere rairnak egy elkepzelhetetlen nagy teljesitmenyt, es mikor kibontod talalsz benne egy 10 wattos trafot.
A hangfalakra pedig altalaban azt a teljesitmenyt szoktak megadni, amelyet folyamatos hasznalat mellet elvisel meghibasodas nelkul. Tehat a 300 wattos hangfalra 300 wattig barmilyen erositot rakothetsz, aminek a nevleges terhelo impedanciaja megegyezik, vagy kisebb mint a hangfal impedanciaja.
Szia. Egy kapcsolás az órajel előállitására. Talán segíteni fog:
Köszönöm, de minél egyszerűbb, kisebb, kevesebb alkatrészből álló valamit szeretnék.
Szia!
Másként nem nagyon fog menni, a led -ek multiplexelését is a transzformátor váltokozó feszültsége vezérli. Még egy dolog: Ahogy ezen a kapcsoláson szerepel, a led -ek áramának hirtelen változása meglehetősen nagy zajt termel a rádió erősítőjében. Érdemesebb a led -eket trapéz alakú jellel vezérelni, a meghajtó fokozatban egy alkalmas kondenzátorral a jel meredekségét csökkenteni. Ez a led-eket meghajtó tranzisztorokon fog jelentősebb disszipációt (hőtermelést) okozni. BD sorozatból kell választani a tranzisztort és a hűtését megoldani.
Vagyis 555-el lehetetlen megoldani?
Jelentős disszipáció nélkül nem lehet zavarmentesíteni? Mondjuk, ha nem lennének darlingtonba kapcsolva a tranzisztorok csak T1-2 lenne?
Sziasztok!
Tudnátok valami olyan kis termosztátot ajánlani ami 50C-nál kapcsol be és 25C-nál kapcsol ki?
Koszi a valaszt. 150 rms watt az olyan 210 watt korul van?
150 W rms az pontosan 150 W teljesítmény azért effektív, mert valódi hatásos teljesítmény, a hullámformájától függetlenül. A 150 W RMS váltakozó áramú teljesítmény az pontosan ugyanakkora hőt termel, mint amennyit a 150 W egyenáramú teljesítmény.
A PMPO teljesítmény az egy átlagolt csúcsteljesítmény, amit egy megadott hullámformából számítanak ki, és egy statisztikai jellemző. Bizonyos esetekben van értelme ennek az adatnak is, de általában azért közlik, mert "jól mutat", gyakorlati haszna nem sok, legalábbis a hétköznapokban. Leginkább digitális beszédfeldolgozásnál, átvitelnél van jelentősége.
Szerbusztok
Tudna valaki segiteni HAMEG 203-4-es oszcilolszkop kapcsolási rajzot keresek,segitségteket elöre is köszönöm. ui. Az internet nem megoldás mert nem beszélek nyelveket
|
Bejelentkezés
Hirdetés |









