Fórum témák
» Több friss téma |
- Ez a felület kizárólag, az elektronikában kezdők kérdéseinek van fenntartva és nem elfelejtve, hogy hobbielektronika a fórumunk!
- Ami tehát azt jelenti, hogy a nagymama bevásárlását nem itt beszéljük meg, ill. ez nem üzenőfal! - Kerülendő az olyan kérdés, amit egy másik meglévő (több mint 17000 van), témában kellene kitárgyalni! - És végül büntetés terhe mellett kerülendő az MSN és egyéb szleng, a magyar helyesírás mellőzése, beleértve a mondateleji nagybetűket is!
Köszönöm így már értem nagyjából.
De Idézet: Szóval ha van nekem pl egy 60MHz-es szkópom akkor ha nekem 1mS on van a szkópom de a jelet 10mS on kéne mérni károsodik a szkópom?„ehhez illeszkedő műszert kell választani vagy figyelembe venni a hibát amit okozol.” Vagy ha a 60MHz en felül mérnék akkor is károsodik? üdv!
Semmi baja nem lesz, csak - ahogy Dudus is írta - nem biztos, hogy pont azt mutatja, ami a valóságban van.
értem. Nekem máshogy értődött de már tisztázódott
üdv!
Nem károsodik csak Te azt méred, hogy a jel pl 1 ms alatt felfut a valóságban meg 1us alatt csak a műszered ezt nem képes mérni.
ZolY15, egyébként szkópot igazán úgy tudsz amortizálni, ha a bemenetére a megjeleníthetőhöz képest igen nagy, és lehetőleg nagyon gyors jelet adsz. Ezzel kijátszhatod a bemeneti FET védelmét, és elküldheted a boldog vadászmezőkre. Más határértéket nem nagyon kell figyelembe venni, csak lehet, hogy más lesz az eredmény, mint a valóság.
Nem ajánlom még leállított fűrész mellett, bemenő jel nélkül a teljes fényerőt. Megéghet a szkópcső.
Sziasztok.Az lenne a kérédésem hogy,hogy lehet 1mH-s tekercset készíteni??Mekkora átmérőre hány mm-es drótból stb.
thx
szia!
No meginn gondban vagyok Idézet: Ezt is kifejtenéd bővebben? „egyébként szkópot igazán úgy tudsz amortizálni, ha a bemenetére a megjeleníthetőhöz képest igen nagy, és lehetőleg nagyon gyors jelet adsz.” A teljes fényerős dolgot értem. Leállított fűrésszel ha jól gondolom akkor"csak" pontot mutat.. igazam van?
Hello!
- A bizti nemfog kiolvadni, kivétel, ha a relék többet esznek ennél. - Most hogy ez felmerült megnéztem a TIC adatlapját. abból azt látom, hogy az 1kohm maximálisan meg fog neki feleni. De ami ebben van azt félreértelmezted. Amivel penyóznak az Igmax 200uA, az pont a TIC érzékenységére utaló adat. Azt jelenti, hogy ha a gyújtó impulzus 200uA és minimum 20usec ideig tart, akkor be tud már gyújtani. A Gate tűrőképessége 20ms gyújtásidőre 0,3W. 1V Gate feszültséget figyelembe véve, ez 300mA/20ms. Ha tartósan rajta marad az áram (bár ezt az adatlap nem publikálja, mert ez még is csak egy tirisztor amit impulzussal szoktak gyújtani) ennek az 1/10 teljesítményét biztosan elviseli azaz 30mA-t. De egymásközt szólva, nem kell félteni ezeket a tirisztorokat, elég masszív szerkezetek belülről. Még egy BC tranyó is képes elviselni tetemes bázisáramot. A tirisztor meg ahhoz képest egy "robosztus" szerkezet. üdv! proli007
Milyen magra tekered? Légmagos?
Igen, a 2. fénypontos dolgot jól látod. Az 1. részhez annyi magyarázatot tudok hozzátenni, hogy a szkópgyártók a nagy bemenő ellenállás érdekében 1. fokozatként biztos, hogy FET-et alkalmaznak. Mivel magának az eszköznek a bemeneti ellenállása jó közelítéssel szakadás, igen kicsi kapacitással megáldva, ezért roppant könnyű olyan feszültségszintet rávinni, amitől igen gyorsan tönkremenne. Mivel a gyártó cég nem akar még 300 FET-et a gép mellé adni (ezek válogatottak), megpróbálja a lehető leghatékonyabban megvédeni, kerülve azt a csapdát, hogy a védelem esetlegesen a hasznos tartományban is dolgozhasson, meghamisítva a vizsgált jelalakot. A védelmet akkor tudod "kiütni", ha a megjeleníthetőhöz (pl. 2mV/div; akkor a 8 osztáson az 16mV.) képest igen nagy, pl. egy sortrafóról 1kV cs-cs jelet adsz rá. Ez több 1000x-ese a megjeleníthetőnek. Ráadásul a változási sebessége is nagyon nagy. Hát, ebben az esetben Isten irgalmazzon az osztónak, a bemeneti fokozatnak.....
Azt gondolnád, hogy ez irreális. 15 éves koromban kaptam egy LAVO2 lengyel kéziműszert. 1. mérésem - naná, hogy a 220V volt. Csak - sajnos - a zsinórt eldugtam és nem 300V, hanem 300mA-es méréshatárban mértem meg a 220V zárlati képességeit. A műszer legalább 1 s-ig hegesztett, mire leoldott a 10A-es BS. A ház tele lett az elpárolgott fólia lecsapódó gőzeinek nyomával. Összeszedtem minden tudományt, és sikerült kidrótozni a hiányzó fóliákat. És jó lett. Ekkor már nagyon figyeltem arra, hogy feszmérésbe legyen, ha feszt mérek. 4. 5. mérésre - gondosan ügyelve, hogy feszültségmérésbe legyen - nekinyomtam a PL500 anódsapkájának a + véget. A műszerből újra szikraeső hullott. Persze, hogy nem tudta elviselni azt a 7kV cs-cs feszt. Ekkor az elszenesedett panelt kellett megpucolni, vagy eltávolítani. Azóta nem történt (semmivel) ilyen. De! Sikerült pár éve egy DMM-et kétvállra fektetni. Egy csöves erősítőbe véletlenül rámértem az anódra 260V DC+ 180V AC. Mindezt 1000V-os méréshatárban, és ezt sem bírta ki. Tehát, láthatod, hogy azért mindent ki lehet nyúvasztani, csak "érteni" kell hozzá.
Nemrég olvastam és néhány hülyeségemnél nagyon odaillőnek éreztem:
A mérnökök és Isten folyamatos harcban vannak. A mérnökök bolondbiztos védelmeket készítenek az Isten bolondokat. Egyelőre Isten áll nyerésre !
Hello!
Idézet: „15 éves koromban kaptam egy LAVO2 lengyel kéziműszert. 1. mérésem - naná, hogy a 220V volt.” Nos, az enyém még mindig megvan, sőt üzemben van, a kis jellegzetes befémezéssel a hátlapján. Azóta a 300mA-es shunt gyanánt, egy 10ohm-os és egy 4,7ohm-os ellenállást használok (válogatva) párhuzamosan. Ja, és egy tartalék páros még elfér a dobozban is. Biztos ami fix jeligére. Egyébként nagyon szeretem, trafókat csak ezzel mérek. Digi ballra el... A szkópot, eredményesen ki lehet nyírni egy relétekercs nyitási indukciójával is (tanult kollegám specialitása). A maximális feszültséget általában rávésik az előlapra, de ezt meg sem szabad közelíteni. Ilyenkor egy külső feszültségosztót kell gyártani ideiglenes jelleggel, mintsem a hitelesített bemeneti osztót újra szrelni... üdv! proli007
Az a helyzet, hogy én is jobban szeretem (mert nekem is megvan ám!), a trafókat, tranyókat ezzel szoktam mérni, sokkal szemléletesebb, mint a digiten, az ugráló számsor.
áhá értem így már világos :yes: és először olyara gondoltam hogy pl 10V os állásban 15-20V tól megfekszik vagy hasonlók
Még olvasni is fáj hogy hogyan "tesztelted" a rátermettségét a multidnak és nem is egyszer Én is kaptam egy GANZ UNIVO műszert de arra úgy vigyázok mint a szemem fényére :yes: üdv! UI.: köszönöm a segítségeket.. Még annyit: hogy a "pont" max fényerőn hogy a cudában égeti meg a képcsövet?
Arra kell gondolni, hogy a sok milliárd kis elektron rohangál az ernyő egy egész kis felülete felé, és oda csapódik mind. Egy ideg ezt viseli a fénypor, de aztán kimerül, és elmegy a fénye. Üzemekben, szervízekben, ahol sok üzemórát ketyeg a szkópcső úgy, hogy csak a "0" vonalat mutatja, az is halványodik, még normál fényerőn is( évek alatt). Vagy a TV adók monitorai, ahol az adók "ikonja" van.
Sziasztok
Lehet hülye kérdés és szerintem igaz is amit kérdezek, de mégis megkérdem csak hogy biztos legyek. Egy keverőpult előerősítőnek számít?
Szia!
Abba a keverőpultban, ahol van mikrofon bemenet, ott van előerősítő, de a többi bemenetnél, ahova mondjuk CD lejátszót kell kötni, ott nincs, mert oda eleve line szintű jel érkezik. A hangszínszabályzó, és a keverő fokozat után van egy kis erősítő fokozat, de az nem előerősítő. De a papírján látod, hogy hány V a bemenőjel, és ebből tudni, hogy van-e benne előerősítő.
Hello!
Hát ez nagyon rossz kérdés volt, és nem is árultad el, miért érdekel. Mind két specifikáció 3. oldala mást sem mutat, mint az erősítés mértékeit! (ahol +0dB-nél nagyobb értéket látsz az már erősítés) üdv! proli007
Ez a "kimerülés" CSAK a ponttal "keletkezik" vagy ha sokáig csak a "csík" van az ernyőn akkor is?
üdv!
Hopp, bocsi, akkor elmondom, azt hittem nem lényeges. Bocsi.
Építek egy ST151-es erősítőt. Terveztem hogy építek egy keverőpultot, de olcsóbbnak láttam ha inkább veszek egyet, meg tanácsolták is. ![]() Nemrég írta "jocko" az "ST151 végerősítő" topikba hogy Ő is épített ST-t és emellett azt is hogy módosított rajta. Idézet: „jel bemenetnél 100uf 16v helyett 220uf 16v elko került utána 820ohm helyett 390 Ω ellenállás.ezt a verziot itt olvastam vmelyik hsz-ben.áll. igy nem kell elöfok.” Namost ezért kérdeztem hogy tegyek-e az erősítőbe előerősítőt, vagyis hogy kiválthatom-e a keverővel mert akkor kicserélem én is az ellenállást a paneleken. Mégegyszer bocsi.
Hát... szerintem az előerősítőt azt a keverő elé kéne tenni, és nem utána, de ahogy láttam a keverő papírjait van benne előerősítő, a mikrofonon nagyobb az előerősítés, a line bemeneten kisebb, de van. A gain potival tudod szabályozni az adott bemenet erősítését.
Elővigyázatosságból jó,ha leveszed a fényerőt,akkor is ha normál üzemmódba használod,bár az elektronsugár nem roncsolja a bevonatot olyan gyorsan mintha egy pontba koncentrálódna.
Értem akkor ez csak akkor roncsolja ha úgy világít mint egy "reflektor" azaz max fényerőn?
Ha éppen láthatón van akkor szinte nem is roncsolja?
Igen, ahogy mondod. 10 csatornás, az első kettő mono, ahol csak a mikit lehet erősíteni.
A 3 ... 8 csatornán mind a mikit és a bemenetet, a 9-10 es csatornán pedig nincs miki, de a bemenetet lehet erősíteni. Akkor nem szükséges előerősítő az ST mellé. Nagyon köszönöm a segítséget!
A=javított I =indrurty (ipari használatra (is)) szélsőséges hőmérsékletet jobban tűri, SO=SOIC smd tokozású nem pedig dip
-20 az amaximális külső órajel ami MHzben megadva
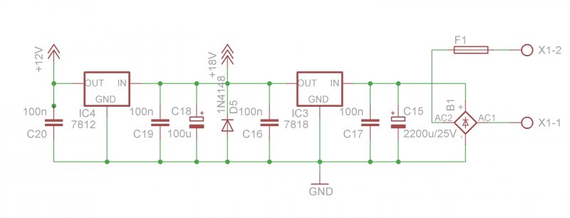
Hali
Egy egyszerű tápot szeretnék építeni 2 db TDA2030 végfoknak (18V) és egy LM1036-ossal felépített előfoknak (12V) . A kérdés az, hogy jo lesz e az alábbi táp és ha jó akkor mekkora pufferkondik kellenek? (ami benn van csak találomra raktam be) Trafónak valamilyen 15V osat gondoltam de nem tudom, hány VA-s legyen...
Szia!
végfoknak nem kell stabilizált táp, elég az előfoknak. Itt találod a végfok adatlapját: Bővebben: Link ezek szerint +-18V vagy 36V egyen fesz kell neki. Így ha asszimetrikus tápról hajtod akkor 36/~gyök2= kb 25-26V trafó szekunder feszültséget igényel. Én max 40-50W-os trafót tennék bele. Vagy ha 2 X 18V-ról járatod, akkor 18/~gyök2= kb 2 X 12V trafó szekunder fesz kell hozzá. A szekundert egyenirányítod egy graetz-el ezután pufferkondit teszel rá, 2200µF kb elég, ezzel párhuzamosan egy 100nF MKT kondit tegyél. A graetz elé a váltó feszre is tehetsz egy 100nF MKT kondit. Ezzel kész is a végfok tápod. Előfokra pedig 7812IC elé egy 470µF vagy 1000µF kondit, utánna mondjuk egy 10µF és egy 100nF. Ha 25-26V váltóról hajtod a 7812IC-t, akkor valami hűtést tegyél rá, mert melegedhet, ez az IC áramfelvételétől (is) függ, nameg a 36V-ról el kell fűtse valahova a fölösleges feszültséget, hogy 12V-ot kapj. De egyébként is érdemes valami kis hűtő lemezkét rászerelni.
Hát én ITT is megtalálható rajzot vettem alapul ahol asszimetrikus tápról meg max 18V ról... néztem az adatlapját ott van rajz sima+ és +/- os is. Én asszimetrikus tápról szeretném járatni. Akkor most hol az igazság 18V vagy 36V
|
Bejelentkezés
Hirdetés |




Én is kaptam egy GANZ UNIVO műszert de arra úgy vigyázok mint a szemem fényére :yes:






