Fórum témák
» Több friss téma |
Mielőtt kérdezel, a következő két dolgot ellenőrizd!
I. A helyes tápfeszültségek megléte.
II. A kimeneten van-e egyenfeszültség.
Élesztés.
Szia! Nekem már meg volt építve,és szerintem egészen jó hangja volt.Igen hidalni is lehet,úgy talán meg kapod a 400w-ot,4 ohmon.
Már csak volt?Mi lett vele?
A hozzászólás módosítva: Ápr 9, 2014
Szia
Köszönöm Meg fogom mérni mindkét oldalon. Egyébként a felvett nyugalmi teljesítmény is 10W-al kevesebb mint egy másik ugyan ilyen erősítőnél.
Gyanús, hogy abban az ágban nem folyik áram. Ha ez bebizonyosodik, egykét célirányos méréssel megcsíphető a hiba.
Értem köszönöm
Akkor ezt meg fogom nézni holnap.
Sziasztok
Adott 2Db TDA1015-ös IC és ezt a kettőt felhasználva szeretnék készíteni belőle egy erősítőt. Valami egyszerű kapcsolási rajzot keresek hozzá ? Régi rádióba tervezem mert az csak 1,5W-ot tud és ha már van akkor legyen 2x 4W.
Szia! Nincs sok változatosság a rajzokban Bővebben: Link Azt nem tudom hogyan lesz az 1,5W-ból 4W, ahhoz megfelelő táp is szükségeltetik.
Jó régi az a rádió de mintha úgy rémlene hogy van benne 12V és 16V-is de azt még megnézem a biztonság kedvéért.
Nézd meg azon feszültségek terhelhetőségét is!
Lehet rossz helyre írok, de hirtelen nem találtam más hasonló témát.
Kaptam egy olcsó "Hifi-t" és az a problémám vele, hogy sípol. Vagyis amikor bekapcsolom a hangfalak nem folyamatos, hanem a környezet rádió jeleit követve sípolnak. Wifi, BT stb... Lehet ezt valamivel orvosolni? Annyira olcsó volt, hogy ha ezt akár szereléssel vagy szervizzel ki lehet küszöbölni még akkor is megérte .
Szia! Kellemetlen probléma. Szűkíteni kell az átviteli sávot.
Sziasztok!
Nem teljesen erősítő, de mégis... ![]() Szeretném kicsiny házam hangrendszerét kicsit feldobni! Mégpedig úgy hogy lenne egy "média központom" ! 3 bemenettel ( PC bemenet, HI-FI bemenet, és aux bemenet) és 4 kimenettel (dolgozó szoba, nappali, háló, konyha,) Minden helységnek szeretném ha a hangját külön külön tudnám szabályozni, így gondolom digitális poti ami kell nekem. Az erősítőt ugye az osztó elé kell tervezzem? mi alapján méretezzem? " sima " sztereó rendszer szobánként 2x2 hangfal sacc 10-15 W Ha adnátok tippeket bemenetválasztóra illetve kimenetre azt nagyon megköszönném.. A vezérlés azt PIC el tervezem, csak nem tudom hogy a bemenetet és a kimenetet mivel szaggathatom meg? Relé, vagy valami kapcsoló ic vagy mi??? Köszönöm előre is!
Hogy a terem búrájába zavarhat egy hangfrekis erősítőt a 2,4 GHz-es RF jel...?
Éppenséggel zavarhat. Ha túl közel van a sugárzó forráshoz, és az erősítőben hidegítési, földhurok problémák vannak.
Igen, ebben igazad van, ha nagyon közel van akkor okozhat gondot.
Legjobb nem az erősítő tetejére tenni a router-t, laptop-ot, okostelefont, stb.
Szia! Megépítettem a kapcsolást próbanyákon, de egy deka jel nem jön ki belőle.. átnéztem, de nincs benne hiba.. becsatoló kondi 100 uF, ez volt a rajzon nem sok egy kicsit?
Üdvözletem
Még kezdő vagyok a témában, de segítséggel sikerült egy megfelelő erősítőt összerakni. A kérdésem csak az lenne ez ügyben, hogy vannak-e rejtett hibái, milyen lehet a hangja. A trafó előtte 2*18V 2A.
Igen, a 100µF a szimuláció kedvéért került oda. A gyakorlatban 1µF elegendő.
Ha nem jön ki jel belőle akkor nem jól építetted meg. A VP1 kimeneti ponton mekkora az egyenfeszültség testhez képest?
Szia! Elég homályos a feltöltött kép, ha ilyen, akkor minden rendben.
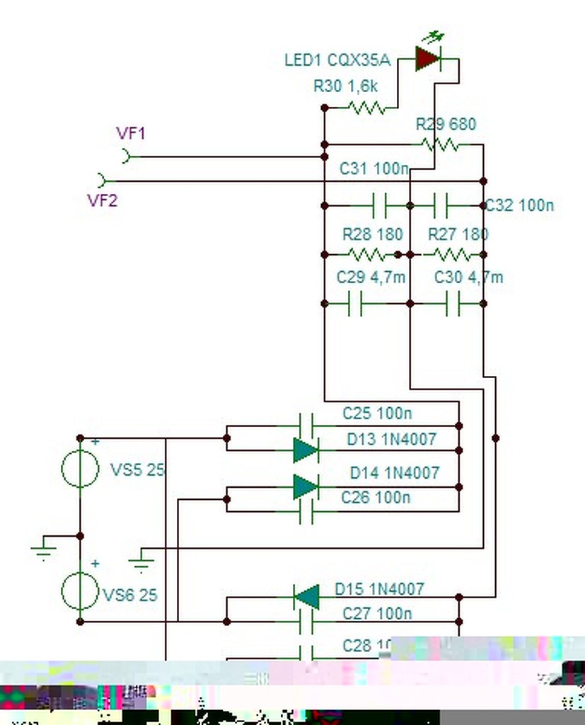
A tápfeszültség stabilizálását nem igényli a kapcsolás, kiváló a táphullámosság-elnyomása. A tápegység rajzában milyen szerepet szántál az R27, 28, 29 ellenállásoknak? A hangja meglepően jó, sajnos a gerjedékenysége miatt nem igazán stabil kapcsolás. Bővebben itt olvashatsz róla.
2,5 V, minimálisan változik. +- 12 V-ról próbáltam!
Csak ±12V-ról? Akkor R7 helyére átkötést kell rakni! A jelenlegi állapot némításnak felel meg
Na pillanat, megpróbálom nagyobb feszültségről!
Megy az ±12V-ról is R7 0 ohm-mal
Vajon milyen tápfeszültséggel fogsz még ezek után meglepni? A 70V persze, hogy necces egy 50V-os tranzisztornak, bár a produkált hibát valami más okozhatta.
Tesztre akartam a +-12 V-ot, erősítőben kb +- 45 V-van, Te erre is adtad a kapcsolást. Holnap frissen megépítem újra.. pedig még a elrendezés is ugyan az, mint ami a shematikus rajzon, nehogy elbaszarintsam. Ezek szerint sikerült. A kapcsolás szimmetrikus tápról működik, nem?
Szia
TR323 hibás, ez egy 2SA988-as 2SA970BL lenne helyette,de ez csak 0.3W-os viszont 0.1A-es. Erre ki lehet cserélni vagy van esetleg van helyette valami jobb?
Elnézést rosszul fogalmaztam:
Sípol és a közelben lévő Wifi-BT adatátvitel változásra változik a sípolás is. És ugyanúgy vagyis, ha átküldök pl egy fájlt majd még egyszer akkor amennyire hallani lehet a sípolás változása ugyanaz. Ezért gondoltam azt, hogy ez lehet a baja, de ahogy "pucuka" megjegyezte a probléma oka nem biztos, hogy a Wifi csak lehet segít a hibaforrás megállapításában, ha mondjuk már más is tapasztalta ezt.
A ±45V-tal lesz még némi tennivaló, mint írtam a kapcsolás elvi jellegű.
Ha a konkretizálás rám hárul, akkor felhívom a figyelmedet, hogy a T3, T5 pozícióba 90V feszültségtűrésű tranzisztorokat kell választani (például MJE340 MJE350; MPSA42 MPSA92) A hozzászólás módosítva: Ápr 10, 2014
Holnap megpróbálom mégegyszer, valószínűleg a próbapanelon rontottam el valamit..
|
Bejelentkezés
Hirdetés |









