Fórum témák
» Több friss téma |
Mielőtt kérdezel, a következő két dolgot ellenőrizd!
I. A helyes tápfeszültségek megléte.
II. A kimeneten van-e egyenfeszültség.
Élesztés.
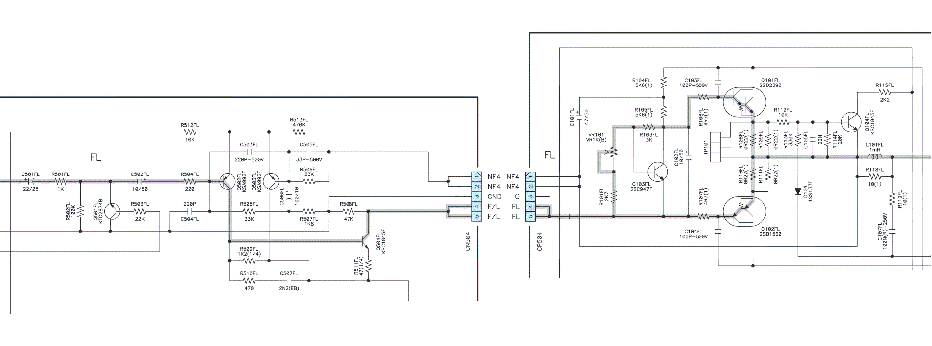
Dehogy a bázison van elírtam. A kollektoron van annyi. A B-n E-n -53,2V
Az így most rendben van, működik a bemeneti fokozat
Nem Q502 Q503 halt meg? Mert NF4 lábon ott figyel a -40volt mint a kimenten.
Az NF4 a kimenetre van kötve, úgyhogy normális, ha ott figyel a -40V. Q502-503 teszi a dolgát, az abból is látszik, hogy Q504 kollektora a +táp környékén van.
Sziasztok. Van itt valaki aki készít még 200watt teljesítményű quadot? Vagy tud elérhetőséget esetleg gyártóhoz?
Látom makacs a kimeneti negatív feszültség. Nem segítene ha mindent lepucolnátok a kimenetről?
CP504 széthúzva, Kiforrasztva C101, R113, R115, R118, L101. R118 helyére 10k. Ha a 10k teszt-ellenálláson áram folyik, akkor a csak van valami nyűgje a NYÁK-nak. Ha pedig így nem tilt le, mérhető melyik kivett alkatrész helyén jött be a negatív feszültség. Nem voltam napközben, Te jobban átlátod.
Én arra gonodltam, hogy valamelyik végtranzisztor B-E helyére egy 1kohmos ellenállást kéne beforrasztani. Akkor a feszültségerősítő fokozat tudna áramot hajtani a kimenetbe.
Biztos tanulságos lenne.
Végigpörgettem a beszélgetést, két dolog tűnt fel: - főpanelen a Q102 kollektoron (ami jelenleg üres forrpont) és a kimeneten kívül minden feszültség pozitív. Nincs honnan folyjon a kimenetet negatívba vivő áram. - az R104, R105 (5k6) ellenállásokon észlelt 1 mA körüli áramra nem találok magyarázatot. Ha nincs rádugva az előfok akkor azért, ha rá van dugva és el van billenve a kimenet, akkor azért. Úgy vettem ki, összedugott állapotban a lecserélt Q504 le van zárva, ami helyes állapot negatív visszacsatoló feszültségnél.
Az 104, 105-ön folyó áramot R508 okozza. Ez nagyjából rendben is volna.
A fő probléma az, hogy a kimenetet negatívra lehúzó áram sehonnan sem folyhat. Minden pont vagy a +táp (Q104-R115), vagy a föld felé (R117) húzza azt. Teljes misztikum.
Azok az erősítők amikkel én példálóztam, többé kevésbé az alábbi kép szerint néznek ki. Egy kaptafára készült a 400, illetve a 600Wattos, csak a kisebbikből kimaradt 1-1 pár tranzisztor, illetve alacsonyabb feszről megy. Hűtés tekintetében nagyjából egy szinten lehet ez a hűtés, az általad említett Mag 300 aktív hűtésével (gondolom én). 200x100-as hűtőbordákkal szeretnék panelenként. A 4Ohm azért fix nálam, mert hídban 8Ohm lesz az erősítő terhelése.
Na akkor teszek rá még egy lapáttal.
Ha rá van dugva az előfok panel, a jó csatornákon az NF feszültség 0. Viszont ha lehúzom a panelt és bekapcsol a védelem, a jó csatornákon is -40v van az NF csatlakozón.
Megcsináltam amit mondtál. Az R118 helyére betett 10k-on nem folyik áram. Minden kiszedett alkatrész helyén mértem. Csak az r115 egyik lábán illet a c101 +lábán mérem ugyan azt a feszültséget. +52volt, mikor bekapcsol a védelem akkor elkezd csökkenni. Mindkét említet lábon ugyanúgy.
Itt is látszik, hogy nem követi a matematikát a gyakorlat. Ahogy látom ott figyel a bordán a sárga vezetékkel bedrótozott termisztor, ami túlmelegedés esetén némít, letilt, vagy bármi, ugyanis a borda hőmérsékletét nem lehet megjósolni. Amíg a szilícium lapka és tranzisztor tokozás közötti hőellenállás ott figyel az adatlapon, és ezt szigorúan be is tartja a gyártó, addig a további hőhidak ellenállása már nem ennyire egyértelmű. De még a szigetelő alátét, és paszta is többé kevésbé kézben tartható, nem úgy mint a borda. Nyilván zárt szekrényben nem tud akkora hőt leadni, de akár közvetlen nyári napsütés miatt is úgy felhevülhet egy borda, hogy nem is kell dolgoznia az erősítőnek, és máris letilt, vagy elpukkan ha nincs benne valami figyelő izé. Gyakran valóban az okoz meghibásodást, hogy évekig bőven alul van terhelve az erősítő, majd egy ilyen "minden összejött" sztori miatt jobb esetben tiltogat a végfok látszólag ok nélkül.
Egy példa: Behringer keverő erősítő 2X250W/4 Oh, vagy 1X500W/8 Ohm hidalva. Az erősítők három speakon csatlakozó van, kettő a normál, harmadik a híd kimenethez. Egyik csatorna alapjáraton invertáló, és a hangsugárzó csatlakozónál van csak fordítva bekötve, ezért nem kell kapcsolgatni normál és híd üzem között. Ezt egyébként érdemes alkalmazni közös tápegység esetén, mert mindig szimmetrikusan terheli a tápsíneket. A kollégának tehát 2 darab 8 Ohmos sugárzója van, és tiltogat az erősítője. Elhozta, kipróbálom minden jó. Áthívom, hogy mutassa meg mit hová dug, mert nekem nem tilt. Egyik 8 Ohmos sugárzót be a hidalt csatlakozóba, mert oda van írva hogy 8 Ohm, a másikat pedig az előző hangsugárzóhoz linkeli. Ezeket a PA dobozokat fel lehet fűzni, tehát eredően 4 Ohm terhelte a hidat. Elektronikai oldalról nézve 2X75V tápfesz, csatornánként 2 pár 2SC5200/2SA1943, vagyis összesen 8 darab tranzisztor. Igaz, ezek is közvetlenül a bordákon. Két darab kazetta méretűn. Rajtuk bimetálos kapcsoló.
Az NF csatlakozó végfok felöli végén van -40V?
Igen, de csak akkor, ha le van húzva a preamp, amúgy 0volt
Akkor próbálj meg beforrasztani egy 1-2kohmos ellenállást Q101 vagy Q102 B-E elektródáinak a helyére, utána összedugott csatival próbáld meg bekapcsolni.
Amit mértem kiforasztva az úgy hellyel közzel rendben van?
Rakjak akkor vissza mindent? (a 3 tranzisztor kivételével,)
Igen. Q101-102 nem kell. Q103 mehet vissza, ha nem hibás.
Szóval Minden bent csak a Q101/102 nem. Q102 B-E egy 1k ellenállással összekapcsolva.
Bekapcsol, felugrik a kimeneti feszültség -21voltig. Bekapcsol a védelem elkezd nőni a feszültség fél perc alatt olyan -5voltig.
És -5V-nál megáll? Megmérnéd közben, hogy mekkora Q504 kollektor feszültsége? Hová forrasztottad az ellenállást, és milyen értékű?
Bocs, figyelmetlen voltam, látom leírtad, hogy 1k és Q102
Nem áll meg folyamatosan megy a 0 felé.
A Q504 ugyanez csak pluszban. Annyi különbséggel, hogy mikor a kimenet -1,8v akkor a q504 0,4v
Akkor várd meg, amíg stabil lesz. Akkor mérj rá az 1kohm-ra, hogy mekkora feszültség esik rajta!
A Q504 0,411v megállt és ugyanennyi van a betett 1k ellenálláson is.
Várjál, mert mégsem állt meg. -19mV jár a kimenet, 38,5 mV a 1k-s. És egyforma a feszültség a két végén.
Na úgy néz ki megállt.
Szóval a kinenet -3,3mV, Q504 C 6mV, 1k ellenállás mindkét vége 6,5mV
Na ez így már fasza
![]() Még egyet próbálj ki. Mi van, ha C101-et kiveszed, de az 1k-t benthagyod? |
Bejelentkezés
Hirdetés |












