Fórum témák
» Több friss téma |
Mielőtt kérdezel, a következő két dolgot ellenőrizd!
I. A helyes tápfeszültségek megléte.
II. A kimeneten van-e egyenfeszültség.
Élesztés.
Sziasztok!
Na ezt az erősítőt én is megépítettem anno. Ez volt az első tranyós erősítőm, akkor még azt is hittem a végtranyókra, hogy ICk, mivel négyszög alakúnak voltak rajzolva. Csakis az egyszerűsége fogott meg és nagy mákomra elsőre működött, akkor még semmit nem értettem abból, hogyan működik, és örültem mint majom a farkának. A tranyókra hűtőbordát nem raktam, persze elszálltak, az újakra raktam de azok is elszálltak mert nem szigeteltem el őket tőle, de 3.ra már "tökéletes" volt. Tényleg szép hangja volt. Viszont utána egyszer sem sikerült újra normálisra megépítenem, mindíg volt vele valami kehe. A két végtranyó előfeszítése sem volt egyforma, az egyik jobban melegedett. Ilyen ha magad kezded az elektronikát előzetes tudás nélkül... Mióta jobban értek az erősítőkhöz, abszolút átlátom milyen rossz a tervezése, utólag is elnézést kérek hogy meghonosítottam a BSSen, azóta terjedt el enyire. Építsetek helyette inkább ST151et, VF2őt, vagy "120Wos" RT-s erősítőt, ezek sokkal inkább életképesek... Üdv! Idézet: „vagy "120Wos" RT-s erősítőt,” azt se... :no:
Amúgy annó ez a szegény kis erősítő is le lett fikázva, meg offolva teljesen!
HP100 --> Bővebben: LinkDe amúgy meg sokan megéptették, én is! Hát működött fajinul, és a hangja is megfelelő volt! Az ST151-től nem sokkal gyengébb. Hangerőre is jó és egyszerű! Amúgy ennek az alkatrészeiből dobtam össze az ST-t, hogy kipróbljam azt is! Nekem mind a kettő tetszik, előnye az ST-nek,hogy biztonságosabb... De attól a másik is működik!
Nem csodalom, hogy le lett fikazva hisz van benne nehany alapveto tervezesi hiba. Ennek ellenere (es ahogy mar korabban is mondtam) ez az erosito (+ a masik ketto amit korabban velemenyeztem) mukodokepes es szol is. A kerdes, hogy mennyire megbizhato es hogy birja a nagy terhelest, illetve milyen a hangminoseguk. Bar ez utobbiba ne menjunk bele, mert mindenkinek mas az izlese. Van aki a sokol radio hangjat szereti van aki tranzistoros erositot nem is hallgat mondvan a csoves keszulekek sokkal jobbak .... kinek a pap kinek a papné
Hello!
Ha már itt tartunk, hogy melyik erősítő jó vagy éppen nem jó...(etc.), akkor ki szeretném kérni a véleményeteket erről a hídkapcsolású 240W hangszererölködőről! Tehát mondjátok, hogy jó !
Háát ez nagyon brutál... Még többet is ki nézek belőle, mint 240W
Hát ez már pofásabb! Jó kis anyagköltsége van ennek is!!! :yes:
Hát mostmár mind1 mert féluton vagyok vele, remélem müködni fog, viszont mindenképpen elgondolkodtató amit irtál! a tápot meg magam is érdekesnek találtam, én modjuk 2db 400w-ossal fogom hajtani, a kondi egyenlőre 2x10000uF.
Üdv : Doncso
Szia Proksa!!!
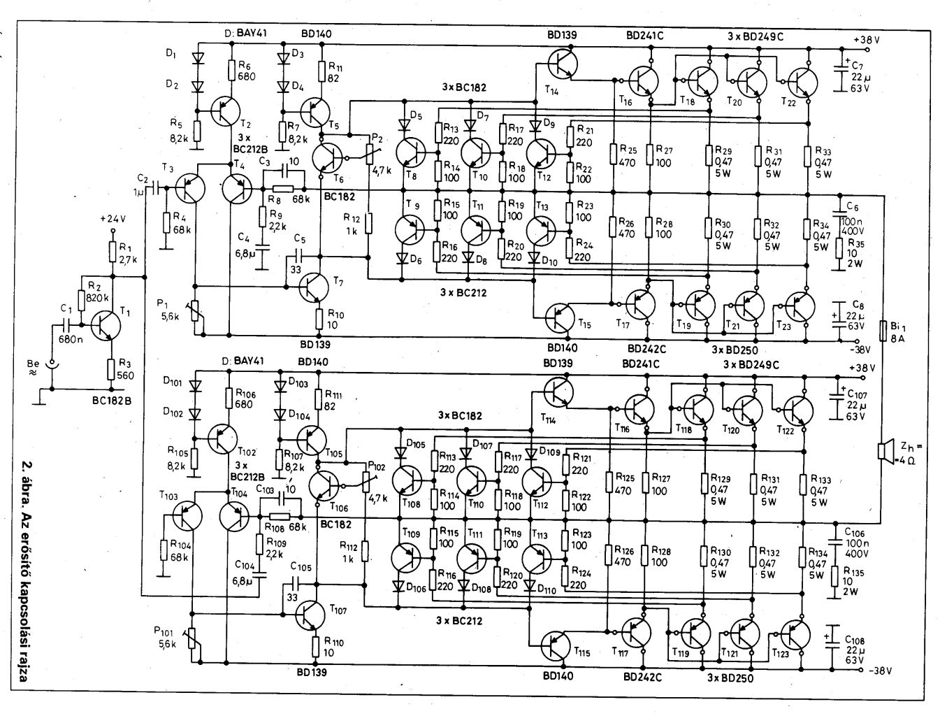
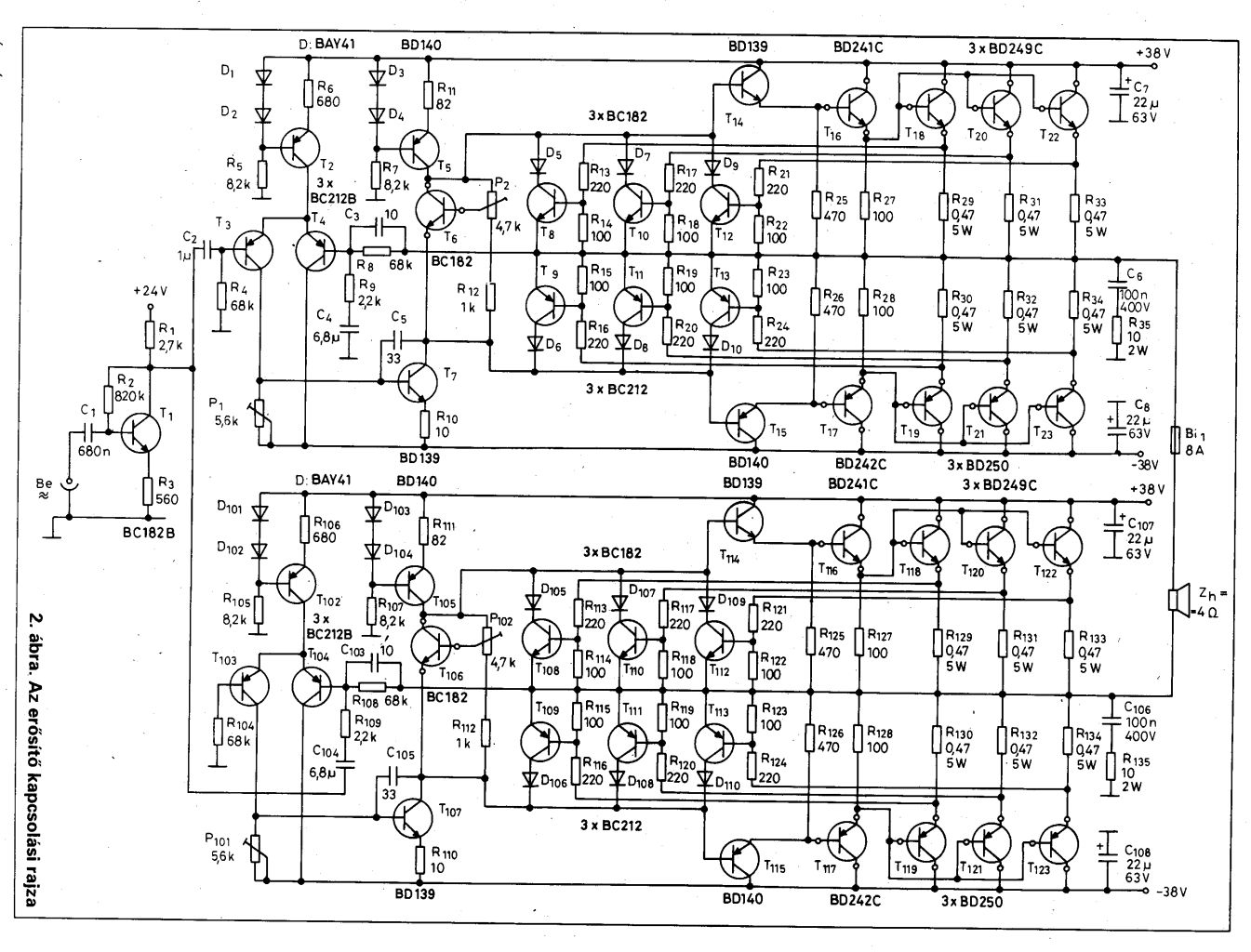
Na igy haladok a végfokkal, előbb utóbb csak összeáll! Itt vannak képek.
Én nem erre gondoltam! Van egy másik is, TIP-es véggel.. Anno asszem BDX66-67tel volt tervezve. RT'86/2. számban van. Amit belinkeltél arról én is sok fikát hallottam már..
Üdv!
Hát igen! Nem csodálom én sem, de aki kísérletezik, az megépítheti. Én is megcsináltam és szétszedtem. Egynek nem volt rossz...
Amúgy nekem nem jött ki rajta semmi bibi (persze az tuti, hogy +/-50 Voltot nem eresztenék rá) Meg én főleg gitárhoz akarok erőlködőt építeni, szóval ahhoz ez is épp megfelelt, nyers hangja volt, a gitárhoz meg az való, úgyis ott a torrzító, meg az EQ-aztán olyan hangot lehet belőle kihozni, amilyet akar az ember. :yes:
Sziasztok!
Találtam nemrég egy hi-fi erősítőt kidobva. Belenéztem, volt egy digitális vezérlő része, ami szét volt égve, azt egyből kidobtam. A végfok két STK4040x ic-vel volt megoldva, de a nyákon itt is el volt égve pár alkatrész. Gondoltam, újra kéne építeni a panelt, mert a doboz, hűtőborda, trafó jók az ic-k hez, csak nemtudom, hogy azok működnek-e. Van-e valami módszer a kipróbálásukra? És ha működnek, milyen kapcsolást ajánlottok hozzá, mert én nem találtam semmit a neten az ic-ről.
Pedig itt van az adatlapja az oldalon is, a katalógusok fül alatt! Ott lehet keresgélni ilyen adatlapokat!
Bővebben: Link Ez az amit te keresel!!! :yes: Üdv!
Peti_85 nekem is pengetésre kell egy erősítő, amit néhány HSZ feljebb belinketem az pont az (hangszererősítő)! Még NYÁK tervem is van hozzá!
És meg fogod csinálni?
Mert akkor kíváncsi lennék rá! De hát az jó drága lenne... :S Meghát ahhoz már bivaly hangszóró kell... Na majd még megdumáljuk. Amúgy most az ST151-et nyúzom a gitárral... csak hát aza a helyzet, hogy még ahhoz is kicsi a hangszóróm.
Valamikor biztosan megépítem, csak hát kellene a zseton, az meg lenne rá csak másra kell most!
Milyen hangszóród van ami kicsi az ST151 -hez?
Sziasztok! Van haveromnak egy Sony erősitője (tipust nemtudok mondani) és az a problémája vele hogy ha elkezdi hangositani 1/4es hangerőnél kikapcsol a relé benne! Ez mitől lehet? Ez alatt a hangerő alatt szol de nagyon halkan! Tehát nem a végfokkal lehet baj hanem valami mással! Ha valaki tudna segiteni annak örülnék! Köszi!
Hellósztok!
Még annó írtam a BEAG ATP100 erősítőről amit kaptam hogy javítsam meg. Valaki tudna és lenne kedve nekem senkíteni ennek a javításában. Szkópom sajna még mindig nincs, igaz proksa1 igérte hogy átnézi szkóppal mert hasonló problémákat produkál, de nemtom mennyire van rá ideje és hogy áll vele. Itt mindent megtaláltok a végfokról. és az erősítőröl. A hiba magába a végfokba van, az előfok és kimenőtrafó nincs is rákötve jelenleg. Pár mérést már végeztem amik nemtúl jók. A végtranyók B-E-én: T118:48mV, T119: 4mV, T120 és T121 : 0V. A kimeneten 6,17V DC és 1,18mV AC van. A diódák jók Kérem aki esetleg tudna segíteni hogy mit merre mérjek azt megkösszönném
Szia djrobaa,
lehet, hogy rövidzár van a kimenetén, és ha feljebb tekeri a hangerőt, akkor leold a túlterhelés miatt... át kéne nézni a kimeneteket, meg ami utána van, hangszórók, kábelek, meg a nyákot is jó lenne megnézni, hátha valahol összeér valami, aminek nem kéne... Ha volt már belenyúlva, akkor főleg meg kéne nézni a nyákot. TaTa
MA készült el a csövges végfokom, de nem szól.
Egy kis halk búgás a hangszórón de azon kívül semmi. Ha bekötöm a visszacsatolást, akkor meg hangosan sípol. Mi a probléma? a kötések jók. Kapcsolás: www.elektroncso.hu -->cikkek --> EL84 A-osztály alatt van. Légyszi segítsetek! Kösz9önöm : Müszi
Okés köszi megnézem! Amugy megvan a tipusa is! Sony TA-P7F!! Mégegyszer köszi!
Szia!
Egy Sal, SBV2530-as van mögötte. De az is éppen 100 W 4 ohm. Szóval éppen a határ eset, de hát akkor régen erre volt pénzem. Csak már nagyon kíváncsi lennék rá, hogy hogy szólhat a gitárom eg bazi nagy hangszórón...
Szia Gery!
A végtranyókat mérted multival?? vagy a végfokpanelon lévő félvezetők jók??, Áramfelvétel mekkora? munkapont jó? a kimeneten nem szabadna fesznek lennie az tuti, megpróbálok segiteni de nem igérek semmit Üdv: Doncso
Szia Doncso!
En nem ajanlom, hogy abban a formaban epitsd meg a tapegyseget az erositodhoz ahogy a korabbi csatolt kepen lathato. A ket kulon trafohoz csinalj ket kulon tapot (azaz mindegyiknek sajat graetz hid + puffer) es az igy kapott 2 egyenfeszultsegu tapot kosd megfeleloen sorba, hogy egy kettos tapod legyen. Meg 1 kerdes: ugye a vegtranyok allatti csillam szigetelok mindket oldalan van szilikon zsir v. vmilyen mas hovezeto paszta?
Hello
Igen ott van leírva hogy Txxx mennyi és hány volt, szal igen a végtranyókon mértem multival, az emmiter-bázisuk között. Hát igen, ez lenne a kérdés hogy jók-e? A diódák nezárnak rövidre azt már lemértem, a táp is jó szal valami a végfokon hibázik, arra kéne rájönni hogy mi... Az áramfelvétel nyugalomban, hangszóró sincs rákötve 26mA volt a pozitív tápágban. A munkapontoton mitértesz pontosan?, szkópom továbbra sincs A kapcsrajzot proksa osztotta meg velünk még a kapcsrajzot. Minden mást megtalálsz a fentebb, amit belinkeltem. Amúgy ha rákötök mindent, be és kimentek, annyit produkál hogy bekapcsolom pukkan egy kicsit a hangszóró (gondolom a 6VDC miatt) majd egy árva hangot nemejt ki magából.
Szisztok! Nálam van az emlitett Sony erősitő! Végignéztem mindent és nemtaláltam sehol olyan kábelt ami összeérne vagy valamit ami rövidzárt okozhatna! Bekapcsol szol is egy darabig aztán kattan egyett és kikapcsol! Ha lehalkitom akkor egy félperc mulva ujra szol de ha hangot adok neki akkor megint katt és semmi!! Mi lehet vele?? Mit keressek rajta még ami rossz lehet?
Nemlehet hogy túlmelegszik?
(az elobb a kapcsrajznál egy kicsit belekavarodtam a mondandómba )
Kösd ki a relét, hogy ne kattanjon...
Lehet, hogy csak túl érzékeny... Aztán ha szól annélkülis és nem okoz semmi hibát, akkor ok. Csak a védelmet kell nézegetned Idézet: „Ha lehalkitom akkor egy félperc mulva ujra szol de ha hangot adok neki akkor megint katt és semmi!! Mi lehet vele??” a hangfallal lehet valami, talán a tekercse zárlatos amikor bemelegszik.. és ekkor az erősítő rövidzárat érzékel és lekapcsol..... sztem.. milyen végfok van benne? más hangfallal jó? üdv
Csak simán hangszórót kötöttem rá! Nemhinném hogy a hangszóróval van baj mert vadi uj!
Tranzisztoros végfoka van de még annyira nem szedtem szét! sony tranzisztorok vannak benne! |
Bejelentkezés
Hirdetés |




! 


Milyen hangszóród van ami kicsi az ST151 -hez?
