Fórum témák
» Több friss téma |
Mielőtt kérdezel, a következő két dolgot ellenőrizd!
I. A helyes tápfeszültségek megléte.
II. A kimeneten van-e egyenfeszültség.
Élesztés.
Hali ha vissza olvasol már valaki tett fel ilyen kapcsolást,de teszek fel én is.
Igen, csak inkább olyanra ami nincs gyárilag dobozolva, és az erősítésszabályzós rész sem kell, csak egy, pontosabban kettő trafó kellene.
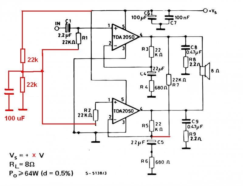
Szép Estét Electo-Man-ek! Ismért kéréssel fordulok hozzátok! Van ez az IC: TDA2050. Az adatlapja szerint vígan hajtható Single Supply ( azaz egyszerü táppal ). Viszont sehol nam találtam eddig hídkapcsolást Singel Supply-kapcsolással, csak Spli Supply táppal. Tudnátok segíteni? Előre is köszönöm!
Helló! Itt van amire gondoltál. Az árát ne nézd meg. Böngészendő: audio transformers.
Mi a hídkapcsolás lényege?
1. Fogsz két tök egyforma erősítőt, és a kimenetei közé kötöd a hangszórót. 2. A kimeneti (C7) kondenzátort elhagyod, mert felesleges 3. Az egyik erősítőre invertált jelet adsz. Kész a híderősítő... Az hogy single tápról hajtod, vagy +/- -ról nincs jelentősége. Azért a kimenő DC feszültségre ügyelni kell, hogy mV pontossággal egyforma legyen! Célszerűen az R1 R2 R3 C2 közös pontjait össze kell kötni mindkét erősítőnek. Tehát ez a kapcsolás alkalmas is lehet híderősítőhöz.
Köszönöm! Akkor megyek és rajzolok egy nyákot
![]() Köszönöm! Erre gondoltál?
Megpróbálom elmagyarázni: a híd másik IC-jének input-ját az R1, R2 osztóhoz kell kötni, hogy fél tápfeszen legyen földelve. A másik IC 2-es lábáról 22K megy az első IC négyes lábára, úgy mint kettős tápnál.
Sziasztok!
Valahol találkoztam ezzel a rajzzal. Az lenne a kérdésem, hogy volt-e már olyan vállalkozó szellemű illető aki megépítette? Elvileg, ahogy a fájl neve is utal rá egy Castone 1200-as erősítő lenne.
Szerintem ezt nem gazdaságos megépíteni, nem hiszem hogy ez alapján utánépítette volna bárki is.
Olyan áron van használtan, hogy a trafó, a doboz meg a borda kerül annyiba. A többi ingyen van.
Csövi.
Építettem TDA7294-ből erösítőt. Mind a kettő egy trafóról megy és olyan mintha brummos lenne, ha viszont az egyiket lekötöm a tápfeszről utána olyan csöndes, hogy nem is hallani hogy menne. A két végfok bezavarna egymásnak?
IstenKirály Vagy! Köszönöm!
Jajjj! de ez alapvetően hídalt kapcsolás volt ![]() Nekem ezt kellene hídalni:
Közös hűtőbordán vannak a tokok? El vannak szigetelve?
A leírt jelenség, áramhurokra utal, a negatív tápágban. Ettől sajnos búghat a cucc, de lehet egyéb oka is.
Az van hidalva, a piros az egyszeres táphoz való átalakítást jelenti, és radíroztam is.
Huppsz! Még egy piros vonalat tettem bele
Szívesen! Öröm volt egy kicsit paint-ezni
Eddig haladtam mára...
Jó Éjt Fiúk!
Üdv mindenkinek.
Miért van az hogy ha 4ohmos hangszóróval terhelem az erősítőt szuperúl megy de ha 8ohmosta rakokrá akkor fél hangerő után újraindul az erősítőm?:O Aztán visszakapcsol megint tekerem neki lassan a hangerőt és megint ujraindul?!
TDA2050. SpiritLayout.
Sziasztok! Megrajzoltam a TDA2050 hídkapcsolásának nyáklemezét, a csatolt kapcsolási rajz alapján. Mi a véleményetek szakmai szemmel? Köszi!
Hali megtudnátok mondani hogy mi a helyettesítője a C1815-nek?
Igen, tudjuk: Bővebben: Link
TDA2050 Hídban, 2X 64 W 4 Ohm.
Véleményetek? Köszi!
Én külön panelra raknám a tápot. És külön külön a végfokokat is.
|
Bejelentkezés
Hirdetés |



















