Fórum témák

» Több friss téma
Fórum » Erősítő mindig és mindig
Mielőtt kérdezel, a következő két dolgot ellenőrizd! I. A helyes tápfeszültségek megléte. II. A kimeneten van-e egyenfeszültség. Élesztés.
Lapozás: OK   737 / 2566
(#) reloop válasza laci6662 hozzászólására (») Feb 15, 2011 /
 
Ilyenre gondoltál?
(#) Swedhart válasza nasgoon hozzászólására (») Feb 15, 2011 /
 
Hali ha vissza olvasol már valaki tett fel ilyen kapcsolást,de teszek fel én is.
(#) laci6662 válasza reloop hozzászólására (») Feb 15, 2011 /
 
Igen, csak inkább olyanra ami nincs gyárilag dobozolva, és az erősítésszabályzós rész sem kell, csak egy, pontosabban kettő trafó kellene.
(#) nasgoon hozzászólása Feb 15, 2011 /
 
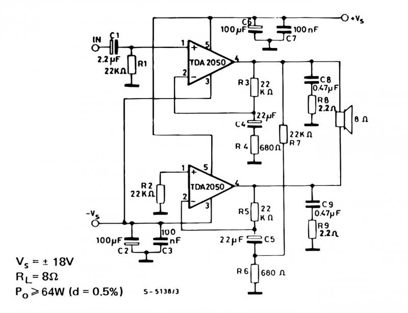
Szép Estét Electo-Man-ek! Ismért kéréssel fordulok hozzátok! Van ez az IC: TDA2050. Az adatlapja szerint vígan hajtható Single Supply ( azaz egyszerü táppal ). Viszont sehol nam találtam eddig hídkapcsolást Singel Supply-kapcsolással, csak Spli Supply táppal. Tudnátok segíteni? Előre is köszönöm!

névtelen.JPG
    
(#) reloop válasza laci6662 hozzászólására (») Feb 15, 2011 /
 
Helló! Itt van amire gondoltál. Az árát ne nézd meg. Böngészendő: audio transformers.
(#) elektrorudi válasza nasgoon hozzászólására (») Feb 15, 2011 /
 
Mi a hídkapcsolás lényege?
1. Fogsz két tök egyforma erősítőt, és a kimenetei közé kötöd a hangszórót.
2. A kimeneti (C7) kondenzátort elhagyod, mert felesleges
3. Az egyik erősítőre invertált jelet adsz.
Kész a híderősítő...
Az hogy single tápról hajtod, vagy +/- -ról nincs jelentősége.
Azért a kimenő DC feszültségre ügyelni kell, hogy mV pontossággal egyforma legyen! Célszerűen az R1 R2 R3 C2 közös pontjait össze kell kötni mindkét erősítőnek. Tehát ez a kapcsolás alkalmas is lehet híderősítőhöz.
(#) nasgoon válasza elektrorudi hozzászólására (») Feb 15, 2011 /
 
Köszönöm! Akkor megyek és rajzolok egy nyákot
Köszönöm! Erre gondoltál?
(#) reloop válasza nasgoon hozzászólására (») Feb 15, 2011 /
 
Megpróbálom elmagyarázni: a híd másik IC-jének input-ját az R1, R2 osztóhoz kell kötni, hogy fél tápfeszen legyen földelve. A másik IC 2-es lábáról 22K megy az első IC négyes lábára, úgy mint kettős tápnál.
(#) nasgoon válasza reloop hozzászólására (») Feb 15, 2011 /
 
"Értem" Lerajzolnád?
(#) Haraplak hozzászólása Feb 15, 2011 /
 
Sziasztok!

Valahol találkoztam ezzel a rajzzal. Az lenne a kérdésem, hogy volt-e már olyan vállalkozó szellemű illető aki megépítette?
Elvileg, ahogy a fájl neve is utal rá egy Castone 1200-as erősítő lenne.
(#) Bassmester válasza Haraplak hozzászólására (») Feb 15, 2011 /
 
Szerintem ezt nem gazdaságos megépíteni, nem hiszem hogy ez alapján utánépítette volna bárki is.
(#) andras1 válasza Haraplak hozzászólására (») Feb 15, 2011 /
 
Olyan áron van használtan, hogy a trafó, a doboz meg a borda kerül annyiba. A többi ingyen van.
(#) tanci hozzászólása Feb 15, 2011 /
 
Csövi.
Építettem TDA7294-ből erösítőt. Mind a kettő egy trafóról megy és olyan mintha brummos lenne, ha viszont az egyiket lekötöm a tápfeszről utána olyan csöndes, hogy nem is hallani hogy menne. A két végfok bezavarna egymásnak?
(#) reloop válasza nasgoon hozzászólására (») Feb 15, 2011 /
 
Parancsolj.
(#) nasgoon válasza reloop hozzászólására (») Feb 15, 2011 /
 
IstenKirály Vagy! Köszönöm!
Jajjj! de ez alapvetően hídalt kapcsolás volt
Nekem ezt kellene hídalni:

névtelen.JPG
    
(#) Bassmester válasza tanci hozzászólására (») Feb 15, 2011 /
 
Közös hűtőbordán vannak a tokok? El vannak szigetelve?
A leírt jelenség, áramhurokra utal, a negatív tápágban. Ettől sajnos búghat a cucc, de lehet egyéb oka is.
(#) reloop válasza nasgoon hozzászólására (») Feb 16, 2011 /
 
Az van hidalva, a piros az egyszeres táphoz való átalakítást jelenti, és radíroztam is.
Huppsz! Még egy piros vonalat tettem bele
(#) nasgoon válasza reloop hozzászólására (») Feb 16, 2011 /
 
Köszi! Köszi! Köszi!
(#) reloop válasza nasgoon hozzászólására (») Feb 16, 2011 /
 
Szívesen! Öröm volt egy kicsit paint-ezni
(#) nasgoon válasza nasgoon hozzászólására (») Feb 16, 2011 /
 
Eddig haladtam mára...
Jó Éjt Fiúk!

TDA2050.JPG
    
(#) Dani45 hozzászólása Feb 16, 2011 /
 
Üdv mindenkinek.
Miért van az hogy ha 4ohmos hangszóróval terhelem az erősítőt szuperúl megy de ha 8ohmosta rakokrá akkor fél hangerő után újraindul az erősítőm?:O
Aztán visszakapcsol megint tekerem neki lassan a hangerőt és megint ujraindul?!
(#) lacek29 válasza Dani45 hozzászólására (») Feb 16, 2011 /
 
Letílt a védelem??
(#) nasgoon hozzászólása Feb 16, 2011 /
 
TDA2050. SpiritLayout.
Sziasztok! Megrajzoltam a TDA2050 hídkapcsolásának nyáklemezét, a csatolt kapcsolási rajz alapján.
Mi a véleményetek szakmai szemmel?
Köszi!
(#) zotyo91 hozzászólása Feb 16, 2011 /
 
Hali megtudnátok mondani hogy mi a helyettesítője a C1815-nek?
(#) kadarist válasza zotyo91 hozzászólására (») Feb 16, 2011 /
 
Igen, tudjuk: Bővebben: Link
(#) djgombi válasza nasgoon hozzászólására (») Feb 16, 2011 /
 
Minek ennyi puffer? 1 is elég!
(#) zotyo91 válasza kadarist hozzászólására (») Feb 16, 2011 /
 
kösszépen
(#) nasgoon válasza djgombi hozzászólására (») Feb 16, 2011 /
 
A pufferből sosem elég
(#) nasgoon válasza djgombi hozzászólására (») Feb 16, 2011 /
 
TDA2050 Hídban, 2X 64 W 4 Ohm.
Véleményetek? Köszi!
(#) djgombi válasza nasgoon hozzászólására (») Feb 16, 2011 /
 
Én külön panelra raknám a tápot. És külön külön a végfokokat is.
Következő: »»   737 / 2566
Bejelentkezés

Belépés

Hirdetés
XDT.hu
Az oldalon sütiket használunk a helyes működéshez. Bővebb információt az adatvédelmi szabályzatban olvashatsz. Megértettem