Fórum témák
» Több friss téma |
De most neked +/-30Volt ról megy a végfok vagy 2*30Volots trafó kell mert nem mindegy!
Szerintem egyértelműen +-30V-ról megy a végfok.
(Szerintem 100W is elég...)
Ne haragudjatok de nagyon kezdő vagyok még ehhez.
De ha bemegyek pl.: a Lomex-be(nyugatitól nemmessze) akkor milyen trafót kérjek v rendeljek, és hozzá mekkora stabkockát?
A két végfokot szeretném vele üzemelni, ezért kell a 130V*A.
Erről a középmegcsapolásos dologról tudtok valamit mondani?
2x30w AB osztály (65% hatásfok) esetén. Ptrafó=(2*30w)+35% azaz 80VA-es trafó már jó hozzá. A pufferelt feszültség mint ahogy írták. Up= Uszek.*gyök2
A középmegcsapolásos azaz két szekunder tekercs esetén, külön-külön egyenirányítva és pufferelve érdemesebb elkészíteni. A torroid kivitel ajánlott. A Lomexbnál nincs ilyen trafó. Érdemesebb Baracskáról rendelni, vagy a torroidos topikban körülnézni. :yes: Kevés az esély ugyanis hogy kapsz a kereskedelemben pont Neked megfelelő trafót.Bővebben: Link
Hali!
Ha bemész a boltba, és elmondod, hogy 2*20V-os szimettrikus trafóra van szükséged, tudni fogják mi kell neked. De talán jó lenne tudni, hogy milyen az erősítőd konkrétan, mert 20-21V-os trafót nem biztos, hogy kapsz, 24V-ost viszont biztos. Azonban egy 24V-os trafó egyenirányítva, pufferelve már kb 33V lesz. Tehát jó lenne ismerni az erősítődet, hogy ezt a feszt elbírja-e? Ja, és nem kell stabkocka, csak diódahíd, meg néhány nagyobb elkó.
Ha elfogadsz egy tanácsot nem boltban vegyél trafót mert lehet drágább lessz mint ha vennél egy 2*30Watt os erősítőt használtan! Neked 230/2*21V os kell azaz Primer 230Volt szekunder 2*21Volt
Ha 24V-osat kapok akkor az tökéletes. Ki fogja bírni. Használtam órán, bírta a terhelést.
Elmondanád akkor h h rakjam össze amit felvázoltál? Pufferkondi van, tanár ad.
Ilyen Primer 230Volt Szekunder 2*24Voltos trafót honnan tudnék beszerezni?
És mennyibe kerülne így boltban ez a dolog?
Ebben minden benne van: Bővebben: Link
Ajánlom figyelmedbe a 7. oldal első ábrát.
Elmondanád akkor kérlek hogy ha veszek egy ilyen trafót ami 230V/ 2*24Vos akkor utána hogyan tovább?
Nyugodtan írd ki a szavakat végig. Köszi. -szamóca
szevasztok
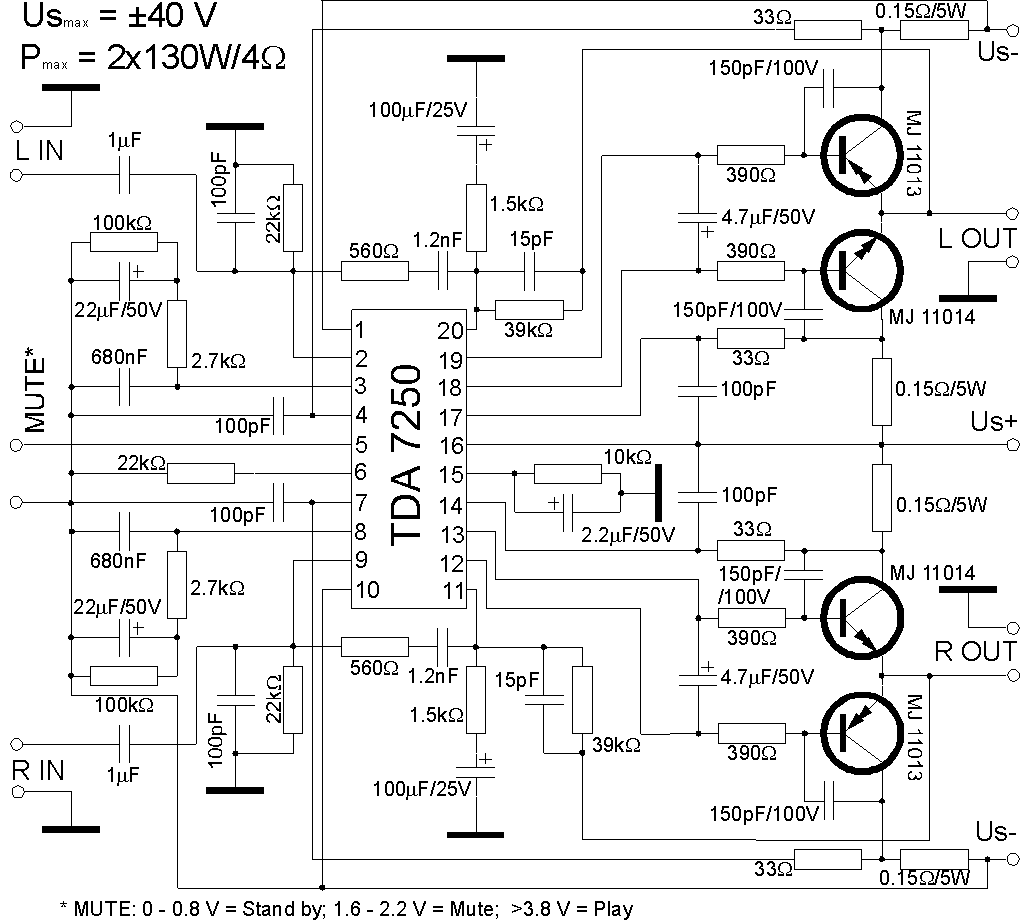
Azt szeretném megkérdezni, hogy a következő erősítőhöz tudna e valaki tervezni egy tápot? Annyit tudok hogy 6db szűrőkondinak kell benne lennie és itt az oldal címe is BSS elektronika ha valaki tud kérem segítsen előre is kössz
semmi különös nem kell ehhez, szimpla szimmetrikus tápot kér, én tennék 2*10.000µF-ot, illetve hidegítést, 100nF,10nF, 10pF, esetleg egy induktivitást bár nem hinném hogy kéri.
2*28V 300VA trafó kell hozzá, és egy 50V 10-20A -es graetz.
Hello!
Ha én akkumulátorról (~12V) szeretnék +- feszültséget akkor mi lenne a teendő? Szinusz (esetleg négyszög) oszcillátor egy trafóra a szekunder két tekercsét egyenirányítom, vagy esetleg van valami kisebb könnyebb kapcsolóüzemű tápegységes megoldás? Kb 100W-os erősítőt kellene kiszolgálnia. Lenne valahol/valakinek valami rajza ötlete amin el tudnék indulni? Kössz!
Szia!
Köszönöm szépen! Vaksi voltam ezt a topicot nem vettem észre. Köszi még egyszer! G,
Sziasztok, nekem most sikerült szert tennem egy ilyen tápegységre. Egy panasonic SA-AK44 es hifiből való. Ha jól gondolom, ez egy szimmetrikus tápegység, de csak gondolom, mert nemtudom, és pont ezért kérdezlek titetek. A másik kérdésem, hogy nemtudom, hogy hol mit mérjek, hogy mit ad ki min, mert sokminden kivezetés van rajta. Légyszíves segítsetek. Az sem baj ha hamar
Nem követelőzésből
Hali!
Lenne egy kérdésem! Mégpedig; egy erősítőt építek, melyben erősítő, hangszínszabályzó és kivezérlésjelző lesz (Analóg VU). Ezek természetesen különböző feszültségeket igényelnek. Nekem sikerült találnom egy olyan trafót, melyben nagyjából megfelelő kimenetek vannak. Mind a 3 áramkörhöz megfelelő feszültségszintet elő tudok állítani. Ezt 3 db graetz hidas egyenirányítóval teszem meg, az egyikben van egy 5V-os stabkocka, az erősítőhöz pedig föld szimmetrikus kellett. A kérdés már csak az, hogy ezeknek a GND-jét közösíteni kell e, vagy sem? Remélem érthetően fogalmaztam, a válaszokat előre is köszönöm! Üdv Marci
Sziasztok!
A közeljövőben szeretnék egy erősítőt építeni az LM3886 IC-vel nem invertáló beállításban. A tápegység trafója már megvan, adatai a következőek: teljesítménye:300VA primer tekercs: 230V/50Hz szekunder tekercsek: 2X27V/5.5A Az ideális tápegység kiválasztás számomra nehéznek tűnik, kérdéseimet csokorba gyűjtöttem: 1.) Az LM3886 IC-nek az adatlapja +/-35V-ot ír 8ohm-ra ekkor 50W-ot ad le.Nekem a trafóm kb. 2X38V-ot ad (az egyenirányítás és pufferelés után), tehát hogy tudnám lecsökkenteni a feszültséget, hogy megfelelő legyen az IC számára?Esetleg nem szükséges?Amúgy ennek az IC-nek mennyi az optimális üzemi feszültsége? 2.) A feszültség csökkentésére megfelelő lenne feszültségstabilizálás stab. ICkkel? Ez befolyásolná-e a végfok dinamikus jellemzőit (hangzást)?Vagy ez sem szükséges? 3.) Arra gondoltam hogy a tápegységem szűrését sok kisebb kapacitású pufferkondiból építeném fel, amelyek értéke 2200mF lenne. A szűrést RC tagokkal valósítanám meg. Elgondolásomat mellékeltem PDF fáljként. Milyen értékűek legyenek az R ellenállások értékei és kell-e kisebb kondikat a 2200mF kondikkal párhuzamosan kötni hidegítés céljából,? Ez az elgondolás egyáltalán helytálló vagy abszulut hülyeség? Az egyes ötleteket és hozászolásokat várom, előre is köszi!
Az adatlapja szerint az abszolut max. táp jel nélkül 94V, jellel vezérelve 84V, tehát kibírja az üresjárati +-38V ot.
Az optimális az amit írsz egyébként. Az hogy több kondiból állítod össze a tápegység puffermezőjét, jó dolog, de nem kell agyonbonyolítani, Az elkókkal párhuzamosan teszel egy pár száz nanos kerámia kondit, és kész.
Hy!
R tagok értékét esetleg meg tudnád adni? 1-2 Ohmosak vagy mégis mennyi? Gondolom szűrőt alkotnak az RC tagok de hát még én ezt kiszámolnám beleőszülnék...
Ez nem szűrés céljából van ott, hanem indulásnál az elkók rövidzárnak tekinthetőek, és ezért sorosan néhány tized ohmos, pár Wattos ellenállást kötnek a körbe. A nagy indítási áram elkerülése miatt.
Egyébként a rajzod sem jó, mert a negatív tápágban rossz helyen vannak az ellenállások. De nem kell ennyire bonyolítani mint írtam volt.
Hello
Egy stereo erősítőnek szeretnék tápot készíteni, ami 2db TDA2003-ból áll. Eddig egy számítógép tápról (12V) használtam gond nélkül, szépen szól, semmi búgás vagy torzítás. Eddig van egy 18V 23VA-es trafóm, lehetőleg ezt kellene felhasználni. Tudna valaki segíteni, ötletet, rajzot adni?
sziasztok a tápegységnél 2x45 volt van 3 vezetéken a középső a grd a 2fázisbol hogy lessz pozitiv és negativ küldjetek légyszives pozitiv és negativ jelekkel rajzot köszi
Szia!
Például így: Bővebben: Link
szia köszönöm szépen de a 3 kivezetésböl 2 pozitiv vagy nem .a 2x45 volt 2pozitiv és 1 negativbol áll. ezért nem értem.vagy 1 pozitiv 1 negativ és 1 grd
A GND-hez képest van egy pozitív, meg egy negatív kimenet. A linkelt rajznál a +36 és a -36V-os kimenetek között 72V-ot találunk, a GND és a másik két kivezetés között pedig +36V-ot és -36V-ot.
szia szerintem maradok a 2 diodahidas megoldásnál az egyszerübb.a hid elé teszek 2db 100nanos kondit ahid .után teszek 2db 100 mikrost és 4db 10000mikrosat. 4x45 voltos a trafom . és 800va-s 2x200wattos 8 ommos erősitőhöz. ehez tudnál rajzot küldeni.a 15 voltos részhez 7815 és 7915 stabilizátorom van.a kivezérlés mérő max 12 voltos. ahoz 7812 és 7912 van. elé2db 2200mikros és 22mikros kondim van .mögé pedig,2x100nanos .65 volt kell az erősitőhőz köszi a segitséget
A két diódahíd miért egyszerűbb az egy diódahídhoz képest?
M ert ott csak pzitiv és negativ van
|
Bejelentkezés
Hirdetés |





Nem követelőzésből 





