Fórum témák
» Több friss téma |
Fórum » És kapcsolás
Hal mindenkinek
Lenne egy problémám. Nem tudom hogyan tudnék építeni egy ÉS kapcsolást és szeretném ha segítenétek nekem. ez olyan kapcsolás amelyiknél két bemenő vezeték van és egy harmadik amelyiken csak akkor lesz áram ha a másik kettőn is. de akkor nem lesz áram a kivezetésen ha csak az egyik bevezetésen van áram. Aszem vhogy diódával vagy tranzisztorral kell megcsinálni. Informatikusnak tanulok ezért kérlek hogy kevés szakszavat használjatok. Kösz
Erre való a pl. a 7408-as ic. Ebbe van 4 darab AND kapu. Ez max 50 forint.
Vagy kifejzeten te akarod megépíteni?
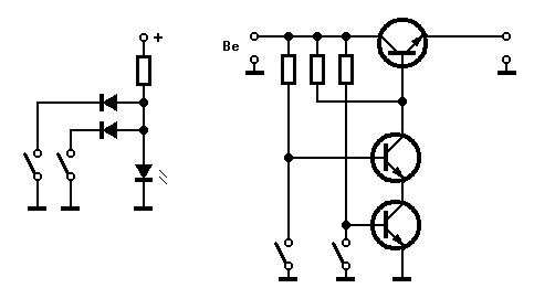
A bal oldali kapcsolás akár szemléltetésre is alkalmas, könnyen belátható, hogy MINDKÉT kapcsolónak NYITOTT állásban kell lennie, hogy a LED fényeskedjék.
A jobb oldali ábra már (talán) közelebb van a kérdésben feltetthez (bár a konkrét alkalmazás ismereretének hiányában nem lehet pontos kapcsolást kreálni). A pozitív ágban elhelyezett NPN tranyó akkor vezet (a kimeneten megjelenik a bemenőfeszhez nagyon közeli érték), ha MINDKÉT kapcsoló ZÁRT. Ekkor az ellenállásokon a bázisokra vezetett nyitófeszültség nem tud érvényesülni, mindkét alsó tranyó zárt, tehát a kapcsolótranzisztor a bázisába ellenálláson vezetett pozitív fesz hatására nyit. Ennél a kapcsolásnál a két alsó tranzisztor pozitívra menő ellenállását elhagyva, egy megfelelő soros ellenállással a bázisokra vezetett pozitív fesszel is elérhető a működés.
És kapcsolatot nagyon sok IC-vel meg lehet csinálni, vagy ha nem akarsz IC használni akár 2 db relével is meg lehet oldani , vagy tranzisztorokkal ahogy már SEBI írta. Ha relével akarod akkor a 2 relé záró érintkezőjét sorba kötöd, a reléket meg a 2 bejövő jelel vezérled. Ha IC-t akasz használni CD4001, CD4011,stb csak ezek nek pozitív hanem negatív jelet adnak ki, de át lehet fogratni könnyen.A CD4081-el is meg lehet oldani, és ez már pozitív jelet ad ki.
Miért bonyolítani ?
2 db kapcsoló sorba kötve az is 1 ÉS kapcsolat ... ennél miért jobban bonyolítani,
Egy rajz hogy 2 relével hogy lehet könnyen megoldani, ha nem akarsz IC-t vagy tranzisztort használni
|
Bejelentkezés
Hirdetés |










