Fórum témák
» Több friss téma |
Idézet: „CA 3140 ? Én is próbálgattam őket anno...” Igen az , na és netán emlékszesz erre , / még nem hallgattam meg /
Nagyjából emlékszem... jó hangja van, annak ellenére hogy nem kimondottan audio IC.
Hallgasd meg! Az ESP egyébként nagyon jó OPA-t tesztelni, jól megmutatja a különbségeket.
Más egyéb opa -val már teszteltem ezen túl is lennék , na kiváncsi leszek a CA-ra ?
Szerinted milyen bemeneti J-fet párral célszerű próbálkozni? A beszerezhetőséget nézve kb nulla a választék.
A cikkben szereplő helyettesítők elérhetők például a HEStore-nál, Bővebben: Link, Bővebben: Link.
Nekem valahogy kézenfekvőbb az emitter-követős elejű változat.
Világos... látom kened-vágod a dolgot
![]() Lassacskán összeál, hogy mi lesz a kísérleti kapcsolás. A zéneres táphoz az elején mit szólsz? Nem lenne jobb egyből 317/337 stabbal tervezni?
Fejhallgató esetén nyugodtan mehet az egész stabil tápról. A 47k 1W ellenállásokat majd igazítsd a leendő feszültséghez, hogy 500uA folyjon rajtuk.
Sziasztok!
Nemrég építettem meg az elektroncső.hu oldalon található 6922/6080 csővel kivitelezett fejhallgató erősítőt. Az építésnél a külön táp/külön erősítő mellett döntöttem. Az anódtápot,és fűtőfeszültségeket egy 6 pólusú military Amphenol csatlakozón vittem át. Az építéshez semmilyen extra alkatrészt nem használtam csak azt ami volt készleten a fiókban. Nagyon jó hangja van, teljesen zajmentes- köszönhető a belső földsínnek,és a jól szűrt tápnak. Már csak a bemeneti RCA-k érkezését várom, és ezek felszerelésével be is fejeződött az építés. Kipróbáltam 6AS7GA csővel is, lényeges különbséget nem tapasztaltam. A "teszt"fejhallgató egy AKG K240 volt, mindkét csőnél. Ajánlom mindenkinek,és nemcsak az egyszerű felépítés miatt... Üdv! Justice
Oké, köszi a sok jó tanácsot.
Az Ágoston könyvben közölt JLH -nál is kimeneti DC problémát említenek a leírásban. Lehet itt olyan aki megépítette? (bocsi, ez egy telefonos kép) A hozzászólás módosítva: Jan 12, 2014
Nagyon vagány, gratulálok! Én is egy hasonlón hallgatózok, 6N8SZ - 6N13SZ csövekkel.
Sziasztok!
Az ESP fejhallgatohoz hasznalhatok 20K-s potit a bamanatnel, vagy maradjak a 10K-s nal? A boltban honapok ota nincs, csak 20K-s
Hello! Nyugodtan használhatod a 20k-s potit.. üdv!
Üdv!
Lassan és biztosan készülget a BRAVO klón. Gondoltam megosztok pár képet róla...
Sziasztok!
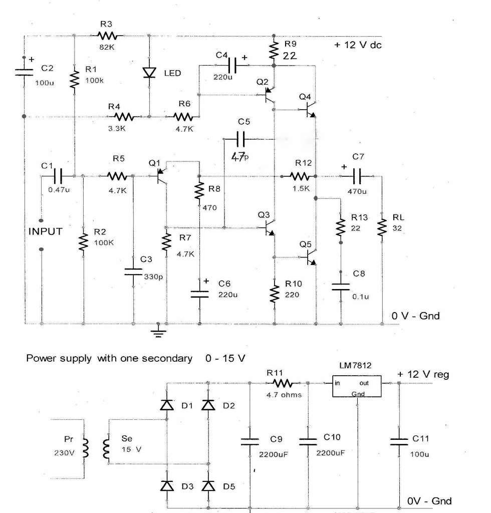
Megépítettem a csatolt kapcsolást. Az a probléma vele, hogy nagyon halkan de hallatszik az alapzaja(sistereg). A kis tranzisztorok BC212-k, a végtranyók pedig BD139-esek. Reloop segített eddig abban, hogy eltüntessem belőle a zavarérzékenységét, ugyanis amikor a kimenetén lévő vezetéket mozgattam, elkezdett halkan zúgni-búgni. Egy 47pF a Q3 BC közé majdnem teljesen megszüntette a dolgot. Az észlelhetőség határán, de még mindig zúg, de ennél rövidebb vezetékkel már sajnos nem bírom elvinni a paneltől a jelet a 6,3 jack csatlakozóig (kb 10cm) De a legfontosabb a sistergés eliminálása lenne, szeretném ha olyan halk lenne az erősítő, hogy észre se vegyem hogy be van kapcsolva ha épp nincs zene. Van rá valami tippetek mivel érhetem el? Nagyon köszönöm előre is a segítőkész hozzászólásokat!
Szia!
Próbálj meg a BC212 helyére BC550 -et tenni, meg a fülhallgatóval (kimenettel) sorba tenni egy soros ellenállást. Az ellenállás értéke függ a fülhallgató impedanciájától, lehet, hogy 33 Ohm már sok lesz, de az is lehet, hogy 100-200 Ohm -ig is megnövelheted. Minél nagyobbat tegyél be, de úgy, hogy még elég legyen a max. hangerő. De nem kizárt, hogy még mindig a gerjedés miatt zajos. A hozzászólás módosítva: Jan 22, 2014
Próbáltam már BC557-et tenni de semmi változást nem hozott zajban.
Ellenállást pedig nem szeretnék sorba kötni a fejhallgatóval, esetleg ideiglenesen, mivel állítólag nem tesz jót a hangnak egy eredetileg kis kimenő ellenállású erősítő kimenetét ellenállással megnövelni.
Csatolom a nyáktervet is, hátha azzal lehet baj, mert nagyon nem mindegy, hogy pl. a fejhallgató kimenetet melyik GND pontról veszem le.
A GND fóliák direkt vannak hajszálvékonyra könnyítve itt-ott?
Tükrözni kellett volna az alsó végfokot és akkor középen lehetett volna egy vastag GND fóliát végighúzni. Ez elég földhurok-gyanús terv. Azért is gerjedt neked. A bemeneti jelkábelen keresztül létrehozol egy nagy földhurkot. Idézet: -akkor lehet, hogy marad a zaj...„Ellenállást pedig nem szeretnék sorba kötni a fejhallgatóval, esetleg ideiglenesen, mivel állítólag nem tesz jót a hangnak egy eredetileg kis kimenő ellenállású erősítő kimenetét ellenállással megnövelni.” Esetleg egy kis impedanciás osztó a kimenetre? Teljesítmény veszteség, de lehet, hogy nem lesz annyira zajos. Próbára be kellene egy soros ellenállást tenni a kimenetre, hogy úgy jó-e? A fejhallgató GND -jét meg a táp elkók GND pontjáról kellene elvezetni. A hozzászólás módosítva: Jan 23, 2014
A GND fólia nincs elvékonyítva, csak aki odaírta a B betűt meg a kék nyilakat, gondolom eltakarta PS-ben a vezetősávot is.
Próbaképp bekötöttem sorba egy 47 Ohm ellenállást a kimenetre, és totálisan eltüntette a zajt. A sistergést is és a halk búgást is. Próbáltam 22 ohm ellenállással, de ott már tetten érhető nyomokban a zaj ![]() De most komolyan, ellenállás nélkül nem lehet elvárni egy erősítőtől, hogy néma legyen? A hozzászólás módosítva: Jan 23, 2014
De, elvárható lenne.
Viszont ebben a kapcsolásban ott van sorban a bemenettel egy zajforrás, a 4,7 kOhm, valamint nagy impedanciára van beállítva a bemenet a 100 kOhm -os osztókkal. Ezek mind zajforrások. Az a probléma, hogy fejhallgatóval jóval kisebb zajszintet is érzékel az ember füle, mint egy hangszóró esetén, amit 1-2 méteres távolságról hallgat. Az emberi hallásunk nagyon érzékeny, egészen halk neszeket is képes a fül érzékelni. A fejhallgató hangszórójának a membránja nagyon közel van a dobhártyához, alig csillapodik valamit a hangerő a megtett út alatt. A hangsugárzókon is van zajuk az erősítőknek, csak nem centiméteres távolságból hallgatjuk, a hang meg exponenciálisan csillapodik a távolsággal. Ha odahajolsz, odaszorítod a füledhez, azokon is hallani fogod.
Próbáld meg, cseréld ki az R12 ellenállást 1k-ra, 32 ohm -hoz nem kell ekkora erősítés.
Na, így már az elviselhető szintre csökkent a zaj. Megpróbáltam rövidre zárni az ellenállást, ekkor befogtam a tajvani kereskedelmi rádiót
Azt mondod, hogy a 100K-t lecserélhetném pl. 22K ohm -ra? És a 4,7K-t ki is hagyhatnám akár?
Ha még így is elegendő hangerőt kapsz, csökkentheted tovább (680-820 ohm), a 0 ohm viszont nem OK..
Nem olyan egyszerű, ahogy gondolod, mert az R5-C3 egy aluláteresztő szűrőt alkot, ha a kondenzátor értékének növelése nélkül csökkented az ellenállás értékét, akkor megint jön a tajvani rádió ... Az időállandó maradjon azonos, úgy csökkentsd, ha bele akarsz nyúlni a bemenő fokozatba. A 100kOhm -okat sem lehet csak úgy csökkenteni, mert az R3 -mal egy osztót képeznek.
A jel szempontjából olyan, mintha párhuzamosan lenne az R1 és az R2, úgyhogy max. 47-50 kOhm körül van a bemenő impedancia. Ha átalakítod és 22kOhm -ok lesznek, akkor lecsökken 10 kOhm körülire az előbbi érték. Ezt már nem minden műsorforrás szereti annyira. Az R8 -at is lehet növelni, azzal is csökken az erősítés. A hozzászólás módosítva: Jan 23, 2014
Tehát akkor nem ajánlod a bemenetet piszkálni?
Egyébként így mekkora az erősítés, ha R12 1K ohm -ra lett cserélve?
Lehet piszkálni, csak ki kell hozzá számolni az R3, R1, R2, R5, C1, C2, C3 értékeket.
Ha jól emlékszem, akkor az 1+(R1/R2) ált. képlettel számoljuk, azaz: Au = 1+(R12/R8) = 1+(1000/470) = 3,12 A hozzászólás módosítva: Jan 23, 2014
És ez nagynak számít fejhallgató erősítőnél?
|
Bejelentkezés
Hirdetés |





















