Fórum témák
» Több friss téma |
Jelenleg mekkora tápfeszültségű a fejhallgató erősítőd?
Az általam ajánlott kapcsolás ±15V-ról 100mWrms teljesítményt ad ki 600ohm-ra, az többnyire kielégítő hangnyomást hoz létre. A füles érzékenysége a hangerővel kapcsolatos elvárás persze másik kérdés.
Szia!
A Szekeres féle nem tetszik? Azért kérdezem, mert én is szemezgetek vele, de még nem építettem meg. És az eredeti kapcsolás alapján készült változatot építetted meg?
A Canamp -ot sokan dicsérik, de szerintem a nagy torzítása miatt.
Itt egy rövid vélemény róla, mellékesen megemlítve egy másik fórum hozzászólásában.
Azthiszem EZT emlegették Szekeres neve alatt?
Szia! Köszönöm! Ez szemre egy tetemes torzítású és műkedvelő által szerkesztett kapcsolás.
Ez meg sima egymás után csatolt impedanciaillesztő fokozat. Erősítése maximum x1. Ezek elé szoktak bekötni egy előerősítőt, ami leginkább meghatározza az erősítését, az pedig akkor már CanAmp. De ha megnézed, minden egyszerű SE, főleg a hibrid erősítőknél ezzel a végfokozattal vannak ellátva.
Köszönöm, ezzel a kapcsolással még nem találkoztam.
A jFET-est berajzoltam Tina-ba, 0,3-1% harmonikus torzítást ad a jelhez. Nem hangozhat rosszul.
Az X-szekeres II -t nagyon dicsérik, de rajzot nem találtam rá. Valószínű, hogy ez a J-Mo MKII nem az.
Ehhez képest a műveleti erősítős több mint négyszeres teljesítményt szolgáltat, viszont a source-követő kapcsolással járó (hallgatva igen kellemes) harmonikus torzítás elvész. Ezt igazából ki kéne próbálnod mennyire jön be a számodra.
Eddig csak a cd fejhallgatókineteivel tudtam összehasonlítani, annál azért jobbnak hallom. Lehetne cserélgetni a csatolokondikat , biztos változna.
A hozzászólás módosítva: Ápr 11, 2016
Üdv!
Valaki megépítette már a csatolt pdf-ben található kapcsolást?
Sziasztok! Van egy bluetoothos kis hangfalom AUX bemenettel. Arra gondoltam, hogy használom gitár erősítőként. Bluetoothon jönne PC-ről a zene és AUX-on menne be a gitár. Ez eddig működik is, viszont a hangszórója helyett fülessel használnám. Hogy tudnám leredukálni a kimeneti jelet, hogy egy fülest tudják rákötni? Előre is köszi!
Hello! Egy megfelelő értékű soros ellenállással, ami a fülessel sorba van csatornánként. Cseppet ronthatja a minőséget, de gondolom jelenleg nem ez a fő cél. (Értékét ki kell kísérletezni a kimenti teljesítménynek és a füles megfelelő hangerejének és ellenállásának függvényébe.)
Szia.
Hifi erősítőknél gyakori megoldás az, hogy nincs külön fejhallgató erősítő fokozat, hanem a végfok kimenetéről egy soros ellenálláson keresztül viszik a jelet a fejhallgatóra. Az ellenállás értékét a fejhallgató és a végfok teljesítménye (kimenő feszültsége) határozza meg. Ilyen soros ellenállásos megoldást te is nyugodtan alkalmazhatsz. A hozzászólás módosítva: Máj 12, 2016
Köszi! és körülbelül milyen értékű legyen az ellenállás?
Végfoktól és fejhallgatótól függ. Milyen teljesítményű a végfok, hány Ohm -ra, és milyen a füles? (Előtét ellenállást ez alapján tudsz számolni)
A hozzászólás módosítva: Máj 13, 2016
Az ESP 113-as erősítőben a műveleti erősítőt van értelme cserélni valami diszkrétre?
Ez eléggé ízlésfüggő. Az hogy diszkrét, még nem ad semmilyen garanciát arra, hogy neked jobban fog tetszeni mint pl egy 5532, vagy egy 2068D.
Ha a műveleti erősítőt kicseréled diszkrét áramkörre, akkor a kimeneti fokozatot is módosítanod kell, mert az csak az ic kimenő áramát növeli meg, diszkrét áramkör esetén ebben a kapcsolástechnikai megoldásban felesleges. Gyakorlatilag építenél egy tranzisztoros fejhallgató erősítőt, aminek semmi köze nincs már ehhez az ESP -hez.
Sziasztok
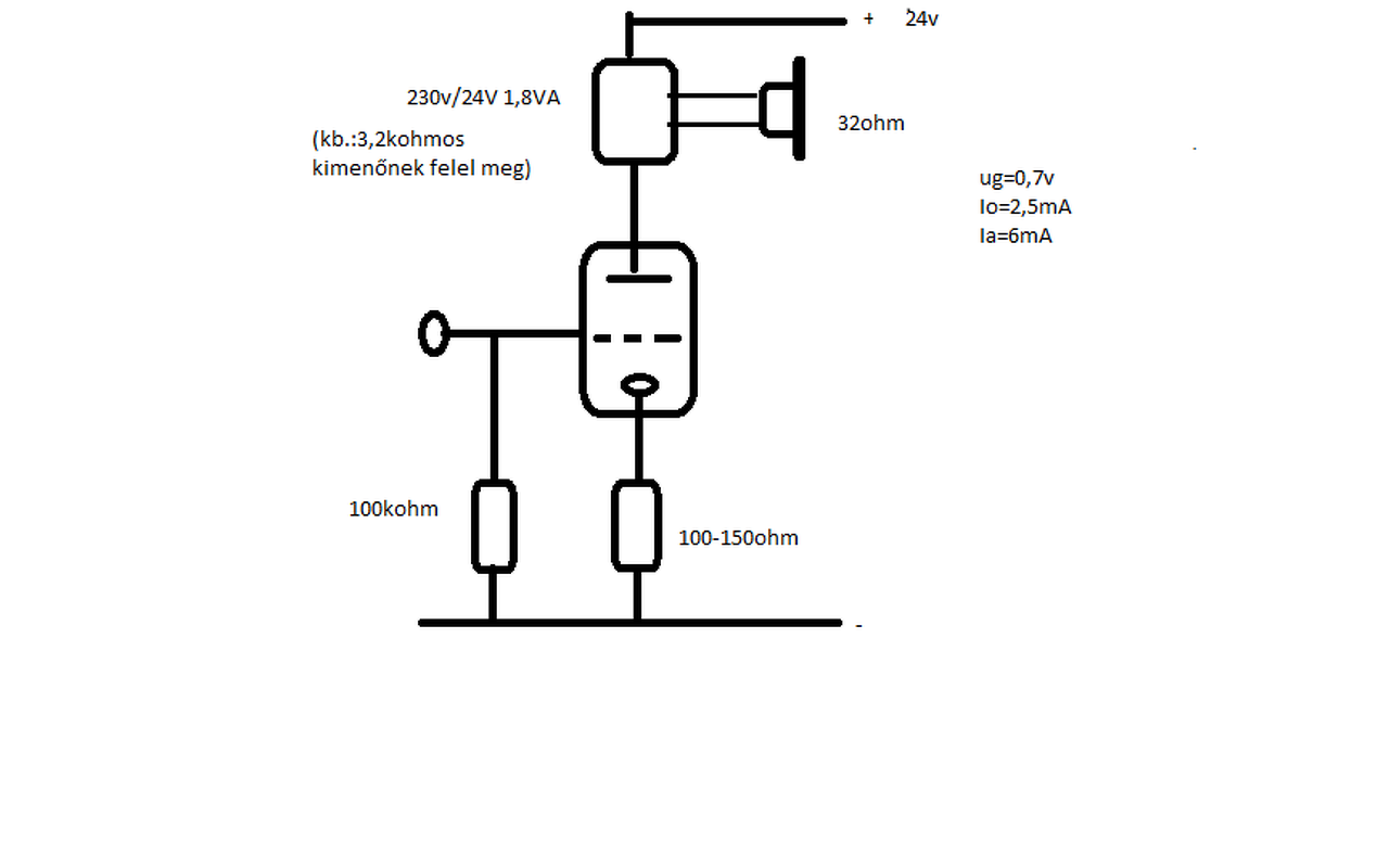
Meg szeretném osztani egy csöves együtemű fejhallgató erősítő divízióját, mert állati jó hangú és egy darab pcc88 vagy 6n1p,6n6p, (lényege a két csőfél közötti árnyékolás és a 20-40mu erősítés) elég sztereóra!!. 20V TÁPFESZ KELL neki plusz a fűtés, rács földre húzva 100kohmmal, katódellenállása 100-150ohm, Kimenőtrafó:230v/24v 1,8V/A Makai kistrafó. Ez a cuccos csak próbapanelon megy, de 32-ohmsuperlux fülessel is nagyot szól. A kis anódfesz (akku vagy laptoptáp) miatt nem baj a trafón a légrés hiánya, mert a nagy menetszám és a kimeneti teljesítményhez mérve nagy trafó kárpótol ezért.
Mihez képest van állati jó hangja?
Pont az árnyékolás nem igazán lényeges. Hangfrekvencián oly mindegy hogy a két csőfél egymás közti kapacitása 3, vagy 0,003 pF. Nagyfrekvencián, 100 - 200 MHz -en, ahová a csövet szánták, már nem mindegy.
Szia! Megvan még a kapcsolásod, leírásod hozzá? Én most kezdtem el belefolyni csöves cuccokba és kapcsolásokat gyűjtök.
Köszönöm!
Papiron nem torzít keveset,de ezt nem lehet érzékelni. 32-ohmossal 1,5%THD, de a nyíltság kárpótol érte. Aztán nagyon egyszerű és olcsó. Szebbem szól az Együtemű ecc88+6c13p OTL-nél, amit szintén próbáltam már. Kapsz tőlem hozzá egy tungsram cc88-at is, ha kell. Bár törpefeszültségre inkább rácsáramba szokták kényszeríteni ezeket a csöveket, de akkor már nem szól szépen.
Most fogom rendesen beépíteni egy régi fadobozba, de nincs sok időm két melóhely révén. A hozzászólás módosítva: Máj 23, 2016
Pont az,hogy gyakorlati szempontból lényeges, mert keveri a két csatornát ha nincs. Ezt gyakorlatból mondom, nem csak nagyfrekvencián van így. Ugyanez a kapcsolás módosítva ecc82-re sokkal rosszabb sztereót, szinte duálmonót eredményezett, de a annó volt 6c19p otl-fülesem ahol egy ecc88 volt a két fokozat meghajtója és ecc82-re cserélve ugyan ezt lehetett tapasztalni sajna.
Az elektroncso.hu-n megtalálod.
Na egy kicsit részletesebben, de ez kit izgat ugyebár?
|
Bejelentkezés
Hirdetés |













