Fórum témák
» Több friss téma |
Sziasztok! Én lámpa fényerő szabályzó kapcsolást keresek. A hobbielektronikában találok ilyen kapcsolást valamelyik évben? Kösz
Milyen szabályzót??AC vagy DC?? 230V vagy 12V..??
Én 12-20V-ra LM317-el oldotam meg.Adatlapban van alapkapcsi is ,de asszem Topi is tett fel valahova(gyűjtemények) Ő ventillátort szabályozott vele... :yes:
Szia
Rádiótechnika 1998-as évkönyvet kell megvenned, abba benn van, megmutatom. Ebbe kapcsoló se kell, mert teljesen letekerve nem fog világítani a lámpa. A diak lehet DB3 típusú. A triak BT139, csak annak más a lábkiosztása. Szemből nézve: A1; A2; G (tehát a széle felé legyen a fémes hűtőfelülete. Zoli
Nekem mind a kettő megoldás megfelel, csak a suliba kell Nekem csinálnom, év végi vizsgafeladat. Köszönöm
Sziasztok! Zoli, a másik oldalt nem tudnád feltenni? Én a netről leszedtem a rádiótechnikát, de abban sajna nincs benne. Köszi
Sziasztok! A rajzon lévő triakot és és diakot lehetne mással helyettesíteni vagy hol lehet beszerezni őket? Bővebben: Link
Sziasztok!
Nem tudna valaki segíteni nekem, a Hobby Elektronika újság indulásakor az első vagy a második számbanb volt egy olyan fázisvezérlő kapcsolás, am nullátmenet kapcsolót is tartalmazott és drága spéci IC-k kiváltását szolgálta ( U 111B meg ilyesmii) Keresném nagyon a cikket a rajzzal együtt sajnos valaki lenyúlta rólam mert eredetileg meg volt nekem is. Előre is köszönöm. Ata
Triakot: bármelyiket használhatod, feszültség és áramra figyelj. 230V –ra 400Vvagy afelettit. Diak: nem sok választásod van, de bármelyik jó.
Sziasztok !
Fényerőszabályzáshoz kéne áramkör, de nem triak/tirisztoros hanem IGBT v. MOSFET es változat. Esetleg pic-el még jobb lenne, sajnos neten nem találtam ezzel kapcsolatban semmit és az IGBT-k vezérlése sem teljesen világos. Előre is köszi!
Sziasztok.Kéne nekem egy nagyon egyszerű bekötés hogy szabályozhassam az izzót.Köszi
Szevasz.Ehez egy egyszerű leirás kellene:hány vattos,milyen feszültségű,egyen,vagy váltóáramú a táplálása stb....
Hello, 230V-os izzó fényerőszabályzására gondolsz?
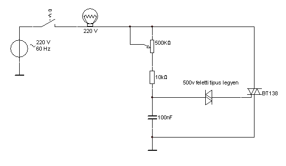
Szia, itt egy egyszerű kapcsolás,.. Ami biztosra működik,..
A rajz kezdők számára félreérthető. A feszültségre vonatkozó felirat a diac felett van,pedig a triacra érendő. A diac közönséges~30V-os tipusú legyen.
NemNem! Az a Diac -ra van írva! S, amgy is minden BT138 -as Triak min. 500V -ra van!
Bocs de a diaknak a begyújtási feszültségét adják meg! Az pedig 30V-körül van. Épp ez a tény teszi alkalmassá a nullaátmenetközeli gyújtásra is. Most gondolj bele mikor gyújtana be egy 500V-os diac?
Hoppá,.. Mostlátom TéVEDTEM! Helyesen;
NemNem a Diac -ra van írva! S, amgy is minden BT138 -as Triak min. 500V -ra van! Köszi a javítást,.. Magamtól észre nem veszem,.. De ki is figyelte,.. (én Nem, úgylátszik,..)
Sziasztok!
Megépítettem egy fényerőszabályzót a lámpámhoz már fél éve. Idáig rendesen müködött, viszont ma reggel vettem észre, hogy a lámpa halványan világít, miközben teljesen le van csavarva a potméter nem szabadna világítania a lámpának ebben az állapotban. Most, miközben irom az üzenetett, nem világít. Mi lehet a baj, hogy egyszer halványan világít, máskor meg nem, közben nem nyultam hozzá?
Szia!
Most megint jelentkezett a probléma. Megmértem a hálózati feszültséget, amit a lámpa kap, 233V. Frekvenciát nem tudtam megmérni(nincs olyan műszerem). Okozhatja ez a feszültségtöbblet a lámpa világítását?
Nem olt ki teljesen a triak. Vagy cseréld ki a potit 330-470 k-ra vagy a diakkal sorban tegyél be 2.2v zenert.
A frekvencia az nagyon stabil, viszont a terhelések miatt a jel alakja nem szinusz, hanem torzul. Talán inkább ez okozhatja. Már néhány volt feszültséggel izzásba lehet hozni egy izzót. Szerintem nincs jelentősége.
Ez a zéneres dolog ugye csak vicc!?
De ha négsem :no: , akkor kettőt kell beépiteni ellekapcsolva! Inkább poticsere! 470K - 1M potméter és vele párhuzamosankapcsolt 1Mohm.os trimmer potméter. A trimmerrel tudod beállítani a minimális kimenőfeszültséget! (Valamint csökkenteni a potméter HOLT-terét.)
Néhány haldokló diak, hasonló jelenséget mutatott.
Igazad van elnéztem 32v diak 2.2 zéner tényleg nemjó!
Idézet: „Megmértem a hálózati feszültséget, amit a lámpa kap, 233V. ... Okozhatja ez a feszültségtöbblet a lámpa világítását?” Ha kivan élezve az áramkör akkor igen! Ha nemakarsz potitcserélni, akkor egy soros ellenállás kell a potira. Úgy 330R-től 1K-ig terjedően. De igy a MAX tartomány is kicsit csökken.
Sziasztok!
Köszönöm a válaszokat. Poticsere lesz majd a jövö héten. |
Bejelentkezés
Hirdetés |













