Fórum témák
» Több friss téma |
Sziasztok!
Szeretnék egy olyan áramkört, ami a DVD lejátszó főkapcsoló nyomógombját, mikor erősítőként használom, attól függően kapcsolja ki-be, hogy kap-e erősítendő jelet, vagy nem. Ha nem, akkor pár perc múlva kapcsoljon ki, ha kap, akkor pedig egyből kapcsoljon be. Persze erre kivezetnék egy kapcsolót, hogy kikapcsolható legyen a funkció. Van ennek valami egyszerű, olcsó megoldására ötletetek?
Két feltétel van:
1. Kapcsoljon be jelre: Ehhez kell egy műveleti erősítős komparátor, de talán a legkevesebb fejfájást egy Kivezérlés mérőről lelopott jel lenne, az egyik ledről. 2. Aztán, ha van jel maradjon minden esetben, pár perc után kapcsoljon le ha nincs. Ez pl egy feltöltött kondi segítségével vezérelt tranzisztor könnyen megoldja, persze bármely impulzusra induló időzítő kapcsolás megteszi. Sokal egyszerűbb megoldás, az adó evvőknél használatos VOX funkció elszedése, de ezt neked kell beállítani. Két tranyó és pár alkatrész az egész, keresek egy bevált rajzot.
Köszönöm!
De nem igazán tudom, hogy ez mi, és mit lehet ezen állítani, és hogy a relé helyére a főkapcsoló gombot be lehet-e kötni? Mert direkt az lenne a lényeg, hogy csak azt "nyomja" be egy pillanatra, mintha én nyomnám meg, mert ha a tápot kapcsolnám ki, akkor a bekapcsolás készenléttel kezdődne, ha viszont a gombot kapcsolja, akkor a készenlét, és bekapcsolás közt vált. És még azt szeretném tudni, hogy működik úgy is, hogy nincs kikapcsolva az, amit rákötök? Szóval, szeretném, ha akkor is készenlétbe váltana, ha nem hallgatok semmit, de össze van kötve, szóval valamit lehet, hogy lehet mérni a kimeneten, és valamennyi zaj is lehet...
Az AV csatlakozó 12V vezérlő jel.Hátrány ,ha be van kapcsolva a DVD szerintem mindig van.
Ez nem hátrány, hanem akkor előny sincs, mert akkor használhatatlan arra, amit szeretnék.
Jelenleg a DVD lejátszóhoz egy SCART-RCA átalakító van csatlakoztatva, szóval csak 2 RCA(a hang) van rákötve a DVD bemenetére, ahol a SCART van. Így nem tudom, hogy milyen vezérlőjelet kap, meg amúgy sem, de gondoltam ez befolyásolhat dolgokat, ezért leírtam.
Ha akkor akarod a bemenetet kiválasztani ,amikor a dvd be van kapcsolva, akkor csak a csatlakozó megfelelő lábát kell kivezetni.Ha a DVD-t AV-AV csatlakozón kötöd össze a TV-vel ez a jel kapcsolja AV-re a TV-t.
AV csatlakozó Neked a 8. Láb kell.
Na... én nem akarok kiválasztani semmit...
Tegyük fel, hogy a DVD lejátszó mindig be van kapcsolva, és mindig erősítőként funkcionál, ugyanis tuneres monitorom van, ami egyenlőre nyomorék, mert hangot nem ad scarton, majd egyszer elviszem szervízbe..., szóval, a gépről a hang a monitorba megy egy jack csatlakozón, és a monitor fejhallgató kimenetéről egy Jack-RCA átalakítóval van összekötve a CSART-RCA-val, és így, attól függ, hogy a gépen hallgatok-e valamit, vagy tévézek, hogy mire kapcsolom a monitort. De lényeg, hogy a DVD mindig be van kapcsolva, de nem mindig szól se a gépen valami, sem a tévé. És elég lenne a monitort távirányítani, ha a dvd készenlétbe kapcsolna, ha nem szól semmi, és bekapcsolna, ha szól, mert így rögtön minden működne, ha viszont pl. teljesen kikapcsoná, elvesznének a hangzás beállítások, és ugye, mindig be kéne még kapcsolni készenlétről. És értem én, hogy scarton a 8. láb ezt vezérelné, de az gondolom azt vezérli, hogy be van-e kapcsolva, nem azt, hogy szól-e valami, ráadásul gondolom, a 8. láb sem a jobb, sem a bal csatornával nincs összekötve. Ha meg a hangerő vezérelné, akkor valahogy be kéne állítani, hogy pl. az a hangerő, amit zúg a monitor, az még ne kapcsolja be...
Akkor marad szendi001 rajza.A jelfogó érintőjét a kapcsolni kívánt érintkezővel kell párhuzamosan kötni.
Azt hittem, eddig is erről a rajzról volt szó.
De ha erről van szó, akkor a hangbemenetet a bal alsó nyílhoz, a kapcsolót pedig a Re1 helyére kell bekötni? És hol lehet ezt állítani, hogy milyen hangerő kapcsolja? Mert alapból zajos a hangkimenet, és mivel lehet beállítani, hogy mennyi idő hang nélküliség után kapcsoljon ki?
A hangerőt a bemenetre rakott potival állíthatod legegyszerűbben,az időzítést meg a c2 kondi dönti el szerintem.A gombot nem a jelfogó helyére kell kötni (legalábbis nagyon nagy szerencse kellene hozzá) ,hanem a jelfogó érintőjére.
Nem igazán tudom, hogy mi a jelfogó, és az érintője, de ha az relét jelent, akkor nem lehetne helyettesíteni valamivel? Most azért, hogy egy pillanatra zárja a gomb érintkezőit muszáj relé? Mert nem kapcsolni kell, csak megnyomni.. Ez a kapcsolás nem úgy működne, hogy ha kap hangot zár, ha nem, akkor nyit? Mert ha igen, akkor folyamatosan be lenne nyomva a gomb addig, míg van hang, aztán elengedne, ha nincs. Így nem kapcsolná, mert nem kapcsolót, hanem gombot kellene zárnia.
Szia!
Nekem 24V-ra kellene ilyen kapcsolás elég ha az értékeket megduplázom? zener 20V R1 1kohm R2 2.2kohm?
Hello!
Természetesen jó lesz, de azért nagy csodákat/precizitást ne várj egy egyszerű kapcsolástól! üdv! proli007
Szia Proli,
Bocsánat,hogy ismételten zavarlak. Ez az alap kapcsolás kifogott rajtam. Módosítottam a tiédet,hogy úgy működjön,hogy a lednek pozitív legyen kapcsolva,illetve fordítva működjön. Vagyis ha megvan a 9V az elemben,akkor ne világítson a led,7V-nál pedig kezdjen el világítani,jelezvén a merülést. Szempont még jó elem esetén a kis fogyasztás is,hogy ez a kapcsolás feleslegesen ne merítse az elemet. Én 0,5mA alá nem tudtam már menni. A kérdésem az lenne,hogy egyszerűbben miként lehetne megoldani a kapcsolást? Pl. ne kelljen ennyi tranzisztor. De más megoldást is szívesen veszek. 1206-os smd-k is szóba jöhetnek a kis hely használata végett. Válaszod előre is köszönöm.
Amíg ő válaszol, a TL(LM) 431-gyel aránylag egyszerű feszültségdetektorokat lehet építeni, mint pl ez Hátránya lehet, hogy ez kisöntöli a LED-et, ami fogyasztás szempontjából nem szerencsés. Ezen talán egy ultra kis teljesítményű műveleti erősítő segíthet. Azzal 5-6 alkatrész.
TL431 szabályozáshoz szükséges minimális katódárama 0,5-1 mA.
ADR5xx sorozat. Minimum operating current 50 uA Minimális működési áram 50 uA.
Hello! Mit rajzoltál, egyszerűbben valahogy így lehet megoldani. De a gond mindig az, hogy a zéner működéséhez áram is kell, hogy a könyökfeszültségére "lehessen számítani". Tehát nem igazán lehet az áramát csökkenteni. És sajnos mindig akkor vezet, ha a feszültség a figyelt tartományon felül van. Így áramfogyasztás is van, amikor a feszültség a figyelt tartomány felett van.
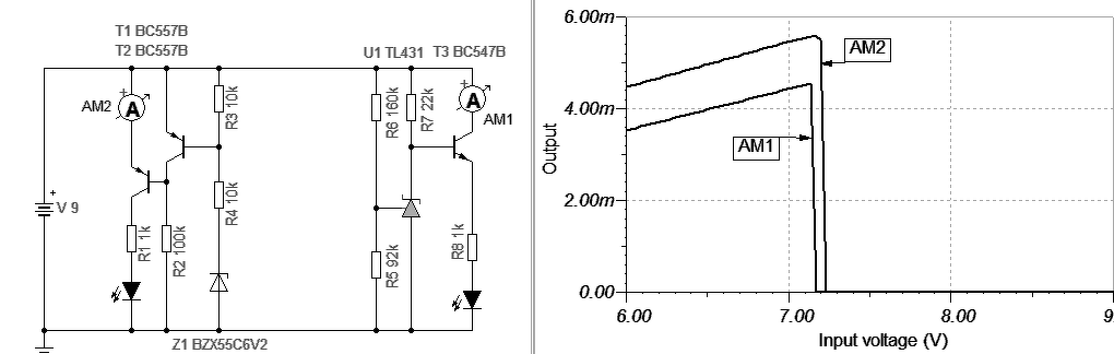
A TL431-es kapcsolás fogyasztását így lehet csökkenteni. De sajnos annak is van áramigénye a működéséhez. Ha van a javasolt ADR525, akkor lehet növelni az ellenállások értékét. Az önfogyasztás 9V esetén nem látszik a grafikonnál, de mind két kapcsolásnál kb. 300uA körül van. Másik megoldás a javasolt mikrófogyasztású OPA és kb. 50uA-es Band Gap dióda referenciának. Egy BC záróirányú B-E dióda is működhet zénerként. Annak áram lehet kicsi, de könyökértéke esetleges szokott lenni, tehát azt válogatni kellene. Azzal és egy NFET-el megint lehet kis önfogyasztású eszközt készíteni (mint az első ábra), de nem biztos hogy a 7V megoldható.
Köszönöm szépen mindenki válaszát!
Kipróbálom a javasolt kapcsolásokat és jelentkezem majd. Üdv. Peti
ni mit találtam: ez 105uA tápáramot igényel..."Micropower voltage reference", mindössze 10-12uA-t kell átfolyatni rajta
A hozzászólás módosítva: Dec 31, 2018
Köszi a tippet,de az LT1078 se a HQ-ban,se a lomex-ban nincsen...
Így maradnak az előző verziók. Azokhoz a cuccot már meg is rendeltem a lomex-ban,smd-ben...
Elgondolkoztam azon, hogy lehetne-e olyan áramkört készíteni aminek nincs nyugalmi árama, amikor a feszültség nagyobb egy bizonyos értéknél, és csak akkor fogyaszt ha a küszöbérték alatti a feszültség. Arra jutottam, hogy 2db megfelelő jFet-el talán megvalósítható, de mindjárt előszedem a TINA-t..
Össze is dobtam egy rajzot, persze ennek is megvan a hátránya, de nincs nyugalmi árama.
Hello! A J-Fet-eknél általában az a baj, hogy nagy a GS feszültség küszöb szórása. De próba cseresznye.
Szia Proli,
Kipróbáltam a kapcsolásokat. A két tranzisztoros mellett döntöttem,mert a feszültség stabilizátorosnál eléggé hunyorgósan kapcsolt a led. Kicsit variáltam az ellenállásokkal,így elértem,hogy nem világító lednél 0,1mA-nál többet nem vesz fel a kapcsolás. Köszönöm még egyszer a segítséget. |
Bejelentkezés
Hirdetés |












