Fórum témák
» Több friss téma |
Fórum » Feszültségszint kapcsoló
Témaindító: Szendrei Imre, idő: Nov 18, 2007
Témakörök:
Sziasztok!
Nekem egy olyan áramkörre lenneszükségem amely kb 40V ról31,5 V feszültségre csökkenéskor egy relét működtetne.
Elejtsen a relé vagy meghúzzon, ill. maradjon abban az állapotban (31 voltnál)?
Egy lehetőség...
Ha meg kell húzni a relének, a bal oldalit csináld.... ellenkező esetben a jobb oldalit. Indítás után, ha jó a 40 volt, bent marad a relé, kapcsol, ha lecsökken a fesz, elejt és nem tud visszahúzni magától. Először próbáld ki a relét tápról, hogy 18-19 voltnál még ne ejtsen el - olyant válassz. A soros ellenállás kiszámítása remélem, nem gond a tekercsáram ismeretében.
Az az igazság hoy elég kezdő vagyok és minden alkatrész paramétere fontos lenne.
Az is lehet, persze... de 27--es.... OK.
Szendrei Imre: Melyik alkatrészre gondolsz?
T1 T2 T3 vagy esetleg megépítenéd mert én nem vagyok ebben olyan jártas nekem csak az áramkör kellene további felhasználásra. mennyibe kerülne.
Ha ilyen költségekkel járna akkor az nagyonjó lenne. Ha megoldanád akkor fizetnék érte.
Na ja!
"Vennék valamit, de mibe kerülne?" Mert még a működés sem tisztázott! Ja, a relé árát kifelejtetttétek pedig az lesz a leghúzósabb. És hány ampert kell bontani v. zárni? Ezt is kellene közölni Fercivel! üdv! proli007
Hát igen... majd talán megírja Imre priviben..., mert itt furcsa lenne, hi...
Igen kis áramot kellene bontani. Sorba kapcsolt akkumulátorok kisütési idejét akarom megmérni és egy mutatós órának a tápját akarom megszakítani mikor eléri a kisütési szintet.
Az nem nagy gond.
Nem ismered a privátot? A válasz mellett van...
Na ugye! Már is okosabbak lettünk.
De gondolom az akkumulátorok terhelését is le akarod kapcsolni, ha kisültek. És az mekkora? Mert ha nem, semmi szükség a relére. üdv! proli007
Hali!
Én olyan kapcsolást keresek, ami 13,5V-nál meghúz egy relét, alatta elejtve tartja. Akkutöltőhöz kellene, ahol az akkut választaná le a töltőről, ha elérte a 13,5V-ot.
Hello!
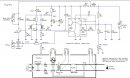
Ezt már valahol feltettem, de nem találom hol (Egy cikk ben is megírhattam volna) Ez a kis kapcsolás, elvégzi amit szeretnél, azzal a különbséggel, hogy a relé akkor ejt el, mikor az aksi elérte a töltési feszültségét. (ami logikusabb és itt 14,2V de nyugodtan beállíthatos 13,5V-ra is) A kapcsolás, az aksi feszültségéből táplálkozik, tehát, ha a relével a 230V-ot szakítod meg, akkor és az aksit leveszed a töltőről, vagy befejeződött a töltés, akkor lekapcsolja a hálózatról a teljes töltőt is. Ha nem akarod, akkor elég a töltőáramot megszakítani a relé egy kontaktusával. Ebben az esetben védi a töltőt a fordított polaritású ráhelyezéstől is. Ami esetleg nem érthető az a szinkron. Ennek feladata, hogy a feszültség figyelést szinkronizálja a váltófeszültség nullapontjához. Értelme, hogy ilyenkor nem folyik töltőáram, és nem hamisítja meg a figyelést a saruk, vagy egyáb átmeneti ellenállás. (Ha nincs rá mégsem szükséged, oda nem kötsz semmit.)(Természetesen ha a töltő diódás, vagy tirisztoros, és nem pufferelt egyen feszültséggel működik. Bár akkor rendszerint a töltő tartalmazza a "lekapcsoló" áramkört is.) Az áramkör alatti töltőrajz célja, hogy segítse az áramkör töltőre kötését, csak szemléltető szerepe van.Ezzel az áramkörrel, a legegyszerűbb töltő is komfortossá tehető! A két nyomógbbal, a töltés ki-be kapcsolható. ui: A kis tirisztor helyett bármely kistokos megfelel. Az áramkör lelke, egy uA723-as stabilizátor IC (sokan nem ismerik fel a rajzból, pedig oda van írva), a kis tirisztor éa a 12V-os relé. (pld. KR11-es 12V/100mA három érintkezős. De ha csak a 12V-ot szeretnénk megszakítani, akkor megfelel egy gépkocsiban alkalmazott általános relé is, aminek a 12V-os behúzótekercsén kívül, egy érintkezője van). A többbi a fiókok mélyén is megtalálható. Nyomógombokat nem szükségszerű használni A 230V relére történő vezetésével és szigetelésével körültekintően járjunk el! üdv! proli007
Sziasztok
Abszolút kezdőként, ezt a fórumot találtam leginkább a kérdésemhez megfelelőnek. Ha tévednék bocsi... Modellezéssel ütöm el a szabadidőmet és egy olyan "kütyü" kéne, ami ha 5,46V-ról 5V-ra(ha ez valahogy állítható jó lenne 5-4,8ig) csökken a tápfeszültség akkor bekapcsol egy ledet ami esetleg villogna is. Boltban előadtam hogy mit szeretnék adtak egy LM393-as IC-t, de segíteni nem tudtak a továbbiakban Ha valaki tudna egy kapcs.rajzot küldeni teljesen ovis szinten, mi kell hozzá (alkatrész típus szám, Ohm érték stb.). Előre is köszönöm válaszotokat
Hi !
Piros jeles áramforrás amit figyelsz. Másik komparátort is bekötöd, akkor egyszerre két fesz határt tudsz figyelni. Üdv!
Köszi a gyors választ de egyes részek nem teljesen világosak
PL: mi az a piros jeles áramforrás ??? egy négy cerka aksiból álló akkupakkot szeretnék figyelni, hogyha öt volt alá esik a feszültsége akkor villogjon a piros led. Gondolom a számok a lábakra utalnak, az ellenállások tiszták meg hogy van benne egy tranzisztor de mi az a 44%-os .... , potméter talán ? Pirossal azért kereteztél ugye mert az a "kör" vonatkozik rám ?! Esteleg ha egy-két szót leírnál még útmutatásul azt is nagyon megköszönném! És bocsánat a tudatlanságomért, érdekelnének ezek a dolgok csak nem értek hozzá , de maj dremélem idővel jobb lesz. |
Bejelentkezés
Hirdetés |








Ha valaki tudna egy kapcs.rajzot küldeni teljesen ovis szinten, mi kell hozzá (alkatrész típus szám, Ohm érték stb.). Előre is köszönöm válaszotokat

?! Esteleg ha egy-két szót leírnál még útmutatásul azt is nagyon megköszönném! És bocsánat a tudatlanságomért, érdekelnének ezek a dolgok csak nem értek hozzá
, de maj dremélem idővel jobb lesz. 



