Fórum témák
» Több friss téma |
Fórum » Fordulatszámmérő kétütemű motorra
Melyikre gondolsz?
hali! erre gondoltam:
http://www.hobbielektronika.hu/forum/files/4cb40542e09a66d7b390bb67...25.jpg
Hali! Szerinted úgy müködne a dolog hogy a 4es és a 8as lábat összekötöm és rakok elé eggy 7805 ös ic-t és 12 voltos tápfeszt adok neki? Jó lenne ha a kondi értékeit meg tudnád adni mert sürgős lenne a dolog! Hétvégén el akarok menni túrázni és addigra szeretném befelyezni! Előre is köszi a segítséget!!!!
Hali!
Adott ez a kapcsolási rajz részlet (csatolva). Ez már egy kész áramkör, de most ki szeretném bővíten, hogy a környeti fény hatására változzon a kijelzés fényereje. Néztem is az IC adatlapját, és úgy mutatja, hogy az 1MOhm-os ellenállással kell párhuzamosan kapcsolni még egy fototranzisztort. Pár kérdés ezzel kapcsolatban: 1) Fog ez így működni a kaszkádba kapcsolt IC-kkel is? Csak a fototranyó kell, semmi más? 2) Fototranyónak megfelelő-e a nagyfloppi-meghajtókból kitermelt alkatrész? Tehát annak a paraméterei megfelelnek-e itt? Előre is köszi! Krisz
Hi
6v-os mocimra akarok fordulatszámmérőt csak nem tudom hogy hogy kell megcsinálni hova kell kötni előre is kösz
Sziasztok!!!!!!
Sikerült beszereznem egy régebbi Mazda Ford.számmérőjét. Annyit kell tudni 12 Vos, mutatós. VAgyis ennyit tudok én. Az m,ár megvan melyik a +/-, és a jel bemenet. Ahogy próbálgattam, olyannak tűnik, sztem az is, hogy a mexakítóra kell rákötni. ugyanis mikor a pc táp 12 Vos kivezetéséhez érintgetem elkezd nekem ugrálni a mutató, és ha elég gyors vagyok oylan 1000 körül meg is tudom tartani ![]() ![]() na de nem ez a lényeg. ugy gondolom biztos, hogy ezt a mexakitora kell kötni. csak hogy a mexakítón (simsonról van szó) én ugy tudom nem 12 V van. (bár ebben nem vok biztos) ilyen van nekem. Szóval itt közvetlen a gyujtótekercsről kapj a feszt. rgo ha adok egy kövéret velugik 30-40 Vra a fesz, Nem tudom ez autóknál is igy van-e, mert ha így minden gond nélkül rákötöm és elvileg müködnie kell. Másik gond: a simson 2T, a mazda 4T. láttam az oldalon egy LCD kijelzős ford.számmérőt ahol egy kondival lehetett "eldönteni" 2T/4T. itt az a baj, hogy nincs kondi. legalábbis a bemenő ágon. VAn egy 1,5 k-s ellenállás, majd az IC (Plessey SL 494 7921A) uccsó lábára csatlakozik. Van benne egy poti is. Gondolom a finomhangoláshoz. Nem tudom ez alkalmas lenn e a -ha nem is pontos- de legalább valószerű érték belövésére. Kérdés szóval mit tegyek, hogy 2T-re alakitsam? ![]() Aki ért az ilyenekhez, csinált már ilyet, nagyon megköszönném ,ha segítene. Kössz előre is Uli
Ne légy türelmetlen, hátha már alszik, aki tudja
Egy SL494 nevű IC-t találtam a neten, ha neked az van, akkor az egy PWM-vezérlő. Nem tudtam leolvasni a lábkiosztását, valami scan-jellegű, ronda adatlap volt. A mérők ehhez hasonlóan működnek: megszakítóról jövő impulzusok egy monostabil multivibrátort triggerelnek, aminek a kimenete állandó szélességű impulzus lesz, a frekvenciája hordozza az információt. Ezekkel az impulzusokkal egy kondit töltenek, lényegében áramot átlagolnak az időre nézve, és az átlagértéket mutatja a fordulatszámmérő. Nem tudom, mivel mértél 40 V körül a megszakítón, nyitáskor a csúcsérték magasabb, 250 - 400 V-os szokott lenni, igaz, Simson-t még nem láttam oszcilloszkópon, de a primer tekercs áramának megszakítása elég szép rúgást szokott okozni. Különben nem is menne a motor, mert a szekunder köri energia sem volna elég nagy. Ha négyhengeres, négyütemű kocsiban volt, akkor ott minden körülfordulásnál 2 impulzust kapott; neked kétütemű, egyhengeresed van, körülfordulásonként egy impulzussal. Vagyis, ha a bemenet bírja a primer oldalt (erre hirtelen nem fogadnék, nagyon kicsi ellenállást említettél, semmi Zener stb.), akkor a tényleges fordulat felét fogod látni. Hogy lehet-e ennyit "hangolni" a mérőn, azt nem hiszem. Ha nem, akkor duplázni kell az impulzusok számát, kell az óra elé még egy panel. Lehet formálni a jelet 0-5V-ra, két monostabilt meghajtani vele, az egyik a felfutó (azaz 0-ról 5V-ra, megszakító nyitás), a másik a lefutó (5-ről 0V-ra, megszakító zárás) élre triggerel, és ezekkel hajtani a mérő bemenetét, két diódával "VAGY-kaput" kreálva. Sajnos a zárásszög miatt nem lesz egyforma az egyes meghajtójelek közti idő, emiatt, mérőtől függően, ugrálhat a mutató. Szerintem a te órád, a kis ellenállás miatt, elektronikus gyújtás rpm-kimenetére (többnyire TTL) csatlakozhatott eredetileg, úgyhogy óvatosan a próbákkal. A plusz panel építése helyett meg, vagy szétberhelném a mérőt, és illesztenék hozzá egy komplett egységet a motornak megfelelően, vagy építenék ledeset (a témában is láttam rajzot), vagy vennék olyat, ami eleve ilyen géphez készült.
sziasztok
azt a szocimotoros fordulatszámmérőt szeretném megépíteni viszont nekem 12ig kéne hogy mérjen(tehát 24db led kéne) és azt szeretném kérdezni hogy(gondolom egy másik több lábú ic kéne hozzá) milyen ict rakjak oda és hogy melyik lábára kössem majd a plussz 4ledet
hali!
én is megépítettem a szocimotorosat ,de nekem se műxik! állítólag a jelaóval van baj ,de azt nem tom ,hogy mmi!ha vki tudja ,kérem segítsen! az alkatrészek ára nálam kijött olyan 1500Ft ból ,mert a két ledvezérlő 450Ft/db áron vesztegették.
Hali!
Próbáld meg ezt. Ugyanaz, de mégis különbözik egy picit. Erről nem tudok nyilatkozni, hogy működik-e, de a Szocimotoroson lévőt megépítettem, és az nekem sem működött. Krisz
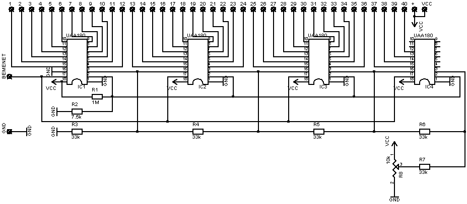
ez egy nagyon jó kapcsolás nállam müxik bárki megépítheti és olcsóbb sokkal mert az UAA180 ast nem gyártják! Ja a szocimotor féle kapcsolás azért nem működött senkinek sem mert nem csak uaa180 as IC kell hanem még kell egy 555 ic. Azzal kell a beállítást elvégezni és azt kell a gyujtásra rá rakni!!! Nézzétek meg nyugodtan itt a link ott is van az 555 ott a P1-es potival kell a beállítást hitelesíteni!!! (Ugyan is az álítja be hogy hányadik gyujtasi impulzusra adjon ki egyimpulzust a kimenetére az 555! Fontos a gyujtási feszt egy agyújtókábel köré tekert tekecsel kell megoldani 0.8 as keszeszt metsztű zmáncozott réz kb 40 menet. és egy műveleti erősítőn keresztűl már lehet is az 555 ös ic TR lábára kötni!)
közvetlenül TILOS rákötni mert azonnal szétküldi az egész áramkört a néhány ezer voltos gyujtási fesz!!! Vagy ha senkinek nincsen kedve tekercseléssel foglakozni akkor le veheti a gyujtó trafó előtti megszakítóról de akkor is egy áramkorláttal védeni kell a kapcsolást (zéner dióda )! (akkor már nem kell a müveleti erősítő)
köszi,ez a kapcsolas nekem is meg van ,nem régiben találtam ,és sztem is ezt fogom csinálni ,mert erről azért jóval többen állítják ,hogy jó ,és műxik...szóval köszi ,ennyit akartam.
az 555nek tom hogy impulzust kell előállítani ,de így sem műxik ,és hidd el ,nem vagyok egyedül...még 1x köszi szépen!
Sok sikert az építéshez!
Valakinek már működött ez a kapcsolás normálisan változtatás nélkül ?
Elkészítettem a kapcsolást, semmiféle életjelet nem ad magából. MIvel tudnám kipróbálni ? ÉN a pillanatpáka kimenetére kötöttem rá és ugy próbálkoztam. De semmi akárhogy tekergetem a potmétert. Ki mivel hitelesítette. Hogyan kéne viselkednie jel nélkül? mekkora az áramfelvétele? Nálam 2 mA.
Üdv! Ez alapján csináltad a kapcsolást?
Szerintem nem lehet külön építeni motorhoz, mivel egy spirál-on jön a fordulat, és a sebesség mérése is ugyanazon.
Elosztani meg nem lehet
Helló! Haveromnak korábban elkészítettem a szocimotoros.hu-n lévő fodulatszámmérőt. Neki egy MZ-je van, amin 12 voltos aksi van. A táp úgy ahogy van semmire sem jó, annak kihajigáltam az alkatrészeit, és beraktam egy 7805-ös stabIC-t. A második LM3914-nél van egy 22k-s ellenállás, ennek az értékét 2,2k-ra kellett csökkenteni. A jelet a gyújtótrafó 12 voltos kivezetéséről veszi le. A módosítások után tökéletesen müködött a kapcsolás. Egyszer kellett még NE555-t cserélnem benne, mert haver valszeg rosszul kötötte be.
Csatolok róla egy képet, mely elkészítés után készült. Az áramkör kb 1 éve volt elkészítve.
Akkor ez, hogy van?
Az igaz hogy a fordulatból meglehet határozni a sebességet, és fordítva. Csak akkor a sebváltó helyzete is kell. És ott van a üres amikor a motor jár, de nem halad. Akkor a fordulatszámmérő, vagy a sebességmérő, mit csinál?
Üdv! Fordulatszámnál elég a gyújtást felhesználni, de sebesség méréshez egy kicsi átalakításra lessz szükséged! Előszőr én egy bicó Km ór induktív jeladóját használtam (lehet opto is de az szennyeződésre érzékeny, az induktív meg nem). Ehhez ez müv. erősítőt használtam, és ezt már be tdtam juttatni a sebesség mérőnek.
A kerék küllőjén egy mágnes kell elhejezni! Utána jöhetek a számítások/beállítások (esetleg elko csere), és kész. (kb 3 évvel ezelőtt csináltam egy motron, a sebesség mérő ledek, kékek (3mm), 5km/h ként zöld (5mm) 10Km/h piros (5mm) ledet raktam. A fordulatszámmérő, ledjeit 6000rpm-ig zöld, efelett, egészen 8000rpm-ig sárga, a felett egészen 10000rpm-ig piros (5mm) . Az összes led extrafényerejű ledből lett csinálva. Akkor még fényképezőm sem volt, pedig lefényképeztem volna mert nagyon szép lett!)
Igen! Az alapján csináltam a kapcsolást. 4,7 voltra kötöttem rá (laposelem) az érzékelő helyét egyenlőre forrasztópákára próbáltam. (semmi életjel) igaz a 10 mikrós kondi helyett 4,7 et raktam be. A 15 Mohm és 10 M ohm helyett pedig 6,8 Mohm osat használtam.
üdv.
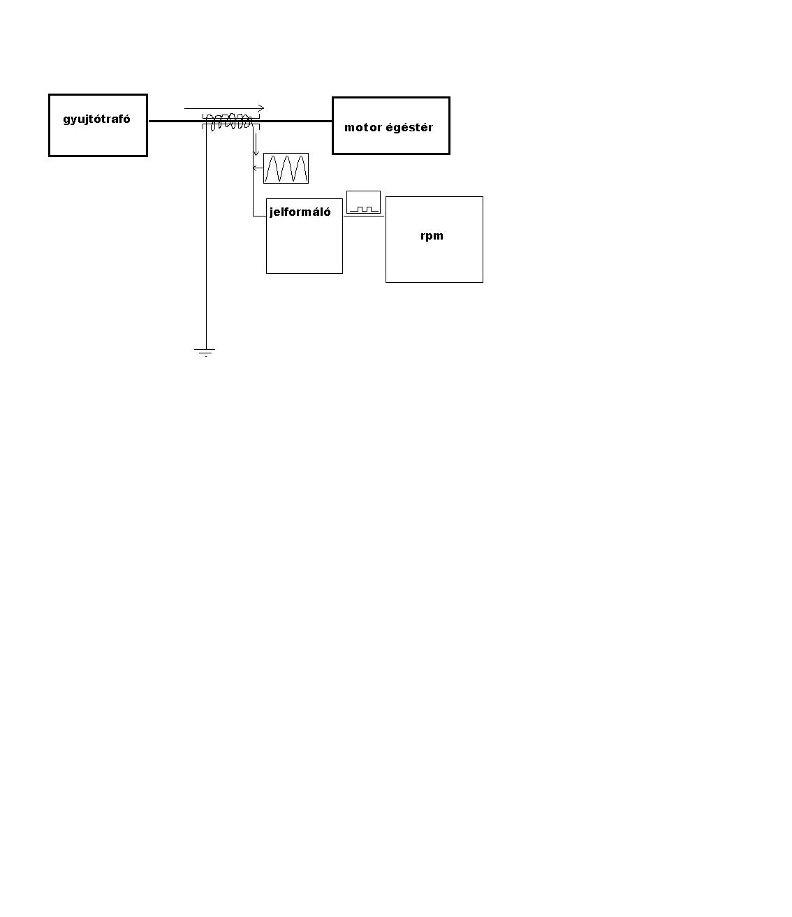
megint én. Megcsináltam a mellékelt fordulatszámmérőt ,de nem nagyon értem hogy azt a külön kis jelformáló izét még meg kell csinálnom?? Vagy pár tekerés 0.5ös CU huzallal a gyújtókábelre és rákötöm a bemenetre?? nem vágom ,segítsen aki tud please
Itt egy megvalósíásimódszer! (a képen)
Én n=20 d=0,02 Cuzhuzalt használtam! (és tökéletesen kalimpál a fordulatszámmérő!) (feszültség váltóként működik!) Sok sikert azélesztéshez/működteésséhez/ használatához!
...Ja a vezeték lehetőleg legyen árnyékolt, hogy a környezeti "zajokat"ne szedje össze!
A jelformáló kell!!! Csak akkor nem lenne rá szüég, ha mondjuk résoptoval oldanád meg a fordultszámmérését! (és annakmegfelelőenkellkalibrálni!) De én a résopto megoldást hanyagolnám, mert ha szennyeződik, vagy gyenge jelszintet produkál, vagy egyáltalán nemfog semmit csinálni!
akkor ez a 4805 ös cucc lenne a jelformáló??
azt külön meg kell építeni?nem látom a fényképeken hogy vhol ott lenne!! kicsit részletezd légy szíves |
Bejelentkezés
Hirdetés |






Uli
Csatolok róla egy képet, mely elkészítés után készült. Az áramkör kb 1 éve volt elkészítve. 






