Fórum témák

» Több friss téma
Fórum » Forgatásra induló elektromotor
Lapozás: OK   1 / 1
(#) egonka92 hozzászólása Máj 26, 2011 /
 
Üdv mindenkinek!

A következő lenne a problémám: egy olyan kapcsolási rajzot keresek 3V-os elektromotor mellé, amely akkor indítja a motor áramellátását, amikor a motort egy irányba kicsit megforgatjuk. Gondoltam rá, hogy a motor megforgatásakor indukált árammal kell valamit kezdeni, de mivel kezdő elektrós vagyok, és még csak összerakni és értelmezni tudok kapcsolási rajzokat, a tervezéssel elakadtam. A motor leállítását is úgy kéne megoldani, hogy amikor lefogjuk a motor forgását (ez ekkora méretnél akár kézzel is), akkor a motor állva maradjon, egészen addig, amíg újra meg nem forgatjuk. Ennek a kapcsolási rajznak (legjobb lenne, ha egyszerű alkatrészekből (kondi, tranzisztor, dióda...) meg lehetne oldani) a megtervezéséhez kérném a segítségetek.

Előre is köszönöm!

Egon
(#) attila2010 válasza egonka92 hozzászólására (») Máj 26, 2011 /
 
Elvileg megoldhato lene. De a problema az ,hogy amikor megforgatod keves aramot termel ezert valami ic-el fel kelene erositeni ,s a lealashoz valami tulterheles ellen kelene beepiteni alkatreszeket (mert mikor lefogod leterheli a motort, es ekor megszakithatna az aramkort)
Ezt a legegyszerubb PIC-el megoldani
(#) idlob válasza egonka92 hozzászólására (») Máj 26, 2011 / 7
 
Mikrovezérlőt kicsit ágyúval verébre érezném, bár ma már...
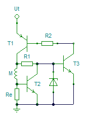
A tápfeszültség ráadásakor T1 le van zárva, így nem folyik áram.
A motort (amit most jobb híján a tekercs szimbolizál) megforgatva R1-en keresztül T3 bázisán áram kezd folyni, ezért T3 kinyit, és így T1 is. A motor elindul, és az öntartás is megvalósul, mert R1 motor felőli lába majdnem táp potenciálra kerül (ezért kell a Zéner-dióda, hogy T3 ekkor se károsodjon).
A motor "alsó" lába egy viszonylag kicsi ellenálláson (R3) keresztül kapcsolódik a földre, így a normál üzemi áram nem ejt rajta nagy feszültséget, T2 lezárt állapotban van. De ha a motort lefogjuk az áram megnő, így R3-on eső feszültség is megnő, T2 kinyit, ezért T3 bázisát földre húzza, az lezár, az öntartás megszűnik, a motor leáll.
3 tranzisztor, 3 ellenállás, 1 diófa.

Most már csak kicsit számolgatni kellene, amihez viszont nem ártana tudni a motor üzemi áramát.

motorv.png
    
(#) egonka92 válasza idlob hozzászólására (») Máj 27, 2011 /
 
Helló!

Köszönöm válaszod, pontosan ilyen elegáns megoldást szerettem volna. A motorról: igazából nem tudok róla sokat, mivel itthon találtam. Szerintem eredetileg 6 V os, de 3 V on is szépen üzemel. A meghajtását egy vagy két CR2016 os gombelemmel képzeltem el (attól függ, hogy egy vagy kettő, hogy éppen mit hajtana, bár tervezésnél szerintem a kettőt kellene figyelembe venni). A motor ellenálása 19 Ohm, a 4.5 V os elemen (ami már csak 4.07 V-ot ad) járáskor 3.94 V ment át rajta. Ezek alapján már kilehet számolni az ellenálások értékét? A legjobb lenne, ha 3 és 6 V esetén is jólenne ezek értékét tudni. Valamint mely tranzisztorokat ajánlod a megépítésre?

Üdv: Egon
(#) Ricsi89 válasza egonka92 hozzászólására (») Máj 27, 2011 /
 
Szerintem azt a gombelemet felejtsd el. Túl kicsi áramot tud, szerintem még el sem indulna vele a motor. Használj inkább ceruzaelemet, vagy laposelemet.
(#) egonka92 válasza Ricsi89 hozzászólására (») Máj 27, 2011 /
 
Helló!

Működik vele a motor, most próbáltam ki. Egy elemmel birtam kipróbálni, mivel annyi volt itthon (az is a karórámba). Kicsit gyöngébb vele, mint a ceruzaelemekkel, de meghajtja. Ezért hajlok egyre inkább a 6V os kivitelre...
(#) Marko Ramiusz válasza egonka92 hozzászólására (») Máj 27, 2011 /
 
Szia, egonka92! "...de mivel kezdő elektrós vagyok...", úgy nézem valóban itt kezdődik probléma: indukált áram nem létezik, pontosabban a feszültség tud indukálódni. Üdv.: Yoe
(#) idlob válasza egonka92 hozzászólására (») Máj 27, 2011 / 2
 
A gombelemet én sem annyira ajánlom, egyszerű financiális okokból: mivel kicsi a kapacitása, hamar lemerül, és még elég drága is, összehasonlítva egy AAA elemmel, ami viszonylag nagy kapacitású is, kicsi is, olcsó is.

Mivel írtad, hogy még csak ismerkedsz az elektronikával, gondolom nem bánod, ha a "méretezés" (igazából inkább csak becslés) folyamatát részletesebben leírom.
A kapcsoláshoz a tranzisztorok konkrét típusa nem kritikus. T1-nek PNP-nek kell lennie, és ki kell bírnia a motor áramát.
T2, T3-nak szinte bármilyen NPN kis teljesítményű tranzisztor megfelel.
Nekem éppen 2N2905 (PNP, akár 600mA-t is elbír) és BC182 tranzisztorok akadtak a kezembe.
A motor egy 6V-os darab, de ugyanúgy működik 3V-on is mit a tiéd, ohmikus ellenállása 15,4 Ohm. Igazából ez az ellenállásérték nem igazán jelent semmit, mert a motor üzem közben nem tisztán rezisztív terhelés. Jól látszik ez abból, hogy 3V-on 36mA áramfelvételt mértem rajta üresjáratban. Pedig a mért ellenállás alapján majdnem 200mA-t kellene felvennie!
T1 bázisellenállásának (R2) meghatározásához megnéztem a tranzisztor adatlapját, az áramerősítése néhányszor 10mA kollektoráram mellett 75-100 között van. Legyen 75. Kapcsolnia kell 36-50mA-t, tehát kb. 50mA/75 = 0,66mA bázisárammal kell számolni. Ez 3V/0,66mA = 4545 Ohm ellenállást jelent. A legközelebbi szabvány ellenállás 4,7kOhm. Mivel a tranzisztor rövidebb ideig akár 10mA bázisáramot is elbír, 1kOhm-ig biztonsággal le lehetne menni.
Tehát R2 4,7-1kOhm között.
R3-at (ami tévedésből Re lett a rajzon) úgy kell megválasztani, hogy a motor tengelyét lefogva akkora feszültség essen rajta, ami T2-t kinyitja. A pontos kiszámolását nehezíti, hogy értékét meghatározza önmaga, és T1 CE feszültsége is. Az biztos, hogy kb. 0,7V-nak kell esnie kb. 100mA áram mellett. 0,7/100mA = 7Ohm. 10 Ohm van itthon, annyi lesz
Egyébként a lehető legkisebb értéken kellene tartani, de túl kicsire választva nem esik rajta elég feszültség, így a motor sem állna meg.
R1 meghatározásán a sor. Úgy kellene belőni, hogy a kézzel megforgatott motor képes legyen kinyitni T3-at (tehát ebből a szempontból minél kisebb legyen), de üzem közben se károsodjon T3. Adatlapját megnézve látszik, több mA bázisáramot is röhögve elbír. A kezembe akad egy 10k-s ellenállás, ez 3/10k = 300uA, ennyinek elégnek kell lenni, és még csak az 1 mA-t se közelíti. Vajon képes-e 10k-n elegendő áramot áthajtani a megtekert motor? Várhatóan igen, mivel a motorom kézzel forgatva is képes akár mA nagyságrendű áramot előállítani, illetve T1 és T3 kollektoráramai között pozitív visszacsatolás van, ezért egészen kicsi áram is elegendő a bekapcsoláshoz. Így igazából a Zéner-diódára sincs szükség, a helyére azért egy sima diódát betettem, ami a motor fordított irányú tekerésekor védi T3-at.
Tehát:
T1: PNP, kibírja a motor áramát, áramerősítése kb. 100 (szinte bármilyen kis-közepes teljesítményű tranzisztor). Pl.: 2n3905
T2, T3: NPN, minél nagyobb áramerősítéssel, szinte bármilyen kis teljesítményű tranzisztor. Pl.: BC182
R2: 4,7k (és 1k között valami)
R1: 10k (ha nem indul a motor kb. 4,7k-ig csökkenthető)
D: kis teljesítményű szilícium dióda, pl.: 1n4148
R3: 10Ohm (ha nem akar leállni a motor növelni kell, ha túl hamar áll le csökkenteni)
(#) idlob válasza Marko Ramiusz hozzászólására (») Máj 27, 2011 /
 
Miért nem létezik indukált áram?
(#) Marko Ramiusz válasza idlob hozzászólására (») Máj 27, 2011 /
 
Szia, idlob! Szia, Marko! (Köszönök helyetted, jó?) Azért, mert egy tekercsben feszültség indukálódik és ez, amennyiben az áramkör valamilyen módon zárt, áramot hajt át. Ez fizika, elektromosság, elektrotechnika, villamosság. Látom Neked is szükséged van elektrotechnikai alapismeretekre. Üdv.: Yoe
(#) egonka92 válasza idlob hozzászólására (») Máj 27, 2011 /
 
Nagyon szépen köszönöm a válaszod! Lehet belőle tanulni.

Sajnos legkésőbb jövőhét csütörtökön-pénteken birom megépíteni az áramkört, mert két vizsga mellett nincs rá időm (+ elfogytak itthon a tranzisztorok), bár nem tudom, hogy birom ki addig . Ha elkészült, és működik, vagy valami probléma lenne vele, akkor itt jelzem.

Minden jót!

Üdv: Egon
(#) Marko Ramiusz válasza egonka92 hozzászólására (») Máj 27, 2011 /
 
Szia! Sajnos idlob egy dologban félrevezetett Téged, így nem biztos, hogy hasznos, amit írt Neked!
(#) egonka92 válasza Marko Ramiusz hozzászólására (») Máj 27, 2011 /
 
Helló!

Szeretném, ha kifejtenéd, hogy szerinted mi a probléma, szivesen fogadok minden hozzászólást.

Üdv: Egon
(#) idlob válasza Marko Ramiusz hozzászólására (») Máj 28, 2011 /
 
Nyugodtan megírhatod, mi a baj szerinted, ezért nem haragszom meg! Ez fórum, ami arra való, h megvitassuk az ötleteinket. Viszont amíg indoklás nélkül hordasz le, addig nem tudom vitának venni, csak kötözködésnek.

Idézet:
„...indukált áram nem létezik,...”

Az indukált árammal kapcsolatban: én úgy gondolom, hogy létezik.
1. Te magad is mondod, hogy az indukált feszültség zárt áramkörben áramot képes hajtani. Minek neveznéd ezt, ha nem indukált áramnak?
2. Így tanultam: "A keletkezett feszültséget indukált feszültségnek, az áramot indukált áramnak nevezzük."
(dr. Halász Tibor (c. főiskolai tanár) - dr. Jurisits József (gimnáziumi tanár, szaktanácsadó) - dr. Szűcs József (egyetemi adjunktus): Fizika Közép- és emelt szintű érettségire készülőknek; 11-12 170. oldal első bekezdés; Mozaik kiadó, Szeged, 2004, ISBN 963 697 466 7)
3. Az előző könyv viszonylag új, talán nem elég meggyőző, ezért nézzünk egy olyat ami már kiállta az idő próbáját:
"Milyen irányú áram indukálódik a tekercsben, ha..." (ez egy feladat része, a többi most nem releváns)
Dér János (Budapesti Műszaki Egyetem Fizika Tanszékének adjunktusa) - Radnai Gyula (Eötvös Loránd Tudományegyetem Kísérleti Fizikai Tanszék adjunktusa) - Soós Károly (adjnuktus): Fizikai feladatok II. kötet; 48. oldal, lap alja; Holnap kiadó, 2004, ISBN 963 346 666 0)
4. Angolszász nyelvterületeken a következőképp ismerik a Lenz-törvényt: "An induced current is always in such a direction as to oppose the motion or change causing it" Link a MIT egy weblapjára. Az MIT az alkalmazott tudományok tudományok oktatásának fellegvára.

Értem én a Te szempontodat, miszerint feszültség kell ahhoz, hogy áram jöjjön létre, de azt állítottad, hogy az indukált áram nem létezik, és én arra kérdeztem vissza!
Ha meggondolod nem is fordulhat elő a valóságban, hogy valahol nem folyik áram, mert ahhoz tökéletesen szigetelő közegre lenne szükség, az meg nincsen minden sarkon.
Ha pedig nagyon elméleti síkra tereljük a témát, akkor gondold meg, hogy az indukált feszültség a mágneses mező indukciójával arányos. Az áram pedig hasonlóképp a feszültséggel függ össze. Ha A arányos B-vel, B arányos C-vel, C miért ne lehetne arányos B-vel.


A köszönésről: A fórumon egy témában az első hozzászólásomnál szoktam köszönni, hogy miért azt mindjárt leírom. Ezt most elmulasztottam, ezért bocsánat, nem volt szándékos, utólag is üdvözlök mindenkit.
Azt viszont nem fogom csinálni, amit egy másik fórumon csináltok, hogy minden egyes hozzászólásnál beköszöntök, majd a végén el, mert egyszerűen nem életszerű, kb. olyan, mintha egy szobában minden ember valahányszor megszólal, előbb üdvözölne mindenkit, majd mindannyiszor elköszön.
(#) idlob válasza idlob hozzászólására (») Máj 28, 2011 /
 
Ez még délután készült, csak nem sikerült YouTube-nak rendesen átkódolnia: Kis videó a működ áramkörről.
(#) pallajos hozzászólása Máj 29, 2011 /
 
SEGITSETEK!! Egy aranylag nagy patak/folyo mellett lakom (Kukullo, Erdely). Jo lenne aramot fejleszteni. Szeretnek kesziteni egy/sok " vizibiciklit" amit kikotok a folyo vizre. Ezt csatlakoztatnam mondjuk egy 0,5 kw os villanymotorhoz, termesztesen attetellel.
A kerdesem a kovetkezo: ha egy valtoaramu 0.5 kw os motort (1500 fordulat/m), megforgatunk 1500 fordulattal akkor ez nekem 0,5 kw koruli aramot fog termeli oranken??? Vagy ez nem ilyen egyszeru... van jobb otlet?
(#) hypo1 válasza idlob hozzászólására (») Máj 29, 2011 /
 
h
az lenne a kerdesem, h. ehhez milyen erteku ellenallasokat hasznaltal?(pontosan)
gondoltam, en is megcsinalom
kulonben sztem tok jo lett
(#) hypo1 válasza pallajos hozzászólására (») Máj 29, 2011 /
 
h
erre en is gondoltam, nalunk is van patak, csak jo otletem nekem sincs
(#) idlob válasza pallajos hozzászólására (») Máj 29, 2011 /
 
Van néhány áramtermeléssel foglalkozó téma, szerintem kérdezősködj egy kicsit arra / nézd át őket, hátha már merült fel hasonló probléma.
Bővebben: Link
Bővebben: Link
Egyébként, nem esküszöm meg, de úgy emlékszem, a motorokra a tengelyüknél leadott teljesítményt írják, ez esetben pedig a veszteségek még lejönnek a termelt energiáról.
(#) idlob válasza hypo1 hozzászólására (») Máj 29, 2011 /
 
T1: 2n2905, T2, T3: BC182, R1: 10 k, R2: 4,7 k, R3: 10 Ohm, D: 1n4148, M: JM-300C-1D390 (talán DVD tálcamozgató motorja)
(#) SkodALF hozzászólása Jún 1, 2011 /
 
Hali!

T2 tranzisztor nem lehet germánium? Annak csak 0,2-0,3 V a nyitófeszültsége.
(#) sargarigo válasza idlob hozzászólására (») Jan 4, 2013 /
 
Nagyon szép volt a leírás, a demó áramkör is! Sokkal több ilyen kellene, és mindenki megszeretné az elektronikát!
Következő: »»   1 / 1
Bejelentkezés

Belépés

Hirdetés
XDT.hu
Az oldalon sütiket használunk a helyes működéshez. Bővebb információt az adatvédelmi szabályzatban olvashatsz. Megértettem