Fórum témák
» Több friss téma |
Fórum » Fotodiódával működő kapcsoló
Témaindító: szucsistvan, idő: Ápr 9, 2007
Témakörök:
Sziasztok!
Van egy elromlott LED-es szolár lámpám, szeretnék készíteni egy kapcsolást, ami egy 12 V-os tápegységről kapcsolna be 7 LED-et sötétben és kapcsolná le világosban. Valaki help
Szia
esetleg csinálhatnál még 1 alkonykapcsolót és az elintézi h sötétben bekepcsoljon és világosban ki
És azt hogy?
alkonykapcsoló:
üdv
Kösz a gyors választ, de nem magyaráznád meg egy kicsit, hogy mi micsoda? Meg hogy ez működne-e 12 V-ról?
vagy esetleg ez ha vmi kérdésed van tok válaszolni mee én má + csináltam
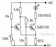
Egész jó kis áramkör
nembonyolult. Az a lényeg hogy van benne egy ellenállás amivel a T1 tranyó bázisát vezérled. HA az alatt lévő infre LED et 960nm hullámhosszú fény éri akkor ki fog nyit és lehúzza a bázist testre. A potivel a vezérelni kívánt eszközre jutó áramerősséget lehet szabályozni.
Sziasztok!
Szeretnék építeni egy alkonykapcsolót; és később, külön projekthez egy áramkört, ami 2 fényérzékelő használatával állapítja meg,h melyioldal fényesebb. (szóval egyik esetben sem számít az infra tartomány) Melyik esetben kell fotodiódát és melyikben fototranzisztort használni? Vagy mindegyik megoldható ugyanazzal? (melyikkel?) Ezek közül melyiket ajánlanátok: fényérzékelők Válaszokat előre is köszönöm!
Sziasztok!
Olyan szerkezet megépítésben szeretném a segítségeteket kérni ami azt a célt szolgálja hogy fény hatására egy kijelzőn ki írja hogy hányszor látott fényt. Konkrétabban arra lenne használva hogy egy köszörűgépen ahogy neki nyomjuk a fémet szikrát ad és ez lenne a fény forrás a szikra, és ez által számolná a munkadarabokat hogy mennyi lett köszörülve.A köszörülés kézzel történik. Igaz akkor miért nem kézzel számoljuk?! Azért nem mert több ezer munkadarabot köszörülnek meg egy nap alatt. Várom az ötleteket, tippeket, hogy lehetne ezt megvalósítani.
Vagy lehetne mérni az áramfelvételt ha szignifikáns a terhelés miatti növekedés.
szerintem használj fotoellenállást meg egy számléló áramkört!
Hasonlóra gondoltam én is de össze is kellene hozni.
Valami kapcsolási rajz is kellene
Számláló modulnak pl ez és már csak egy olyan kellene ami a megnövekedett ellenállásra meghúz egy relét. Kapcsrajzot mindjárt rajzolom pill
hmm nem rossz fény érzékelőt rakni ha fényt érzékel jelet küld egy relének amit a számláló modul érzékel
valami ilyesmire gondoltam. (kép)Tranyó : például NPN 2n2 vagy BFY 33
ahha egyen jár az agyunk
na neki is látok alkatrészek beszerzéséhez majd írok a fejlmeényekről
Ok! szerintem 200 forintból meg is úszod
|
Bejelentkezés
Hirdetés |







