Fórum témák

» Több friss téma
Fórum » Független hangerőszabályzás
 
Témaindító: Zoltan.ms, idő: Júl 5, 2008
Témakörök:
Lapozás: OK   1 / 1
(#) Zoltan.ms hozzászólása Júl 5, 2008 /
 
Üdv mindenkinek, először is elnézést kérek az új téma nyitásáért, de már átnéztem a hasonlóakat és nem találtam infót+írtam is bele de olyan eldugottak, hogy nem lehet észre sem venni. A következő problémára szeretnék megoldást és segítséget kérni.
Adott két hangfal egy satellit-pár és egy mélysugárzó, az satellit aktív- benne van még plusszban a mélysugáró erősítője is.
Hogyan tudok két pootmetert (nevezzük A és B-nek)úgy összekötni, hogy A legyen a master volume, tehát mindkét hangszórót(erősítőt) szabályozza, B pedig csak a mélysugárzó hangererejét szabályozza, -a masterhez képest.
Tehát amikor "B"-t szabályzom ne legyen hatással "A"-ra, "A" szabályzása viszont hatással van "B"-re hiszen mindkettőt szabályozza.Mivel előerősítő is va a rendszerben (1db) a satellitek végfokjához és annak elektronikus hangerőszabályzója van így a bemenetre tenném a potmétereket, hogy az előfok már a szabályzott jeleket kapja és onnan ágazzon le a sub végfokjához is a jel.
Előre is köszönöm...
Egy rajzot mellékelek amin az alkatrészek vannak a rendszerben.

ábra1.JPG
    
(#) vicsys válasza Zoltan.ms hozzászólására (») Júl 5, 2008 /
 
A subládás cikkemben találsz megoldást a közösítésre.
(remélem jól értem amit írsz...)

kép.jpg
    
(#) Zoltan.ms válasza vicsys hozzászólására (») Júl 5, 2008 /
 
Szia nem közösíteni szeretnék, hanem hangerőszabályzásra keresek megoldást.
...azért köszi
(#) proba válasza Zoltan.ms hozzászólására (») Júl 5, 2008 / 4
 
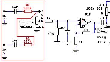
Erre gondoltál?

hangerő.jpg
    
(#) Zoltan.ms válasza proba hozzászólására (») Júl 5, 2008 /
 
IGEN, ez az köszönöm, most, hogy végig gondoltam ez így jó lesz. És milyen értékű potit használjak? illetve lin vagy log-os legyen.
Továbbá
Még egy kérdést szeretnék feltenni, csak, hogy ne kelljen új topic, vagy, hogy ezt folytathassuk, a dóm magassugárzómon azon kívül, hogy Sony +made in China egyéb dolog nincs feltüntetve.
Egyenáramú ellenállásként 4,6 Ohmot mérek rajta.
Ez most milyen impedanciájú lehet?
4 Ohm nem lehet, mert mindig kisebb az eá. ellenállás mint az impedancia (kb 3,5 Ohm lenne)
5 Ohmos hangszórót még sosem láttam
6 Ohmosnak meg túl kevés (a 4,6 Ohm eá. ellenállás)
(#) Ricsi89 válasza proba hozzászólására (») Júl 5, 2008 /
 
Ez így egy kicsit hülyeség.
Zoltan.ms írta:
Idézet:
„Hogyan tudok két pootmetert (nevezzük A és B-nek)úgy összekötni, hogy A legyen a master volume, tehát mindkét hangszórót(erősítőt) szabályozza, B pedig csak a mélysugárzó hangererejét szabályozza, -a masterhez képest.”

Szóval a tda-s előfokkal állítja a master hangerőt, utána megcsinálja vicsys közösítőjét, pontosabban csak amit a képen bejelöltem pirossal és kész is van. Abban ott van a sub hangerőszabályzó potmétere is. Így pont úgy fog menni ahogy te azt leírta.
Szerk.: Kép már megint lemaradt.
Szerk2.: Közösítő meg minden féle képpen kell, mivel ha nincs, akkor csak az egyik csatorna hangja lesz hallható a sub-ban.
Mindig kihagyok valamit.

bemenet.jpg
    
(#) kaszarobert válasza proba hozzászólására (») Júl 5, 2008 /
 
Gyerekek, egy picit segítheti a rajzon a jel irányának megértését, ha nyilakat alkalmazunk, de, hogy a bemeneten, hogyan jön ki jel az számomra nem világos, illetve a potik nyilai itt kifejezetten zavaróak!
(#) proba válasza Zoltan.ms hozzászólására (») Júl 6, 2008 /
 
A potik szerintem 4.7K log . A hangszóród akár 8 ohm-os is lehet bár a magas sugárzók ellenállásait nem méregettem de úgy emlékszem már a mélyeknél is jelentős volt az ellenállás különbség,a magasnál ez ugy gondolom még inkább jelentkezik.
A közölt "rajz" valóban nem közösíti a két csatornát a subb felé,ehhez korrekt megoldás (teljesen áthallásmentes) csak valami aktív elemmel gondolnék,
A két ellenállásos közösítésnél, ha azt nem nagyinpedanciás fokozat követi, csak relatíve kis ellenállást lehet alkalmazni (az erősítő bemeneti ellenállásával alkot osztót). Ez pedig nagy sztereó áthallást okoz szerintem.


A poti nyilainál igyekeztem a potméter jelölést allkalmazni bocsánat ha nagyra sikerültek a nyilak.A kapcsolási rajzokon ha a jel haladási irányát szeretném feltüntetni,akkor nekem a más színnel való jelölés/szaggatott vonal tetszene bocsánat ha félreérthető voltam.
Következő: »»   1 / 1
Bejelentkezés

Belépés

Hirdetés
XDT.hu
Az oldalon sütiket használunk a helyes működéshez. Bővebb információt az adatvédelmi szabályzatban olvashatsz. Megértettem