Fórum témák
» Több friss téma |
sziasztok....nem tudom ha mar van ilyen tema a forumban...sajnos en nem talaltam azert is nyitottam ujat.......hat egy fusterzekelot szeretnek...vagyis nem is..inkabb kell keszitsek...diplomamunka.....otleteket szeretnek tolletek..sot kapcsolasi rajzot ha lehetseges.....meg barmit a temaval kapcsolatosan....koszonom elore is segitsegeteket......
(en valami leddel..meg fotoellenallasal szeretnek megoldast....vagy infra ado vevovel....ilyesmi megoldasra gondoltam...de barmi mas is erdekel....) meg1szer koszonom elore segitsegeteket!
Egy kis áttekintés
Rövidebb, képekkel Konkrét kapcsolási rajzokat nem nagyon láttam, vagy csak keveset kerestem, az optikai megoldásokat kivéve. És ha már ez lenne a diplomamunkád, szerintem optikaiban gondolkodj, mert az ionizációshoz szükséges radioaktív anyagot nem bitztos, hogy be tudod szerezni, vagy ha mégis, talán nem kellene...
Na, ez bíztató. Van egy IC-m ionizációs szenzorhoz. Nem mondod, hogy nem fogok tudni hozzá szenzort szerezni
Minden esetre én is köszönöm a linkeket. A remény hal meg utoljára.
Szedtem már szét füstérzékelőt kíváncsiságból
![]() Nem sok minden volt benne. Egy kis áramkör pár kondival, ellenállással és az ionizációs érzékelő. Ha van ilyen érzékelő akkor gyerekjáték építeni hozzá egy áramkört, de mivel túl egyszerű nem tudom elfogadják e diplomamunkának. Érzékelőt építeni, na az kihívás illetve nem tudom házilag lehetséges e, mivel ott van a radioaktiv jel rajta.Ha gondolod szétkapok egy érzékelőt és lefotózom belülről.
Ha van kéznél, megköszönném.
![]() Ahogy néztem, alfa sugaras. Az nem olyan veszélyes. Az alufólia már megfogja ha jól emlékszem. Szerk.: Cserébe azért nézd meg ezt az adatlapot, nem tudom, mi a pontos témád, legfeljebb megkérdezed a konzulensedet...
Már berheles is szét!
Viszont nincs most itt kéznél fényképező, csak holnap tudok fotókat feltenni, körülbelül fél 4 - fél 5 között. Az megfelel?
Szia, füst vagy tűz érzékelő kellene. A tűz érzékelőre lenne ötletem. Ha érdekel küld e-mailt.
Azért amíg dolgozol, nem biztos, hogy mindig alufólia alatt lesz, szóval csak óvatosan
Hogyne, köszi. Megvan vagy 2 éve az IC, majd valahogy kibírok 1 napot
Ez számomra természetes. Csak arra utaltam, hogy ez a leglágyabb radioaktív sugárzás, tudom, hogy ettől nem lesz egészséges.
Gondolom egy egy nagyon gyenge radioaktív forrás. Az alfa sugárzásnak a legnagyobb(20) a sugárzási tényezője, dózis egyenérték számolásánál, viszont ilyen kis dózisnál nem lehet egyértelműen azt mondani, hogy káros. Nagyon sokan ezt nem hogy károsnak, egyenesen pozitív hatásúnak gondolják, úgymond immunizáló. Ha érdekel titeket, ezt az elképzelést/irányzatot hormézisnek hívják.
Az alfa sugárzás egyébként egy papírlaon sem tud áthatolni.
Hello en Matefinak segitek be, padtarsa vagyok es az osztalybol az egyik legnagyobb kihivas a fusterzekelo, szoval gondolhatjatok milyen egyszeru a tobbi.
Radioactiv anyagokkal nincs megengedve, hogy foglalkozzunk, barmennyire kicsi legyen a sugarzasa, en is ezt vetettem fel eloszor a tanarnak, hogy radioactiv anyaggal ionizaljam a levegot s igy tovabb de egybol megallitott, mert mikor bekell mutatni a dolgozatot nehogy beleszoljanak, hogy radioactiv anyagokkal jatszunk szoval optikai megoldass kellene.
hat mindenkeppen fusterzekelore lenne szuksegunk......de koszi.....
ahogy mondta padtarsam is....nem fogadjak el a radioaktiv megoldasokat..ionizacios meg stb.....nekunk is ez volt elso otletunk de sajnos nem megoldhato...ezert lenne szuksegunk valami optikai megoldasra......koszonjuk elore is.....
Ezer Ft környékén lehet kapni optikait.
Szétszeded és visszarajzolod. Gondolom könnyű lesz megérteni, a füst a fényvezető közeg a LED és az optikai érzékelő között... diplomamunka ez? Üdv Inhouse
Kértem kölcsön egy fényképezőt, de a fene megeszi, az usb kábelét meg elfelejtettem.
Bocsánat, csak holnap fogok tudni feltenni képeket. Tudom, hogy optikait fogtok építeni, de azért csak fel teszek majd pár képet.
kosz edgar ez a rajz mar megvan, de matefi utananezet es allitolag nem lehet kapni ilyen IC-t
s maskepp az a kapcsolasban nincs trafo, szoval 220 mukodik minden ???
jaja bocsi ott a zener s a 2-es Kondi
![]()
Ha van arcod hozzá, a madaras tscoban 1500 HUF körül lehet kapni optikai füstérzékelőt. A benne levő IC adatlap (kimondottan erre a célra) megtalálható a neten, a mech. konstrukció (érzékelő kamra) lemásolható kis körítéssel eladhatódiploma munkának. Nálam 2db müködik cca 2 éve hibátlanul. (Amig a pók nem költözik bele
)
Köszi! Egyébként azt meg lehet kérdezni, hogy hogyan jutottál ionizációs érzékelőhöz? Bemegy az ember a boltba, aztán hol optikait lehet kapni, hol meg ionizációsat?
az a baj hogy nekunk minnel egyszerubb megoldas kene..nem nagyon lenne jo uzleti cuccot visszarajzolni meg stb.....egyszeru megoldas kell ha lehet optikai.....es meg az a gond van hogy mi az egeszet egy panora kell megcsinaljuk majd bemutatjuk....nem dobozolt meg akarmilyen cucc.....remelem ertitek
....
Akkor egy IR LED, meg egy IR tranyó, szembeteszed x távolságra, a LED áramával belősz egy olyan fényerőt, hogy a tranyó még átengedjen, de épp csak, így ha füst megy közé és eltakarja, akkor meg nem fog átengedni.
Ha nem tudod eléggé visszavenni a nyitási feszültség miatt, akkor vagy lehet bele plusz árnyékoló elemet tenni, vagy nem pont szembe fordítani őket. Első nekifutásnak. Meg egy LED kijelzésnek. (Aim akkor világít, ha nincs füst, de kezdésnek az jó.)
a kijelzessel nincs gond...azt majd akarmikor sot utolso pillanatban is megoldhatjuk....az a legkisebb gondunk.....az erzekelest oldjuk meg..az a fontos....s hogy legyen mukodokesep...egyszeru s elegans...ezt kell megvalositsuk.....de koszi szepen......az otlet jo...ilyesmire gondoltunk...
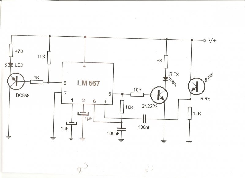
kaptam meg egy rajzot mit szoltok, jo lesz
?
Aztán azt is lehet, hogy vannak ilyen lézeres betörésjelzők, amik tükrökkel körbemennek a lakásban.
Ez akkor lehet működőképes, ha elég a füst ahhoz, hogy szétszórja a fényt. Kapcsolás van a neten, lehet, hogy itt is. De szerintem a sima IR LED-es móka simán jó. Erre volt egy link korábban, lehet így, ahogy írtam, hogy megszűnik a jel, ha eltakarja a füst, meg lehet úgy, hogy akkor lesz jel, ha odaszórja a füst.
Itt van két kép az ionizációs érzékelőről amit ígértem:
tenyleg fiuk ehez a kapcsolashoz mit szoltok...vajon mukodokepes lenne?
...fusterzekelo |
Bejelentkezés
Hirdetés |




szoval optikai megoldass kellene.

.... 


...