Fórum témák
» Több friss téma |
Azokon kívül, akik naponta látnak ilyen panelt, érdemben kevesen tudnak segíteni...
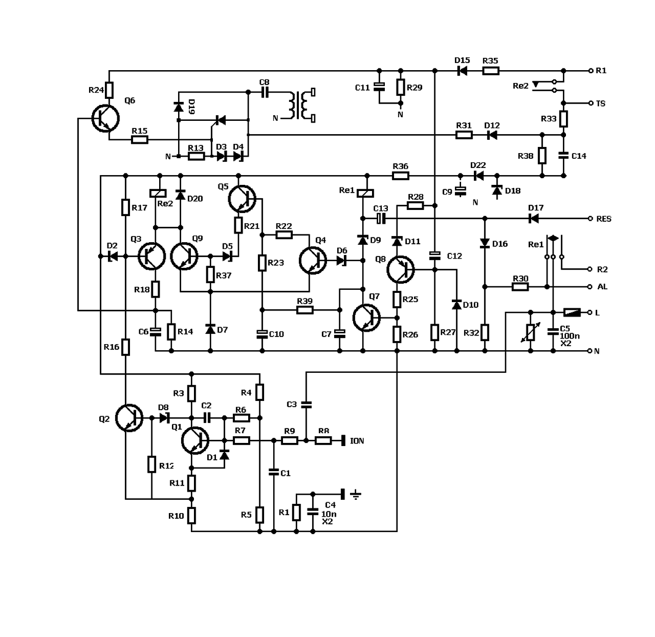
Valamelyest könnyítené a segítségnyújtást, ha a képen bejelölnéd, hogy melyik csatlakozó fogadja az elektródát, valamint - ugyanilyen felbontással - beszkennelnéd a panel forrasztási oldalát is. (Jómagam ilyenkor 600dpi felbontással és png fájlformátummal dolgozom, mert a jpg minden módosítás után - a tömörítési algoritmusa miatt - egyre szemetesebb lesz.) Jó minőségű képek birtokában vissza lehet szedni a (részleges vagy teljes) kapcsolási rajzot, aminek birtokában már lehet okoskodni. Fentebb találsz ilymódon felvett kapcsolási rajzot, ami kb 10..12óra munka eredménye, de a javítás végül sikerült.
A táp trafóját (kék) kapásból cseréld, mert szériahibás. Többezer darabot hívtak vissza ebből a vezérlésből.
(ZS18-1 -es) A hozzászólás módosítva: Feb 15, 2017
Köszönöm! Erről még nem is hallottam, bár ez valószínű azért van, mert nem is foglalkoztam ezzel a típussal. Ez az új trafó hol szerezhető be?
szia c16-os kondi a rossz vagy szakadt a gyújtó trafó, de még a nagyfesz áthúz a szakadáson.
Roland
Ok köszi! Ma, ha hazaérek meg is nézem. Remélem nálam is ez lesz a hiba. Bár a kondik kilencven százalékát átmérte, és nem találtam rosszat.
A hozzászólás módosítva: Feb 17, 2017
50%-ban lehet rossznak mérni és mégis rossz.
Roland
A kazán begyújt, de kb két-három másodperc után gyújtáshibára áll ki. Az a C16 nem a gyújtáshoz kell? Én úgy nézem, hogy a hoz kell. A kondit megmérem most is, csak négy-öt százalékkal tér el a ráírt értéktől, így azt gondolom, hogy még jó lehet. Viszont van két ellenállás aminek a színezése nem látszik egyértelműen, azok kb négyszeres értéket mutatnak mint ami a színjelölésből adódna. 1,8 Mohm helyett 8,2 Mohmot mérek. Valószínűleg ezek nyúlhattak meg, mindegyik panelon ugyanezt az értéket mérem, így kicsit gyanús, mert olyan ritkán van, hogy az ellenállások egyforma értékre nnyúlnak meg. de kicserélem őket, és kedden jön a próba.
Köszönöm mindenkinek a segítséget.
Sziasztok!
Buderus Logamax U104-24 kazánhoz keresek kapcsolási rajzot, hátha kiokoskodnék belőle valamit. Erről lenne szó: Egyre gyakrabban hibaüzenettel leáll. A folyamatos piros LED ara utal, hogy az NTC rossz értéket mutat. Vettem NTC-t, azt a típust, amit a csőre lehet pattintani, persze azonos értékűt. Ezzel is jelentkezik a probléma. Ha a füstgázszenzort, vagy nyomáskapcsolót leveszem, az más zavarkihelzést okoz. Az NTC-re menő kábelt kimértem, elvileg jó. A panelen a csatlakozó hátulján átforrasztottam a nyákot, hátha hajszálrepedéses. Tovább nem tudok lépni. Szakembert nem lehet hívni, mert néha 1-2 napot is megy a szerkezet, amikor megáll, akkor pedig restarttal indítom, hogy meg ne fagyjunk.
Sziasztok!
Ariston Genus Premium kondenzációs kazánnal van problémám: "Nincs láng" avagy 501-es hibakód.. A szikráztató elektróda ill. a trafó működik, van szikra, a gázellátás is működik szerintem. Tippre be is gyújt a kazán, mert melegebb víz jön, mint amikor hideg vizet eresztek, csak néhány mp után a fenti hibakóddal leáll. Olyan, mintha nem érzékelné, hogy van láng. Kérdésem, hogy az ionizációs elektródát lehet valahogy tesztelni? Van, hogy az mondja fel a szolgálatot? Szerelő egyből vezérlő panel cserét javasolt, ami előtt próbálkoznék mással, hátha.. Köszönöm a segítséget!
Az ionizációs elektróda pármikroamper áramot produkál. A drótján szokott lenni egy csatlakozó, ha ott megbontod, és beiktatsz egy árammérőt, akár meg is mérheted.
Az elektróda felülete szokott elpiszkolódni, ami szigetelő rétegként viselkedik az áramkör szempontjából. Vagy cseréld ki, vagy finom csiszoló papírral tisztítsd meg a felületét.
A felső piros led folyamatosan világít, jelentése, már az induláskor is fennállt a hiba.
Ha villog, akkor üzemelés közben keletkezett. Az NTC-k, áramláskapcsolók és füstgáz érzékelő csinálja. Rajzot biztos nem találsz sehol. Egy bekötésit küldök.
A lángérzékelés hiba okozója lehet egy kis kondenzátor a vezérlőben. Ha rákeresel, itt a HE-n is sokszor volt már. Jellemzően 100nF 275V X2 és 10nF alá megy mire hibát okoz.
Az alábbi kérdésem van hozzátok. Egy kiszerelt gázpanelen hogyan tudom ellenőrizni (szimulálni) az ion elektróda áramkörének működését? (immergas panel)
Egy jó fénykép nem ártana. (Akár scannerrel.)
Szia. Egy ilyen panel, csak annak van ion elektróda csatlakozója is. Persze, a tesztelés elmélete is érdekelne.
A hozzászólás módosítva: Márc 6, 2017
Egyet-kettőt visszarajzoltam.
Ennél pl. az alsó két tranyó végzi a feladatot: egy kondival érkezik a fázis az elektródra. A láng a talaj és az elektród közt diódaként viselkedve negatív 18V körüli feszültséget állít elő, ami lezárja az első tranyót.
Segítséget kérek Chaffoteaux Nectra fali kazán meghibásodásával kapcsolatban. A kazánt csak fűtésre használjuk. A hibajelenség leírása: A termosztát által adott jelre a keringető szivattyú elindul, a láng begyúl, néhány percig üzemel és a láng kialszik anélkül, hogy a termosztáton beállított hőmérsékletet ill. a beállított vízhőfokot elérte volna, miközben a keringető szivattyú tovább üzemel, majd bizonyos idő elteltével kb. 10-40 perc, teljesen változó) a láng újból begyúl. Ez a jelenség többször megismétlődik, míg végre a láng begyúl és a kazán a megfelelő hőmérsékletre fűti fel a lakást. Az is előfordul, hogy induláskor a szivattyú beindul, de a gyújtás nem történik meg csak néhány perc múlva. Ilyen esetben előfordul, hogy a főkapcsoló lekapcsolása, majd néhány másodperc múlva a főkapcsoló újbóli bekapcsolása után a láng újból meggyúl, de néhány perces üzemelés után szintén kialszik. A jelenség teljesen rapszódikus. Van úgy, hogy a keringető szivattyú megy, de a láng még 3 óra elteltével sem gyúl be. Nagyon megköszönném, ha jelenségre magyarázatot kaphatnék.
Üdv mindenkinek!
Érdeklődnék, hogy egy kombi gázkazán vezérlésében lévő 5 sávos ellenállásnak mekkora lehet a megengedett maximális hőmérséklete? (barna-piros-fekete-fehér-arany). Köszönöm a válaszokat.
Nyilván ez az ellenállás típusától függ, amit kommersz ellenállás esetén csak megtippelni lehet. Mekkora teljesítményű az ellenállás.
Tisztelt Lucifer!
Ha jól gondolom rétegellenállás. Ellenállása:120000M ohm, tűrés +- 5%. Jelölése az áramkörön R1 24. Köszönettel: hometown1
Nem sok az egy kicsit? 120 000 MΩ?
Az inkább 1.2 Ω 5% A hozzászólás módosítva: Márc 11, 2017
Teljesen jogos, elütöttem a nullákat, ebből megtudható az "üzemi" hőmérséklet?
Ha üzem közben 50fokC-nál melegebb, akkor hosszú távon nem használnám. Vagy növelném az ellenállás teljesítményét (pl. 2W-os helyett 5-10W-os), vagy a szellőzést/légáramlást javítanám, segíteném.
Egy ellenállás használható 70fokC-os hőmérséklettel is, de akkor már meg fog barnulni a nyák, és egy melegebb nyári napon egyszerűen eléghet. A hozzászólás módosítva: Márc 12, 2017
Köszönöm a választ, ez 80 fok felett üzemel, de ha a nyákot takaró műanyag a helyén van vélhetően még melegebb. Ha más teljesítményű ellenállás lenne beépítve, akkor megoldódna a hőmérsékleti gond?
Nem biztos. Ha a keletkező hő nem tud távozni, pl. egy zárt dobozból, akkor mindig is túl meleg lesz az ellenállás. Meg kellene nézni, hogy miért meleg, és hogy csökkenthető-e a mennyisége?
Úgy néz ki, megoldódott a Buderus hiba. Leírom, okulásul másoknak.
A nyomáskapcsoló romlott el, ami lényegében egy mikrokapcsoló. Szépen kattant, amikor benyomódott, de elektromos kontaktust bizonytalanul adott. Így fordulhatott elő, hogy időnként úgy érzékelte, nincs víz a rendszerben, és hibaüzenettel leállt. Az már csak hab a tortán, hogy ez a kazán nem különbözteti meg a hibákat, ugyanúgy folyamatos pirossal jelzi ezt a hibát, mint az NTC hibáját, vagy a füstgáz szenzor jelzését. Szar a szoftver, a leírásban villogó pirost írnak erre a hibára.
Sziasztok!
Egy "duval renova c24" kazánban, a panelen, szivattyú jelfogóhoz vezető nyák leéget, és persze a jefogó kontaktusa is. a motorban az tekercsek elenállásai normálisnak tünnek, és egy pillantra beindítva kiszerelve, terhelés nélkül szépen be is indul. Egyetlen gyanus, az indító kondenzátor 2,6uF+10%/-0% az adata szerint, viszont kimérve,(két műszerrel is) 1,9µF ami kevesebb mint az adatlapja szerinti megengedett. Okozhatja ez a nyák és a kontaktus leégését? Gondolom, mivel ez üzemi kondenzátor, terhelve gondot okoz a csökkent kondenzátor kapacitás, és a megnövejkedett áram miatt égett le... Szerintetek? vagy ismertek más tipikus okot?
Manapság a motorkondik minősége közelében sincs a régieknek. Ventilátornál az 1,5µF a 12 évesekben ma is jók, 2-3 évesekben már mindegyikben cserélni kellett.
Ha a kondi kapacitását veszti (jelentós mértékben), akkor a motor önerőből nem indul (de kicsit "rásegítve" kézzel még üzemel. Ettől a hibától nem ég le kontaktus vagy pláne nyák fólia. (Az össz. áramfelvétel kevesebb a "segédfázis" csökkent árama miatt. A 2,6µF sorosan AC ampermérővel 180mA körüli értéket kell mutasson 230V-on.
Üdv mindenkinek!
Baxi Luna 1.240i cirkóm ősz óta betegeskedik, szinte naponta egyszer kigyullad egy villogó LED-fény (hiba a vízrendszerrel) és leáll a fűtés (rendszerint éjjel 2-3 tájban, hogy ne tudjak újra elaludni.. ). Víznyomás pedig van, úgy 2,5 bar a készüléken, de a másik nyomásmérőn is.. Pár napja már többször is csinálja, szerintem hamarosan megadja magát.... Tudok ezzel házilag csinálni valamit? Szerelőt nem hívnék, mert mostanában sovány a pénztárca, 2 éve egy totális bedöglés után, teljes elektronika és főszelep csere volt, egy fél készülék ára. A cirkó úgy 12-15 éves lehet, lehet, hogy inkább egy csere kellene ? Hibajel után csak úgy indul, hogy ki kell kapcsolnom , a termosztátot lekell tekernem, bekacsk, termosztát fel, máskülönben nem indul....
Szia
Tegyél fel képet a kazán belsőről. Ha tudsz sorozatszámot és gyártási azonosítót küldeni meg tudom nézni milyen alkatrésszel szerelték a készülékét és annak mi a hibája. Előzetesen: 1 nyonás érzékelő rossz 2 ntc részben rossz 3 felforrás érzékelő rossz 4 ha bitermokis akkor erősen vízköves. 5 szivattyú állandó kondenzátor haldokilik, kicsi a szivattyú fordulatszáma. Roland |
Bejelentkezés
Hirdetés |








). Víznyomás pedig van, úgy 2,5 bar a készüléken, de a másik nyomásmérőn is.. Pár napja már többször is csinálja, szerintem hamarosan megadja magát.... Tudok ezzel házilag csinálni valamit? Szerelőt nem hívnék, mert mostanában sovány a pénztárca, 2 éve egy totális bedöglés után, teljes elektronika és főszelep csere volt, egy fél készülék ára. A cirkó úgy 12-15 éves lehet, lehet, hogy inkább egy csere kellene ? Hibajel után csak úgy indul, hogy ki kell kapcsolnom , a termosztátot lekell tekernem, bekacsk, termosztát fel, máskülönben nem indul.... 




