Fórum témák
» Több friss téma |
De a trafó szigetelt...
Ha ennyire félsz egy kis bizsergéstől, akkor húzz fel a kezedre egy kesztyűt. Nem tudod elkerülni a trafó tapizást, mert bekapcsolva kell majd keresni a megfelelő pozíciót. A vasmagot fogd meg, úgy mozgasd. A hozzászólás módosítva: Jan 4, 2016
Utolsó mondatok:
"Á, ez szigetelt" "Kizárt, hogy ez legyen a fázis" ![]() Megpróbálom, hátha megoldja a problémát. Majd megkérem egy villanyszerelő ismerősöm őt valami miatt nem rázza meg az áram ![]() Nekem volt egy nagyon rossz emlékem amikor hegeszteni lehetett a kábelTV csatlakozójával és kb 5 szakember állította, hogy nincs ezzel semmi baj mire egy villamosmérnök rájött, hogy elkötöttek valamit. A hozzászólás módosítva: Jan 4, 2016
Na ezen kiakadtam:
Szóval vettem egy 1790 Ft-os akciós Genius hangfalat USB-ről megy. Ráraktam egy adaptert szépen sípolt-búgott is amikor levettem teljesen a hangot. Nem nagyon csak egy kicsit. Aztán ráraktam egy 10.000mAh-s akksit azzal is búgott (ezt be kell kapcsolni gondolom van benne némi elektronika). És a lényeg: összeraktam egy kb 2 éves régi akkor is akciós gagyi külső akksival. Tökéletesen működik. Jobb hangja van, mint a fent említett erősítőnek csúfolt valaminek. Nem annyira hangos, de mondjuk úgy szobában nincs nagy különbség a kettő között. És amiben kérdésem van: Ha a fent említett akksit rárakom bármilyen töltőre akkor sem búg vagyis kiszűri a problémás dolgokat. Lehet kioperálom az egész vackot és becsavarozom ezt a két kicsi hangfalat
Sziasztok. Lenne egy kérdésem, hátha ti tudtok érdemleges megoldást mondani... A gitárom sistereg mikor le van téve az állványra, de amint hozzáérek a húrokhoz elhallgat. Ennek mi lehet az oka? Mielőtt megkérdeznétek, egy gyári Laney RB7-es 300w-os gitárkomón használom. Van valami javaslatotok hogyan tudnám ezt a sistergést kiszűrni? Legyetek szívesek mellőzni minden aktív alkatrész megoldást, tehát semmiféle IC, tranzisztor vagy egyéb hasonló szarság nem jöhet számításba. Ha valaki tudna nekem ebben érdemben segíteni azt megköszönném. Így néz ki az elektronika bekötése.
Földhurok jellegű gondnak tűnik. Érdemes a táp felőli földet ellenőrizni és betenni zavarszűrőt is. Ha elhallgat játszani kell mint az atom
.
Ha fizikálisan szét tudod szedni a basszert, vagyis kipakolni belőle mindent, érdemes lehet kifóliázni a belsejét. Legjobb az öntapadós rézfólia, de sikerrel tapétáztam ki öntapadós aluszalaggal néhány gitár belsejét. Érdekes, hogy ennek az aluszalagnak a ragasztója is valamelyest vezető anyagból van, így összefüggő faraday kalickát alakíthatsz ki a gitár üregeiből. A takarólemezekről se felejtkezz el. Fontos, hogy egy ponton, összeköttetésbe kell hozni a kimenet földjével, valamint a húrláb, vagy a fémszerelványek is testen legyenek. Előfordulhat (egy Kort basszernál volt ilyen), hogy a hangszedő mágneseihez kézzel közelítve jött a cirip. A hangszedők hátulján szerencsére hozzáférhető volt mind a négy mágnesrúd vagy mi, erre egy pár miliméter széles öntapadós rézszalagot ragasztva, majd testre kötve megszűnt a ciripelés.Az ebay-en van réz
Bővebben: Link Vagy festékboltokban itthon alu.
Van foldeles ot tahonnet a tapot adod az erosítonek? Legegyszerubb ha veszel egy krokodilcsipeszes kabelt es osszekotod a gitarod fem reszeit a pl. radiatorod fem reszevel. Kivancsi leszek mit valtozik!
Földhurok nem lehet, ugyanis ha ráteszem a kezem, elhallgat a sistergés. földhurok esetén ez nem történne meg, ugyanis a hurok akkor is fennállna.
Eleve rézfóliázva van a hangszer a pickupok alatt is. A hangszedőkben Neodimium mágnes van amiket Kéri János (Jeti) készített, és teljesen érzéketlen a megszokott rádiófrekis zavarokra. A sistergés megszűnik ha a kezemet ráteszem húrokra. Arra keresnél magyarázatot, hogy miért hallgat el a sistergés ha ráteszem a kezemet illetve hogyan tudnám ezt mesterségesen is megoldani, hogy olyan legyen mintha mindig fognám.
Igen, van. méghozzá nulla ohm-os. a ház négy sarkánál van négy vascső lenyomva a földbe 18 méter mélyre melyek össze vannak kötve és a hálózat is nullázva van a villanyóránál. Villanyszerelő a szakmám ezért ez alap hogy legyen nagyon profi földelés.
Nem tudom, láttátok-e a rajzot amit mellékeltem. Ez a gitár aktívban és passzívban is működik. De a sistergés mindkét esetben jelen van. Tehát nem elektronika baja van. Profi klotz kábeleket és neutrik csatlakozókat használok. A pickupok szimetrikusak ezért zavart nem szedhetnek össze. Valamiért mégis sistereg. viszont amint ráteszem a kezemet a húrokra, a sistergés megszűnik. Erre kellene nekem infó ez miért lehet, vagy miként tudnám ezt mesterségesen előidézni mintha mindig fognám. Mi lehet annak az oka, hogy mikor hozzáérek a húrokhoz elhallgat a sistergés és mikor elengedem újra sisteregni kezd.
Azert csak kiprobalnam hatha az erositoben van valami "gebasz".
Egy próbát ejts meg légy szíves. Ne a húrokhoz érj hozzá, hanem az erősítő fémrészéhez, például valamelyik csavar fejéhez. Ha akkor is elhallgat a sistergés, akkor nem biztos, hogy a gityóval van a gond. A szimmetrikus hangszedő (hum bucker) a mágneses zajok, főleg a trafókból jövő brumm kioltására lett kitalálva. Hum bucker, vagyis brumm kioltó. De neked sistergés van, nem búgás. Mellesleg meghajlok Jeti előtt, vakon bízok a munkájában. Nézzd meg, hogy földelt aljzatban van-e a kombó. Ha ez is rendbe van, jó lenne megmérni egy multival a húrláb, a kimeneti GND, meg a potik tengelyének, valamint a belső árnyékolás összeköttetését. Ha ezek közül valamelyik nincs testen, vagyis lebeg, az is a baj forrása lehet.
A számítógépre kötve és másik erősítőn is csinálja.
Szia. Az erősítőhöz érve nem hallgat el a sistergés csak a húrok vagy a híd esetén. a potikhoz érve sem hallgat el. Viszont minden össze van kötve ezt a műszer kimutatta. Gyakorlatilag nulla ohm ellenállást mértem minden testre kötött alkatrésznél egymáshoz képest és a kimenő test is a helyén van. Arra gondolok, hogy lehet a húrláb és a potik testje közé beiktatnék egy kb 1 mikrós kondit és megnézném akkor mi történik. Arra gondolok, hogy valami a kábelezésnél feltöltődhet és mikor hozzáérek akkor kisüti azt. Ugyanis kb fél másodpercre rá kezd sisteregni ahogy leveszem a kezem a húrokról. Elképzelhető szerintetek ez az elmélet, vagy sztornózzam? A másik amire gondolok, hogy adott esetben valami potenciál különbség léphet fel a potik ellenállásán és emiatt elbillen a szimetrizálás pontja és ezért zúghat. Lehetséges lehet, hogy a potik lennének hibásak? Mert műszer szerint a test és az árnyékolás rendben van.
A rajz, ha valoban igy van bekötve nem jo. Hiába szimmetrikus a pickup, ha egyböl helybe aszimetrizálod.
Szoval át kéne drotozni a gitárt. A földet minden képpen csillagbekötéssel kellene elkésziteni, beleértve az árnyékolásokat is meg a gitár mechanikáját is ( valamennyi fém alkatrészt). Itt nem segit az ohmméter, inkább a kivitel a lényeges. Lehet, hogy Laney-ben in van valami - automatikus impedancia illesztés ami elmászik, ha nincs jel. Söt az az érzésem, hogy a V poti is rosszul vannak bekötve. A te rajzodon a felsö fix vég megy a jackre, azaz letekert poti esetén is nyitva van a bemenet. Általában a potik forgorésze megy az erösitöbe, azaz ha letekered a hangeröt (V) akkor a bemenetet is rövidre zárod. Probáld meg megcsere'lni a V potin a lila meg a zöld vezetéket.
Egy próbát megér, rontani nem rontassz vele. A húrok és a test között is van kontakt? Maga a sustorgás hangfrekis tartomány feletti gerjedés, vagy ilyen frekvenciájú túlvezérlés esetén jön létre. Ha a húrok földje is jó, akkor meg kell próbálni a nagyfrekis (rádiófrekvenciás) zaj/gerjedés forrását kizárni. Ha jól látom, a barna vezeték a bemenete az elektronikának. Próbaként le kellene ezt a pontot hidegíteni a nagyfreki szempontjából. Egy 1 nF-os kondit tenni a barna, és a fekete vezeték közé. Ezt legkönnyebben a pus/pull poti kapcsolójánál lehetséges. A másik, hogy ha nem kell miatta szétbarmolni semmit, a kimeneti jack, és az elektronika közé egy 1 kohm körüli ellenállást be lehet tenni, hogy ne direktbe menjen a jel az erősítő felé.
Köszönöm az infókat. Megpróbálok ezt-azt, és megírom mi történt, illetve hogy h megvan a megoldás akkor megírom. Hátha másnak is segít.
Szia.A hálózati védőföldelést nézném, hogy végig meg van?
Mindenkinek köszönöm szépen a tanácsokat sokat segítettetek. Megoldottam a problémát részben. Ugyanis a sistergés kb 3/4-edével halkabb lett és már alig hallatszott. Viszont rájöttem mi okozza. A rézfólia bizonyos pontjain ellenállás volt mérhető és így nem árnyékolt hanem mondhatni antennaként üzemeltek bizonyos részei. Ezt a hibát kiküszöböltem ugyan de további gond volt a Blender potméter (rajzon B1-B2) ezen is mértem 80 ohm ellenállást rövidzár módban. az egyik oldalon és valóban elbillentette az arányokat így szedett össze zajt. Kicseréltem és egyből halkabb is lett a sistergés mikor kipróbáltam. A fennmaradó kis zajra még kitalálom mi a megoldás. Elképzelhető hogy a hangszedők mögötti rézfóliát is meg kéne néznem. Valószínűleg, hogy onnan is kap egy kis háttérzajt. Ha teljesen megszűnik megírom a megoldást, hogy mit sikerült kitalálnom.
A rézfóliát szerencsére össze lehet forrasztani az átfedéseknél egy-egy pici ónpöttyel. Az alut lehet tetoválni, azaz néhány centiméterenként tűvel megszúrkálni. Az is öszzefüggővé teszi az árnyékolást. Nekem most nagy a pofám, mert az alut is megforrasztom. Persze ez most nem vonatkozik rád, de hátha másnak is jól jön.
Sziasztok! Házi stúdiós hangtechnikai problémával szembesültem, ZAJOS GITÁR téma szintén. Végigolvastam a teljes topikot, de a helyzet specialitása miatt kikérném a véleményeteket mielőtt bármihez is hozzáfogok.
A felszerelés: Epiphone prophecy les paul custom plus GX gitár, Native Instruments Komplete audio 6 hangkártya, asztali számítógép Radeon 7900-as böszme videókártyával, i5 4x3, 5-ös proci, 500-as chieftech tápegység, 2 db LCD monitor, Genius 2.1 multimedia hangfalak (consumer, de a jobb fajtából), AKG Q701 fejhallgató. Pár hete költöztem társasházból panelba, a probléma az új lakás nappaliában jelentkezett. Egy olyan 3-4 khz körüli alapzaja van a gitárnak, amelyet korábban nem tapasztaltam, és a felvételeket használhatatlanná teszi. A zaj a hangszedőket a gépházhoz, illetve a genius mélynyomójához közelítve erősödik, az íróasztaltól eltávolodva halkul, de teljesen nem szűnik meg. A pickupok és a gépház által bezárt szög változtatására is erősödés-halkulás tapasztalható, de nincs olyan pozíció, amelyben a zavar teljesen megszűnne. Az 50 Hz-es brumm-ra nem hasonlít, így földhurok szerintem nem lehet. A húrok lefogása, bármely fémes alkatrész érintése sem a gitáron, sem a hangkártyán, sem a gépházon nem befolyásolja a zavarjelet, nem ráz egyik berendezés sem, a hálózati aljzat és az elosztó amelyre minden eszköz kötve van, külső ránézésre megfelelően földeltek. Árnyékolásra gyanakodva a gitárkábelt cseréltem 3 különböző fajtára, ez sem változtatott semmin (mindegyik kábel minőségi MONO 6.3-as jack-jack). Korábbi hozzászólásaitok alapján a legvalószínűbb az elektromágneses zavar, de a szitu érdekessége, hogy ha a hangfalat kikapcsolom, és a fejhallgatóval fülelek, a kikapcsolt mélynyomóhoz közelítve a zaj ugyanúgy erősödik (habár a gépház mellett van 30-40 centire, szóval lehet, hogy csak amiatt). Ha viszont az eszközeim keltette elektromágneses tér zavarja a hangszedőket, akkor nem értem, hogy ugyanez a probléma korábban a társasházban miért nem jelentkezett, ahol még inkább össze voltak zsúfolva térben a berendezések. a gitár és a kártya közé nincs kötve semmi effekt vagy egyéb, minden beállítás, kötés ugyanaz mint a korábbi lakásban, és a zavar tiszta, natúr hangszínen is tisztán hallható. Mit tegyek? Mindezek ismeretében továbbra is lehetséges hogy a hálózati áramforrásnál lehet a probléma? A gépházat kellene talán leárnyékolnom? Vagy rákötnöm a radiátorra? Köszi előre is! Gergő
Köszi, akusztikailag nincs a toppon a szoba azt bevallom, de nem hinném h ez a gond, mert a jelenség fejhallgatóval kikapcsolt szórók mellett is jelentkezik... :/
Szia. A helyzet pofon egyszerű. Van több javaslatom is a problémára. Multiméterrel mérj rá a konektorra, hogy van-e a földeléshez képest feszültség. Amennyiben van, akkor a földelés oké. A másik, hogy szakadásvizsgálóval vagy ohm mérővel mérj rá a nulla és a föld vezetékre, hogy a hálózat ki van-e nullázva. Amennyiben nulla vagy 1-2 ohm-ot mutat, rendben. Ha semmit vagy jóval többet, akkor ki kell nulláztatni az áramszolgáltatóval. Ha a zúgás mindezek után továbbra is fennáll, akkor mivel gondolom szólógitárról van szó, így azt javaslom, hogy a pickupok kivezetéseire forrassz rá egy 4,7 nF-os kondit. (mindkettőre külön-külön, egyet-egyet a jel és test közé.) Ha nem lenne változás, akkor végső megoldás a di-box lenne. Ez ugyanis asszimetrikus jelből csinál szimetrikust, és test leválasztást is. Így a hangkártyád is kapna egy normális szimetrikus jelet és érzéketlen lenne az eletromágneses zavarra is. Persze ez csak rövid asszimetrikus kábellel lenne megoldható. Viszot a szólógitárokról érdemes tudni, hogy a hangszedőik más elrendezésűek mint a basszugitáré, és sokkal érzékenyebbek a zajokra. Teljesen sosem tudod kiszűrni, csak halkítani tudod. Ha volna kérdésed még, akkor szólj és találunk megoldást.
A hozzászólás módosítva: Nov 17, 2016
KÉPZELJÉTEK EL! Tegnap meló után hazamentem, na mondom megnézem még egyszer, és kipróbálom, hogy a számítógép kikapcsolt állapotában is hallani-e a zajt (a hangkártyán van direct monitoring funkció, amivel közvetlenül az erősítőre tudja küldeni az előerősített gitárjelet, elég ha a kártya pl. egy USB hubon keresztül áram alatt van). Így semmit sem hallottam, tehát valami számítógépből eredő maradt. Bekapcsoltam, és azóta csak akkor hallom a zajt, ha a pickupokat 15 centi közel a gépházra irányítom, tehát valami véletlen folytán normálisra csökkent a zavar erőtere. Semmilyen módosítást nem eszközöltem semmiben, rejtély! Maga a probléma ettől persze nem szűnt meg, de az audiómunkálatokat így már nem befolyásolja.
Mindenesetre nagyon szépen köszönöm a részletes tanácsokat beethowen3! Legalább tudom mik a lépések, ha a dolog újra előtör. Gonosz egy lény ez a panel! Óvakodjatok tőle!
Egy gitár erősítőt építettem vizsga munkának. Kezdő ként, de sikeresen működésre bírtam az egészet, viszont kb 50HZ búgó zaj van benne. Minden ami van tervrajz, nyakterv van. Kaphatok tanácsot esetleg?
Az egész egy kettős szimmetrikus tápról működik (toroid csapolva) +- 24V ami Feszstab IC, illetve egy +- 35-40V ig terjedő kimeneti fesz. Amit a hálózat határoz meg. Az előerősítő bemenetén a + jel coax kábellel van bekötve. Ez 2 tranzisztoros erősítővel van megépítve az elso fokozaton gain állítási lehetőség a 2. Fokozaton hangszín szabalyzóval. A kimeneten nincs RC csatolo kondi mert a vegfokon van DC levalasztas. A kimenete 0-2,5 V ig terjed. A kimeneten a +jel megy coax kabellel. Fontos megjegyzés hogy nincs árnyékolt dobozolása még. Ez lehet egy megoldás szerintem. A vegfokot vasaroltam ami egy TDA 7293as végfok 90W kimenettel ( de a táp csak 70-80W. A vegfokon van jelölés ahol esetleg Hifi használat esetén a GND elkaparhato a föld hurok ellen. Mivel mono ezért nem látom értelmét elkaparni. Tapasztalások a működés során : A búgó hang a gitár lefogását követöen halkabb jelentősen. A Gitar nincs rendes foldelessel ellátva (elmondas alapján). Eleinte olyan érzékeny volt, hogy a gitár érintését is hallhatóvá erősítette, ezt coax kábel kissé javította, hogy miként nem tudom pontosan. Cél : a külső zavarerősítés minimumra csökkentése. Köszönöm!!!
Ez nem jó így.
Rendes árnyékolt vezetékkel(riasztó-vezeték is használható) kell a jel-vezetékezését megoldani. A belső ér(erek) a melegpont, a külső árnyékolás a hidegpont. Nem kötjük össze a hálózati védőfölddel! Tessék árnyékolást csinálni, ha másképp nem megoldható, akkor öntapadós alufóliából kell a doboz belső felét burkolni, amit valamilyen módon a hidegponthoz is kell kötni. Csavarral-alátéttel ez jól kivitelezhető. Ha ez megoldott, akkor a búgás megszűnik, vagy töredékére csökken, ha nincs más vezetékezési hiba, vagy erősen szóró transzformátor. Sok sikert! Üdv!
A tápegységről lenne kapcsolási rajzod vagy legalább fényképed?
Sziasztok, egy gitár erősítőt javítok, és egy 152Hz bugó hangot szeretnék megjavitani benne.
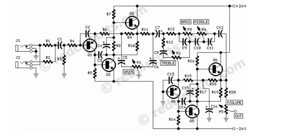
Az előerősítő kimeneti részére gyanakszom, mivel a bemenet rovidre zarasa nem oldotta meg a problémát, illetve a kimeneti potmeter szabályozza a búgó hang erejét, feszültségét. Lehetséges, hogy néhány alkatrész okozza a búgó hangot? A kapcsolási rajz illetve az áramkör : ( a Potméterek vezetékkel vannak forrasztva a nyakra mivel az a falon rögzítve van.)
Köszönöm az előző uzeneteket, hasznosak voltak, a bemeneten a zaj teljesen megszűnt.
|
Bejelentkezés
Hirdetés |




Ha ennyire félsz egy kis bizsergéstől, akkor húzz fel a kezedre egy kesztyűt. Nem tudod elkerülni a trafó tapizást, mert bekapcsolva kell majd keresni a megfelelő pozíciót. A vasmagot fogd meg, úgy mozgasd. 

. 







